Fórum témák
» Több friss téma |
Fórum » Propeller Clock
Szia!
Itt a válasz
Szia Hp41C!
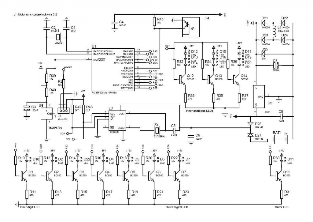
Megtaláltam a 16F628 vertikálisra írt Programodat Prop_new_628_39. " - Hengerpalást kijelző használata (RB7 van felül)." Sajnos ez nekem nem jó, mivel nekem RB7 az analóg mutató! De ettől függetlenül megpróbáltam ezt használni. A szöveget nem tudtam kicsikarni belőle (648-on minden oké volt Prop_new_648_2.16 ), viszont a digi óra forgása jobbról balra haladt és ez is fejtetőn. Gondolom ez kompenzálható, ha engedélyezem a ReversTextControll-t (Héber). A rotorom (RTC-nélküli), óra forgásával ellentétes (videó fejmotor), ezt be is állítottam. Kérlek segíts ha tudsz. Ha végképp nem jutok dűlőre akkor felcserélem a ledekhez tartozó PIC kivezetéseket. Üdvözlettel Béla
Szia!
RA0 (17-es láb), a szöveg teteje. A sorrend fentről lefelé 1-7-ig a csatolt képen. Köszönöm előre is a fáradozásod. Üdv. Béla
Érzésem szerint nem túl egészséges, hogy a PIC 1,2,3-as lába a levegőben lóg! Ezt a három kivezetést összeköthetem, és 1db 10 k -val testre?
A képen látható nyomtatáson az említett 3 láb alatt közvetlenül fut egy GND vezeték. Minden lábhoz be kellene tenni egy-egy 10k SMD ellenállást.
Sajnos a 16F684A -s rotorral nem lesz egyszerű a vertikális megjelenítés - nincs elég szabad változó. A 16F628(A) -sal van még remény.
Köszönöm a jó tanácsot, a 3 láb ügyében.
Nem tudom mit jelent a "nincs elég szabad változó" de ha esetleg kivennéd az óra és a dátum részt (arra ugyanis nincs szükségem), akkor esetleg nem szabadulna fel annyi változó? Tudom, hogy ez alapvetően óra. Mint már írtam, az óra és a szöveg volt fejtetőn, de az év, hónap, nap, valamint a hétfő jól jelent meg! Prop_new_648_2.16 Mégegyszer köszönöm a fáradozásod. Üdv. Béla
Ha minden kötél szakad, akkor 1-7-ig felcserélem a kivezetéseket!
Várj még a cserével.
Idézet: „... az óra és a szöveg volt fejtetőn...” Az idő fejtetőn és tükrözve jelent meg?
Igen, másodperccel kezdődött!
Már majdnem szédszedtem, de nem kivezetés csere kapcsán, hanem, hogy betegyem az ellenállásokat, és javítsak a légellenálláson! Még várok, hogy további információval szolgáljak ha kellene. Egy ötlet, de nem értek hozzá! Ha csak az analóg órát kiveszed, akkor nem szabadul fel elég "vátozó"? Mintha ilyet készítettél volna valakinek. Üdv. Béla
Szevasz!
Köszönöm a csatolmányokat. Üdv. M.
Megpróbálnád? Az te verziódhoz való key.sam és a chargen.asm kell még hozza.
Köszönöm!
Csak holnap délután tudom kipróbálni. Most még dolgozom, és az ékezetes betűket próbálgatom. Lehet hogy ez ügyben is lesz kérdésem, mert a logikámnak ellentmondanak a dolgok! Át írt szöveget (asm-ben), lefordítom hex-re. Visszaolvasva ICPROG-gal, kapom az ellentétes dolgokat. De csak holnap fogom látni, mit alkottam itt a melóhelyen! Jó volna ha szombatra összeállna, lesz házibuli a haveromnál!
Szia!
Ma reggel, gyorsan meg akartam nézni, hogy mit készítettél. Sajnosnem fordult le hex-be, mert 11 db hibát dobott. MPASMWIN-nel készítettem volna el a hex -et. Úgy látom, mintha a római számokkal volna baja. Köszönöm az erőfeszítésed!
Bocsánat, nem voltam elég precíz. A chargen648.asm, keys648, Daynames648.asm kellene neki.
Természetesen ezek is benne voltak a könytárban.
Valamint még az RC5x.asm is. Nem több hibát dobott volna, ha ezek nem lettek volna? Most írom be amit alkottam a meló helyen.
Amit a prop648.err -be hibaként írt, az a CharGen648.asm -ben van, de nincs a 628 -hoz való CharGen.asm -ben.
Hoppá!
Amiket te küldtél azzal error nélkül lefordult! Pedig én, azzal dolgoztam amit már korrábban említettem (Prop_new_648_2.16). A hozzászólás módosítva: Okt 8, 2018
Valóban! Lehet, hogy összekeveredtem valamikor!?
Viszont amit küldtél azzal semmi életjel. Kutakodtam az asm-ben és szerintem egy korábbi hibába estél, amit már megírtam RB7 kapcsán. Idézet: „#define VerticalLEDs ; un-comment this line if leds are arranged vertical to rotation RB7 on top” Nekem ez nem jó sajnos. Rajz és leírás az oldal tetején. Köszönöm.
Tapasztalatok az ékezetes betükkel!
1. verzió Azzal kezdtem, hogy az asm-ben átírtam az eredeti szöveget. 1 asm.jpg Ékezetekkel, ahogyan azt írni kell. Majd lefordítottam hex-re. A kapott hex-et, ICPROG-ban beolvastattam. 1 icprog-ban.jpg Az EEPROM ablakban jobb oldalt megjelent a beírt szöveg ékezettel. Viszont az EEPROM bal oldali ablakában pl. ó = F3 Gyanús volt a dolog. De mivel ez az ASCII kódtábla speciális karakterkészletébe esik, ez csak a hozzárendelt kódtól függ, hogy mi jelenik meg. Itt a fórumon, egy korábban leírt ékezetes kód alapján, ez nem lesz jó! Sajnos beigazolódott, nem működött a dolog, mert az ékezetes betűk helyén csak üres karakter volt! 2. verzió Az asm-ben, a szövegben, az ékezetes betűk helyére beírtam a hex kódot. 2 asm.jpg Fordítás hex-re. A kapott hex-et, ICPROG-ban beolvastattam. 2 icprog-ban.jpg Az EEPROM bal oldali ablakában most jó hex szerepelt. De a jobb oldali ablakban (ó) helyén tm jelent meg! Gondolom azért, mert az ICPROG ASCII kódtáblájában ez szerepel! De ez nem biztos!!! Annyira nem értek hozzá! Nos az eredmény SIKER, minden betű jól jent meg. Sajnos a CharGen bináris táblázatból nem értem, hogy jönnek ki a karakterek. Gondolom, kellene hozzá valami megjelenítő ahova a hat értéket, beírom. De ez sem biztos. Bocs hogy ilyen hosszú lett, remélem érthetően írtam le!
Töltsd fel ide a "majdnem jó" Prop_new_648_2.16 -ból a prop648.asm -et! Abban leszenk a Te beállításaid.
A 2. számú megoldás a helyes.
A 16F628 kontroller 2048 szó programtárából rengeteget (1536) elvinne egy teljes ASCII kódtábla, a maradék nem elég a programhoz. Ezért az ASCII kódtábla egy részét (32 .. 127 kódú karakterek) használjuk csak. Azonban maradt még egy kis hely, ahova speciális karakterek képeit lehetett betenni. Erre a helyre kerültek az ékezetes karakterek. A címzésnek (a program méretének csökkentése miatt) folytonosnak kell lennie. Így (sajnos) az ékezetes karakterek kódjai egyediek lettek, amit a legtöbb PIC programozó nem ért. A hozzászólás módosítva: Okt 8, 2018
Akkor azért van ez a kuszaság az ICPROG-ban. Így már értem, és ezért jelent meg más, de csak a speciális kódtábla részén (127 felett).
A CharGen bináris táblázatról, jól sejtem hogy a hat oszlophoz valami megjelenítő kellene? Idézet: „A CharGen bináris táblázatról, jól sejtem hogy a hat oszlophoz valami megjelenítő kellene?”
Minden érték 7 (esetleg 8) pont állapotát tárolja, mégpedig az egymás "fölött" lévőkét, az egymás utáni értékek balról jobbra haladva rajzolják ki a karakter képét: A fenti sor meglepetésre az "A" betű képét tárolja.
A hozzászólás módosítva: Okt 8, 2018
Módosítottam a függőleges kijelzőhöz (RA0 fent).
Sajnos nem reagál semmire csak az óra jelenik meg, valamint outer led, de azt sem tudom ki be kapcsolni.
Nem tudom tévedés-e, hogy amit én küldtem asm-et, annak a verzió száma 2.16, amivel dolgozol (elkülgtél) 2.30-as. Az alábbi beállítás volt az utolsó amivel próbálkoztam! Délután megint leszek! Köszönöm!
Szia!
Fogtam a Tiedet (2.16), módosítottam, hogy a függőlegesen álló LED -eket kezelje, átírtam a verziót (2.30), hogy meg lehessen különböztetni és feltöltöttem ide. Az alábbi sor elől vedd ki a komment jelet.
A hozzászólás módosítva: Okt 9, 2018
Szia, megint vagyok!
OK csak nem akartam, hogy feleslegesen pazarold az idődet! Én is elkavarodtam tegnap! "Csak az hibázik aki dolgozik" Nos a fejlemények a következők: Komment jel kivéve. - Lefordít hex. - Beírás. Az év-hönap-nap :01-01-01 Nap: 1 Ezek rendesen jennek meg. Az óra olvashatatlan, mintha keveredne a bináris órával"?", vagy megcsúszva lenne. (Bináris óra sem fontos számomra). Viszont annyit kivettem, hogy a másodperc a végére került (a legutoésó érték számlál) ez jó. Még mindíg fejtetőn van és kettesel kezdödik, (gondolom ez a 12-nek a kettese) ez nem jó. A távirányítóra továbbra sem reagál! Reggel a nagy sietségben, elfelejtettem megköszönni a magyarázatod, a CharGen bináris táblázatról! Köszönöm! |
Bejelentkezés
Hirdetés |











