Fórum témák
» Több friss téma |
Sziasztok szép nyári napokat mindenkinek!
Lenne egy nagy problémám amiben segitséget szeretnék kérni. Vásároltam egy 2,5 külső hdd(sata) rack-et és szeretnék külön tápotrol(5v) használni hozzá. Alapbol usb-n kapja az 5v-t, működik is rendesen de sajnos ha össze dugom a DVD lejátszommal akkor fel sem pörög. Dvd lejátszom támogatja az usb hdd-t.
Üdv!
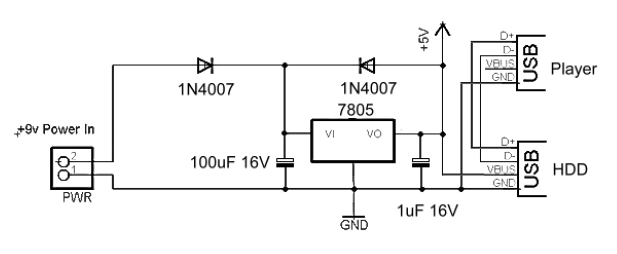
Hát keress rá egy USB lábkiosztásra, azt hiszem a két szélső a + és a GND. Kelleni fog egy tápegység, akár lehet dugasztáp is, szóval adapter, ami bírja az 1A-t. A számítógép USB-je 500mA-t bír, ettől többet nem lenne neki szabad fogyasztania, de azért nem árt a tartalék, legalább nem fog melegedni. A leadott feszültsége akár lehet 12V is. Illetve kelleni fog egy 7805-ös stabilizátor IC, esetleg egy pár kondi. A 7805 kacsolása megtalálható az adatlapjában. Bővebben: Link Hogy ne én csináljak mindent Minél nagyobb feszt kapcsolsz a stabkocka bemenetére annál jobban fog melegedni, szóval egy kicsi borda sem ártana.
Nekem ilyenben van a 2.5" wincsi ennek van külön tápcsatija mert megy USB 1.1 -röl is és ott is külsö tápot kell neki adniBővebben: Link
Szia!
Szerintem neked ilyesmi kellene.
Hali! Ha 2 USB port van a DVD lejátszódon és miniUSB-s a külső HDD-d, akkor lesz esély kókányolás nélkül is megoldani a dolgot.
Kép a kábelről Ehhez hasonló kábelt kell keresned. A lényeg hogy legyen egy miniUSB-s dugasz, meg kettő darab normáls USB-s dugasz rajta. A kettő normált bedugod a DVD lejátszódba a minit meg a hdd-be. Azért jó ez a kábel mert így több áramot akaszt le a HDD a csatiról. Természetesen csak annyit amennyi neki kell, ebben nem fog tönkremenni. Sok sikert! Ha valami nem tiszta írj nyugodtan.
Mindenkinek nagyon köszönöm a választ! Tápegység megvan, de nem tudom hova csináljak bemenetet. Nem szeretném a dvd-t tönkrevágni. Ha ráforrasztom a megfelelő helyre az 5v ot a dvd nem megy tönkre mivel ott kap kivülről 5v-t?
Pár kép hova is forasszam az 5v-ot.
Sajna csak 1 usb van a dvd-n, gyárilag ilyen kábelt kaptam.
Szia!
Azért raktam föl a rajzot, hogy ne forrasztgass azon a panelen semmit. A rajz jobb oldalán két USB csatlakozó van. Az 5V csak a HDD-re megy a DVD-re nem, ezért nem is fogja hazavágni. Egyszerűbben is megcsinálhatod, ha van stabilizált 5v-od(nem gagyi dugasztáp). Ekkor csak az összekötő USB kábel szigetelését kell megbontani, meg kell keresni a GND és a +5V erét. A GND-re ráforrasztod az 5V-os tápod negatívját. Az USB kábelben pedig elvágod a pozitív eret, és arra a végére amelyik a HDD-hez megy rákötöd a +5V-ot. Csak akkor kezdj neki ennek az egésznek, ha tisztába vagy azzal mit csinálsz, mert akár tönkre is teheted a kis HDD-et, ha rosszul kötsz be valamit, vagy rossz tápot használsz.
Sziasztok! Segítsetek! Van egy laptop vinyóm, és vettem egy külsö házat hozzá, amihez van egy kábel is és az eggyik végén van két usb dugó. Gondolom, hogy a vékonyabb az külsö táphoz van.Ha összedugom a dvd lejátszóval, akkor működik, de kis idő múlva leáll ezért én csináltam neki egy külön+5v-os tápot, és azt szeretném tudni, hogy így a külön táppal, nem fog e kapni dupla tápfeszt, ha öszedugom a dvd vel?
Sziasztok!
Van egy külső USB 2.0 csatlakozós házban lévő SATA csatis 2,5" HDD-m. Gyárilag csak egy sima USB 2.0 dugó - dugó kábelt kaptam hozzá. Gépen megy is szépen, de szeretném a TV-hez is csatlakoztatni. LG 32LN5400 a TV típusa. Rádugom, világít a külső ház LED-je, de a TV azt mondja, hogy nincs csatlakoztatva külső eszköz. Pendriveról simán megy minden tökéletesen. Több helyen olvastam, hogy az lehet a gond, hogy nem ad elég tápot a TV USB portja a HDD-nek. Az lenne a kérdésem, hogy, ha veszek egy USB Y kábelt, aminek 3 USB apa dugója van, és a szimpla vége megy a HDD házába, a másik végéből az egyik a TV-be, és a maradék 3. párhuzamos ágat (ami eredetileg is táplálásra van a kábelen) egy külső 230V-os hálózati USB töltőn át megtáplálom? Okozok ekkor valami bajt? Mert az világos, hogy a dupla vég a PC-nél két szabad USB portba menne, de a TV-nél ugye csak egy van. Köszi szépen!
Szia!
Elvileg nem lesz baja. A lényeg, hogy 5V-os legyen és minimum 500mA-es. Ha az áramerősség nagyobb az nem baj. USB dugón szabványosan 5V 500mA jön ki. Az újabb telefontöltők tökéletesen tennék a dolgukat szerintem.
Szerintem meg ne közösítsd a tápokat, mert a visszáram gondot okozhat, bár ez tápfüggő. Minimum le kell diódázni, vagy a tv-ből jövő 5V-ot szakitsd meg és csak a segédtáp 5v-ját használd. Test közös.
A hozzászólás módosítva: Jún 10, 2015
Na ez érdekes. Magyarán itt van egy külső tápja az elosztónak, ami adja az 5V-os tápfeszt és nem terheli a lengő csatlakozót?
Hello!
Igen, valahogy úgy...nem terheli túl az USB csatlakozó áramát, mert a csatlakoztatott eszközt a saját tápegységéről látja el tápfeszültséggel...
Szia!
Nem biztos hogy a táp miatt nem ismeri fel a TV. Ha NTFS-re formáztad a HDD-t, azt nem minden TV kezeli.
Igen, de a pendriveot simán látja és kezeli, pedig az is NTFS-re van formázva.
Ilyesmire gondoltál?
Gondoltam teszek rá egy kapcsolót, így lehet az eredeti állapotban is használni, pl. pendrivehoz , meg átkapcsolva a külső tápra is a HDD-hez. Ez így jó lehet?
Sziasztok!
Segítség kéne:adott egy Seagate Momentus 5400.6-os, 500GbB-os laptop hdd. Laptopban működik szépen, de ha külső USB-s házba rakom nem látja a laptop. Azt írja ki a laptop,hogy külső USB3-as eszközt érzékel, de az intéző nem látja. Kétféle külső házban is próbáltam sikertelenül. Valami ötlet,tanács,magyarázat jól jönne. Jani
Hali!
Eszközkezelőben látszik a lemezmeghajtók között? Lemezkezelőben látszik? Lehet az is baj hogy valami GPT partició van rajta, és azt nem tudja kezelni usb-n, próbáld letörölni a particiót és újraparticionálni. Ha esetleg nem engedi a win particionálni, akkor használj valami partició manager progit (pl hirens cdről)
A win7 particionálója törölte a nem win particiót,majd újra particionált most már wint. Azóta működik ahogy illik.
|
Bejelentkezés
Hirdetés |
















