Fórum témák
» Több friss téma |
hi
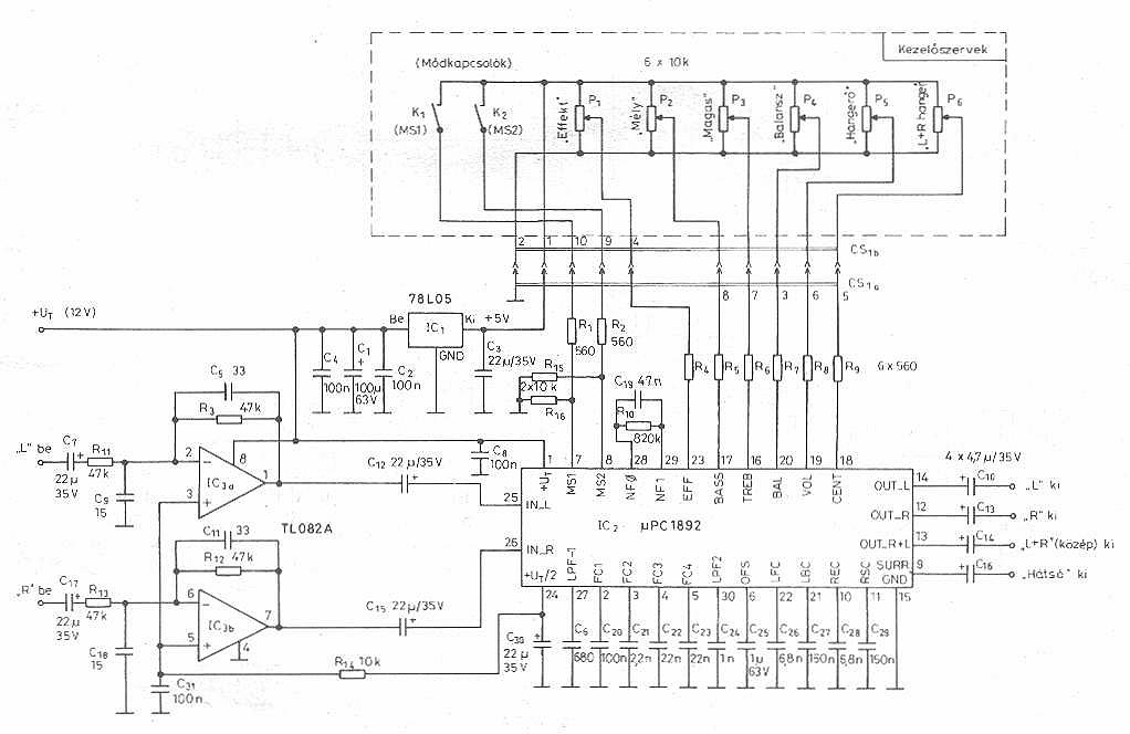
![]() Nem értem több dekóder rajzom van, de minden hol 4 kimenet van. Mikor meg mutatják a megépített erősítőt akkor 5.1-re van ki hozva. Tehát amit nem értek a hátsó hangszóróknak egy kimenet van ki hozva, hogy lesz abból sztereó kettő. Márpedig az sztereó utána néztem dolby leírásban. A másik kérdés a Subwoofer honnét kapja a jelet?Mert kihozva az sincs már, mint a rajzon, az erősítőn igen. Előre is köszönöm.
A Dolby önmagában kevés... van Surround, ProLogic I, ProLogic II, Digital.
Ez egy ProLogic I, ahol a kimenetek száma maximum négy: bal, jobb, közép, effekt. A hátsó effekt csatorna mono. Többek közt ez változott a ProLogic I továbbfejlesztett változatában a ProLogic II -ben, vagyis sztereó lett az effekt cstorna is. Továbbá javítottak az effekt cstorna sávszélességén. Nem árt tudni, hogy a ProLogic egy analog dekóder, amely a jobb és bal csatornákba (fáziseltolással) kódolt jelet osztja szét, ezáltal egy ProLogic hanganyag lejátszható egyszerű 2csatornás sztereó készülékkel is. Szóval valszeg nem a megfelelő leírást olvastad, mert a ProLogic I effekt csatornája bizony monó, és a belinkelt kapcsolás egy ProLogic I dekóder kapcsolása.
Köszönöm
Értem. De van egy másik rajz amihez a leírásba leírja -90,+90-es elforgatást és rajzon is jelöli, hogy melyik rész az ami az elforgatás végzi(delay time set). Az out-ok száma mégis 4.
Az akkor is csak álsztereó... sztereó érzetet kelt az eltolás, de ez csalás, mert az eredeti műsoranyagban nem volt sztereó az effekt csatorna.
Ha mindenképp (valódi) sztereó effekt csatornát akarsz, keress ProLogic II dekódert. Egyébként meg ne keverük... a Surround és a ProLogic nem ugyanaz. A Surround csak térérzetet kelt több hansugárzóval, de az eredeti hanganyag ezeket az információkat nem tartalmazza, mondhatni, a dekóder találja ki (persze a dolby laboratórium szigorú követelményei szerint). Ezzel szemben a ProLogic-nál a több csatorna valóban a hanganyag része.
Hy!
Általában az 5.1-es rendszereken az összes csatornára teljes sávszél kerül ki és az erősítő szűri ki, hogy az adott csatornán lévő hangsugárzó milyen freki tartományban müxik. Tehát gyakran ugyan az a jel jelenik meg a center és a sub kivezetéseken. vagy pedig a sub-ot a két első csatorna összegéből állítják elő. Háttér sugárzóra meg gyakran alkalmazzák az elforgatást ami azt jelenti,h pl a hangszórók + feleit összekötöd és a 2 - felére kötöd a bemenő jelet...
Amúgy a legegyszerűbb térhatás érzését előállító herkenytű a következő képpen épül fel:
Jobb-Bal : teljes bemenő jel Center : Jobb+Bal 120-600hz Sub: jobb+bal 20-(80-100-120)hz (a teteje attól függ,h mire akarod használni) Effekt: Jobb+Bal 400-6000hz fázisforgatással Ez egy elég könnyen kivitelezhető cucc és stereo jelből képes 5.1-es jelet előállítani. én már megépítettem és működőképes volt. valóban érezni lehetett a teret. Idézet: „Háttér sugárzóra meg gyakran alkalmazzák az elforgatást ami azt jelenti,h pl a hangszórók + feleit összekötöd és a 2 - felére kötöd a bemenő jelet...” Ez nem igazán jó megoldás, mert ebben az esetben a fázisfordítás 180°, ekkor a két hangsugárzó kioltja egymást, ellenfázisban dolgoznak. Arról nem is beszélve, hogy ez az emberi fül számára is eléggé fárasztó (én legalábbis ezt tapasztaltam). A fázis forgatás és fázis fordítás sem egésszen ugyanaz... ha a hangszórók ellenfázisban dolgoznak, az fordítás. Ennél célravezetőbb a forgatás amikor ugyanaz a jel egy kicsit késöbb jelenik meg az egyik hangsugárzón, mint a másikon. Persze ez sem "igazi" mivel nem volt az eredeti hanganyag része. 5.1-es rendszernek pedig azt nevezik amikor valódi 6 csatorna van... ebben az esetben a 0.1-es sub csatorna is valós információt hordoz, a többitől függetlenül külön kódolva.
igazad van valóban fázis fordítás.
viszont effekt csatin amúgy is csak magas frekis jelek mennek és arra nincs nagy hatással a kioltás...
Azért ott van a közép-tartomány is... és véleményem szerint itt a legidegesítőbb, ha az egyik füledre fázis, a másikra ellenfázis jut.
Különben itt is van kioltás, csak a frekvencia nöekedésével a hang(sugárzás) egyre irányítottabbá válik, igy kevésbé jelentkezik ez a hatás. A mély hangok (alacsony hangfervenciák) jobban szóródnak (épp ezért nem érzékeled, hogy csak egy sub csatorna van), így itt igen erőteljesen fellép a kioltás, még akkor is, ha nem néz szembe a két hangsugárzó. Erre egyébként bassreflex rendszerű subláda tervezéskor sem árt odafigyelni, pl. a reflexnyiláshoz eljutó hang(légmozgás) útjának hosszabbításával.... De ez már egy másik történet.
Elfogadom a válaszodat.
Még egy kérdés körön kívül a Subwoofer honnét kapja a jelet? Már, mint honnét „csatolom” le (honnét szűröm le).
ProLogic rendszereknél, mivel a 0.1 csatorna nem kódolt, a front bal-jobb csatornáról egy aluláteresztő szűrővel vehető le a sub. A szűrő felső határfrekvenciája 120-200Hz körül legyen, az alsó frekvenciák felé némi kiemeléssel.
Köszönöm.
Még két kérdést, ha lehetne. Látom nem kezdő vagy a témában szerinted érdemes itthon építeni egy házmozis erősítőt? „A Surround csak térérzetet kelt több hangsugárzóval, de az eredeti hanganyag ezeket az információkat nem tartalmazza, mondhatni, a dekóder találja ki (persze a dolby laboratórium szigorú követelményei szerint). Ezzel szemben a ProLogic-nál a több csatorna valóban a hanganyag része.” „csak térérzetet kelt”Tehát rosszabb”?Gondolok ilyesmi pl.-re mind a Stereó->álsteró.
Az első kérdésedre nem is olyan egyszerű a válasz. Ha az a cél, hogy olcsóbban kihozd, akkor nem. Viszont, ha ismerkedni szeretnél az elektronikával, szeretnél valamit alkotni akkor igen!
Erősítő terén még jobbat is építhetsz, egy vele nagyából azonos árkategóriában kapható gyári erősítőnél, viszont a digitális processzorokkal már más a helyzet... legfőképen nehezen beszerezhetőek, és drágák, továbbá otthoni körülmények között egy pl. DSP processzor fogadására alkalmas nyák elkészítése sem kis feladat. Viszont, ha használsz videót, vagy van HBO-d jól jön egy ProLogic dekóder. Ha többre vágysz egyszerűbb, ha veszel egy 5.1-es analog kimenettel rendelkező DVD lejátszót... már 10 pénz alatt is van. Nem lebecsülendőek a noname készülékek sem, mert sokszor egy komolyabb gyártó mechanikája, elektronikája dolgozik benne... igaz nem valami esztétikusak. Szóval veszel egy ilyen lejátszót, és építesz hozzá erősítőt, mondjuk ProLogic-al (az a belinkelt kapcsolás). Így lesz egy olyan 5.1 csatornás erősítőd, aminek van 6 analóg bemenete a DVD felé, és a videó vagy tv adás prologic hangjától sem riad vissza. A második kérdésedre a válasz nem, iletve részben nem. A rajzot amit belinkeltél nyugodtan kipróbálhatod (használhatod), csak az effekt csatorna lesz álsztereó (feltéve, hogy azt csinálsz belőlle), illetve a sub szűrt. Ezeken kívül minden más csatorna (bal, jobb, center, effekt(mono) valós információt fog közvetíteni, persze csak a technológia határain belül (gondolok itt pl. a freki átvitelre, vagy az áthallásokra). Prologic II esetén már az effekt is valós sztereó, és a sávszélesség is nagyobb mint az 1-nél. Ja igen... mindkettő analog technológia, esetleg kiegészítve digitális effektprocesszorral.
Én először csak egy nagyon jó erősítőre gondoltam stereó, de Subwoofer (nagyon bejövös az a hangzás, amit a Subwoofer produkál. Ha jól gondolom ez a sávszélessége miatt lehet).
Na és jött a gondolat, hogy akkor nem e lehetne házi mozival bolondítani. Amúgy az asztali lejátszókban van dekoder (ha nem is mindbe de..)? Ezt nem tudom, én azt hitem nincsen és ezért nem is gondolkodtam ebbe az 5+1-be 5+1 ki dologba. Mert ha lenne ez egy picit le egyszerűsítené a dolgomat.
Sziasztok!
Nagyon jó áron sikerült szereznem egy nagyon jó DVD asztali lejátszót. Sajna nincs rajta 5.1 analóg kimenet, csak digitális. Tervben van egy erősítőm, lényegében minden megvan, csak össze kéne rakni, 6 csatornás. Csak így most kellene hozzá egy dekóder, mivel az erősítő úgy "terveződött", hogy eleve leosztott 5.1-et fog kapni, de ez most változik. Tudok én ilyen dekódert egyszerűen csinálni? Nem kell előerősítő, meg semmi hókuszpókusz, csak a digitális audiójelet ossza le 5.1-re, és ennyi. Ha valaki már épített hasonlót, vagy ismer olyan IC-t, ami ilyesmire készült, és megosztaná velem a tudást, azt megköszönném.
A Cirrus Logic Gyárt S/PDIF dekóder IC-ket, hát mit ne mondjak nem egy olcsó mulatság. Szereó S/PDIF vevő majd 3000Ft+áfa + hozzá az DAC ami ismét kb 2000+áfa. Plusz még egyéb alkatrészek. Az 5.1-es áráról nem is beszélve......
Értem. Van egy mechanikailag lepukkant DVD-m, aminek viszont van/volt ilyen 5.1 analóg kimenete... abból tudnék hasznosítani valamit szerinted?
Szerintem nem. Mert a Mikroproci csinálja az egész műveletet.....
Aha, gondoltam, hogy valami ilyen lesz. Az jutott még eszembe, hogy ha lejár a garija, belekukkantok. Sokszor észrevettem már, hogy ilyen tömegcikkeket egy platformra, kaptafára csinálnak, és gyakran az alap is mindent tud, csak mondjuk nem teszik elérhetővé a menüből, vagy pl. nem vezetik ki a csatlakozóját, ilyesmi. Lehet, hogy így van. Amúgy egy Grundig Livance GDP-2400-ról van szó.
Általában tényleg így van..... De azért nem kisérleteznék vele. Sajna ezeket a lejátszókat nem nagyon ismerem. Van itthon egy ORION azzal megvagyok, neten láttam hogy nézhet ki bellüről úgyhogy az sem érdekel. Nincs benne sok minden......
hali!
sikerült befejeznem egy dolby pro logic (a topic első hozzászólásában lévő kapcsrajz) nyák tervének készítését. Szeretném kérni a nagyokat hogy ellenőrizzék le mert nem vok biztos benne Nagyon szépen köszönöm!
Helló mindenki !
PC nélkül megoldható e az,hogy stereo jelből melyre rákeverték a 7.1 jelet kinyerjem a 2 első,2 hátsó,2 oldalsó és a enter és a mély jelét mejet utánna erősítőn kiküldök hangfalakra Lehet hogy már lerágott csont amit kérdek de szerintetek megoldható e ? Akár PIC akár bármi más ?
Hol találsz olyan sztereó jelet, amire 7.1 jel van keverve?
Üdv Inhouse
Sziasztok!
Volt szó róla korábban, hogy nem érdemes építeni olyan kapcsolást, ami S/PDIF-ből kiszedi az 5.1-et, pedig nekem is ilyesmi kellene. Kompletten venni lehet valahol? Milyen néven? Kb. mennyiért? Építettem egy erősítőt TDA2030 ill. 2050 végfokokkal ill. LM1036 előerősítvel, 6 csatorna. Ehhez kellene, hangkártyáról venném a jelet. Üdv
Helló !
Ha a hangkátyáról veszed a jelet nem feltétlen szükséges a dekóder mert a hangkártyák eleve csatornánként adják a jelet 1 csatlakozó (L-R) másik (Rear L - Rear R)harmadik (Center - Sub)Gipszi
Az ominózus jel ami 7.1-es nem más mint a THX
Szia!
Kösz a választ! Próbálkoztam ezzel, de sajnos nagyon gyenge minőség lett a vége. A sub nem szólt, a hátsók is alig. Több lejátszóprogramot is próbáltam, a hangkártyánál meg egyszerüen nem találok DTS-re vonatkozó beállítást. Lehet, hogy a lejátszó programokat állítottam be rosszul, mert nem volt minden teljesen világos, de több lehetőséget is próbáltam már. A DVD elején található DTS teszttel teszteltem. Elsők kb. 1/4 hangerőn szólnak, hátsók alig hallhatóan, sub sehogyan sem. Van esetleg valami tippetek mi lehet a gond? Üdv
Az óminózus DTS beállítást egy spec kodek oldja meg AC3 a neve
Milyen hangkarival próbáltad ? |
Bejelentkezés
Hirdetés |








Nagyon szépen köszönöm!
(8 in 1) 




