Fórum témák

» Több friss téma
Fórum » Erősítő mindig és mindig
Mielőtt kérdezel, a következő két dolgot ellenőrizd! I. A helyes tápfeszültségek megléte. II. A kimeneten van-e egyenfeszültség. Élesztés.
Lapozás: OK   2125 / 2571
(#) reloop válasza csibi77 hozzászólására (») Dec 2, 2018 1 / 1
 
A hangsugárzókat mondjuk épülethangosításnál kötjük sorba, igényes zenehallgatásnál kerüljük ezt a megoldást. Az impedanciamenet óhatatlan szórása miatt zavaros lesz a hangkép.
Először is van az üzletszabályzatban indoklás nélküli elállási lehetőség.
Akkor tartsd meg a szettet, ha tetszik a hangja és elfogadható számodra, hogy kíméletesen hajtod.
Sajnos a garanciával nem vagy előbbre ha leég az erősítő, mert nem a használati utasításnak megfelelően üzemeltetted. A szervizt nem hatja meg a kereskedő ajánlása.
(#) csibi77 válasza reloop hozzászólására (») Dec 2, 2018 /
 
Akkor még is illik hozzá?
(#) csibi77 válasza reloop hozzászólására (») Dec 2, 2018 /
 
a felsőbe van kötve 8ohm az van rá irva.kb 50 % ig tiszta 80% fölött kikapcsol.
(#) reloop válasza csibi77 hozzászólására (») Dec 2, 2018 /
 
Amit vásároltál, csak az az egy lóg ki a sorból. Ha teljesen találomra lennének a szettek összeválogatva, akkor feltehetően több ilyen példa is adódna.
(#) csibi77 válasza reloop hozzászólására (») Dec 2, 2018 /
 
Azért az ő üzletszabályzatuk nem hibátlan.Én nem irtam alá semmit.Helyszinen vásároltam.Azt nem ő dönti el igaza van e vagy sem.A benzines autóhoz tankol gázolajat az is megy egy darabig.
(#) reloop válasza villanyipi hozzászólására (») Dec 5, 2018 / 1
 
Áttekintve a rajzot, nem tudok teljes bizonyossággal tanácsot adni, mert elég pontatlan a dokumentáció. Ami nagyon valószínű, hogy az AMP_ON csatlakozóra +5 V kell, hogy megszűnjön a készenléti állapot. A némítás az AN7125 (ha valóban az van benne) adatlapja szerint a 9-es láb +1,5 V-nál kisebb feszültségre húzásától szűnik meg. Itt a rajz sajnos számomra értelmezhetetlen.
(#) villanyipi válasza reloop hozzászólására (») Dec 5, 2018 /
 
Köszönöm a tippeket ha majd lesz időm meg kedvem hozzá megpróbálkozom vele .
(#) csibi77 hozzászólása Dec 6, 2018 / 2
 
Sziasztok!
Csak értesitelek benneteket hogy kicserélik az erősitőt.Amúgy meg ha igazad van tarts ki mellette.Már le is vették a készletről.Nem rendelhető.De azért nekem a kép meg van a szettről.Sajnos kiderült az eledó még sem ért hozzá.Arra hivatkozott hogy nem érthető a gyári leirása az erősitőnek.Tehát a Sherwood 4508 rw-ra minimum 8 ohmos hangfal köthető!!!
(#) ozpecs válasza csibi77 hozzászólására (») Dec 6, 2018 /
 
Nekem is van egy sherwood erősítőm, teljesen egyértelmüen rá van írva, hogy min 8 ohm meg is néztem belül, (ez egy régebbi darab) nagyon szépen megcsinált magas tápfesszel müködő korrekt végfok, de nem nagyáramu az tény, nagy trafó nagy tápfesz jó hifi tranyók mte tokozással de nem nagy áramu, 8 ohmos hangfallal nagyon jó hanggal.
(#) Ge Lee válasza csibi77 hozzászólására (») Dec 7, 2018 /
 
Én már eleve azt sem értem, hogy mi visz rá valakit arra, hogy gyáriban keresgélve egy ilyen márkát válasszon. Nálam volt egyszer egy Sherwood végfok javításon, illetve talán ajándékba kaptam már nem emlékszem. Olyan helyeken is ki voltak benne száradva az elkók (előfokban, vezérlés tápjában) ahol igazából igénybe sem nagyon vannak véve. Az erősítő hangja meg egy tucat Videoton-hoz vagy akármihez képest sem volt sehol, tompán, tér nélkül, olyan sehogyan sem szólt az egész. Ezektől még építeni is sokkal jobbat lehet.
(#) mek-elek válasza Ge Lee hozzászólására (») Dec 7, 2018 /
 
Ne bántsuk a tapasztalatlanabbakat.
Jól nézett ki a boltban. Gondolom mese is volt hozzá. No meg nem úgy nézet ki, mint az én asztalsarki fadobozaim. Na de nem a külsejét hallgatja az ember.
Utolsó mondatodra, ez 78-ban is így volt.
(#) Ge Lee válasza mek-elek hozzászólására (») Dec 7, 2018 /
 
Bántani nem nagyon szoktam, legfeljebb értetlenkedni ha valamit nem értek. Na igen, van aki autót is a színe alapján választ, ami teljesen rendben is van akkor, ha neki az az elsődleges szempont.
(#) bancsi15 hozzászólása Dec 7, 2018 /
 
Sziasztok!

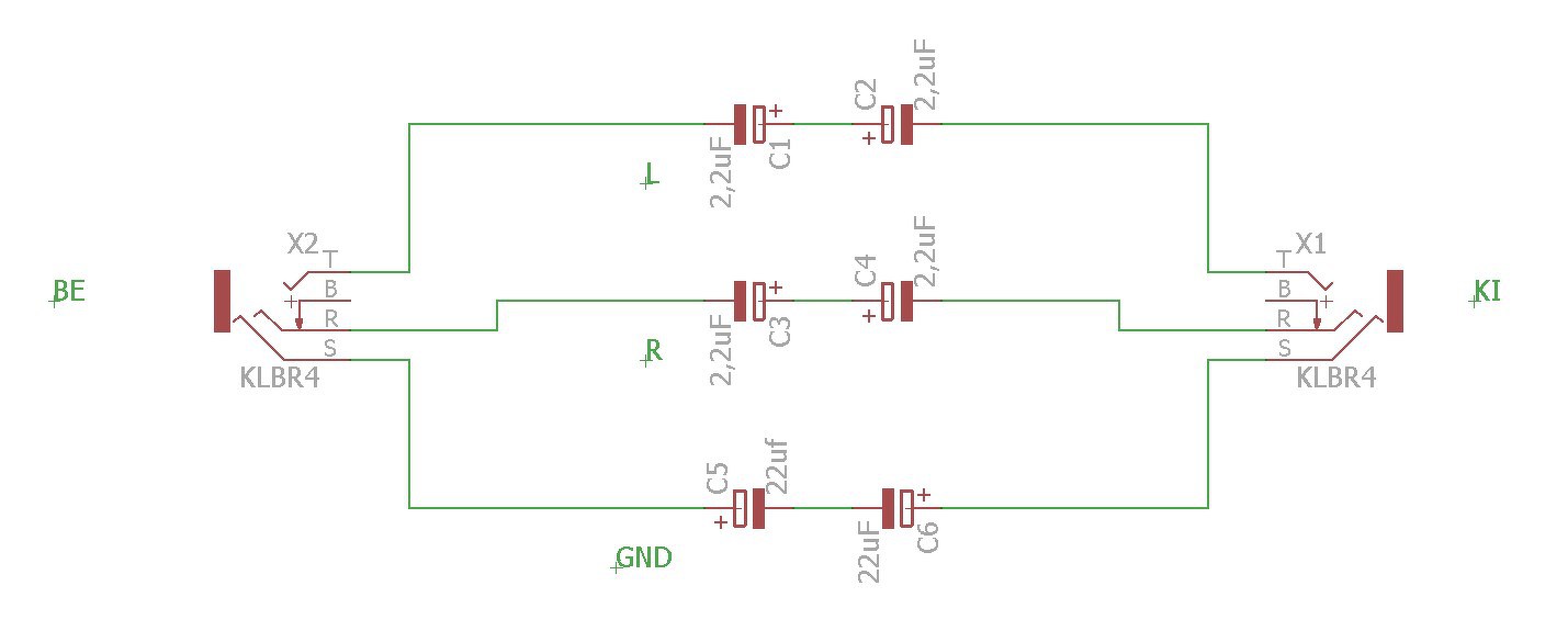
Ha galvanikusan le szeretném választani egy erősítő audio bemenetét, akkor mekkora és milyen kondikat kell használni? Van járatos érték?
Egy 5.1-es házimozi erősítő 3,5 mm-es jack csatlakozó AUX bemenetét szeretném leválasztani.

Köszi szépen!
(#) Epu2 válasza bancsi15 hozzászólására (») Dec 7, 2018 /
 
A test ágat két szembekapcsolt 22 µF-os, a meleg pontokat két szembekapcsolt 2,2 µF-os kondival. Optocsatoló fokozattal. Egy-egy leválasztó trafóval.
A hozzászólás módosítva: Dec 7, 2018
(#) ozpecs válasza Ge Lee hozzászólására (») Dec 7, 2018 /
 
AZért ne irjunk le feltétlenül teljesen márkákat még ha sok esetben igaz is, a Sherwood meglepő dolgokat is tud adni pl az én erősítőm igen rendesen megépített, a végfokozata kifejezetten tetszik, igényes felépítés nagy trafó kb 300-as legalább a 2x80 W-ra kb ELNA audió pufferek rendes graetz stb st MT100 -as tokozási Sanken végtranyók stb je és dinamikos jó hang, csak 8 ohmra terhelhető
(#) bancsi15 válasza Epu2 hozzászólására (») Dec 7, 2018 /
 
Így jó lehet?

Köszi
(#) Szabi1 hozzászólása Dec 8, 2018 /
 
Sziasztok! Adott egy dB technologies Opera Live 405 aktív hangládikó. (Tudom már a neve is rosszul kezdődik ) Szóval kaptam, van benne egy aktív kétutas hangváltó, majd két erősítő fokozat: egy class AB és egy class G. Sajnos nincs kapcsolási rajzom róla, csak a hangváltóról, azt mellékelem. Nos az integrált áramkörös AB osztályú végfokozat nemtöbb mint +/-40V ról mehetett, ez a tápág be van kötve kisfesznek a G osztályú végfokozathoz, illetve még megy két tápág oda (ahogy a mellékletben szerepel).
A probléma az, hogy a toroid trafóról le van szó szerint égve a huzal, a kisfesz tápágakban lévő biztosítékok nincsennek kiolvadva.
Az okára nem tudok rájönni, talán túl meleg volt a közelben lévő 15" hangszóró mágnese?
Szabad-e a panelt éleszteni a kisfesz részen más trafóról 2x24v AC feszültséggel, úgy hogy a class G rész nem kap egyébb ágat?
A hozzászólás módosítva: Dec 8, 2018
(#) reloop válasza Szabi1 hozzászólására (») Dec 8, 2018 /
 
Szia! Az egyik lehetőség, hogy összekötöd a magas és az alacsony tápot, mert a magas tápot nem szerencsés lógva hagyni.
Élesztéshez elegendő az egyutas egyenirányítás, tehát a 2x24 VAC egyik végét kötöd a CONN3-hoz, a megcsapolást CONN2-höz, a másik végét, ami testhez képest 48 VAC, a CONN1-hez. Érdemes a CONN2 és a CONN1 elé 10 Ω 5 W ellenállást beiktatnod, hogy kezelje az esetleges túláramot. Ebben a felállásban a G-osztályú erősítő nagyjelű fokozata megfelelő tápfeszt kap a teszteléshez. Terheletlen kimenettel, illetve hangszóróval soros 100 Ω-on keresztül vizsgálódhatsz.
A teljesítmény-félvezetőket, egyenirányítókat ellenőrizd zárlat szempontjából, ehhez ki sem kell forrasztanod őket, csak ezután helyezd áram alá a készüléket!
(#) Szabi1 válasza reloop hozzászólására (») Dec 8, 2018 /
 
Biztos, hogy nem a kovetkezokeppen kellene bekotni: 24V - CONN4, 0V - CONN3, 24V - CONN2?
(#) zotya1983 válasza Szabi1 hozzászólására (») Dec 8, 2018 / 1
 
Biztos hogy NEM!
(#) reloop válasza Szabi1 hozzászólására (») Dec 8, 2018 /
 
Ez az elsőként említett lehetőség szerinti bekötés. A teszt idejére nem fontos jól terhelhető tápot építened.
(#) Szabi1 válasza reloop hozzászólására (») Dec 8, 2018 /
 
Nos mivel nem voltam biztos az erősítő osztályában, ezért alaposan leszedem a hűtő tranzisztorok takarólemezét: a kisfesz tápra egy-egy dióda van kötve, sorosan vele tápáganként egy biztosíték, majd az IRFP9140 es IRFP140N Drain lábaira megy rá, a Source lábakra meg a nagyfesz táp, a végfokozat tranzisztorjai 1-1 darab SAP16 darlington fokozat.
A toroid trafó primer része szakadt, másol zárlatot nem találtam.
(#) mlaci989 válasza Szabi1 hozzászólására (») Dec 8, 2018 /
 
Nézd meg lehet van a toroidban hő biztosíték primer oldalon szokott lenni.
(#) Szabi1 válasza mlaci989 hozzászólására (») Dec 8, 2018 /
 
Teljesen le van égve, valószínűleg a hátlapi 220/120V kapcsoló volt rossz irányba kapcsolva és azért éghetett meg valamikor.
Jön a B verzió: van egy 2x24V 300VA toroidom, meg egy 2x13.5V 5A toroid, ha a 2x24V menne a kisfesz résznek, a 2x13.5V pedig a nagyfesznek (úgy hogy ezt két tekercsre bontanám s megtoldanám vele a másikat) 8 ohmos terheléssel kb 300W teljesítmény kivehető?
A hozzászólás módosítva: Dec 8, 2018
(#) mlaci989 válasza Szabi1 hozzászólására (») Dec 8, 2018 /
 
Élesztgetni elég kis teljesítményű trafó is,mint ahogyan a kollégák írták. Ne hagyd ki az áram korlátozó ellenállásokat meg egy izzót primer körbe.
Elméletileg működne a megtoldós megoldásod.
A hozzászólás módosítva: Dec 8, 2018
(#) Szabi1 válasza mlaci989 hozzászólására (») Dec 8, 2018 /
 
Jójó gondoltam, de ha kijönne 300W körüli ennyi táppal akkor nem háborgatnám többet.
(#) mlaci989 válasza Szabi1 hozzászólására (») Dec 8, 2018 /
 
A 300VA-es toroidodból 300W-ot nem veszel ki mert úgy jár mint az elődje.
(#) Szabi1 válasza mlaci989 hozzászólására (») Dec 8, 2018 /
 
De a 300VA toroidon lévő 24- 0 - 24 V kivezetést toldanám meg a másik toroid (kb 150VA lehet) 2x13.5V szekunderjével. A 24 - 0 - 24V rész menne a kisfesz résznek, a nagyfesz résznek meg a teljes táp (útólag rájöttem hogy ez Class H nem Class G)
A hozzászólás módosítva: Dec 8, 2018
(#) mlaci989 válasza Szabi1 hozzászólására (») Dec 8, 2018 /
 
Pont ez az. A 300as on keresztül menne az egész terhelés. Képzeld úgy el,hogy fogsz egy mondjuk 3A-os biztosítékot meg agy 5A-osat. Sorba kötöd őket. Nem 8 Ampert fognak kibírni,hanem a 3-as 3 ampernál kiolvad. Érted?
(#) mlaci989 válasza Szabi1 hozzászólására (») Dec 8, 2018 /
 
Meg kell próbálni.
Következő: »»   2125 / 2571
Bejelentkezés

Belépés

Hirdetés
XDT.hu
Az oldalon sütiket használunk a helyes működéshez. Bővebb információt az adatvédelmi szabályzatban olvashatsz. Megértettem