Fórum témák
» Több friss téma |
Mielőtt kérdezel, a következő két dolgot ellenőrizd!
I. A helyes tápfeszültségek megléte.
II. A kimeneten van-e egyenfeszültség.
Élesztés.
Ezekkel a trafókkal a magas tápfeszültséged ±50 V lenne, az 8 Ω-ra 100 W-ot ad le.
Ha valóban a hálózati feszültségválasztó lett tévesen kapcsolva, akkor a leégést megelőző pillanatokban túlfeszültséget kapott az elektronika és lehetnek benne hibás alkatrészek.
A téves feszválasztót csak feltételezem, hidegen mérve nem volt semmi gyanús. Ezekkel a trafókkal mindenképp lehet éleszteni. Ha az időm megengedi, tesztelni fogom.
De érdekelne, hogy hogyan számoltad ki a kimenő teljesítményt, csak feltételzem: trafó teljesítmény kb 450VA, I= 450/100= 4.5[A], P=I^2*R=20.25*8=162W és még a kimeneti leesik a hatásfok miatt, vegyük 60% nak, 162*60/100=97.2? A hozzászólás módosítva: Dec 9, 2018
A teljesítményt a tápfeszültségből számoltam.
Tehát szimpla 2x24V AC trafó esetén, CONN4 et CONN2 vel, CONN5ot CONN1-el kössem össze?
Nincs jelentősége az összekötésnek, hiszen ettől még egyutas maradna az egyenirányítás és mindössze próba céljára javasoltam ezt a táplálási módot.
Mutasd be trafós témában a trafót, hátha javítható.
A class H végfokozat kimenetén Pozitív, míg a class AB végfokozat kimenetén a Negatív tápfesz van jelen, az egyiknek invertálva van a jelbemenete. Sajnos a műveleti erősítők tápfeszét előállító LM integrált áramkörök után 33V körüli feszültség mérhető. Ha kiszedném az LM ic-ket van értelme még egyszer tesztelni az erősítő fokozatokat?
Ennek tükrében a BA4560-asokhoz sem fűznék sok reményt.
Az LM3886 3-4 lábak között szintén zárlat?
Sziasztok! Pár éve megépítettem ezt a végfokot. Elégedett voltam a hangjával, most újra meg szeretném építeni. A kérdésem csupán annyi lenne, hogy ha meg szeretném toldani egy - egy tranzisztorral, akkor kell e valamit változtatnom a kapcsoláson? És, hogy ez mennyit változtatna a teljesítményén?
Szia! Gondolom a toldás 3 pár végtranzisztort jelent a korábbi kettő helyett. Nyugodtan ráépítheted ez csak egy dumper fokozat.
A teljesítmény nem változik, csak akkor ha a tápfeszültséget vagy a terhelő impedanciát módosítod.
Hát így akkor nincs értelme. Viszont akkoriban volt egy észrevételem. Éspedig az, hogy a dumper bázisát hajtó darlington kapcsolásnál található tranzisztor kissé jobban melegedett. Ezt lehet orvosolni, Vagy ezzel sem érdemes foglalkozni?
Hali!
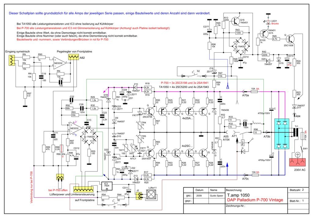
Hat évvel ez előtt szenvedtünk reloop-al ezzel a témával, ami sikerrel zárult. Egy t.amp ta1050 es ről van szó. Annyi gondom van vele, hogy clip jelző nem jó van beállítva. (szerintem) Egyáltalán lehetsége e ilyen? Mindíg túlvezérlést mutat, holott hangerőből, és a potik állásábó itélve nincs túl hajtva. Lehet e ezen állítani, hogy a tényleges értéket jelezze.?
Annak a tranzisztorpárnak természetes a melegedése, mert rajtuk folyik a nyugalmi áram. Mikor az 1 Ω-os ellenálláson már 0,6 V esik akkor nyitnak a dumper fokozat tranyói.
Értem. köszönöm a válaszodat! Akkor azt is békén hagyom.
Szia! A clip jelzés itt úgy működik, hogy a műveleti erősítő kimeneti jele megugrik mikor nem érkezik a bemenettel arányos visszacsatolás. A clippelés ennek a tipikus kiváltója. Az IC kimenetén lévő diódahíd egyenirányít a LED számára és a 100 Ω korlátozza a LED áramát.
Hibalehetőségek: zárlatos dióda a hídban, túl alacsony nyitófeszültségű LED. Mérd meg a műveleti erősítő kimenetén az egyenfeszültséget testhez képest!
Köszönöm! Később fog rá sor kerülni, majd referálok.
Hali!
AZ NE5532 IC ről, és az 4x1N4000 diódahídról, és az R55 100ohm ról van szó.? Megkérnélek, jelöld meg azt a pontot, ahol mérjek. Milyen pozicióban legyen az erősítő méréskor?
A rajzon az IC 7-es lába a kimenet, amin feszültséget kéne mérned vezérlés nélküli állapotban. Pár tizedvolt amivel elégedett lennék.
Igen, az IC 7-es láb és az R55 közötti diódák ellenőrizendők.
Szia
Tudnál nekem egy nyáktervet küldeni? Köszi előre.
Úgy néz ki sikerült megszerezni az eredeti dokumentációt és egy működő végfokot is amihez Januárra hozzá is jutok és biztonságos körülmények között be tudom majd állítani. Ha máshogy nem, azzal szerzett tapasztalatok útján fel tudom éleszteni ezt a modult is.
Összegezve a problémámat a jelenlegi erősítővel kapcsolatban. A csatolt rajz szerinti MJE tranzisztorok (T10, T11) irreális melegedésére van-e ötletetek? A nyugalmi áram potméterének állítására nincs reakció. Mit érdemes átvizsgálnom? A hozzászólás módosítva: Dec 12, 2018
Szia! Így már tudunk haladni. Elsőként mérd meg az R31-en eső, a beállítással elérhető legmagasabb feszültséget, 6-7 V kell, hogy a végtranzisztorok nyitás közelébe kerüljenek, azaz legyen nyugalmi áram.
Ez a 6-7 V azt is jelenti, hogy az ellenálláson és ezzel együtt T10, 11-en 60-70 mA folyik, ami ezt a parányi tranzisztort bizony a megszokottól sokkal erősebben fűti. A 2 W disszpáció jó hővezetésű szigetelőn tud azért távozni a borda felé, ez vékony mica lemezzel és pasztával azért elérhető. A fotódon látható R31 elég kicsi fizikai méretű, bizonyára az is melegszik rendesen (R38 szintén), ide 2 W-os ellenállás felelne meg. Úgy látom a furattávolság is ehhez igazodik.
Szia! Eltelt azóta néhány év. Akkoriban úgy döntöttem kézzel tervezem meg.
Csak ez a kép maradt.
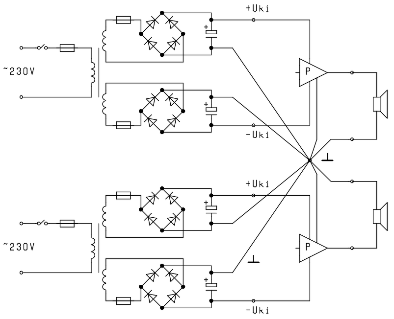
Ezt a tápegységet csak két trafóval érdemes, vagy mehet 4 szekunder egyre is?
Üdvözlet mindenkinek! Kaptam egy Harman Kardon avr 1700 típusú házimozi erősítőt! Annyi gondja van, hogy amerikai lévén 120 voltos,de valaki (szerintem Németországból van) bedugta 230-ba. A kapcsolóüzemű tápja kuka. Az erősítőhöz szükséges feszültségeket már sikerült előállítanom(+-43,+34,+-12,+5), viszont nem tudom bekapcsolni. A stand by led világít és annyi. A kapcsolási rajza megvan, de arra nem jöttem rá, hogy hogyan lehetne bekapcsolni. Valamelyik külföldi fórumon olvastam, hogy talán a hdmi-panelról kapna valami jelet a bekapcsoláshoz. Ha valakinek van valami jó ötlete, vagy találkozott már ilyennel, legyen szíves ossza meg velem is hátha sikerül elindítani.
Előre is köszönöm
Hát az az ellenállás kb 80 fokig melegedett , 2x20V-ig tekertem a tápot, ekkor már 2x70mA folyt a tápegységekből. Ellenálláson 6.4 és 6,55V tudott esni a poti állításával, bár gondolom ennél jóval nagyobb tartományt kéne tudnom bejárni. Az esetleg érdekes lehet, hogy a csúcs a középállás környékén volt? Azt ne felejtsük el, hogy nem a gyári FET-eket használom. Lehet akkora különbség a karakterisztikájában, hogy az adott áramkör nem a tartományában dolgozna?
Ez már majdnem jó. Lehet, hogy kevés a tápfeszültség. A nagyjelű erősítő áramát ellenőrizzük le! Az R25, R28 ellenállásokon 0,7-0,8 V feszültségnek kéne esnie.
A hatékony hűtésről remélem sikerült gondoskodnod, mert a T10,11 fűt rendesen és a végtranyók még ki sem nyitottak. Az élesztés során megengedhető azért a FET-meghajtók áramának korlátozása, R31 helyére 470 Ω-ot ajánlok.
Akkor van értelme a külön trafónak, ha opció az egycsatornás üzemeltetés.
|
Bejelentkezés
Hirdetés |













