Fórum témák
» Több friss téma |
Akkor neked szerencséd van, mert van áramkorlát a pointeredben. Az enyémben valószínűleg nem volt. De mindegy is, mert mikor 15mA-rel hajtottam, akkor is elhalványult a fénye kis idő után. Akkor Csibi felajánlott nekem egy jó kis diódát, azóta is azt használom! Köszi szépen Csibi! Ha Te nem segítesz, biztosan még most se lenne semmi a lézershowmból...
Sziasztok!
Szereztem egy piros lézert, tollnak a végébe (meg melette egy UV LED vagy mi..) volt benne, jó kis fénye van, de azért a gyufát nem gyújtja meg. 3db gombelemmel működik, szépen üzemel cerka elemről is (mivel 1,5V-os az is..) megéri lazershow-t csinálni belőle? És ennek is 15-20mA kell?
Szia!
A te lézered teljesítmánye kisebb, mint 1mW! Nézd meg ezt és ezt a videómat! Ezek is hasonló lézert tartalmaznak! (teljesítménye kisebb, mint 1mW!, és én 19mA-rel hajtom!) Ezek után te döntesz ![]() A gyufa gyújtáshoz ennél sokkal több kell! 15-20mA-től elvileg nem lehet baja a diódának, de a biztonság kedvéért mérd meg, hogy mennyi áramot vesz fel, és ugyanannyit adj neki (vagy kevesebbet...)!
a videókat nézve nem is olyan rossz... kezdőként szerintem jó kis project
muszály léptetőmotorokat használni?
mert ki használ léptetőmotort? senki! sima, walkmanból kitermelt motor megfelel! vagy bármilyen! ami van, azt használd!
Ez sem azzal van
![]() 2db sima DC motor, rajta 1-1 tükör, ami nem merőlegesen van a motorokra ragasztva, hanem minimális dőléssel
bocsánat, mostmár rendesen utánanéztem a dolgoknak
másik fajta lézert néztem... ugyhogy szerintem én is azt építem meg, amit minden oldalon vagy kétszer linkelt be valaki
Szerintem elsőre ezt csináld meg: Bővebben: Link Én is ezzel kezdtem, szerintem könnyen kivitelezhető, látványos, következő lépés nekem, hogy kicserélem a lézert egy kicsivel nagyobbra, aztán, utána meg valami más fajta vezérléssel kellene megcsinálni... :no:
Hát mintha ugyan az lenne a kettő rajz
![]() Nah hajrá, ez nem nehéz nekem is sikerült összraknom, és nagyon jó lett nekem tetszik, tetszett, tegnapelőtt szedtem szét
szerintem meg is építem, PC tápos dobozba ha nem találok jobbat
Kicsi lesz szerintem, annak a duplájában már jól elférne...
Így átgondolva... nekem 22x11cm-es terület kellett...
Csibi honlapján van egy nagyon jó kis leírás erről a lézershowról! Nézd meg a lézermeghajtását! az általad belinkelt rajzon nincs áramkorlátozó ellenállás, ami által könnyen tönkre mehet a lézered!
én az egyszerű lézer showot megépitetem tegnap és kiváloan müködik, modjuk a tükrőket téglalap alakura vágtam, de atól függetlenül jól megy!
és hogyha rakok még egy potit a stab IC után?
szerintem lehet sőt a leirásban 100 ohmos pot méter van. Én 20mA áramra álitotam be
és az LM317-eket nem lehetne helyettesíteni pl egy 7812-es vagy 7805-ös stab IC-vel?
it a leirás+rajz ami alapján megcsináltam anyi, hogy walkman motrokal van megodva igy direkt potméterek elbirják a motrok áramját. Ha nagyobb motrokat teszel akkor kell lm317 ez változtatható stab ic, 78XX fix stab ic-ék!
ja értem, köszi
Sziasztok!
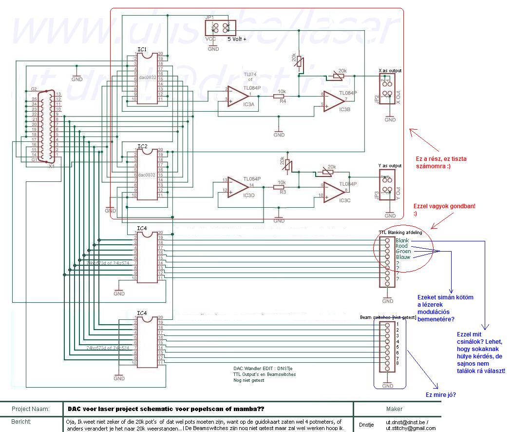
Én már Kb Fél éve nézem a fórumokat, hogy hogy is van ez a laser scanner. Most már elég sokat megtudtam, mind külföldi mint magyar oldalakról. Azt is észre vettem, hogy nagyon sokan tesznek fel feleslegesen kérdéseket. Ezzel kapcsolatban, csak azt mondanám, hogy mindenki olvassa végig a fórumokat, és ha nincs olyanról szó, ami az illetőt érdekli, akkor kérdezen. Én most ezt szeretném tenni, méghozzá Djatis-tól. Remélem megengeded. Elősször is Szeretnék gratulálni a cuccaidhoz amit építettél, és további sok sikert a továbbiakban. A doksidat letöltöttem, és most a szerint csinálgatom a saját scanneremet. Én elősször a dac0832-es ic -vel csinálom a convertert. Remélem simán fog menni minden. azzal a kapcsolással amit felraktál. A kérdésem az lenne, hogy hogyan oldottad meg a zöld és a piros lézer modulálását? Azaz milyen kapcsolással?Nekem van egy kapcsim de azt nem naon értem.Be jelöltem mely részét. Ami még érdekelne, egy kapcsolási rajz az MX7225-höz? Végül is egy RGY Lézernek a converter kapcsolása kellene nekem. Vagy akinek van illyesmi, nagyon megköszönném a segítségét.
A TTL blanking- red green blue kimeneteket úgy ahogy van rákötöd a modulációs bemenetekr egyenként 5 voltot szaggat tehát öt volt jön ki rajta.
a blank-ot én sem tudom mire jó talán valameik programban van valami előnye pl popelscan ingyenesen letölthető progiban a szinek mellett van ilyen is. én a másik 74 hc-t nem tettem bele a másik verziót építettem meg de azon is ugyanazok a jelek jönnek ki ha esetleg egy másik szkennetr vagyis lézereket akarsz villogtatni akkor egy panel meg tudja ezt tenni. Ez a kapcsolás viszont a mamba laserscann progihoz be lehet lőni de a szineket nem tudja kezelni vagyis összevissza. Mamba csak MX dac-hozz tökéletes.
Köszi az elismerést de már fel van fejlesztve az egész.
De ne aggódj az is jól szolgálatot tett. csak egy jótanács ha még nem építetted meg az erősítőt akkor inkább LM3886 ba fogj mert az sem sokkal drágább meg később nem kell tovább fejlesztened legalábbis végfokban. A lézer meghajtó áramgenerátort a szupepe félét használom és mondhatom csúcs és nekem nagyon bevált.
Hello!
Esetleg nincs meg az MX-dac kapcsolási rajza? Nekem meg van a működő mamba csak normális dac-om nincs hozzá.
Olvastam valahol hogy 1x1cm-es tükrök kellenek a motorra... nem túl kicsik? /ezt most mindenkitől kérdem
/
Halli!
Szépen köszönöm a segítséget Djatis. Azóta találtam még egy pár kapcsolást. Majd összehozok belőle valamit. Ha készen leszek mindennel, akkor felrakok minden dokumentációt, hogy én hogy is csináltam, hát ha segíthetek valakinek én is. Ha felmerülne még bennem kérdés, akkor remélem nyugodtan fordulhatok hozzád?! Ja olvastam már sok helyen, hogy erősítőnek a TDA-k nem jók. Akkor ne is kisérletezzek vele?! Én egy Tda-7265 akartam beletenni. Akkor ez gondolom kilőve? További szép napot mindenkinek!
Úgy jó lesz!
az 1x1 cm-es tükrök pedig tökéletesek, csak jól kell beállítani a motorokat, hogy a lézernyaláb ne "lógjon" le a tükörfelületekről.
Szia!
Belinkelnéd kérlek a lézershow-s dokumentumodat? Köszi szépen! |
Bejelentkezés
Hirdetés |













