Fórum témák
» Több friss téma |
Mielőtt kérdezel, a következő két dolgot ellenőrizd!
I. A helyes tápfeszültségek megléte.
II. A kimeneten van-e egyenfeszültség.
Élesztés.
A jelenlét fontos, az érték kevésbé. Azt ellenőriztük a Q132-t nem nyithatta a környezetből felvett zaj.
Az eddig elvégzett vizsgálatok érthetőek voltak, esetleg valamelyik lépéshez fűzzek magyarázatot?
A forrszemek között nincs átvezetés. Ha jól értelmezem R149 ellenálláson áram olyik ami csakis Q132 tranyón keresztül folyhat a test felé. Ahhoz hogy nyisson áram kellene folyon R147 ellenálláson. Amin nem folyik. Akkor honnét nyithat ha ha R148 is jelen van?
Az egyik lehetőség volt a C-B forrszemek közötti átvezetés, amire rá is kérdeztem, a másik a tranzisztor halódik üzemi feszültségen, vagy a kiforrasztástól javult meg átmenetileg. Itt a csere a racionális lépés.
Keresek valami tranyót ami bírja a feszültséget.
Q130, Q133 tranyók hogyan veszik ki részüket a munkából illetve ők milyen módon kapnak meghajtást? Nem láttam ilyen bekötést.
Úgy tűnik Q132 tranyó volt a ludas. Kicseréltem MPSA42 re és működik. Megszűnt a tiltás.
És amire gyanakodtál,megnéztem nagyítóval. B-C lábak lehet gyártási hiba.
A két tranzisztor bázis emittere antiparalell van rákötve az STK bemenetén lévő differenciál erősítő kollektoraira. Klippeléskor felborul a visszacsatolás szabályzó jellege és a differenciál erősítő nyitja az adott félperiódusnak megfelelően Q130, vagy Q133-at. Az áramot az STK áramtükre szolgáltatja és a közös kollektorból jut Q132 bázisára.
Szia!
Csúnya dolog az ilyen. Nem tudom hogy ki gyártja ezeket a tranzisztorokat, de mintha a nagyobb gyártóknál nem fordult volna elő. Egyre gyatrábbak a tokozások, noha a chip bennük rendben van. Pár hónapja egy tranzisztoros gitárerősítőben találtam ilyesmit, a nagyjelű fokozat tranzisztora volt. A lábak között maradt sajtolási sorja élére fémezés került. Alacsony feszültségen rendesen működött, hozta is a paramétereit, viszont az erősítőben egy nagyobb kivezérlés után úgymond begyújtott, és borzasztó hangos berregést generált egészen kikapcsolásig. Sötétben látszott a sorján végigfutó ív fénye.
Hát igen. Néztem is mert ez a 90-es évekből származó készülék. Akkoriban talán még nem tomboltak ennyire a kínai gyártók. Sorozatgyártás becsúszott a hiba. Lényeg hogy meglett. Egy parányi sorja darabka tud gubancot okozni.
Sziasztok mesterek!
Kicsit átrajzoltam az eredetit, a kérdésem, hogy van-e benne javítanivaló vagy kiegészítendő rész. Esetleg módosítani való rész a működéssel kapcsolatban. Előre is köszönöm a válaszokat.
A teljesítmény panelon túl sok a cikk-cakk, és a tranzisztorok mögött is van vezeték. Egyikre sincs szükség, javaslom ezeken módosítani.
Köszönom, megfogadom, átrajzolom.
A meghajtó elfogadható vagy rajzoljam át hagyományos vonalvezetésűre?
Sziasztok!
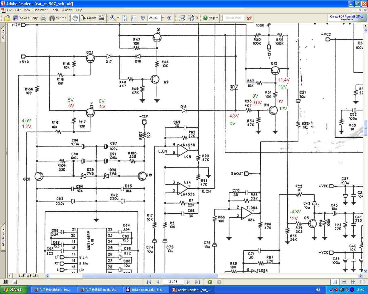
Segítségetek kérném, elakadtam erősítő javításban. Csatoltam a kapcsolási rajzot és amit nem értek arról egy rajzot. A kiemelt rajz a 3dik oldalon van q23 és q24 tranzisztor esete. D15 és D17 diódát kiemelve a készülék működik. (center SL SR némítása, ez esetben készült a kézi rajz mérése is). Természetesen a tranzisztorokat kiemelve teszteltem működűképesek. Mit nézhettem el, mi lehet a gond?
Ahogy néztem ez a készülék közel 20 éves.
Nem gondolnám, hogy csúcsminőségű elektrolitkondik lennének benne. Gondolom melegben is része volt. Figyelembe véve az elektrolit kondenzátorok élettartamát, amit üzemórában a gyártó garantál, szerintem akár mindet kicserélheted benne, ha az eredeti hangjára vágysz. Aztán lehet javítani.
Kedves CHZ!
Talán tévedtem volna a készülék korában?
Q23,24 nem pnp tranzisztorok? Nem 2SAxxxx, Axxxx van ráírva? Szerintem el van rajzolva.
Akkor némít, ha a processzor kimenetén L szint van, vagyis a 22k-os ellenállások a földre húzzák Q23,24 bázisát, mint ahogy rajzoltad. A kollektorokon ebben az esetben 5V-nak kellene lennie. A processzor 3-as 4-es kimenetén soha nincs 5-7V körüli szint? Ezt mérd meg elsőként. A hozzászólás módosítva: Feb 27, 2019
Nem értek egyet veled, nem ezért jelöltem!
Tudom nagyon elterjedt, hogy a régi elkokat cserélni kell azonnal, mérések nélkül, ezt butaságnak tartom. Sok régen gyártott kondik jobbak, tovább bírják, mint a mostani miniatürizált "selejtek". Sok kondi cserégetés, felesleges időtöltés és a beavatkozás során műhibát is ejthetünk. Jobb minőségű kondikat cserélhetünk gyengébb minőségűre. Barkácsolóknak sem javasolnám. Hiba okát kell megkeresni, nem vaktában alkatrészeket cserélni, én ezt vallom! A hozzászólás módosítva: Feb 27, 2019
Tiszteletben tartva a véleményedet, mondanám az enyémet.
Abban a készülékben kizártnak tartom, hogy ennyi idő után nem lenne érdemes kicserélni, mérés nélkül, az ezeknél szokásos minőségű elektrolit kondenzátorokat. Ha átlagosan napi 1 órát ment, amit furcsának tartanék, az évi 365 óra. 19 évre ez 6935 óra. 85C-osnál ekondinál ez saccra, ha a dobozban átlagosan 25C-fokot feltételezve, 85/25= 3,4x2000üó= 6800üó. Ezen mit akartok mérni? Na meg mit is mérnétek? Kíváncsi lennék, hogyan szoktatok dinamikus viselkedést mérni? A fentiek alapján fenntartom a véleményemet, remélve nem vált ki Bennetek ellenszenvet óckodásom e dologban. A mostani alkatrészekről nem tartanám szerencsésnek az általánosítást. Épp most vettem pufferkondikat. Volt 25Ft/darabért, meg 101Ft/darabért. Szerintetek ezek egyformák minőségre? A hozzászólás módosítva: Feb 27, 2019
kanocos meghibásodott erősítő javítására kért segítséget, nem tuningolásra!
Kondik kicserélésével nem lett volna működőképes, ez a lényeg! Idézet: „Szia kondenzatorok cseréje sokban függ a hol letük és szerep körüktől. Pl: Egy kapcsoló üzemű táp egységben pl: 2 évente érdemes nagyfeszűltségű puffert cserélni. Meg egy 25 éves erősitőbe MM kondenzatorok állapota igen csak kételyeket szokot vonni maga után.”
q23,q24 pnp tranzisztorok, 2N5401. Van más feszültség, pl relék behúzásáig 2,9V majd relék húznak esik vissza 1,2Vra. Nagyobb feszültséget nem mértem az M62446 kimenetein.
Ha egy készüléket az eredeti tudásához közeli állapotba szeretnénk hozni, azt nem nevezném tuningolásnak, legfeljebb nagyfelújításnak. És amikor meghibásodás történik, mint ez esetben is,
az keletkezhet pont a rossz elektrolitkondenzátorok miatt is. Persze, hogy kinek mi a lényeg ilyen esetben, ebben nem foglalnék állást. Sikeres javítást kívánok Nektek!
Amikor "rossz elektrolitkondenzátor"-t említesz, és a meghibásodást az alkatrész korára vezeted vissza, akkor melyik paraméter(ek) változására gondolsz?
Igen, az pnp tranzisztor és ha le van zárva akkor nem némítja a bemenetet. Akkor zár le ha az IC kimenetén legalább 4.2V van. Ellenőrizd le, hogy az IC 5-ös és 30-as lábán megvan-e a 6.9V, valamint a 42-es lábán az 5V. Ha tápfeszültségek rendben vannak akkor az IC rossz, vagy rendszervezérlőtől kap hibás adatjelet, amivel nem tudunk mit kezdeni szerintem.
A hozzászólás módosítva: Feb 28, 2019
A tápfeszültségek rendben vannak. Ami érdekes, hogy a két relét is ugye ugyanilyen kimenet vezérli és ott is 1,2V van és azt tudja vezérelni rendesen. Amit egyáltalán nem értek amit a csatolt rajzon is lerajzoltam, hogy megvan a +5V tápfesz az addig oké a bázisra igazán az IC kimenete megy ami 1,2V viszont 4V feletti érték van rajta.
Idézet: „Kíváncsi lennék, hogyan szoktatok dinamikus viselkedést mérni?” Mekhallgatjuk. És ha nincs felhők susogása, gőzölgő levesillat a fülünkben csak akkor cseréljük. Persze kondenzátort simán cserélsz azért, hogy a készülék eredeti hangját hallhasd. Másik forumban meg tárgyalod, hogy még egy 10 centis drótadrab cseréje is befyáslja a hangot. A hozzászólás módosítva: Feb 28, 2019
Ezeket a feszültségeket kellene látnod helyes működés esetén. Pirossal írtam ha némításban van és zölddel amikor nincs.
Q24es bázisán milyen feszültségnek kellene lennie? Ha jól gondolom "magas" szintnek kell lenni, de pont itt a gond, hogy a bázison 4,2V van és az kollektoron mégis 5V jelenik meg.
|
Bejelentkezés
Hirdetés |
















