Fórum témák
» Több friss téma |
Fórum » PC táp átalakítás
Mármint az R57 -es? Próbaképp kiveheted, az csak egy "gyenge" terhelés lenne a kimeneten,
mert elvileg vannak olyan tápok, amik kikapcsolják magukat, ha minimális terhelés nincs a kimeneten. De az 100%, hogy nem az csinálja nálad a galibát. Szóval vagy újraszámolod a végső kimeneti feszültséghez, hogy kb ugyanannyi áram follyon mint 12V esetében, és az értékén változtatsz, vagy kiveheted, de ezt már inkább csak akkor kellene, ha stabilan működik, mert így nem tudod, hogy a terhelés nélkül a te tápod vajon lekapcsol -e... Viszont ha kiveszed, én ajánlanám, hogy valamit mindenképp tegyél rá a próbák során, mert akkor lehet azért fog nyavajogni, hogy nincs terhelés a kimeneten. Egyébként az R64, R17 és R80 is ezt a célt szolgálják, valamint másodlagos feladatuk, ha a táp ki van kapcsolva, ezeken keresztül sűlnek ki a kimeneti pufferkondenzátorok. (Hogy valamilyen feszültségszűrési tulajdonsága lenne -e, azt nem tudom, de okosabbak majd megcáfolnak, ha mégis. Mindenesetre én az új értékű ellenállás beépítését ajánlom mindenképp.) Ja és ha már a pufferkondiknál tartunk, azokat is cserélni kell, mert a feszültségtűrésük kicsi. Az(oka)t a kimeneti ága(ka)t viszont amit úgysem fogsz használni, akár teljesen is kibonthatod... A hozzászólás módosítva: Feb 20, 2018
Az elkókat cseréltem, mind 35V-os. Mivel szimmetrikus táp, nem szedtem ki semelyik ágat, nem mertem - nem tudom, melyiket lehet.
R57 tényleg az elkó kisütése miatt lehet, igazad van! Ok, átszámolom és teszek másikat! Nem akarom, hogy terhelés nélkül lekapcsoljon, labortáp készül ![]() Akkor már csak az IC 1 és 2 lábán lévő szabályzást kell megoldani, hogy miért csak akkor lehet leszabályozni, ha hozzáérek.?. Fentebb írtam az értékeket, mi lehet a baj? Addig is megyek tanulni a műveleti erősítőkről
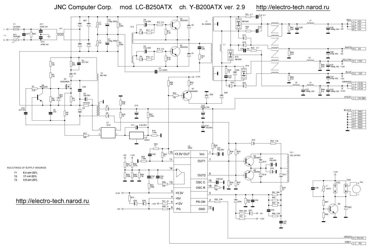
Nézegettem a fórumot, és feltűnt, hogy közkézen van ez a rajz két verzióban. Viszont ahogy látom, senkinek nem tűnt fel, hogy a feszültséget az áram sönt előtt stabilizálja, ezért a terhelés függvényében akár 0,5 V is esik. Ez minden csak nem labor táp tulajdonság. Ezért én vettem a bátorságot és átterveztem ezeket a kapcsolásokat figyelembe véve a TL494 adatlap ajánlását is. Már többször is után építettem, és stabilan működik. Most én ezt közkinccsé teszem. Használjátok.
Nem tudom megoldottad-e már, de szerintem a sekunder puffer kondiiid kiszáradtak.
Szia!
Nem volt azóta alkalmam foglalkozni vele, de elő fog kerülni nem is olyan sokára, és akkor az általad javasolt hibalehetőséget is ki fogom mérni.
Hello! Azért én szóltam, de szavaim nem kerültek meghallgatásra..
Üdvözlet .
Pc táb kapcsolása Egy labortápot szeretnék készíteni egy lm317-tel de csak annyi a problémám hogy 12v kevésnek tartom így egy olyan pontot keresnél ahonnan többet letudnék szedni de nem tudom honnan lenne célszerű. Valaki tudna nekem segíteni vagy megjelölni a kapcsoláson? (remélem majd nem minden pc tápnak egyforma a kapcsolása....) Segítséget előre köszönöm
Hali!
A pc táp kimenet max 12V nem tudsz többet leszedni róla. Esetleg használhatsz laptop/nyomtató kapcsi tápot azok magasabb feszültségűek, 18-30V-os tipusok vannak. Vagy univerzális, pár lépcsőben állítható kimenetű faliadaptereket... Ne felejtsd el hogy az lm317 áteresztős stab, nagyobb bemenőfesz és kis kimenőfesz esetén ha nagyobb áramot veszel ki belőle jelentésen fűteni fog, és azt a meleget tenni kell valahová. pl 12V be 5V/1A ki esetén 7W-ot el kell fűteni...
Nem olvastam vissza, csak láttam, hogy még mostanában is ez a régi nem hibátlan rajz van még mindig osztva. Nekem is piszkosul szúrta a szememet.
Ezt az általam módosított verziót már többször sikeresen megépítettem. Mindig elsőre stabilan indult. Ezért merem ajánlani. A hozzászólás módosítva: Ápr 10, 2018
Üdv! Már sokszor gondoltam, hogy PC tápból kellene változtatható kimenőfeszültségű tápot készíteni, illetve átalakítani. Kezembe akadt egy ES 230-a típusú Codegen táp. A 12V-os ágon 8A-ral terhelhető. Alapvetően elég is. A gallyazás után, (Minden vezetés, kivéve az indító), kiforrasztása. Indító szál testre forrasztva. 5 V, 11,8 V, -11 V, -5 V. Nekem nem kell negatív feszültség. A -5V és a -12V összes alkatrészének kiszedése után A kimenő feszültség +2,7 V lett a 12 V-os ágon. Az 5 voltoson, gyakorlatilag alig valami. Kioperáltam az összes 5V ág alkatrészeit az egyenirányító kivételével. (Kicsit macerás.) A 12 V-os ág kimenő feszültsége 26 V, azaz huszonhat volt. Persze csak pár másodpercig bátorkodtam, de többször. Az elektrolit kondenzátorok ugye... A 494-es IC 1 es lába elszabadult, de a táp nem állt le. Más csak a visszacsatolást kell beállítani, hogy 3...18 V -os tartományban lehessen szabályozni, az elektrolit kondenzátorok cseréje után.. Talán még akkumulátor töltőnek is jó lesz.
Ma elpazaroltam 2 órát. Megoldottam, hogy bírja a táp, a húsz volt feletti feszültséget, valamint a szabályozhatóságot 3...18V között. Egyet azonban nem. Azt, hogy ha nincs erős terhelés és leszabályzom a feszültséget, ne adja meg magát a 494-e s IC. Az egyes lábal sorba kötött 1 kOhm kevés védelem. projekt a sarokban.
Üdvözöllek!
Van egy ATX es tápom, ( 2 IC van benne-nem tudom leolvasni, mi van rajta) Tipusa: LC 235- ATX A zöld-fekete összekötésére indul. Tehát jó. Amatőr rádióhoz szeretném alkalmazni, mivel 7-8 A is tud. +12 Volton De sok helyen sok leírást olvastam, pld. , hogy le is kell terhelni valamelyik kimenetet autóizzóval.... Most itt van kibontva, és addig nem akarom összerakni, amíg biztos tanácsot nem kapok. Olyan embertől, aki ilyet használ, nem leírásokból válaszol. Lehet-e 12 Volt fölé menni ezzel ? ( 13,8 lenne az ideális ) És mit kell( ha kell) terhelni ? További szép napot. A hozzászólás módosítva: Máj 3, 2018
Sziasztok.
Egy olyan kérdésel fordulok hozzátok hogy pc tápbol hogyan tudnék egy külső tápot csinálni. Elképzelésem: videokártyák teszteléséhez szeretném használni. Sorba kötött 4 kártyához vagy a kívánt kártyához. Meg kéne oldalon hogy a külső PCIe csati kapjon áramforást, és még ha kell 6+2pin plusz konektor csatlakozot tudjak meg rávezetni. Addig eljutok elméletben hogy a kivezetése két hogy oldom meg, de azt hogy hogy tudnék egy plusz povergombot rá kötni az nekem így a semmiből magas, de valószínűleg megoldható. Egy 700w tápot gondoltam átalakítani erre a műveletre. Ha valaki tud valami segítséget nyújtani ebben (leírás, link, videó) azt megköszönném.
Ha csak egy sima ON/OFF kapcsoló kell rá, azt könnyen tehetsz rá, ha egy fekete (bármelyík) vezeték és a zöld vezeték közé kötsz egy kapcsolót. Azzal ki be tudod kapcsolni a szekunder feszültségeket.
A lilán a +5V standby feszültség ebben az esetben állandóan rendelkezésre áll, viszont a sárga +12V, a piros +5V, a narancs +3.3V, a kék -12V (ha van), és a fehér -5V (ha van) kapcsolt lesz. A hozzászólás módosítva: Jún 12, 2018
Nahh fasza akkor még nem is kell nagyon mokolnom a tápot. Igazából nekem csak a sárga és fekete kábel a legfontosabb. De viszont a molex csatihoz szükséges a piros is. Érdemes lenne egy nyakot készíteni neki, és azt megtalálni vagy igazából felesleges lenne? Elkészül a kis dobozom dobok be egy képet hogy milyen lett.
A tápod mennyire tolerálja, ha csak a +12V-os ágat terheled? Mert valamelyik nem szereti, jobb esetben csak nem lesz pontosan 12V, hanem picivel kevesebb, rosszabb esetben tilt a táp, mert a +5V és a +3,3V-os ág feszültsége megemelkedik. Ez ugye nem vonatkozik az újabb DC-DC konverteres tápokra.
Én nem értem mit akarsz még "megtalálni"?
Ha csak +12V kell, használod a fekete és sárga vezetéket... Levágod a végét, forrasztol rá tetszőleges csatlakozót, vagy tehetsz rá banándugót. A képen egy lehetséges megoldás...
Bocsi csak félre írtam. Így már rendben lesz az átalakítás. Nekiállok szerint témakör a héten és össze rakom, ahogy még jöttek az alkatrészek hozzá ami még kell. Köszönöm a segítséget.
Üdv! Már több kevesebb sikerrel alakítottam át PC tápot. Most egy kicsit komolyabbra venném a figurát.
Egy 2003-as IC -vel vezéreltet gyúrnák át. Általában a lábak funkciója megvan. Konkrétan kevesebb, mert azt a lábat nem tudom biztosra amelyik a feszültségbeállításnál fontos. Eléggé alul dokumentált IC a 2003-as. A szabályzó bemenet érdekelne. Lehetséges az a 14 -es láb? Az az elképzelésem, hogy a -5 V, 3,3 V, 5 V és valahogy a 12 V kontroll bemenet megkapná fixen a magáét és a 12V os kimenetet fel tudnám emelni 16...16,4 V közé, további feldolgozásra. A felesleges alkatrészeket kiszerelném. (+3,3 V és a + 5 V hoz tartozókat. A hozzászólás módosítva: Szept 13, 2018
Hello, ha az sg6105-re keresel rá akkor azért elég sok kapcsolási rajzot, adatlapot találsz.
Láttam pár rajzot ahol a 14-s lábhoz vezetett jellel szabályozzák a 3.3V-s vagy a 12V-s kimenetet. A 11-s láb egy másodlagos, 14-hez hasonló funkciójú bemenet az adatlap szerint. Táp kapcsolás adatlap A hozzászólás módosítva: Szept 13, 2018
Tudok adni egy 2003 IC -s ATX kapcsolási rajzot, ha az segít...
Régebben én is harcoltam vele egy kicsit, és azt tudom, hogy a 3, 4, 6 lábakra be kell állítani a szükséges feszültségeket, mert ha egyik is hiányzik, vagy a tűréshatáron kívül esik, leáll... A hozzászólás módosítva: Szept 13, 2018
Köszönöm mindkettőtöknek! Latyakosa tápkapcsolásához hasomló rajzom van nekem is. Ez alapján próbáltam beazonosítani az alkatrészeket. Meglepő? A valóság és a két rajz annyira hasonló, hogy még az alkatrész számozás is nagyobb részben egyezik.
Már annyira kibeleztem, átalakítottam, hogy lehetőleg egyezzenek a feszültsége, de még nem működik. Valami még letiltja. Köszi a rajzokat. Jobb mint az enyém. A hozzászólás módosítva: Szept 13, 2018
A 3.3, 5, 12V bemenetesen elég pontos feszültséget vár. Lehet jobban jársz ha ezekhez a bemenetekhez trimmereken viszed oda a jelet mint fix alkatrészekkel.
Az adatlap, már mint ami fellelhető, szerint elég nagy a szórás. Nem szimmetrikusan, de kb 20%. Ha rávetődök megint, egyenként megnézem melyik feszültség nincs meg.
Aktív PFC-s táp átalakítása kváziszinusz UPS tehermentesítése céljából.
előzmény Az aktív PFC igazából egy step up konverter, ami a mindenkori bemeneti feszültséget emeli magasabbra mint a bemenet csúcsértéke. Megpróbálhatod kivenni a feteket a PFC körből, aztán kiderül hogy elég e a 300V a 400 helyett. Bár láttam olyan PFC-nek írt kapcsolást egyetlen egy tápban, ami nem fel, hanem lefelé szaggatta a bemenő feszültséget. Nem tudom milyen tápod van, egy kép jó lenne a belsejéről.
Épp egyik nap szedtem szét, de majd megejtem hogy lásd. Egyébként ez egy zalman zm 500-gvm 80+ bronze moduláris x..ar...
Belrész Lapozgasd át a belrészt.
Nekem elég ennyi. Klasszikus PFC kapcsolás, csak ezt akartam látni. Egyetlen kivétel volt eddig, és el akartam kerülni, hogy pont olyan legyen, és kétfelé gondolkozzunk.
Tehát bemegy a 230V, egyenirányító (egyéb zavarszűrő meg lágyindító most nem érdekel), majd 1µF szűrőkondenzátor. Az a kék a sarokban az a szögletes. Természetesen az nem elég arra hogy a két félhullám között kitartson, de csak arra kell, hogy a kapcsolőfreki ne jusson vissza a bemenetre. Utána sorosan egy toroid induktivitás, melynek a kimenetét az egyenirányított hálózati feszültség negatívjához zárogatja a két párhuzamos fet. Amikor elereszti, a tekercsben felhalmozott mágneses energia ellenkező polaritású feszültséget indukál, amit egy dióda egyenirányít, és tölti a fő primer puffert, mégpedig nagyobbra mint a bemenő szinusz csúcsa. Ennyi a működés. Ha azzal a kis 1µF-os kék szögletes kondenzátorral párhuzamosan kapcsolsz egy 100-400µF-os elkót, akkor bár lőttek a PFC-nek, de talán nem tilt le az UPS. Egyébként gondolkodtam én is normális szünetmentesen. és arra jutottam hogy a sok ide-oda konvertálás helyett egyszerűen egy darab 12V/7Ah akkuval a szekunder oldalon oldom meg a problémát. A mai gépek főleg a 12V-ból táplálkoznak, ezért arra hegyezném ki a fő vonalat. Kisérletek igazolták, hogy 10V is elég nekik. Tehát nem kell sehova alakítani semmit. Az 5V, meg a 3,3V egyszerű áteresztő stabilizátorral mehetne, a negatív 12 és 5V meg valami inverterrel. Ezek úgy is csak is fogyasztásúak. Persze meg kell oldani a tápból kijövő power ok jel átverését, mert nélküle lekapcsol a PC. A monitorom is 12/5V tápról üzemel, annak egy másik akku lenne a szünetmentese.
Ez tiszta sor,de szerintem ennyivel a pfc nincs kilőve,másrészt amit írtál oké a 10v akkufesz aminél az ups is lekapcsol...Azért egy modern uefi gépnél pláne a sok kapufeszt lényegesen nehezebb előállítani mint a pfc t kiiktatni. Sőt érzékenyebb is az alaplap,ráadásul ez egy 9. Generációs i5 8400 procival szerelt gép,nem egy játszós...2 db 1 TB hdd 1 ssd 8gb ddr4,b360m pro alaplap. Szóval előtte letesztelném egy másik gépen,egy kis akkus behajtónak az akkujáról megpróbáltam 1aH arról bírta a gép 20 mp ig kb. Így elképzelhető hogy új akkuval nem lenne gond neki a pfc sem...
A hozzászólás módosítva: Márc 6, 2019
Igen az a kék rezonáns szűrés rezonáns induktív benne van, néztem,i._Isten igazából még nem próbáltam, de utólag jöttem rá, miért is ilyen olcsók ezek a kvázi szinuszos ups UPS-ek.. Azért, mert gyakorlatilag használhatatlanok...
Ma már smart ups UPS az, ami szóba jöhet, és akkor nincs ez, mert az elbánik a pfc PFC-vel is, alapból. Ez van, ha az ember nem néz utána rendesen valaminek ![]() ![]() De ez nem is csoda, hiszen mostanában elég viharosak a hétköznapjaim... A hozzászólás módosítva: Márc 7, 2019
Moderátor által szerkesztve
A napokban várok én is három smart UPS-t a cégtől. Csak a papírozással nem sietnek nagyon. Mind a három akku cserés, de az nem gond. Van két 1000, meg egy 750VA-es. A próbahelyre kellene egy, mert arról menne egy mixer, meg egy PC. A mixer felállása fél perc, nem öröm ha újraindul. A másik kettő meg majd talál gazdát.
|
Bejelentkezés
Hirdetés |



















