Fórum témák
» Több friss téma |
Fórum » Sprint-Layout NYÁK-tervező
Alkotó fórumtárs Sprint Layout 6 leírása: sp6_alkoto.pdf
Sziasztok!
Sprint Layout 6-ban tervezek egy áramkört amiben van egy alacsonyfeszültségű és egy 230-as rész. Ebben szeretném 4-5 mm-t kimarni a rézfóliát, de nem jövök rá, hogy miképpen lehetne. Marógéppel és g-kóddal operálok. Valakinek lenne ötlete? Köszi.
export - izoláció, milling HPGL-ből lehet G
Sziasztok!
A 6.os verzióhoz, hogy lehet betű karaktereket betenni. P.L.: μ
Karaktertáblán megkeresed, másolod, és az SL-ben textnél beilleszted(ctrl+v).
Sziasztok! Lehet, hogy fel lett már téve ezerszer a kérdés vagy csak nekem nem egyértelmű (csak hirtelen nem találtam a választ), kétoldalú nyák lap esetén melyik oldalt kell tükrözve nyomtatni? A C1-et vagy a C2-t? Nem akarom elrontani a lemezt. Sima fehér papírra kinyomtattam, mindkét oldalt, "összeillesztettem" és elbizonytalanodtam. Jelenleg a C2-t simán nyomtattam (a szövegeket rajta a tervezőben tükröztem) és a C1-et nyomtattam tükrözve...
Eddig nem volt ilyen problémám, mert csak egyoldalú NYÁK-okat készítettem, akkor a C2 oldalt használtam csak sima nyomtatással... A válaszokat előre is köszönöm szépen.
A fenti leírásom 30-31 oldalán írok erről. Az én tapasztalatom alapvetően eltér a javaslatodtól.
Megnéztem mit írtál azon a részen. Gondolom arra gondolsz, hogy ha nem ismeri a program a karaktert, akkor hiába a beillesztés, pontot tesz helyette. Ha ilyen van, akkor sufnitunningolni kell kézzel az adott karaktert (ékezeteseket én spec kézzel ékezetezem fel, mert ugye azok nincsenek mint írtad is).
Ezt a mű-t és a beillesztéses dolgot kipróbáltam, nálam működött sl6-on, tehát a karaktert ismeri. Viszont a mű-t billentyűzetről lövésem sincs, hogy milyen kombóval lehet elővarázsolni, ezért javasoltam karaktertáblát. A hozzászólás módosítva: Márc 26, 2019
Ha vasalod, akkor a top / felső / C1 oldalt kell tükrözni,
a bottom / alsó / C2 oldalt meg nem kell tükrözni.
Lehet általánosítani, és lehet szokásokra hivatkozni, de ezek nem garantálják a sikert. Már a "felső" és "alsó" oldali elnevezés is sántíthat egy kicsit, mert ha egy panelnek mondjuk mind a két oldalán vannak felület-szerelt alkatrészek, akkor már nem is olyan egyértelmű mi a fent és a lent.
Talán az a legjobb megközelítés, ha a tervezési nézetet veszed alapul, és ami ott fent van az a TOP és ami lent az a BOTTOM, és eleve ez alapján helyezed el az alkatrészeket oda, ahol majd látni akarod őket (a paneltervező programok is ezt ajánlják). Célszerű valamilyen feliratot tenni a rézrétegekre, mert annak olvashatósága segít tájékozódni az amatőr gyártási módszerek esetén. Ha gyártatod a panelt, akkor ott semmilyen tükrözés nincs megengedve. Minden réteget felül- nézetből kell generálni, amit a gyártó úgy forgat, hogy az eredmény jó legyen.
Alt+0181, (a karaktertábla jobb alsó sarka)
Jó és fluxuskondenzátort hol lehet kapni? Karaktertábla, és hol van?
Karaktertábla? Microsoft Word > lehet, hogy még nem használtad?
Próbáltam rámutatni, hogy nem azon azt úton jársz, ami célba visz. Hidd el nekem, hogy az SL csak a saját karaktereit ismeri fel, úgy ahogy a leírásomban külön képen megmutatom.
Egyedi karaktereket csak gyalog lehet berajzolni, mint ahogy ékezeteket is. Éppen ezért alakult ki az a széles körben elfogadott közelítés, ami a mikro karaktert kis "u" betűvel helyettesíti (um, uF, stb.), valamint az ohmot "R" karakterrel (pl. 10 R, 100 kR, 1 MR) Ennek semmik köze az általános karaktertáblákhoz. A mostani "mikro" karakterről leszakadva, minden betűtípusnak saját karaktertáblája van. Lehet átfedés (általában a betűk és számok ilyenek), de szinte biztosan van eltérés is. Sőt kimondottan vannak "fura" karaktertáblák is, mint PL. a "Wingdings" betűtípus-csoport.
Speciel a "µ"-t be lehet másolni és felismeri.
Igen, Alt+0181 el elfogadja a mikro-t, meg Alt+248-al fokot is, de egy csomó egyebet meg nem fogad el. Például az omegára nem találtam megfelelő kódot, igaz nem is molyoltam vele sokat, mert hasonlít a nullához, és félreérthető az érték, ezért jobban kedvelem az R-betűt helyette.
Az a baj ezzel, hogy a szövegbeviteli mező még elfogadja a karakterek többségét, de azok egy része csak pontként jelenik meg a panelon, és nem találtam olyan definíciót, ami megadná pontosan mit tud megjeleníteni és mit nem.
Az csak az egyik része a feladatnak, hogy megjelenik. Mi lesz az ilyen betűkkel, ha kinyomtatják, konvertálják a panelt illetve milyen lesz a Gerber állományból készített film?
Mi történik a felirattal, ha távol keleten gyártatjuk a panelt?
Ha már a panelon van, akkor már nem érheti baj. A nyomtatás, vagy a gerber leképezés nem tud belepiszkálni.
Idézet: „valamint az ohmot "R" karakterrel (pl. 10 R, 100 kR, 1 MR)” Azt hadd jegyezzem meg, hogy ilyen jelöléseket a világon sehol nem használnak, ez maximum egy saját mindentől elszeparált megközelítés. ami ohm nagyságrendű az 100 ami kilós nagyságrendű az 100K ami mega nagyságrendű az 100M Ezek a karakterek pedig alapból elérhetők a billentyűzetről minden egyéb karakter tábla, és ascii kód használata nélkül is. © µ @ ~ °
Minden jelölés jó, ami félreérthetetlenül, és az érintettek számára értelmezhető módon adja meg egy alkatrész értékét.
Különösebb bizonyítgatás nélkül, pusztán bemondásra: nem én találtam ki. Magam is csak átvettem a sok látott példa alapján. Véleményem szerint az egyértelműségre akar utalni, és szintén véleményem szerint a reaktancia rövidítésére szolgál, és jól tudok azonosulni vele. A példáiddal is találkoztam már de ellenérzésem van velük szemben. 1. Nincs semmilyen információ arról mi ez. Tehát ha ellenállás azt csak odaképzeljük, nincs benne a mérőszám utáni mértékegységben. Éppen a mértékegység hiányzik belőle. Csak mérőszám, és prefixum van. Ha ki akarnám mondani pl. az utolsót akkor az így szólna: "100 millió", mert a mega milliót jelent, de 100 millió micsoda? Nem tudjuk. Persze látok értelmes kibúvót, mert a rajzon általában van hely bőven, de a panel feliratainál már sokkal kevésbé, ezért sokat számíthat egy karakter megspórolása. Ilyenkor a rajzjel, és a pozíciószámozás alapján azonosítható az alkatrész típusa. Jellemzően R1, R2 stb. ellenállások szoktak lenni, és így tovább. 2 A "kiló" (ezer) prefixumot szigorúan kis "k"-val kell írni. Ebben nincs költői szabadság, a forma kötött. A nagy "K" jel a Kelvin féle hőmérsékleti skálához van fenntartva. Pl. "10 kK" jelentése: tíz-ezer Kelvin (ami már határozottan meleg lenne). 3. (Ebben tudok a legkönnyebben szabályszegő lenni, mert a helyhiány ezt sok esetben megköveteli. Szabályosan a mérőszám és a prefixummal kiegészített mértékegység között egy üres karaktert kellene hagyni. Ezt én nagyvonalúan nem alkalmazom a paneltervek esetében. Ezek alapján én egyértelműnek, ezért követendőnek érzem az alábbi példákat: 470R; 3k3; 0R22; 2M2; 100u vagy 100uF; sőt írtam már ilyet is 3u3H ami 3,3 mikroHenri akart lenni ( de itt éreztem némi zavart az erőben).
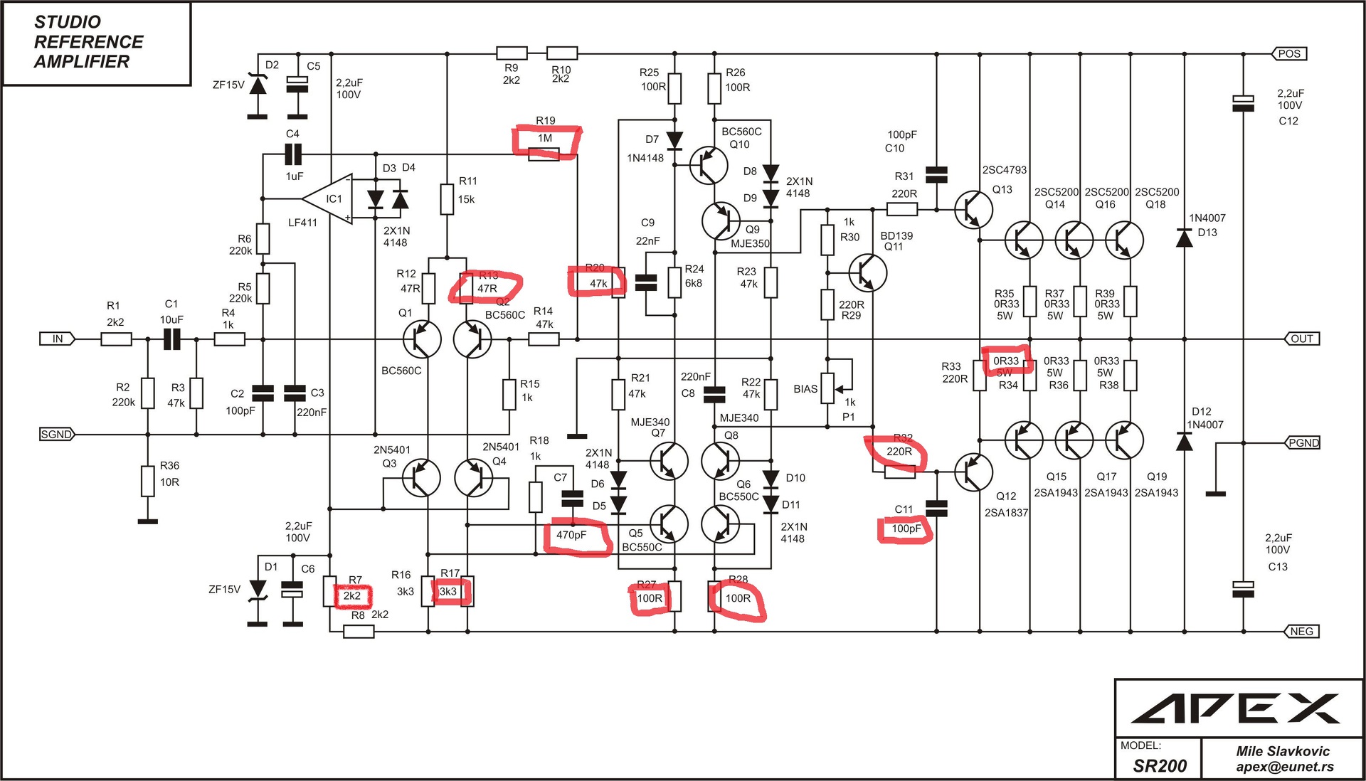
Teljesen más okból néztem rá erre a rajzra, de feltűnt a szerintem jó iránnyal való azonosság. Bekarikáztam néhány példát rajta.
Ez talán megingatja az "...ilyen jelöléseket a világon sehol nem használnak..." kijelentésedet. Minimum egy helyen biztosan használják rajtam kívül is.
Pont megerősítetted azt amit írtam.
KR... MR...stb
Azt tudtam, hogy a "µ" jelet elfogadja, mert úgy szoktam külön beilleszteni, csak gondoltam, hogy van a programnak egy olyan része ahová ezeket a karaktereket be lehet tenni, és ha használni akarom csak p.l. ütök egy u betűt és feldobja a variációkat, mint a telefonnál az ékezetes betűt. De úgy látom marad a másolás beillesztés dolog. Köszönöm a segítségeteket.
Nagy "K" nincs!
A prefixum utáni "R" karakter valóban nem szerepel a rajzokon. Csak akkor van "R", ha ohm nagyságrendet akarunk ábrázolni. Ilyenkor az Omega karaktert helyettesíti. Én is ezt a logikát követem, és eddig még nem volt félreértés.
Hány, de hány kapcsolási rajzon olvasható az alábbi két megjegyzés (az apró betűs részen, valahol eldugva) (Idézem, ahogy írják -- minden betű olyan, ahogy a rajzon szerepel. Igen, az ohms kis o -val.):
ALL resistors are in ohms, 1/10 W unless otherwise noted. ALL capacitors are in µF (p:pF) unless otherwise noted. Néhol a µF -et µF -ként írják (olyan, mintha a µ kézzel lenne beírva). Főleg amerikai ill. távol keleti forrásból származó rajzokon. Egy példa Sheet 2/2. Ezen még a 8k2 is szerepel 8200 -ként. Nem egységes a kis értékű ellenállások jelölés sem: Pl. 0.47Ohm és 0,47Ohm is olvasható, de előfordul a R47 jelölés is.
A lényeg a félreérthetetlen érékmegadás. Az már csak praktikusság ha ezt viszonylag kevés karakterrel lehet elérni (így akár a panelon is elférhet).
A tizedes pontot általában igyekeznek kikerülni, mert az okozhat láthatósági gondokat. Nagyon ritkán találkozol olyan panellel amin értékek is vannak. Jellemzően csak a pozíciót adják meg, mert ez fér oda. Én huzallábasnál igyekszem az értéket is felírni, de SMD-k esetében már csak a pozíciót tudom beszorítani. Ha szavazni lehet, akkor én 0,47 Ohm esetén a "0R47" formára voksolok, mint legjobb megoldás. A hozzászólás módosítva: Márc 28, 2019
Minden létezik, és az ellenkezője is.
Az R a tizedespontot jelöli.A nullát nem írják ki:Bővebben: Link. A hozzászólás módosítva: Márc 28, 2019
Az meg van. Csak a tervezésnél hogyan tudom beletervezni azt a részt, ami nem kell?
Szép jónap!
Volna-e valakinek a programban használható körforgó potihoz skálabeosztása? Csináltam egyet, de bizonyára létezik másnak másfajta/jobb is. Elfogadnék örömmel néhány félét... Szokványos forgó potik 280-300fok. |
Bejelentkezés
Hirdetés |







Az R a tizedespontot jelöli.
