Fórum témák
» Több friss téma |
Fórum » Kapcsolási rajzot keresek
Témaindító: Kallai Csaba, idő: Márc 11, 2006
Témakörök:
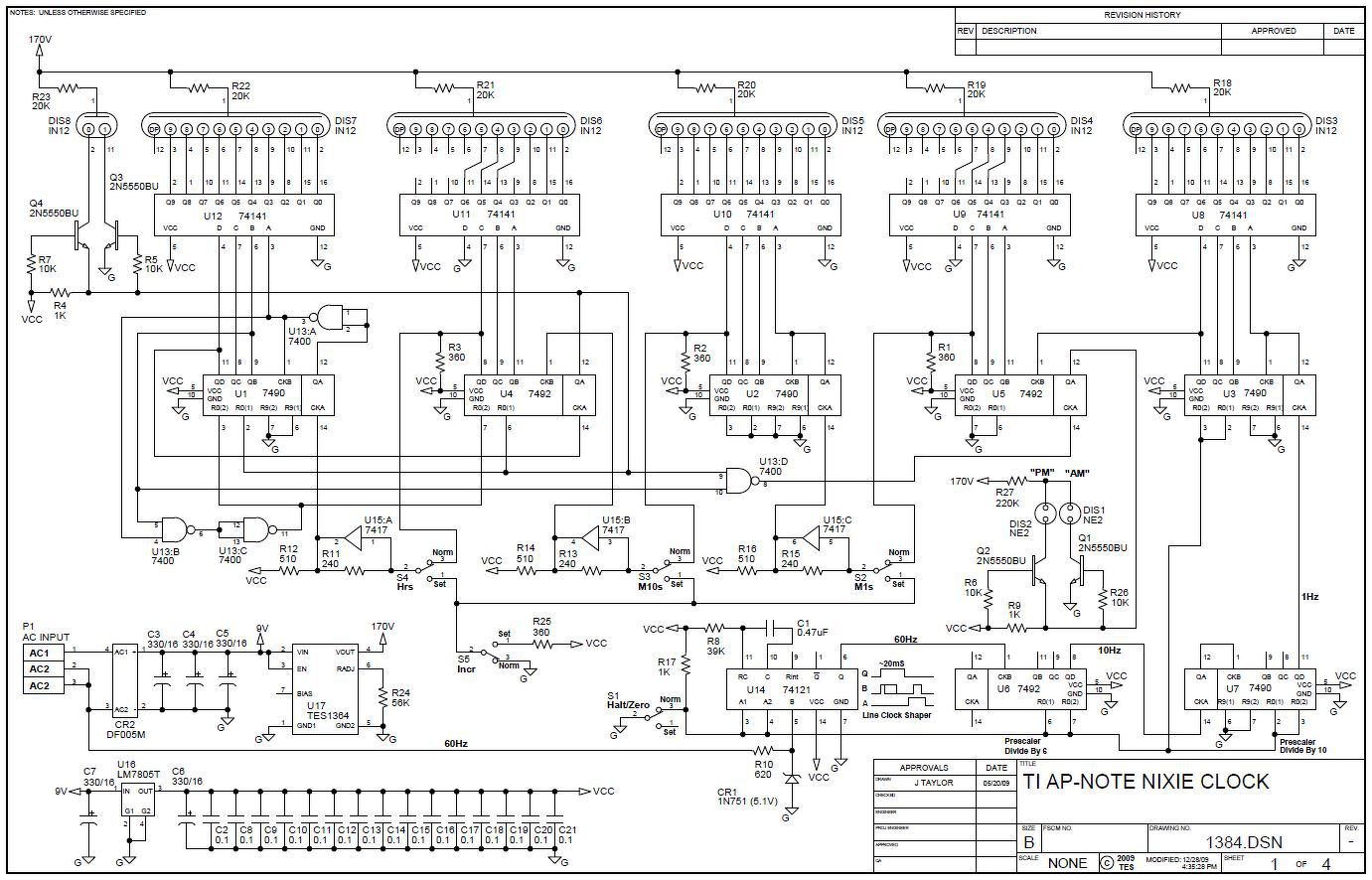
Hello! Oké, de valahol elsiklott, hogy az 50Hz-et 50-el osztva, 1Hz-et kapsz. De Te négy digiten percekről-órákról beszéltél. Ahhoz még 60-al osztani az 1Hz-et, hogy perces léptetést kapj. Amúgy minek a három tranyó a nixihez? A 74141 meghajtja azokat. Ha csak nem a táp előállítására gondolsz. De egy órát be is kell állítani, ha csak nem kelsz fel éjfélkor hogy elindítsad..
Tudom hogy nem kívánságműsor, de napi +-1másodpercel bőven beérném...
Na jó, tisztán látszik hogy ez az ötlet még nem áll készen a megvalósításra
![]() A három tranyót a legelső karakterhez (óra tizes) szánom hogy elspóróljak egy 141-et. Ahogy nézegetem a korabelinek tűnő rajzokat ez akkor korhű bevett szokás volt gondolom anyagi megfontolásból. A beállítás felvetése teljesen jogos.
Ezek szerint jelenleg ott tartunk, hogy talán érdemesebb a létrehozni az 50Hz-ből az 1Hz-et és kiépíteni a másodperceknek is a számláló láncot és egyszerűen elhagyni a másodpercek kijelzését.
Az alkatrészek száma is azonos.
Ezt a pontosságot a hálózati 50 Hz leosztásával nem éred el soha, inkább 1-2 perc körül lesz a pontossága.
Ha ez valóban így van az változtat a kapcsolás felépítésén
Egyszerű a megoldás, építesz egy 1 Hz kvarc oszcillátort a melléklet alapján:
1 Hz oszcillátor A hozzászólás módosítva: Ápr 8, 2019
Igen, végül ez marad csak körbenézek 32.768kHz + SN74xx-es megvalósításnak.
Azért az áramszünetre is gondolj ! Úgy kell megépítened, hogy áramszünet esetén a számlálólánc működjön. (Ha kész a komplett rajz, légyszi tedd fel.)
Egyelőre több a kérdőjel mint a biztos pont, de természetesen ha kialakul valami vállalható azt megosztom.
Őszintén szólva sok éve megy többi saját készítésű (nem saját tervezésű) nixie óra otthon és a rokonságnál is áramszünetre való felkészítés nélkül és elenyésző esetben kellett emiatt hozzájuk nyúlni. A téli-nyári időzóna követése sokkal több "foglalkozást" okoz.
Én ezt a DIY készletet ajánlom, megépítettem, jól működik. Kvarc pontosságú, állítás megoldva, áramszünet esetén a tovább működés megoldva:
DIY kvarcóra kit És még az építés öröme is megmarad.
Ahhoz amit most én szeretnék ez túl modern - túl egyszerű - túl jó, szerintem érted mire gondolok...
Azért természetesen köszönöm.
Itt egy példa ... bogarászd ...
A hozzászólás módosítva: Ápr 8, 2019
Na igen, ez a nixie óra pdf már nagyon hasonlít a vágyaimra
![]() Két kérdés azonban felvetődött: 1. Lehet-e az 1MHz-es kristály helyett 40kHz-eset alkalmazni mert így megspórolnék egy 7490-et? 2. A számláló láncba betehetek-e a két 6-ig számláló 7492 helyére 7490-et a megfelelő 6-ig számláló bekötésben? köszönöm.
Vegyél egy órát szerintem ...
ha spórolni akarsz.Idézet: „Másodperceket nem kell mutatnia de az 1Hz-et én szeretném előállítani mechanikus módon szóval oszcillátor és frekvencia leosztó rész nem kell.” Mechanikusan hogyan akarod előállítani? Valamilyen léptetőmotorral rakosgatod majd a számjegyeket? Szerintem még azt sem tudod mit akarsz csinálni?
A 17-18 darab TTL IC mellett az 1 darab megspórolása nem sok előnyt jelent, az 1 MHz kristály könnyebben beszerezhető. A 7492 helyett alkalmazhatsz 7490-et, ha a megfelelő bekötést alkalmazod.
Szerintem is mindegy, hogy 20 vagy 22 db ic van az órádban.
A hozzászólás módosítva: Ápr 8, 2019
Hát nyilván olcsóbb lenne venni egyet
![]() A mechanikus dolgot amint leírtam már el is vetettem, egyszetűen nincs bátorságom hozzá. Viszont a fent említett módosításokat szívesen megcsinálnám.
Itt a mechanikus 1 Hz-ed ...
Igazad van de ha más nem legalább ott a gyenge vígasz hogy nem teljesen másoltam a kapcsolást.
Azért én kíváncsi lennek arra, hogyan gondoltad az 1 Hz jelet mechanikusan előállítani! Attól, hogy egy-két helyen változtatsz a kapcsoláson az nem változtat azon, hogy csak összeollózod a részeit több kapcsolásból. Ebben a témakörben már előtted 30 évvel kitaláltak mindent.
A hozzászólás módosítva: Ápr 8, 2019
Meg vagyok lepve hogy nem orosz
Javítottam olyan orosz elektronikus faliórát amiben az 1Hz-et mechanikusan állították elő. Megvolt az óra szíve egy rugóval és 2 db kis mágnessel és egy tekercses rásegítő áramkör "lökdöste". Nem volt benne kvarc.
Reed cső - mágnes - forgó sárgaréz korong :/
Mi forgatja a sárgaréz korongot? Milyen pontos lesz az 1 Hz? Te írtad, hogy napi 1-2 másodperc pontosságra gondoltál.
A hozzászólás módosítva: Ápr 8, 2019
Enné nincs egyszerűbb pontos 1Hz.
Csak az a baj, hogy ez nem mechanikus ...
Szia,
A pdf-es rajzon a számláló lánc végén van egy "naptár kim." felirat. Nincs meg véletlenül ennek a rajznak a folytatása (ha egyáltalán van neki), mer kíváncsi volnék hogy hogyan oldja meg? Én gondoltam hogy 7490-el 7-ig számláló és 74141-el hét izzót működtethetne hétfőtől vasárnapig körbe körbe. köszönöm. |
Bejelentkezés
Hirdetés |












