Fórum témák
» Több friss téma |
Szia
Merül az aksi benne, ideje cserélni.
Szia!
Nem, azt máshogy jelzi, és az akku 4 hetes.
Nos. Közben írtam a forgalmazó/gyártónak is. Hibakód táblát ugyan nem kaptam, de ők is akku hibát mondanak.
Szervíz módba raktam. Visszaengedtem. Megjavult. Süt rá a nap... Szétszedtem. Akku teszt. Akku tökéletes, feszültségre, és terhelő áramra is. Akku teszter szerint hibátlan, tettem rá 50W halogént, rajta volt 40 percig. Tökéletes. Meg is lepne ha nem.. yuasa csak nem rossz, mérve tölti is.. Összeraktam. Kerti slag, permetező fej alig ért fölé a vízsugár, nem direktbe.. fölé. A falra. Azonnal pittyeg, azonos hiba. Hááát.. az a kültéri sziréna, amit egy kerti slaggal ki lehet iktatni... de nem is bele irányítottam a vizet... csak felülröl, permetezve.. Véleményem szerint egy kalap kutyakaki... Nekem ez nem kell. Hajszárítózás után megint jó... Vennék más szirénát. De mit vegyek? Fizikai méretben ekkora kell, vagy nagyobb, mert a fal nincs alatta lefestve...
Üdv!
Néhány hete az éjszaka közepén elment az áram nálunk. Mivel nem az áramszolgáltató okozta a kimaradást, hanem egy belső elektromos probléma (Fi-relé meghalt), így egész éjszakára áram nélkül maradtunk. Természetesen a riasztós cég nem vette fel a megadott számokat. Tavaly a környéken lévő építkezések miatt már volt egy hosszabb áramkimaradás, akkor szembesültünk azzal, hogy a riasztó merülő akkumulátora egy idő után beindítja a riasztót. Természetesen a riasztósok akkor sem tudtak időben kijönni, így pár óra múlva beindult a riasztó, és hallgathattuk, amíg az akku teljesen le nem merült. A kérdésem lényege az lenne, hogy milyen lehetőség van a riasztó teljes kikapcsolására ilyen áramszünet okozta helyzetben, hogy a riasztó ne kezdjen üvölteni az éjszaka közepén??? A kijelző típusa PK5501. A beszerelést végző cég azt mondja, hogy nem lehet kikapcsolni, de nekem gyanús, hogy egyszerűen nem akarnak ilyen infót az ügyfelek orrára kötni, hogy mindig őket hívjam, ha gond van. Csak sajnos az éjszaka közepén, amikor nem veszik fel a telefont ezzel nem sokat érek... Tudja valaki, hogy hogyan lehet kikapcsolni? Előre is köszi, ha valaki tud segíteni.
Ha nem trükköztek a bekötésnél, és/vagy a szirénának nincs szerviz bemenete, akkor nem lehet kikapcsolni.
De utólagosan lehet beszerelni egy kapcsolót a védett térbe, hogy ilyen szükséghelyzetben ki lehessen kapcsolni? Mert ha élesítve van, az illetékteleneknek úgyis be kellene hatolni és megkeresni a kapcsolót, tehát véleményem szerint nem gyengítené a biztonságot...
Sziréna egyébként kint is és bent is van...
Hát, az attól függ, hogy hogyan telepíttették/szerelték.
Alap esetben, az van, hogy áramszünet esetén elkezd merülni a központ akkuja, majd ha elfogy a szufla, akkor vonyítani kezd a sziréna, ameddig az is le nem merül. De csináltam már olyat is, hogy van a riasztó központ dobozban egy kapcsoló, és akkor sem szól a sziréna ha kellene. ![]() Ugyan nem szép, de van benne logika: - Látják hogy van, riásztó. ![]() - Minden csipog és villog a kódokra, ahogy kell. Saját ingatlanra csináltam, és nem voltam mocsok, a vevőnek odaadtam az összes rajzot és kódot... De lehet úgy is telepíteni, hogy a sziréna szabotázs külön zóna. Majdnem mondtam, hogy be lehet kötni a szirénát 2...6 vezetékkel is. De nem értek hozzá.
Köszönöm a válaszokat.
Sziasztok!
Adott egy dsc 1616 és egy garázskapu vezérlés. A garázskapu által kiadott fesz mentes kontakttal lehet hatástalanítani? Válaszokat előre is köszönöm!
Ajánlom figyelmedbe a dokumentáció ezen részének tanulmányozását:
Idézet: „5.2 fejezet: 22 -> Impulzusos üzemű kulcsos kapcsoló zóna”
Lehet, csak azt amit kitaláltál, nem nagyon ajánlanám megvalósítani
Ha elveszted, vagy ellopják a távirányítót, akkor szabad az út befelé.
PLusz egyes (nem hörman) vezérléseknél előfordult már, hogy random nyitott egyet, valami zavartól.
Sziasztok!
Próbált már valaki PC585H központra PTK5507 érintőképernyős kezelőt kötni? Leírás alapján nem támogatja elvileg. A PK5500 támogatott, ebből kiindulva gondoltam.
Sziasztok!
Segítséget szeretnék kérni az alábbi problémában. Telepítettek nálunk egy DSC 1616-os riasztót PK5516-os kezelővel. A jelen beállítás szerint 1-es zóna a bejárati ajtó nyitásérzékelője. A 2-es zóna infra érzékelő, mely rálát az ajtóra. A riasztót csak úgy tudom élesíteni, ha a lakásban bent vagyok, az ajtó zárva van, egyik mozgásérzékelő sem aktív. Az élesítést követően 30 másodperc alatt távozhatok. Szeretném a zónákat úgy beállítani, hogy nyitott ajtó mellett, lakáson kívülről élesíthessem a rendszert a kezelővel, majd zárom az ajtót 30 másodperc alatt.
Tiszteletem. A gondom a következő. Házunk szigetelése zajlik, a külső riasztót a mesterek leszabták, lóg a falból egy UTP kábel s nem tudom a bekötési rajzát a kültéri fény s hangjelzőnek. A rendszer egy DSC PC1616H. A kültéri riasztott, amikor leszedték. Tudna kérem valaki segíteni?
Szín szerint a két kábelvég elvileg összeköthető/beazonosítható.
Az jó hogy riasztott, úgy kell neki, papírforma szerint, ha elvágják a vezetékét. ![]() Mi a kérdés, most komolyan kérdezem? Én nem értek annyira hozzá, hogy a zöldet a balról a másodikba kösd mert így a jó...
pl, hogy ha leveszem a fő egység fedelét, az is vinnyogni fog? Ki lehet kapcsolni a szerelés erejéig? Ja, nem elvágták, kiszakították a dobozból. Nem hiszem, hogy valamennyi csonk maradt volna a csatlakozóban.
A hozzászólás módosítva: Jún 15, 2019
Idézet: „Ja, nem elvágták, kiszakították a dobozból.” Mester kezét letörni, és/vagy szerelőt hívni és számlát levonni a végszámlából...
A beltéri sziréna megszólal, ha a fedelét eltávolítjuk? Meg kellene tudnom, melyik csatlakozóra van kötve az utp kábel? A piros hál Isten értelem szerűen 13,3 v, a fekete a föld. Aux?
Van egy Classic PC585H központom amit szeretnék feléleszteni ...
Készítettem egy PC link kábelt, feltelepítettem a DLS 2002-es programot... (CH340 USB soros átalakítóval csatalkoztatom a géphez win xp alatt) A "Hívási folyamat megszakítva" üzeneteket kapok. Hogyan tudom megállapítani a panel verziószámát? Mekkorára kell állítani a soros port sebességét? A hozzászólás módosítva: Jún 23, 2019
a DSC adatkábel nem TTL soros, hanem normál rs232. Bővebben: Link Plusz a a DTR DSR lábakat is össze kell kötni. De ágyúval verébre, az 585 simán programozható kb két perc alatt kézzel, semmi szükség PC-re hozzá, sőt, inkább csak időrablás, a DLS egy nagy határ hígtrágya. főleg a régi 2002.
Egyébként szabvány 9600bps a kommunikációs sebesség, de addig semmit sem fog a panel csinálni, míg a panelen nincs engedve az adatletöltés. Ha ez nincs,a akkor a büdös életben nem fog kommunikálni, ez nem 1616-1864 panel, ahol erre nincs szükség. Ahhoz, hogy a kommunikáció létrejöjjön, ahhoz be kell lépni programozói módba, és engedni a közvetlen letöltést. És itt a lényeg, azt a 4 zónát kézzel fél perc belőni, a többi sallang sem tart tovább egy percnél, erre elindítani egy fél gigás programot, és elszenvedni vele, ami pont úgy néz ki, mint a telepítői dokumentáció, hát...Maximum játéknak. Másra értelmetlen. Ha szerencséd van, nem ment tönkre az USB-TTL modul sem.
Az meg a másik, rendkívül érzékeny az USB-RS cuccokra, kizárólag FT232-vel megy a régi DSC. Még a hamisított FT232 sem jó, csak az eredeti chipes. Pl Moxa, és társai. Vagy natív RS232. Nagy nehezen pár extra segédprogrammal rábírható a PL2303-al is a kommunikációra, de win7 esetén már az is bukta, XP-nél van pár segédprogram, illetve win98. Ott megy, ha van olyan ősi notebook, és hozzá driver. Win10 totál bukta. és bármilyen 64 bites oprendszer.
A riasztók zöme nem szereti. Még a mai napig van rengeteg olyan panel, aminek kizárólag 32 bites oprendszeren indul el a fel-letöltő programja. Egyrészt a régi borland adatbázisok miatt, másrészt régi SQL szerverek miatt. Pl. a Honeywell Galaxy központokat a ami napig kizárólag win7 32 bit alatt lehet programozni, mert maximum az SQL2005 amivel kompatibilis a Galaxy RSS program, amire az egész épül, 64 bites rendszeren nem indul, illetve a win 10 is ordibál az őskövület SQL miatt, így az is buktavár. Paradox, Premier, ezek gond nélkül mennek, (az új panelek, a régi esprit nem) illetve Satel, ami ismertebb a lakásriasztók körében. Azért van még pár, de azok vállalati rendszerek, nem otthoni felhasználásra készültek, az áruk is azt tükrözi. Ezért is tartok 3 notebook-ot programozásokhoz, időrendi sorrendben.
Sziasztok!
Vettem egy PC1616 központot 5516-os ledes kezelővel és sehogy sem sikerül elérnem az üzemkész állapotot. Elolvastam 150 oldalt itt és a használati utasítást, de nem igazán találtam megoldást. 5db LC100PI érzékelő van, a 6. zónára a sziréna tampere van kötve. Időt, dátumot beállítottam. Első probléma az volt, hogy telefonvonalat keresett, de azt sikeresen ki tudtam kapcsolni a Syn7h37ic fórumozó hozzászólásban található infóból. Ezen a ponton azt gondoltam megértetem a logikáját, de olvastam itt particiókról és zóna hozzárendelésről ami nem egészen világos és nem igazán akar működik az idézen linkben található leírtak szerint Jelenleg világít minden zóna egyidejüleg a kezelőn, nincs figyelmeztető jelzés. Nem rendeltem partíciókat semmihez, lehet ez a baj? Miért van szükség több partícióra? Az otthonmaradó módnak van köze hozzá? Le tudná valaki írni hogy mit hagytam ki, vagy esetleg a lépéseket. 1-es zónára szeretnék 30 másodperces késleltetést, a többi azonnali riasztás. Ha kell restelem az egészet és előlről kezdem, mert már annyi mindent nyomkodtam...
Leírom részletesen mit csináltam eddig, hátha valaki rájön mi lehet a probléma.
PC1616 4.5-ös verzió, EOL rendszer van. Z1-Z5 LC100, Z6 a sziréma tampere. Reseteltem a központot és a következőket csináltam: *8 5555 902 *8 5555 903 Dátum-idő állítás: *6 1234 1 1714070219 Telefon kikapcsolás: *8 5555 015 7(ki) 380 1(ki) Partíció: # Hosszan nyomva sípolásig 1-es gomb nyomva sípolásig *8 5555 000 0 11 ## Teljes tápelvétel, újraindítás, ismét dátum-idő állítás. Zónabeállítás, első 30 másodperces késleltetés, a többi azonnali. *8 5555 001 (itt csipog és kigyullad a készenlét led) 01 (itt amikor megnyomom a 0-t világit az 1-es led, amikor 1-es nyomok elalszik, de csipogással jelez, nem hibát jelző csipogás) 03 (itt amikor megnyomom a 0-t világít az 1 és 2-es led 03 (itt a 3-as led világít) 03 (innentől kedzve nem világít egy led sem csak csipog) 03 03 00 00 ## Miután folytattam volna a 005 szekcióval elkezdett kattogni a sziréna és full hangerőn riasztott. A 6 led kijelző világít, *2 nyomásra nem világít egy led sem csak a figyemeztető háromszög villog. Mit csináltam rosszul?
Minden rendszert érdemes azzal kezdeni, hogy kimérni a zónákat, hogy megvan-e mindenhol az 5.6k nyugalmi állapotban. (eol és deol esetén)
Mozgásérzékelőnél természetesen fesz. alatt, mert táp nélkül nyitott áramkör lesz. És nem a panelen keresztül mérve, ki kell kötni legalább az egyik zóna eret, hogy ne hamisítson bele a panel a mérésbe, célszerűen a zóna eret, a másik a com az maradhat. A mérés az egyik com, és a zóna vezeték között történik, nyugalomban 5.6kohm, nyitott állapotban lezárástól függően: eol esetén szakadás, deol esetén 11kohm. Ezért is kell deol-t használni, mert egyrészt nagyban megkönnyíti a hibakeresést, másrészt így zónánként négy állapot van megkülönböztetve, amit a központ is ki tud jelezni. (csak zárójelben, hogy egyedül a deol-t fogadják már csak el a biztosítók is) A deol működése röviden: nyugalomban 5.6k, nyitva 11k, minden más állapot szabotázs. De felismeri ezen belül a zárlatot, és a szakadást, ezt ki is jelzi a hiba menüben. Infra bekötése deolban, a zóna sorkapcsokon párhuzamosan egy 5.6k és az egyik zóna kapocsból indul a tamper kapocsba a másik ellenállás. A szélső zóna, és az üres tamper kapocs a zóna érpár a központ felé. A logika pedig az, hogy nyugalomban a zóna ellenállást söntöli a mozgásérzékelő, és csak egy soros ellenállást lát. Ha mozgás van, akkor hozzádobja a második ellenállást is az infra. Egyszerű, de üzembiztos. A kezelőt csak egyszer kell átállítani egyes partícióra, többször nem kell, mert a kezelőben bennmarad, még központ reset után is. A 6. led azt jelenti, hogy nyitva a zóna. A *2 csak a hibát jelzi, neked riasztásod van, azt a *3 jelzi. ekkor, amelyik zóna villog az riasztott, de így elsőre a 6. zóna a sziréna tamper van rosszul összerakva. Mérni a legegyszerűbb, nyugalomban 5.6kohm. Ha megszólal semmi gáz, ki kell csak kapcsolni, és lehet tovább programozni. Ha nem volt reset a panelen, csak egyből programoztad, akkor lehet, hogy az előző beállításban DEOL-ra van a rendszer konfigurálva, és ezért is riaszt, mert szabotázst érzékel. Alapesetben ekkor is csak csipog a panel, de külön meg lehet adni, hogy szabotázs esetén a sziréna is szóljon, ha kell. Mivel a programozói kód megvan, azzal a legegyszerűbb egy központ reset-et csinálni, akkor nem lesz gond a bennmaradt egyéb beállításokkal. Az úgy néz ki: *8 5555 999 5555 999 itt a panel látszólag lefagy, kb 10 másodperc után éled fel, teljesen alapértéken. A kezelő cím megmarad, és a partíciós beállítás is, azt nem kell újra beállítani (a 000 szekció) a 902 szekció is csak akkor kell, ha van zónabővítő, vagy több kezelő. alapesetben, ha jó az összes ellenállás érték, akkor elég a zónákat, a be-kilépési időt és a sziréna időt programozni, illetve kikapcsolni a telefon figyelést, ha nincs. És kész.
Köszönöm először is a kimerítő válaszod. Ami a kijelző hibát okozta az az volt, hogy a mozgásérzékelőre a "normal open" csatlakozáshoz oda volt írva szépen, hogy EOL én meg automatikusan figyelmetlenségből oda kötöttem a vezetéket, a másikat a C-re. Azt ugyan nem tudom miért van odírva és egyáltalán minek van kivezetve az az érintkező... Nem volt leírva sehol hogy a világító led azt jelzi hogy nyitva van a kör, ha tudom, rögtön rájöttem volna mi a gond. Miután megtudtam hogy ezt jelenti, azonnal rájöttem mi a baj. Átkötöttem a vezetékeket és reseteltem megint, utána már nem riasztott semmikor, be tudtam ütni a kódokat. Fogalmam sincs mi okozta a programozás közbeni riasztást.
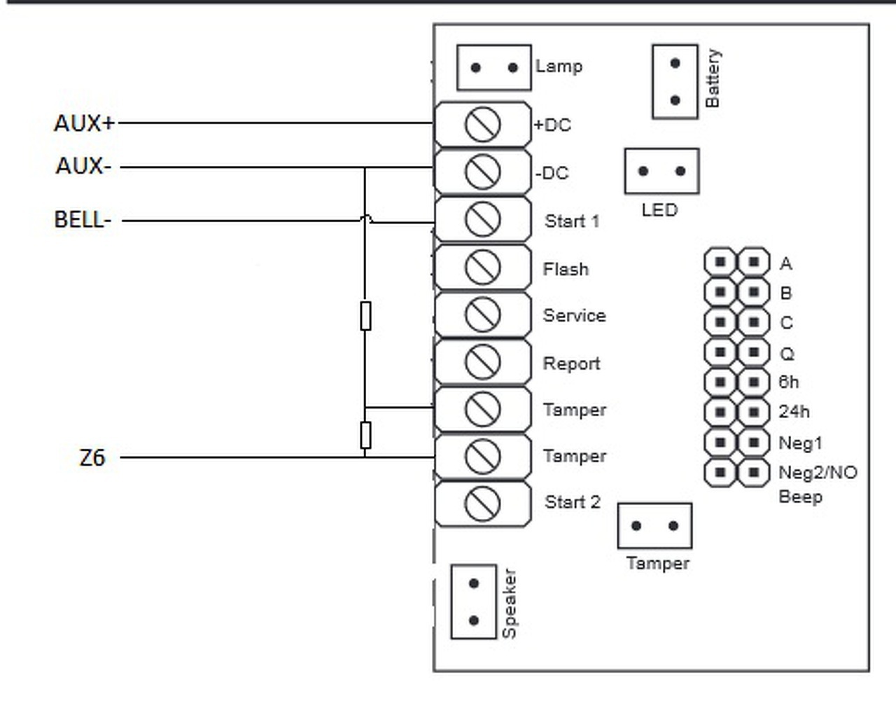
![]() A 005-ös szekcióval kapcsolatban lenne egy kérdésem, 1 partició van: Zónabeállítás, első 30 másodperces késleltetés, a többi azonnali. *8 5555 001 01 03 03 03 03 03 00 00 # Akkor a 30 sec belépési és kilépési késleltetés így fog kinézni? 005 01 030 030 # A szirénaidő 10 perc, az pedig így? 005 09 010 Most még csak az asztalon van összerakva a cucc, de amikor felszerelem, akkor át fogom kötni DEOL-ra. A 013-as szekcióban az 1-es ki, 2-es be. A képen látható sziréna bekötési rajz megfelelő DEOL kapcsoláshoz? |
Bejelentkezés
Hirdetés |















