Fórum témák

» Több friss téma
Fórum » Kapcsolási rajzot keresek
 
Témaindító: Kallai Csaba, idő: Márc 11, 2006
Témakörök:
Lapozás: OK   340 / 385
(#) janigel válasza sonajkniz hozzászólására (») Júl 14, 2019 /
 
Szia!
A zölden megjelölt részen nem látni egyértelműen a fóliát, mert eltakarja a pozíció rajz.
Ez a PIC létezik DIP tokban is ?
Köszi
A hozzászólás módosítva: Júl 14, 2019
(#) sany válasza janigel hozzászólására (») Júl 14, 2019 /
 
Létezik DIP tokban is. Például:
1.
2.
(#) kokozo válasza sonajkniz hozzászólására (») Júl 14, 2019 /
 
Helló! Az R2 miért kell?
(#) sonajkniz válasza kokozo hozzászólására (») Júl 15, 2019 /
 
Szia!
A PWM kitöltését lehet vele maximalizálni.
Jelen érték mellett kB. 90% a maximum
(#) sonajkniz válasza janigel hozzászólására (») Júl 15, 2019 /
 
Jogos!
A képernyőn jobban látszott.
Készítek egy kapcsolási rajzot és feltöltöm.
(#) janigel válasza sonajkniz hozzászólására (») Júl 15, 2019 /
 
Ha úgyis írsz a trafó és a táp részleteit is add meg legyél szíves.
A szál nem fog meglazulni a hő miatt ?
(#) sonajkniz válasza janigel hozzászólására (») Júl 15, 2019 /
 
Szia!

A tápot a huzal hossza és ellenállása határozza meg.
Nekem jelenleg egy 12V 5A-es tápról megy. Az áramfelvétele 1,3A a jelenlegi beállításokkal.
Maga a vezérlő 6-24V-ig tud működni.
Nem induktív terhelés esetén a STPS340V jelű dióda akár el is hagyható, de célszerű akkor is egy kisebb 0,5A 50V körüli schottky diódát berakni helyette. Ennek az a szerepe, hogy kioltja a kikapcsoláskori feszültségtüskéket, ezzel gyorsítva a FET kapcsolását, ami által a FET szinte egyáltalán nem melegszik.
Ha megnézed az eszközről feltöltött képeket, láthatod, hogy a szár, ami a huzalt tartja íves. Ha a huzal nincs benne, akkor pedig egyenes lesz. Azaz a szár rugalmas, így a szál feszítését folyamatosan biztosítja.
Mellékelem a kapcsolási rajzot.
A hozzászólás módosítva: Júl 15, 2019
(#) lacik2 hozzászólása Júl 15, 2019 /
 
Sziasztok!
BASETECH BT-153 labortápegység rajzát keresem.
Ha valakinek megvan,megköszönném ha megosztaná velem.
(#) janigel válasza sonajkniz hozzászólására (») Júl 15, 2019 /
 
Oké, értem.
Ezek vannak nekem (PDF).
Melyik lenne jó hozzá ?
Ezt a típust nem találom sehol amit megadtál. STPS340V
Nem lehet hogy ez az ? STPS340U
(#) kokozo válasza janigel hozzászólására (») Júl 15, 2019 /
 
Szerintem túlkomplikálod.. Bármilyen mosfet jó aminek a paraméterei jók neked.. 12V-ot szerintem 99%-ban mind tud de az 5A se túl komoly, és az általad linkelt fetek bőven többet tudnak. Dióda.. Ide is felesleges variálni, mivel ide is szinte bármi jó, még el is hagyható, mivel a fűtőszálnak minimális induktív értéke van. Tegyél bele olyat ami bírja a tápfeszt és kész.
(#) Hp41C válasza janigel hozzászólására (») Júl 15, 2019 /
 
Keresd így: IRLFL24
(#) janigel hozzászólása Júl 15, 2019 /
 
Még két kérdés.
A PDF-ekben be van integrálva egy dióda.
Ha ez schottky akkor miért kell még egy kívülről ?
Igaz, ez máshogy van kötve.
Van itthon IRFZ44 az is jó ?
A hozzászólás módosítva: Júl 15, 2019
(#) sonajkniz válasza janigel hozzászólására (») Júl 15, 2019 /
 
A kapcsolási rajzon elírtam, de a nyákrajzon jól van megadva a dióda.
Természetesen bármilyen logic FET jó, ami bírja. Illetve, ahogy korábban is írtam, ide elég egy 0,5A-es schottky is. Csak mint a legtöbb amatőr, én is abból dolgozok, ami van épp itthon.
A fet belső diódája nem helyettesíti ki a külső diódát. Pontosan azért nem, mert másképp van bekötve. Az IRFZ44 nem logic FET. Az 5V vezérlőfesz nem nyitja ki eléggé.
A hozzászólás módosítva: Júl 15, 2019
(#) janigel válasza sonajkniz hozzászólására (») Júl 15, 2019 /
 
Ezzel
Idézet:
„Csak mint a legtöbb amatőr, én is abból dolgozok, ami van épp itthon”

én is így vagyok.
Ezért kérdezősködök.
Amit itt feljebb feltettem 2 db. PDF-et az egyik sem jó ?
És van még IRL530 is itthon.
Bocsi hogy abajgatlak.
(#) sonajkniz válasza janigel hozzászólására (») Júl 15, 2019 /
 
De jó!

Ami logic FET az mind jó.
Ahol az adatlapon azt látod, hogy a nyitófeszültség 5V (mellékelt kép) és elegendő áramot illetve feszültséget tud, az mind jó.
(#) janigel válasza sonajkniz hozzászólására (») Júl 15, 2019 /
 
Nagyon szépen köszönöm, értek mindent.
(#) AZs hozzászólása Júl 16, 2019 /
 
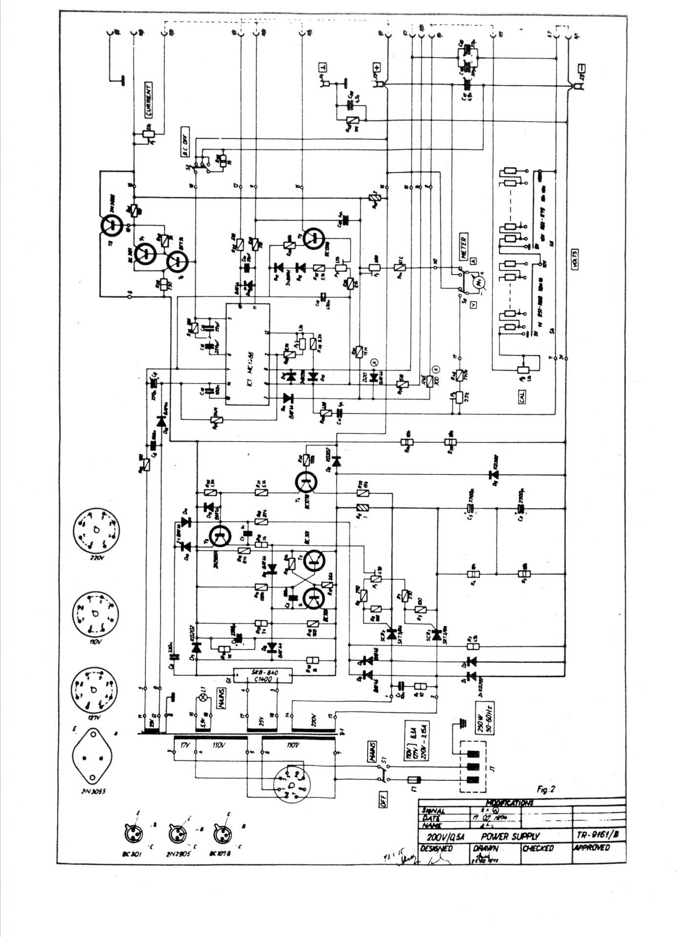
Keresek két laborműszerhez kapcsolási rajzot. Magyar gyártmányok. típusszámok "TR 9160/B", és "TR 9161/B". Megköszönném, ha tudna valaki küldeni.

SAM_0024.JPG
    
(#) dolargaan válasza AZs hozzászólására (») Júl 16, 2019 / 1
 
Ezeket találtam.
(#) AZs válasza dolargaan hozzászólására (») Júl 16, 2019 /
 
Köszönöm. A második még nem volt meg. Sajnos kicsi a felbontása, de azért hasznos lesz!
(#) (Felhasználó 122012) válasza dolargaan hozzászólására (») Júl 16, 2019 / 1
 
Ezeket találtam:
(#) mindenes hozzászólása Júl 21, 2019 /
 
Sziasztok. Samsung W-290 rádiós magnó vagy ahogy ujabban hívják, boombox-hoz keresek kapcsolási rajzot. A rádió részével gondok vannak, most jól jönne egy manuál.
(#) lacek29 hozzászólása Júl 21, 2019 /
 
Sziasztok.HOHNER BKV120-hoz keresek kapcsolási rajzot.
(#) gyulank hozzászólása Júl 29, 2019 /
 
Egy több km-es hatótávú, kevés alkatrészből álló, könnyű, kicsi, és hosszú üzemidejű több hetes, hónapos jeladó kéne, és egy vevő, amivel nagyjából megállapítható az iránya, és a távolsága az erősségből, mondjuk kivezérlésjelzővel. Mondjuk tudjam, hogy 10m-en belül, 100m-en belül, 500m-en belül, aztán +500m-enként jelezné egy LED. Kéne kettő úgy, hogy ne zavarják egymást.
(#) kokozo hozzászólása Aug 1, 2019 1 /
 
Sziasztok!
Kapcsolási rajzot keresek egy Philips 70FR150 Rádiós erősítőhöz.
Hibajelensége az hogy bekapcsolom semmi, kikapcsoláskor megszólal 2 másodpercig.
(#) CHZ válasza kokozo hozzászólására (») Aug 1, 2019 /
 
(#) kokozo válasza CHZ hozzászólására (») Aug 1, 2019 /
 
Köszi
(#) Zsarka hozzászólása Aug 2, 2019 /
 
Szép jó estét kívánok ! Van egy Maudio Bx8 studió monitorom ,van valakinek ehhez kapcsolási rajza? Köszönöm szépen .
(#) janigel válasza Zsarka hozzászólására (») Aug 2, 2019 /
 
Talán ez
1.lépés Nem vagyok robot
2.lépés download
3. lépés vársz egy kicsit, majd letöltöd.
De én megcsináltam (PDF)
A hozzászólás módosítva: Aug 2, 2019
(#) Zsarka válasza janigel hozzászólására (») Aug 3, 2019 /
 
Igen ez az , nagyon szépen köszönöm.
(#) janigel válasza Zsarka hozzászólására (») Aug 3, 2019 /
 
Szívesen, ezért vagyunk itt.
Következő: »»   340 / 385
Bejelentkezés

Belépés

Hirdetés
XDT.hu
Az oldalon sütiket használunk a helyes működéshez. Bővebb információt az adatvédelmi szabályzatban olvashatsz. Megértettem