Fórum témák
» Több friss téma |
Fórum » Kapcsolóüzemű (PWM) végfok építése
Üdv!
Ha gondolod, és megépíted, tudok szolgálni nyáktervelaz IR2110 es kapcsoláshoz. SMD-ben van tervezve, szerintem prímalett.
Ez nem rossz ötlet. Akad itthon rossz nyomtató. Még talán pont Canon is. Csak sok lenne az a 24 V, valahogy meg kéne felezni hatékony módon.
Ok azt megköszönném!ez az áttervezett kapcsolás nyák terve?
Mekkora teljesítményü ez az erősitö? Mik a paraméterei? Elöre is köszi a nyáktervet!! Üdv!!
Üdv!
Lecsökkenteni a feszültséget igazán egyszerű. Az enyémben pl volt egy kis trimer is a kimeneten amivel valamilyen szinten lehetett finoman állítani a feszkót. Amúgy meg 2 ellenálás aránya állítja be a kimeneti feszültséget. Általában TL431 van megoldva a VCS, annak a környékén kell állítani az egyik ellenálás értékén
Üdv!
Ez a nyákterv a már javított kapcsolás alapján készült. Kommenteztem is hogy hova mi kell. Teljesítményt nemtudok mondani, paramétereket sem. Ez a kialakítástól és az alkatrészek minőségétől függ. Remélem minél jobban sikerül majd.
köszi szépen a leírásokat!!
átnézem és megpróbálom beszerezni az alkatrészeket! Aztán jön az építés és jönnek a tanulságok!! Arra nem számítok hogy elsöre sikerül majd de valamikor el kell kezdeni a tapasztalatokat gyüjteni ![]() Köszi a segítségeket!! Üdv!!
Üdv!!!
Nézelödtem a neten és találkoztam a Crown 1-es végfokkal és nagyon érdekel a felépitése ha esetleg valakinek megvan a kapcsolási rajza és a doksija nagyon megköszönném ha felrakná ide,elöre is köszönöm!! A távoli jövöben egy ilyen teljesítményü végfokot szeretnék építeni és (csatotnánként min 2 ohm terhelhetöség és lehet hidalni is) vagy PWM et vagy FET eset ez attol függ h melyiket egyszerübb és melyikhez lehet alkatrészt találni! Elöre is köszönöm a válaszokat!! Üdv mindenkinek!!
Sziasztok!
Unalmában a TI küld hírleveleket, legutóbb ezt küldte: TAS5706 Mit gondoltok, lehetne ezt házilag használni?
Egy linket adhatnál ehez a Crown-hoz...
www.crownaudio.com
ezen az oldalon néztem én is!! De a k1 hez nem találtam kapcsolási rajzot!!!
Ahoz sajna nekem sincs. De kezdhetnél valami "szolidabbal".
Fontos, hogy legyen nyák terv is, mert ugye ezek áltaban nem 1-2 BC182-ből, meg pár ellenállásból állnak... Még a full gyári leírásból sem egyszerű lekoppintani. Vannak trükkjeik! :yes:
Igazad van tényleg nem semmi erölködö és abban is hogy nem könnyü megépíteni pláne igy nyák nélkül!
Szerinted egy ilyen teljesítményü FET-es erölködöt össze lehetne hozni?csatornánként kéne vagy 8 v 10 fet hogy 2 ohm-ig le tudjon menni a vég!? Szerinted FET-tel könyebben meg lehetne építeni?
Nemhinném hogy több fet kellene. Ha jó fetet használsz, elbírja azt a nagy áramot és ezeknek már kellően kicsi is a csatornaellenálásuk.
Szia!!
az IRFP9240 és IRFP240 es FET-eket szeretném használni,alapbol csatornánként 8 db lenne az erősítöben,a fet adatlapján max 12 A-a megengedett áram. Szerinted ezekkel a FET-ekkel el fogja bírni a 2 ohm-ot? ha csatornánként 10 db FET-et építenék be akkor ha jól tudom nem melegednének anyira a FET-ek?! elöre is köszi a válaszod!! Üdv!!
Üdv!
Ezek a fetek alkalmatlanok! Az első az egy P csatornás. Amit te akakrsz építeni abba csak N csatornás fet kell. A második azért nem jó mert nem ilyen célre találtaák ki. Vannak direkt digitális erősítőbe való fetek: IRF6665 Ven még ehhez hasonló fet több is. Ha megnézed az adatlapját feltűnik: Alacsony csatornaellenálás 0,05Ohm alacsony gate töltés 10nC, valamint kedvezőek a párhuzamos diódájának az adatai. Úgymint pl: a visszazárási idő és a töltés amit tárol. Párhuzamosan feteket nemnagyon szokás kapcsolni digitális erősítőkben. Ugyanis akkor összeadódik a gate tölés és csak lassabban tudnak majd kicsitni, ami jelentős melegedést okozhat. Ha nagyobb kimenő áram kell érdemes inkább a spéci fetek listáján körülnézni. Én eddig IRF3315-el és IRF520 al próbálkoztam. Olcsó és aránylag jó adatai vannak. Kísérletezgetni jó. Ahhoz hogy 2 ohmon járasd a cuccost, nemfeltétlen kell több fet. Inkánn keress alacsony csatornaellenálásút.
És ha nem digitális végfokba építem a fet eket?
vagy a digitális erösítöbe való Fet-eket építem be egy nem digitális végfokba?
Ezt szeretném majd megépíteni ha nem sikerül a digit végfokom
![]() Rem sikerült feltennem
Szegény SPafi mennyit tepte a szajat haszontalanul
![]() Meg mindig digit vegfoknak hivjatok azt ami nem az (hanem analog PWM).
Ezt hogy érted?
Hogy hogy analog PWM? A rajzon egy sima FET-es végfok van az nem kapcsolóüzemü szerintem?!
Sajnos a kinézett Maxim IC-kből nem lehet mintát sem rendelni. Ha minden igaz tudok szerezni egy másik típust, az mono és 10W-ot tud. De legalább csak 24 lábú TQFP. Ha megjön és összeraktam majd beszámolok.
Én is maradok az analógnál! Egyébbként meg ha a kapcsoló üzemű táp teljesítménye és buffer kondijai felelőtlenül túl vannak méretezve, abból is széép basszusok jöhetnek!
Srácok!
Én most tettem szert egy 1991 ben épült sztereó BOSE autóerősítőre, amikor szétszedtem lepődtem meg igazán...: Nó hűtés, a végfeteken épp egy kis lemezke, természetesen a kimenetekkel sorban gyűrűmagos ferrit fojtó, párhuzamban 470n-os kondi, hídkapcsolás... mondom én vazze BOSE 91-ben már digit végfokkal szerelte az Audit... rákötöttem az 1 ohmos ruszki 25cm-s emet, 50w ki is jött belőle hűtés nélkül, de hát ilyenek ezek az igazi "D" oszt végfokok. Próbáltam teljesítménynövelni tápfesz emeléssel, persze csak óvatosan, 17v-ig mertem felmenni, de nagyságrendekkel nem nőtt a teljesítmény. pedig ha (mivel hidas) kijönne belőle eff. 10v, akkor az már 100w lehetne, de nem jött ki, csak 7v, vazze...van benne valami visszaszabályzás, végülis két db 20 lábú DIL tokozású BOSE IC hajtja a FET-eket. Ilyennel sem találkoztatok még mi??? Ez a BOSE egy csodapók.
Skacok ezt megnézhetnétek..... Remélem tudtam segíteni
Sziasztok!
A csatolt erősítőről tud valaki adatot, tápfesz, meg hogy hány W-os? Elég olcsó a FET bele.
Hát itt nincs tápfesz írva, ami alapvetően meghatázza a kimeneti teljesítményt. Ez a FET 100V-os tehát max +-45V tápja lehet, és ekkora tápfeszel 4 ohmon kb 150W-os lehet. De ha már ezt a kapcsolást akarod építeni én inkább IRF540N-t tennék bele. Az 540 joval erősebb, és mivel van normális gate-meghajto így a nagyobb gate kapacitás sem okoz semmi bajt.
Helló!
Azóta megtaláltam hogy cimopata áttervezte, ez nem egy eredeti rajz. Pedig beszerezhető alkatrészek vannak benne. Tudna valaki olyat ajánlani, amit többen megépitettek, és beszerezhetők az alkatrészek hozzá? 100W minimum. Köszönöm szépen előre is!
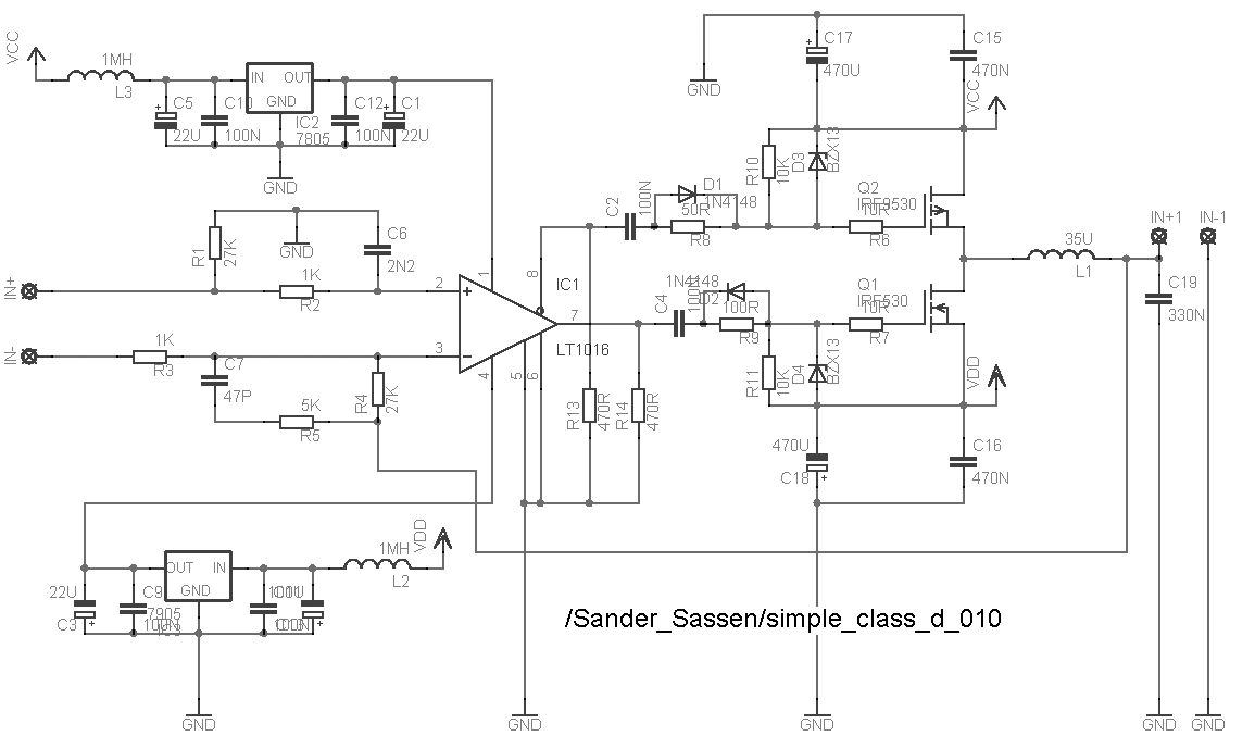
Mennyire kell jó minőségű és mire szeretnéd használni? csatolok egy nagyon egyszerűt. Ha valami komolyabbat szeretnél akkor szerintem UcD.
Ez amit csatoltál, mit tud, mennyi a tápfesze? Mit tud a UcD?
Köszi!
A philips UcD doksiját megtaláltam, de vannak benne furcsa tranzisztorok, nem tudom beszerezhető-e.
Az adott fetekkel ennél is +-45Vig lehet elmenni, ami kb 150W 4 ohmos terhelésre. UcD-ből millio variáciot lehet találni a neten. a Diyaudio.com-on, de van egy forum a terminal.hu-n is ahol PWM erősítőkről van szó, és ott több hozzáértő ember szol a témához. mostanság sajnos elég kihalt, de ha visszalapozol nagyon sok minden van benne. (a csatolt rajzon az UcDben használhatsz pl IRF3315, vagy IRF540N stb hasonlo FETeket)
|
Bejelentkezés
Hirdetés |













