Fórum témák
» Több friss téma |
Fórum » Csöves erősítő készítése
Ne feledd betartani a fórum viselkedési szabályait, és a topik megmaradásának feltételeit. [link]
A téma átmenetileg fagyasztva lett, hozzászólni nem tudsz!
Idézet: „Egy USA Triad trafo egeszen biztosan más, és ha meg van fejelve csúcs alkatrészekkel, akkor el tudom kepzelni, hogy a végeredmény jó.” A no NFB 6528 PP triódás projekt célja azt volt, hogy hálózati trafóval is lehet jó hangot csinálni, nem kell extra minőségű kimenő (Tangó, Tamura, Hashimoto) - nem a kimenőtrafó a legfontosabb eleme egy csöves erősítőnek. Komplex, sokkal több változót figyelembe vevő dolog egy HiFi csöves erősítőt létrehozni... Információként Itt van a kimenőnek bekötött Triad F-107Z hálózati trafó (115/230/12/24v) néhány paramétere: - DCR: 19,5/21/0,15R - primer: 3,5H (100Hz) - primer/szekunder kapacitás 270pF - szórt induktivitás 14mH (100kHz) Ami az UBL PSE kapcsolásodat illeti: - a jó SE triódákat használ, hiába kötöd triódának az UBL-ket, az elektródák távolsága nem változik ![]() - amennyiben PSE a kapcsolás, akkor pedig 2xCg terheli a driver anódját ![]() TJ.
Ez igaz, de egy 2A3 Cg1a=16.5pf, Cg1k=7.5pf. Ennél Cg1k adat sajnos nincs, Cg1a viszont < 1.2pf tehat egy renddel kisebb.
Rajzom nincs, de kimenő sem kell. Olvass itt most körbe, s rájössz. hogy a legjobb erősítő hálózatival építhető.
Akkor végül is sikerült összehozni vele egy még olyan hangot se, amit lehetett volna 5db tranyóval is?
Azért az tegyük hozzá a fiatal kollégáknak, hogy ne tunerman munkái legyenek a követendő példák, hanem inkább pld. CHZ-jé.
Majd ha akkora iszonyatos szakmai tapasztalatra tesztek szert, mint amivel ő rendelkezik, akkor esetleg megpróbálkozhattok vele. Akkor esetleg képesek lesztek arra, hogy egy 50-60 Hz-re méretezett trafón szintesés nélkül áttoljátok a 20 Hz-et és 16 kHz-et is névleges teljesítményen. Bár lehet hogy a jó hanghoz ez nem előfeltétel, egy jó erősítőnek nem kell teljesíteni a min HI-Fi szabvány szerinti követelményt sem.
Így nulla kimenő készítési gyakorlattal, de a látottak és leginkább a hallottak alapján már kezdem én is azt gondolni, hogy a kimenő vas anyagának jóval nagyobb szerepe van a kialakuló hangzásban mint annak, hogy hogyan, milyen bonyolultsággal van elkészítve az a kimenő. Jó példa erre az enyém is a jó minőségű magjával és a kettes osztásával, de nagyon jó hangjával, és itt van egy 300B-s kimenőtekerős videó, ahol a fickó nemes egyszerűséggel felpördíti a primert, majd rá a szekundert és ennyi. Ott vannak utána a mérések, az égvilágon semmi baj nincs sem az átvitelével sem a torzításával. A hangját meg ugye nem tudhatjuk így a távolból.
Pont ezt írtam elébb. Kell szerválni rendes magot (már érdeklődtem, megígérték, de lehet hogy be kellene másnak is szállni a nagy mennyiség miatt (M111-es anyagú vas)), megtekerni 3-4 féle képpen, majd meghallgatni. És rögtön kiderül hogy merre tovább.
A hozzászólás módosítva: Okt 24, 2019
Attol fugg hogyan nézzük. Az 5db tranyoval össze lehet hozni jo és rossz hangot is. Nem mindegy szerencsétlenek hogy kötjük össze. A szokasos erositsünk nagyot aztan csatoljuk vissza megoldasnal még így is bőven jobb ez a csöves cucc. Inkabb arra vonatkozott az írásom, hogy indel taptrafot kimenőnek hasznalni szerintem nem nagyon kell.
Mondjuk azért azt is el, hogy a kis anóimpedanciával rendelkező teljesítmény triódákkal lehetséges a hálózati trafó kimenőként való felhasználása.
Továbbá azt is, hogy ezeknek a teljesítménytriódáknak "combos" driver fokozat kell.....ez nem az EL34, EL84, 6L6, KT88 csövek világa! TJ. A hozzászólás módosítva: Okt 24, 2019
Azt is vedd figyelembe, hogy az UBL21-nél a Cg1a érték pentóda bekötésre van megadva, ilyenkor pedig a segédrács árnyékoló hatása erősen érződik. Triódába kötve sokkal magasabb értéket kapsz. A KT88-nál tetródában 1,2pF, triódában 7,9pF.
Ez a megoldásod ok. Kicsit átalakítottam, kisebb tápfeszről is használható.
Végcsövek meghajtása is kedvezőbb így, kivehető teljesítmény is növekedhet, bár hangra lehet, hogy nem jobb... A hozzászólás módosítva: Okt 24, 2019
Köszi! Igen, arra gondoltam már én is, hogy plusz egy katodkövetövel lehetne alacsonyabb impedanciarol is meghajtani a fazisfordito csövet. Vegulis ilyesmi volt valamelyik ARC kapcsolasban is amúgy, csak külön oldalra kihelyezve. Ha jol emlekszem.
Próbáld ki, ECC82 de 6H1P is megfelel oda. Ennek a fázisfordítónak is megvan a hibája. Az osztott jellel vezérelt kimenet torzítása nagyobb. Katódból vezérelve freki/fázis átvitele is jobb, teljesítmény triódák meghajtására alkalmasabb így.
A hozzászólás módosítva: Okt 24, 2019
Teljesen igazad van. De ebben nem osztom a véleményed: "Miért tegyünk 3x annyi csövet (és alkatrészt) ha a piactérre kényelmesebben és biztonságosabban is el lehet jutni?"
A D51 olyan kor szülötte, ahol még a cső olcsó volt. Lehetett "fokozni a helyzetet", s ez sikerült is. A D51 egy kiváló erősítő, és ha a Tm erősítője tud 5000 dolláros hangot, akkor a D51 minimum15000 dollárosat tud. Mondjuk az előbbi hülyeség, de attól még a D51 veszett jó erősítő, műszakilag rendkívülien korrekt. Igen, az újabb ARC erősítők már csőtakarékosak, s előszeretettel tesznek FET-et áramgenerátorként akár minden fokozatba. De hidd el azt is, az ilyen erősítő más, mint a régi D sorozatúak. Leginkább máshogy szólnak. A hátrányukat pedig tapasztaltam egy VT50-es készüléken, amit egy ismerősöm elhozott, mert csőcsre után torzított. Az ok egyszerű volt: A fázisfordító diff. erősítő elbillent, mint itt valakinek. Csupán egy csőcserétől. A megoldás egyszerű volt, az áramgenerátoron kellett állítani. Az áramgenerátor egy precíz megoldás, precízebb mint egy katód ellenállás... De viszont tud meglepetést okozni.
Rosszul fogalmaztam, VF2 kimenet torzítása nagyobb, (nem az osztott jellel vezérelt).
Nem, nem! Az ARC azzal az oldalra kihelyezett csövel mindig az anódból vezérelt. Ez a trióda a 100%-os NFB-vel maga volt a fázisfordító. Lsd.: ARC D50F, illetve a kittben kapható ST70-C3 típust:
Csak aztan arra is gondoltam, hogy ha kozeteszunk megegy csovet a maga magasabb racskapacitasaval 35k-val hajtva (igaz a katodkoveto mod miatt kevesebbnek hat a racskapacitas), akkor az egesz belassul, hiaba a fazisfordito erosebb meghajtasa. Az asszimetria kisebb lesz, de az össz slewrate is. Ezt akkor egyszerubb az elso fel racsara helyezett soros ellenallassal elerni. Szoval a plusz kazodkoveto hatasa valamelyest ketseges. Meg akkor megegy fokozat a maga torzitasaval.
Akkormár jobb tj fojtos megoldasa szerintem. De persze mérni kéne, viszont már szetszedtem és mast csinalok.
Teljesítmény triódák meghajtására szerintem nem igazán jó választás az ECC85 ( nagy a belsőellenállása), ezért javasoltam a katódkövetőt hozzá. Fojtós megoldás ezzel a csővel nem fog jól teljesíteni. Meg kéne hallgatnod, lehet, hogy kevésbé éreznéd "harsánynak", mint az előző verziód. Így persze "non nfb" nem teljesül.
A hozzászólás módosítva: Okt 24, 2019
Igen olvasom.....
Véleményt inkább nem fűzök ehhez, közben Orosz kollégák segítségét kérve (hisz onnét van a cső is) annyi kapcsolási rajzot kaptam hogy most a bőség zavarában nem tudom melyik legyen még az igazi (egyenlőre még nézegetem melyik felelne meg az igényeimnek. )
Majd lehet kiprobalok még valamiket, mert van egy regent 30h gitarerosito monoblokkom, ami egyebkent tök nemjo. Sem mérésre, sem hangra. Azt at szeretnem majd epiteni vagy ilyen ltp forditosra, vagy a tunerman felere csak ellenallasokkal a fojto helyett. Lehet kiprobalom mindket verziot. Abban mondjuk EL34-ek vannak, dehat mindegy. Viszont most ezt mar tenyleg szetszedtem, mert mast csinalok. Azert megneztem az adatlapokat.
ECC82: Ri=7,7k@250V@10,5ma - 2.75W max Wa ECC85: Ri=8,3k@250V@10,8ma - 2.5W max Wa Olyan nagyon sokkal azert nem gyengebb, mint a 82. Raadasul kisebb kapacitasokkal, közbülső árnyékolóval és 3x akkora erősítéssel. Plusz mivel senki nem hasznalja, van belöle olcson nagyonjo sylvania black, rca, mullard, philips.
Gyorsan mégegy dolgot kiprobaltam. CHZ, amit beraktal 6SN7 szimulaciot nagyjabol azt megepitettem. A tieden 56k, 680R, 22K van. Én 68k, 470R, 30K-t tettem be. Igy a 6 helyett 7,8-ra adodott az erosites. Asszimetrizalodas:
10k negyszög:
Rendben. Van egy nagyon jó állapotú, anno military alkatrészekből épített, első/második generációs bonyolult ARC-d. Vagy egy mostani egyszerűbb.
Kérdés. Csőcsere, vagy javítás esetén (merthogy azért a katonai minőségű alkatrészeket is koptatja az idő, ha lassabban is) melyiket egyszerűbb (és olcsóbb) gyári állapotra visszaállítani? Gondolok itt: 1. Kapható mai csövek 2. Kapható egyéb alkatrészek. 3. Legfőképpen: hozzáértő szakemberek (hiánya) A hozzászólás módosítva: Okt 24, 2019
CHZ: Valamelyik első ltp rajzodon volt a katodkötben 470R és 15K. Én ezt valahogy benéztem 1.5K-nak, most visszaolvasva latom, hogy jelezted is, hogy nemjo a katodellenallasom, de aztan annyi minden történt, hogy elsiklottam felette. Ezert raktam most ujra ossze és probaltam ki. Így valoban nincs akkora alap asszimetria. Viszont frekvencival ennek is valtozik azert boven a szimmetriaja. A negyszogjel pedig nekem elfogadhatatlan.
Az ARC alapkapcsolás sajátos "védjegye" az magányos invertáló elektroncső, amitől az erősítő NEM szimmetrikus...
Stax már a 60-as(!) években gyártott elektroncsöves fejhallgató erősítőiben viszont valóban szimmetrikus kapcsolás van. Mondjuk ezen a magasabb elvi szinten megvalósított kapcsoláshoz a szimmetrikus NFB kötelezően hozzátartozik ![]() TJ.
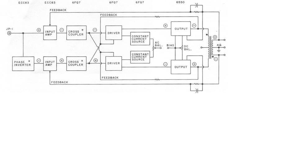
Ezt kár volt ide citálni, mert 1, Az ARC is már a 60-as években épített szimmetrikus kapcsolást, kettő nem a Stax találta fel ezt a technikát, Az NDK-ban 1958-ban is alkalmazták már a megoldást, lsd. a képet. Ráadásul nem igaz az ARC sajátos védjegye sem, mert egy csapat erősítője van hasonló felépítéssel, mint amit prezentáltam. Kezdve a D51-el.
Amúgy meg nincs kötelező visszacsatolás sem, ellehet hagyni. A TS erősítődnél viszont nem. Persze az is jól szól, csak visszacsatolással. Akkor az még nem volt problémás a high end világában. Szóval olyan óvodás ez a vagdalkozásod. Viszont azt megkérdezném, hogy a Te meghajtásodban a két módusú jelek közt szerinted van-e visszacsatolás, és az negatív-e. És még azt is megmerészelem kérdezni továbbra is, hogy működés közben mi biztosítja a jelek szimmetriáját a kapcsolásodban? A hozzászólás módosítva: Okt 25, 2019
Egy E88CC-vel sokkal jobban járnál. Lényegesen kisebb belső ellenállása van, nagyobb meredeksége, az erősítése pedig közelít ez ECC85-höz.
Mivel több csövest tartok a tűzbe, így szükségem van egy 3H 250mA-es fojtóra.
Jó minőségű vasban segít egy kedves, volt fórumtárs. 0.5mm-es ún. GOS vasam lehet/lesz, E I 84b A kérdés a kapitány élet korán kívül, megfelel-e ez a méret a kritériumnak? STA25 az erősítő és hátha elkészül egyszer csak... Tudom, hogy másként is lehetne, etc. de pont így szeretném, mint a "bóti". |
Bejelentkezés
Hirdetés |
















Amúgy meg nincs kötelező visszacsatolás sem, ellehet hagyni. A TS erősítődnél viszont nem. Persze az is jól szól, csak visszacsatolással. Akkor az még nem volt problémás a high end világában. Szóval olyan óvodás ez a vagdalkozásod. Viszont azt megkérdezném, hogy a Te meghajtásodban a két módusú jelek közt szerinted van-e visszacsatolás, és az negatív-e. És még azt is megmerészelem kérdezni továbbra is, hogy működés közben mi biztosítja a jelek szimmetriáját a kapcsolásodban? 
