Fórum témák
» Több friss téma |
Fórum » Csöves erősítő készítése
Ne feledd betartani a fórum viselkedési szabályait, és a topik megmaradásának feltételeit. [link]
A téma átmenetileg fagyasztva lett, hozzászólni nem tudsz!
Én arra az egy pőre csőre gondolok, amit egy tekercs fojtogat.
Akármilyen csővel is növelnie kell, vagy nem, erre vagyok kíváncsi a többiről már sokkal többet olvastam, mint ami jólesett...
Nem erre gondolt, hanem csak arra a 300Vpp / 5Vpp fokozatra, hogy le kéne szimulálni. CHZ szimulálgatott múltkor. Ha esetleg van rá kapacitása, talán többen szívesen vennénk ebben segítségét.
Nincs messze az elvektől a 417A triódával és a következő adatokkal
- katód ellenállás 75R + 1.000uf - fojtó 50H/1k - anódtáp +140v Mindent bele
Megcsinalom, ha otthon leszek, Ipad rol most nem tudom...
Erre az elvi példára gondoltál?
Összedobtam abból, ami kéznél volt:
6DJ8 150V-os anódfesz 30H fojtó A kimeneti jel 270Vpp, 0.018% torzítással
A második képen a cső anódfeszültségének a változása látható. Jól látszik, hogy az anódfeszültség a tápfeszültséghez képest hogyan változik.
Sziasztok!
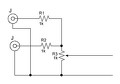
Azt szeretném kérdezni, hogy a mellékelt kapcsolás az így monoként kivitelezhető? Ha így is megvalósítható és működni fog, akkor próbálkoznék a továbbépítéssel. A hozzászólás módosítva: Okt 31, 2019
Csak az elvek mentén az R7/C2 szűrőtagot a bemenő cső anódtápjához rakd át - ne legyen az első két fokozat egy tápon.
TJ.
SZia!
Direktbe a 2 csatorna nem köthető össze párhuzamosan, mert a 2 oldal beterheli egymást. A 2db rca gnd-jét kösd össze a rajz szerint, a 2 oldali jelet pedig 1-1 10k-s ellenálláson keresztül kösd össze. Így nem bántja egymást a 2 csatorna. Azt tudni kell, hogy ha párhuzamosan kötöd a 2 csatorna jelét, akkor a 2 szorzatát kapod, ergó jóval nagyobb lesz a jel. Ha túl soknak érzed, nem tudod megfelelően állítani a hangerőt, akkor a 2 soros 10k-t növelve csökkenthető a jelerősség.. A fűtő tekercseket majd 100-100ohm-al kiközepelve gnd kell kötni, így brumm mentes lesz a dolog. Az összes fűtőtekercset ki kell közelepni, a rajról ez hiányzik, vagyis az egyik fűtőtekercs egyik fele direktben gnd-n van, de jobb az ellenállásos kiközepelés, vagy az alapból középmegcsapolásosra tekert fűtőtekercs, aminek a kötepét kötöd a gnd-re
Bocs, de ezt gondold at ujra. Ha 100-100mV, akkor 10mV lesz? Inkabb legyen az átlaguk.
(L+R)/2
És rakhatsz nyugodtan 1-1K-t is, ha valami felvezetos DAC vagy CD a forras.
Valaki megtenné hogy javítja az általam feltett kapcsolási rajzot, hogy használható legyen? Mert már nem tudok eligazodni, mit is kellene mire hova cserélni, rajzolni hogy kivitelezhető legyen.
Parancsolj. A potméter 10 - 50 kohm legyen, logaritmikus.
A hozzászólás módosítva: Okt 31, 2019
Köszi, javítottam az összekötést. Már csak a többit kellene, persze ha mások szerint is rossz az általam feltett kapcsolás így.
Szerintem lehet te kevered a fojtotekercs es a kimeno transzformator mukodeset, mar ha jol ertem az indoklasodat.
Kimenotrafo terheles nelkul induktorkent mukodik, azaz az aramvaltozas iranyaval ellentetes es az induktivitasaval aranyos feszultseget indukal. Hangsulyozom: terheles nelkul, a primeren. Ez nem a normalis mukodese, nincs is mirol beszelni, hisz a transzformator betervezett funkcioja, hogy transzformal (impedanciat illeszt, feszultseget valtoztat..etc) A fojtotekercs viszont pont ugy mukodik normalis allapotaban mint a kimeno terheles nelkul. Csak mellekesen jelzem, ezzel pont magad mutattal ra a kulonleges erositod egyik tervezesi hibajara, amit kesobb ugye kiserletezes utan a szekunder soros beiktatasaval probaltal orvosolni. Ha mar trafo a driver-ben, akkor ugye fazisfordito trafo es voila: maris sokkal letisztultabb a kapcsolas.... Csak elkerulendo a partalan vita vagy sertodes: Nem minositem az erositod, csak jelzem en hibasnak tartom az elgondolast, fuggetlen a hangjatol.
1, A fojtó mint anódmunkaellenállás elvi megoldása már 100 éve ismert - mit kellene ezen megmagyarázni?
2 Az SE légréses kimenőtrafója ugyanazt az indukciós elvet használja fel, ezért lehet a p-p feszültség az anódon magasabb értékű mint a tápfeszültség! A single end erősítők teljes aszimmetriája tehát ebből a műkődési elvből adódik - a tapfeszültség feletti jelnagyságot az INDUKCIÓ biztosítja....és ez jelenik meg a szekunder tekercsen. TJ.
1. Gyakorlatban is bevalt, elterjedt?
2. Nem ertem a rajzod. A +80 mihez kepest 80, a +264 mihez kepest 264? Az anodon csucsban 528V merheto?
1, Nem igazán terjedt el, mert egy anódfojtó drága és kényes alkatrész. A legtöbb esetben egyszerűbb nagyobb tápfeszültséget és anódellenállást használni. Akkumulátoros egységek esetén viszont hasznos lehet.
2, Sajnos tunerman a rajznak azt a részét elrontotta. A "például 80V" szaturációs feszültség a földhöz képest értendő, de a "+264V" már a 344V-os anódfeszültséghez képest, ott tehát 608V a csúcs, ha szimmetrikus a színuszjel. És igen az anódon ez a 608V mérhető csúcsban, a földhöz képest. A hozzászólás módosítva: Nov 1, 2019
Ez erdekesen hangzik, marmint a 2. pont.
Tehat ha van egy erositom amiben 6N7-es trioda van, 250V anodfeszen uzemeltetve, akkor szinusszal vezerelve az ido 50%-ban 250V es 442V kozotti feszultseg van az anodon? (tunerman peldajaban 1.77 a szorzo) Az emlitet trioda maximalis megengedett anodfesze 300V. A hozzászólás módosítva: Nov 1, 2019
Idézet: „Az emlitet trioda maximalis megengedett anodfesze 300V.” Ha megnézed az adatlapot akkor ott (legalábbis részletesebben leírtakon) a "DC plate voltage" szerepel, az tehát a munkaponti egyenfeszültségre vonatkozik. Pillanatnyi feszültségre többet bír. Ha megnézed pl. a JJ 6SN7 doksiját, ott 500V-ig futnak a karakterisztikák. Persze a tervezésnél figyelni kell arra, hogy ne léphessen fel túl nagy feszültség, de -ahogy írtam is-, a fojtós megoldást általában pont ott használják, ahol limitált a tápfeszültség. Idézet: „akkor szinusszal vezerelve az ido 50%-ban 250V es 442V kozotti feszultseg van az anodon? (tunerman peldajaban 1.77 a szorzo)” Nem biztos, hogy elő tudsz állítani ekkora meghajtó feszültséget. Ez a munkaponti beállításoktól függ. A hozzászólás módosítva: Nov 1, 2019
Ket kulon dologrol beszelunk
![]() En a kimeno trafon ragodom nem az anodfojton. Azzal nem sok dolgom van en egyetlen egyet sem lattam meg (audiofrekvecias kapcsolasban) a gyakorlatban, bizonyara mert nem szakteruletem. Magasabb frekin igen de az megint mas teszta. Radioim vannak itthon, a Philco bakelit radiokban pl EL84 van SE kapcsolasban, visszacsatolas nelkul (hogy tunerman is oruljon). Az van a locker-ben, holnap felhozok egyet es megmerem. Persze a kimenoje kis gyik, de most nem a hangja a kerdes Tenyleg kivancsi vagyok. Idézet: „Ket kulon dologrol beszelunk” Nem feltétlenül, mert ebből a szempontból mindkettő ugyanúgy működik. Ha rámérsz, akkor kiderül. A fojtónál az utána következő fokozat bemeneti ellenállása, illetve a meghajtó trióda belső ellenállása a terhelés. A kimenőnél a szekunderen lévő terhelő ellenállás és a végcső belső ellenállása.
Ha jo az elkepzelesem (ami az emlekeimre alapoz), akkor nem egyforma a ket eset
![]() De lehet rozsdasak az emlekeim. Holnap kiderul. |
Bejelentkezés
Hirdetés |










