Fórum témák
» Több friss téma |
Idézet: „Jól működött, nem jött vissza sem garanciális, sem sima javításra azóta sem.” Mondjuk én is néznék ki a fejemből, ha 20..25 év után becsöngetne valaki, hogy "Te csináltad, elromlott, javítsd meg ". De akkoriban még a kondenzátorok sem púposodtak, meg örültünk ha valamit el tudtunk adni. Javítani meg a fene sem akart utána
Jó ötlet. Körbe is túrtam a műhelyemben, találtam két S30D40C dupla közös katódos schottky diódát és egy SBL3040PT szintén dupla schottky diódát. Ebből a háromból ki tudok rakni egy kétutas egyenirányítót. Sajnos három egyformát nem találtam. Kipróbálom.
Ehhez a kihangoláshoz gondolom ismerni kéne a trafó induktivitását és Thomson-képlettel már ki lehetne számolni a soros kondit. Egy próbát megér, hátha pont jó lesz a pincében pihenő egyik kompenzációs kondi. Nagyon a primer feszültséget nem akarom növelni, így is 220V-os tekercsleágazásról jár, 230V bemenővel.
A régebben gyártott trafók simán bírják a nagyobb primer/szekunder feszültséget.
A szórási induktivitást rövidre zárt szekunderekkel kell megmérni, a primer oldalra kapcsolsz néhány V feszültséget (nyilván AC-t) és méred az áramot + a feszültséget (áramkorlátnak izzót lehet használni). Ebből impedancia számolás, az impedanciából meg kapacitás számolás... A hozzászólás módosítva: Dec 17, 2017
Úgy látszik elkiabáltam a dolgot. Nemrég szóltak, hogy leállt a táp. Később kiderült, hogy a hűtő ventilátor állt meg benne (közel 8 év folyamatos üzem sok volt neki), a hővédelem meg leszabályozta a tápot. Kollégám kicserélte a ventit a helyszínen, azóta ha minden igaz újra működik.
Sziasztok
Olyan kérésem lenne, rajzot keresnék, párhuzamos feszültség stabilizátorhoz. Van egy "találkozós" autónk, sok rajta a lámpa, egész este világít, kapott egy 12V-os 500w-os toroid trafót (ez volt olcsón) beépített töltőnek, míg a lámpák világítanak, nincs gond, ha lekapcsoljuk, akkor a fesz felmegy 15,6V-ra, kb 2A terhelés elég neki, hogy beálljon 14,4V-ra, nem gond a melegedés, a töltő egyenirányítója úgyis hűtőbordás, ventilátoros, arra még elférne egy tranzisztor, ami a plusz teljesítményt elfűtené. Soros fesz. stabbal nem foglalkoznék, mikor minden fel van kapcsolva, kb 10A-t vesz fel, ha az akksi épp nem vesz fel töltést, meg kevés is lenne a trafó feszültsége hozzá. A válaszokat köszönöm.
Hello! Pld.. De attól hogy az ellenállás (vagy izzó) fűt, a tranyót rendesen hűteni kell..
A hozzászólás módosítva: Júl 23, 2019
Köszönöm, esetleg megoldható lenne úgy is, (próbálom itthon meglévő alkatrészekből megoldani) van TO3- tokozású LM317, akár egy 21W-os izzót is felkapcsolhat (mindegy, hogy látszik-e a fénye), de nem kellene akkora hőt elfűteni, meg 6,2Ohmos 30W ellenállást vásárolni. Köszönöm.
LM 317-el bajos lenne. Mert az az OUT és az ADJ lába között figyeli az 1,2V-ot. Az pedig a kimeneten van, nem a bemeneten, ahol az aski feszültsége van Ha az OUT lábat a testre tennénk, akkor az ADJ-nek ehhez képest negatívnak kellene leni. .
1 db. 12 V / 21 W-os izzó? Igaz, akár ki is lehetne kapcsolni a szerkezetet, ha nem kell.
Sziasztok.
23V valtofeszultsegre jo lehet egyeniranyitas utan a 12V egyenfeszultseghez 7812? A max. bemeneti feszultseget atlepnem szamitasok szerint... Megfelelo hutobordaval kibirna? Vagy LM317?
A 23 V váltakozó egyenirányítás után 32 V egyen lesz. 35 voltig bírja a 7812. Ha a váltakozó fesz nem fog 24 V fölé menni, akkor jó lesz.
Sziasztok!
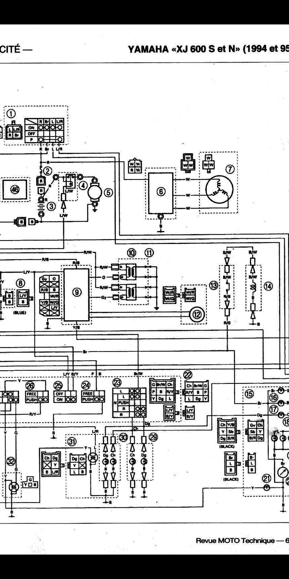
Segítségét szeretnék kérni. Van egy 1992 Yamaha xj600s diversion motorom. Egyszer már cseréltem egy éve benne fesszabajzót. Most megint megadta magát. Rendeltem egy 95 os divihez valót utángyártottat. Az 5 kábeles az enyém 4 kábeles gyárilag. 95 os ráncfelvarrás után egy nagyobbat tettek bele mert típus hibája volt alulmeretezett. A lényeg az hogy meg is van a kapcsolási rajza (mellékletben régi és új) az újnak és az enyémnek is. Radugtam a 4 kábelt ami oda van vezetve a rajz szerint a testet pedig a házára ahogy az előzőn is volt. De nem működik. Mi lehet a hiba? Régen egy cikket találtam ami szerint a test az 5. Ez igaz lehet? Nem tudom elhinni hogy a pozitív és negatív ugyan olyan szín gyárilag. A kapcsolási rajzon nem látom miért van két piros kábel az új változaton. Szóval ez a helyzet remélem érthető. Gyorsan kellene a megoldás mert holnap mennék motorozni. Előre is köszönöm!
Szia! Lehet rosszul látom, az újnak van öt kivezetését. Szerintem a két piros csak elírás a csatlakozóban, mert a képen viszont B és R van. Gondolom a B feketét jelent - ez lenne a test. Most hogyan kötötted? Összekötötted a kettőt? Már csak az a kérdés, melyik a csatiban a piros és a fekete?
Na lőttem a netem egy képet egy videóból. Csatoltam.
Itt a video: youtube Bár most nézem, ez Yamaháé? Nem biztos... A hozzászólás módosítva: Szept 6, 2019
Igen jól látod az újnak 5 kivezetése van. De a réginél is ott van a black test kábel. Amúgy ennek is a házára kötöttem a testet mint a réginél. A videóban a haza műanyag nekem egy alu öntvény a háza. Ézt a videót én is néztem és nekem ha rá van kötve a 3 generátor kábel ilyen 4.5 voltot csinál azon a két kivezetésén és amúgy jól jelölted be a test és pozitív kávét úgy mértem ki miltimeterrel is. Lehetséges hogy rossz a fesszabajzo amit küldtek? Vagy az lehet a gond hogy a testet a házra kötöttem?
Bekötöttem úgy ahogy a videóban volt és annyi volt hogy nagyon kevéske volt a feszültség amit produkált. Azért mondom rákötöm az aksira egyből felment 14v ra alapjáraton... Fordulaton 14.4 szóval hibátlan. Köszönöm a segítséget!
Sziasztok!
Segítségeteket szeretném kérni, 12 volt-os feszültség stabilizátorra lenne szükségem ami elbír 6 Ampert.... igen nem kevés de sajnos van egy szivargyujtós gyorstöltőm és nagyon nem kezelei jól a feszültség ingadozást ( aliexpress ) a főbb baj ahol kiütközik a feszültség ingadozás az a szivargyújtós töltőbe bedugott vezeték nélküli töltő... na az pár napig bírja hogy ingadozik a feszültség folyamatosan aztán elkezd meghülyülni.... ki-be kapcsolat megszakítja a töltést...minden kínja van. És szeretném megspékelni a dolgot, van markoaltfűtésem is ( ez külön direktbe az akksira van kötve ) és van rajta érzékelő amint pl alapjáraton a terhelésre 11.5 volt vagy az alá esik a feszültség kikapcsol.... és amint visszatér 12 voltra a feszültség ismét fűteni kezd....aztán behuzan megint 11.5 volt alá a feszültség.... na ez a vezeték nélküli töltőnek egyáltalán nincs ínyére Próbáltam keresni neten de csak ilyen 1 Amperig találtam stabilizátort. Köszönöm aki segít!
Bocsánat elírtam, nem 6 hanem Max 4 Amper!
Egyszerű feszültség stabilizátorral nem lehet stabil 12 V -ot készíteni 14,5 - 11.5 V között változó feszültségből. Szükséged lesz egy stabil 12 V 4 A kimenetű 12 V -os buck-boost konverterre.
Valami ilyesmire.
Es egy ilyet hol tudok itthoni keretek kozt beszerezni? Mennyibe fajhat ?
Gyanítom, itthoni keretek között nem nagyon fogsz találni. Próbáld meg a RET, TME, Lomex, inkább külföldi Bangood, ebay. Használd a gugli keresőt.
Hogy mennyibe fáj, azt majd meglátod.
Hestore:
táp
Nem tudom jó lesz -é, 12 V körüli feszültségből (autó) kell stabil 12 V.
A leírás szerint ez csak step-up, azaz alacsonyabb feszültségből tud magasabbat gyártani. Szerintem olyan kell, ami 12 V -ból is tud 12 V stabil feszültséget készíteni. A hozzászólás módosítva: Dec 9, 2019
Ha jól értem az eredeti kérdést, autóba kell, ahol 14,.. voltig is felmegy az akkumulátor feszültsége. Ebből adódóan nem kell 12 voltos stabilizátor, hanem 14 voltos is jó - ezt pedig mindkét "készüléknek " ki kell bírni, mert autós cuccok..
Meg kell próbálni.
De lemegy 11,5 V -ra is, mikor indítózik. Akkor bolondul meg a telefon vezetéknélküli töltője.
Mondjuk még így is van némi bizonytalanság, mit fog szólni egymáshoz a két sorbakapcsolt kapcsitáp. A hozzászólás módosítva: Dec 9, 2019
Na, onnan meg kell csinálnia a 14 voltot pláne.
Na igen, és mit fog tenni a step-up konvertered, ha elindul a motor, és megjön a 14 V. Abból hogy lesz 12?
Abból sehogy, mert nem 12-re kell beállítani. Nem 12-t írtam.
Olvass vissza, légyszi, 15:43. ( 14 voltra kell beállítani ). A hozzászólás módosítva: Dec 9, 2019
Az se jó, 14 -ből se lesz 14, amire beállítod. Talán 16 V -ra ha állítod, már ha bírja a töltő a 16 V -ot, de azt nem tudjuk miféle töltője van. Létezik olyan szivargyújtóba való töltő, ami 12 - 24 V -ból csinál 5 V -ot, de még olyant is csak képen láttam. De az step down konverter.
De egy boost-buck konverter gond nélkül megoldja, és néhány $ az egész. Idézet: „12 volt-os feszültség stabilizátorra lenne szükségem” A hozzászólás módosítva: Dec 9, 2019
|
Bejelentkezés
Hirdetés |




". De akkoriban még a kondenzátorok sem púposodtak, meg örültünk ha valamit el tudtunk adni. Javítani meg a fene sem akart utána










