Fórum témák
» Több friss téma |
Dekoder áramkörében 1u körüli elkokat csereld ki. Majd 19kHz pontosan allitsd be.
A hozzászólás módosítva: Júl 8, 2019
CHZ ez bevált! Köszönöm szépen. Most már műszakilag 100%-os a gép.
Sziasztok!
Sikerült beszerezni egy RT6303s tunert. Ha az állandó szintű és ha a változó szintű kimenetre kötöm az erősítőt búgó hangot adva nagyon halk hang jön ezeken a kimeneteken a magnó kimenet teljesen jó. A tuner elhangolódást orvosoltam, de jó lenne ezt a két kimenetet is rendbe tenni. Van valakinek esetleg ötlete arra, hogy mi lehet a gond? A hozzászólás módosítva: Okt 23, 2019
Szia! Rossz a csatlakozó bekötésed. A jelzett kimenetekre csak a 2 (test) és 3, 5 lábakat használd!
Szia! Köszönöm a választ! Rendben, megfordítom a csatlakozó bekötést, hátha csak ennyi kell neki.
És tényleg 3-as és 5-ös lábak voltak a nyerők. Köszönöm!
A hozzászólás módosítva: Okt 25, 2019
Üdv mindenkinek.
Problémám a következö. Van egy VIDEOTON APOLLO 4301 S rádióm. Müködött az FM - AM sávon , de be kellett állitani , mert elhangolták. A Petőfi adoval kezdödött igy be kellett állitani. Sikerült beállitani skálahelyesen. De mivel sok évtizedes szutyok volt benne, kitisztitottam ecsettel és porszivóval. Összerakás után jött a probléma! NEM MÜKÖDÖTT SE AZ AM SE AZ FM. Kiprobáltam az erösitöjét, rákötöttem a magnót. Azzal szólt, igaz csak az egyik oldal. Azelött szólt mind a kettö. Mi lehet a hiba? Nem akarom elhinni , hogy egy takaritástól elromlott. Sokan legyintenek rá, de szerintem szebben szól mint a mostani " müanyag" erösitök!
Tanulság: Ne nagyon piszkáld, ha működik. Lehet, hogy kiporszívóztál valamit, amit nem kellett volna. Így most nekiállhatsz a javításnak.
Nem passzióból nyultam bele elhiheted. Ki akar szerelgetni ha nem muszáj. De hát be kellett éllitani a 88 - 94-ig. Mivel a Jazzy rádiot sokat hallgatom, az meg ugye 90.9-en van. Szóval van valami ötleted mit nézzek meg?
Tápfeszültségeket ellenőrizd, elsőre a KF fokozatban.
Üdv mindenkinek. Megoldódott részben a probléma. 2 vezeték forrasztása megadta magát ( nem csoda kb 40 éves ) Vissza forrasztottam és tökéletesen üzemel. De sajnos a magnó lejátszáskor, még mindig csak egy oldal halható.persze ha átkapcsolom monora akkor természetesen mind kettö.
Szia!
Hozzáértőnek a tuner javítása megfelelő műszerezettség mellet , nem lehet probléma. Az eddigi javítási kísérleteid nem vezettek eredményre az elektrotanyán, két fórumtárs, aki cseremodul segítségével, ezt tökéletesen megoldja, kérésre a sávnyújtást is.
Üdv.
Rádióerősítő gyengén fogja az FM adókat. Közeli adó (8km) 2-3 as térerővel veszi. Minimum 6-7 kellene legyen a 8 -ból. Sztereó működik. Szervíz könyv letölthető innen: Bővebben: Link Gondolom száradt elkókat kellene cserélni meg kis utánállítás. Mely részen kell javítani? A hozzászólás módosítva: Dec 11, 2019
Szia! Bocs hogy csak most válaszolok, elkerülte a figyelmem. Köszönöm az infót, lehet hogy érdekelne a javíttatás. Lehet tudni, hogy ki az a két ember itt a fórumon, akik cseremodul ellenében megoldanák a javítást?
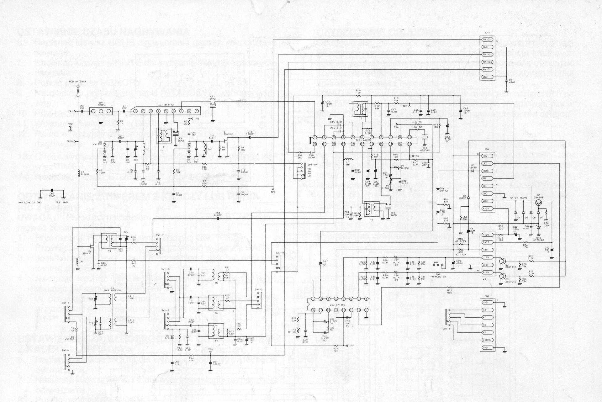
Sziasztok. Szakadt induktivitas beazonositasban kerek segitseget. Mijen neven keressem meg mekkora ertekben. Elnezest az ekezetekert,telorol irok.
Ha jól látom, az egy 19 kHz -es sztereo dekóder pilotszűrő tekercse.
Az induktivitását kiszámíthatod a C27 680 pF segítségével, amellyel párhuzamos rezgőkört alkot. A menetszámot legkönnyebben a letekert menetek megszámlálásával kaphatod. (akkor viszont számolni sem kell, ugyanannyit ugyanolyan drótból visszatekersz) Ha nem áll rendelkezésre az eredeti menetszám, feltekersz 10 menetet, megméred az induktivitását, abból meghatározod az AL, vagy ha nyitott a mag, a k értékét, és azzal már kiszámolhatod a végleges menetszámot. Mivel ezek egyedileg készültek a gyárban, bővebb információt nem hiszem, hogy találni fogsz.
Igen. Pilotszuro tekercse. 2 van delole. A jonak 90 ohm koruli az ellenallasa. A masik megvan szakadva es csak a c27 kondin keresztul megy at sovanyka hang. Megprobalom szetszedni.
Ha jol szamolok 103mh lenne az induktivitas.?
Sziasztok!
Van egy Fischer PH-W804RLO magnóm, a rádió benne még a keleti norma szerinti. Digit kijelzős, szeretném a CCIR normára áthúzni, állítólag nem nehéz, de sehol nem találok magyarul pontos útmutatót, a lengyelt meg a gugli olyan borzasztóan fordítja, hogy teljesen értelmetlen szöveg lesz a végén. Rajzot az elektrotanya oldaláról szedtem. Tud valaki segíteni? Köszi
Szerk: nem Fischer, hanem Fisher
Az első lépés, hogy a bemeneti szűrő két szélső lábát átkötöd. Megnézed az L1 tekercs menetszámát, vasmagos, vagy nem. Ha négy, akkor úgy hagyod, de ha van, a vasmagot kiveszed, hozzá tartozó C3 kondit, ha 15 pF -nél több, akkor cseréled 12 - 15 pF -re. Az oszcillátor körben L2 ugyanaz az eljárás, csak 3 menet légmagon lesz jó, ill a C10 (?) 15 pF 12 - 15 pF -re ha több, vagy ha a modulátor, és az oszcillátor körben van plusz kondenzátor az említett helyeken párhuzamosa, akkor azt kiveszed.
Ezután lehet hangolni, az oszcillátorral a állomásokat a helyére teszed, majd a modulátor kört érzékenységre hangolod. A bemeneti szűrővel nem nagyon kell foglalkozni, eredetileg azért kellett, mert az OIRT sávban a szomszéd csatornán nagy térerejű TV adó volt (lehetett) annak hatását csökkentette. A CCIR sávban ilyen nincs, de szükség lehet rá (mármint szűrőre, de nem arra, ami eredetileg benne volt), ha az adók közvetlen közelében laksz
Szia!
Mielőtt nekiáll forrasztgatni a processzorhoz keressen egy CURH programot mert a PLL nem fog menni! Üdv: Gábor
Bocsánat, az elkerülte a figyelmemet, hogy mennek drótok máshová is, azt gondoltam, hogy az csak kezelő panel. Hát az is, csak az egy proci. Bocs, hogy nem vettem észre, csak a bemenetet néztem, az pedig csak egy "közönséges RF/KF" egységnek látszik.
Így már korántsem egyszerű a helyzet
Szia!
Ahogy leírtad át lehet hangolni, utána én egy helipotot szoktam a készülék oldalára felrakni és a hangolófeszültséget arról vinni a tunerba. Nem szép de de működik! Üdv: Gábor
És akkor végül van értelmes kivitelezhető megoldás? Lengyel fórumokon valami diódákról írtak, a tekercseket nem is emlegették.
Én meghagynám a rádiót úgy ahogy van, aztán beépítenék egy kvarcos so42p konvertert. Retroelektro.uw.hu-n van egy nagyon korrekt leírás, én pont ma végeztem egy utánépítéssel és remekül működik. Ezzel a megoldással garantáltan menni fog elhangolódás nélkül. Az átfogás 1 kvarccal nem lesz meg, én egy 27Mhz-est találtam itthon ezzel a Petőfi-re meg a Rádió1-re jó is vagyok. Nagyon vad hogy szintézeres a géped, és csak oirt szerint működik. Szintézeres hangolással OIRT-on csak a VT RT7300S tunert ismertem eddig, de az tudja a CCIR normát is. Ez a Fisher elég fércmunka így, illett volna megcsinálniuk 2 normásra.
A hozzászólás módosítva: Jan 12, 2020
Köszi az útba igazítást, de én szeretném, ha a kijelző is a valós frekit mutatná, így marad a tovább keresés. Az érdekes az, hogy ugyanezt a készüléket ugyanezzel a kapcsolási rajzzal készítették CCIR sávosra is, a nyugatabbra élő vevők számára. Egy már megszűnt román fórumon találtam olyan bejegyzést, hogy négy, fizikailag egymás mellett lévő dióda variálgatásával próbálkozott az illető, félsikerrel. Valószínű, hogy az a D4-D5-D6-D7 sor lehetett. Azt írta, hogy egyiknek-másiknak felemelte az egyik lábát, illetve volt, amelyiket fordítva kötötte be. Lengyel fórumokon (mi mindenre is jó ez a gugli fordító...) is diódákat emlegetnek, de sajnos a fordítás olyan érthetetlen, hogy nem tudok rajta elmenni.
Lehet valami értelme a fentebb említett diódák piszkálásának? Esetleg egyes tekercsek megváltoztatásával vihet ez valami eredményre? Köszi
Néztem a rajzokat amit fentebb feltettél. Hátha van lehetőség vagy valami utalás a normaváltásra ami esetleg csak nincs kivezetve az előlapra. Van a procinak a "CE" lába nem tudom ez mit jelent, de kíváncsiságból megszakítanám azt a vonalat, hátha úgy átváltódik a proci beállítása. Ez tényleg csak egy elképzelés lehet hogy ez valami más és köze sincs az elképzeléshez. Esetleg a panelt nézd meg figyelmesen hátha van valami felirat ami utalhat a 2 norma lehetőségére. Az tény hogy készült 2 normával, de hogy ezt külön procikkal, programokkal oldották-e meg vagy egyfélével aminek a beállítása esetleg valami átkötéssel (jumperrel) módosítható, ezt csak a gyár tudja/tudta. Ha a gyárban külön procikat, illetve programozást használtak akkor nem fogod tudni nyugatira megcsinálni a kiírást. Legvégső esetben ott a konverter ami biztosan működő megoldás.
|
Bejelentkezés
Hirdetés |







. 



