Fórum témák

» Több friss téma
Fórum » Quad 405-ös erősítő tapasztalatok és hibák
Lapozás: OK   379 / 406
(#) reloop válasza steve68 hozzászólására (») Nov 23, 2019 /
 
Az eredmény az odaadó közreműködésednek köszönhető, részemről csak a rutin eljárást futtattam le immár sokadjára.
A műveleti erősítőt NE5534-re cserélve már látványos a javulás, ettől kisebb zajú és torzítású IC-k terén a határ a csillagos ég. A nyolc lábú, egy erősítőt tartalmazó integrált áramkörök csereszabatosak.
A mellékelt ábrán bekarikáztam az eltávolítani ajánlott alkatrészeket.
(#) steve68 válasza reloop hozzászólására (») Nov 23, 2019 /
 
Köszönöm szépen, további jó hétvégét!
(#) mateatek hozzászólása Dec 8, 2019 /
 
Tisztelt Hozzáértők!

Egy ismerősömnek segédkezek összehozni egy 405-ös végfokot. Adott két végfok panel, aminek a végtranzisztorai 2N3442-es típusok. Azt szeretném eldönteni, hogy milyen feszültségű hálózati transzformátort válasszak az erősítőhöz? Mekkora feszültségről járatható biztonságosan ez a végfok 8 ohmos terhelésen?

Előre köszönöm a válaszokat.
(#) Dióda válasza mateatek hozzászólására (») Dec 9, 2019 /
 
2x35V amiből 2x50v lessz. A 2n3442 bírni fogja a feszt simán.
(#) mateatek válasza Dióda hozzászólására (») Dec 9, 2019 /
 
Köszi a választ. Persze a kérdést sem jól tettem fel. Teli vagyok olyan trafókkal, amik ennél nagyobb feszültséget szolgáltatnak. Egyenirányítás, szűrés után 2x65 volt. A tranzisztor még csak-csak bírná ezt, de mit szól az áramhoz? Vagy ezt a túláram védelem korlátozza?
(#) Dióda válasza mateatek hozzászólására (») Dec 9, 2019 / 1
 
Állítólag korlátozza de én sosem bízok ebben inkább alá szoktam egy picit lőni biztos ami biztos.
Ráadásul ugye ez már nem a hivatalos működési tartománya a végfoknak ekkora feszről így lehet egy rossz ziccer és pukk. Szívem szerint inkább járatnám 2x50v alatti feszről. A magasabb fesznek nincs hozadéka ennél a végfoknál így ahogy van eredetiben. Inkább nézd meg nem-e lehet esetleg valamelyik trafót letekerni egy kicsit hogy 50v alatt maradj vele.
(#) mateatek válasza Dióda hozzászólására (») Dec 9, 2019 /
 
Köszi, igazából erre voltam kíváncsi, hogy mit szól a nagyobb feszültséghez.
Akkor kutatok hozzáillő trafót.
(#) Tiggey válasza mateatek hozzászólására (») Dec 10, 2019 / 1
 
+-60V-ig el lehet menni, de ott már némi alakítás szükséges. Quad-405/200W verzió is létezik. Teljes tranzisztorkészlet cserével +-70V-on is képes stabil lenni még 4 ohmon terhelve is, de nincs értelme. (én próbáltam, nem arra való) Ha nem akarsz nagyon belenyúlni, nem faldöngetés a cél, akkor maradj +-50V környékén.
(#) mateatek válasza Tiggey hozzászólására (») Dec 10, 2019 /
 
A célom csak az, hogy milyen trafót szerezzek hozzá úgy, hogy biztonságos maradjon a dolog. Nem akarok utólag javítgatni.
Nem saját lesz, tehát ha találtam volna olyan trafót, ami +-40 voltot tud egyenirányítás után, akkor az már rajta lenne kérdés nélkül.
(#) Tiggey válasza mateatek hozzászólására (») Dec 10, 2019 /
 
Az hogy mennyire lesz "biztonságos" az építéstől függ. +-40V-ról is lehet durrantani, de kellő hűtéssel 4 ohmos terhelésen is stabil lesz.
(#) oatis hozzászólása Jan 9, 2020 /
 
Üdv! Van egy pár urbán féle quadom tl071-es elő fokozattal és bd249c végekkel. Szerintetek érdemes kicserélni őket OPA604 ic-re? Ha jól láttam hogy a ludvig féle verzióban már az utóbbi került felhasználásra. Vagy javulást magában nem hoz?
(#) CIROKL válasza oatis hozzászólására (») Jan 9, 2020 / 1
 
Igen
(#) djhans válasza reloop hozzászólására (») Jan 10, 2020 1 / 1
 
Az a tapasztalat, hogy nem érdemes OPA vagy LT műveleti erősítőket beletenni. Annyival már nem lesz jobb. Sajnos hosszabb távon fárasztó a hangja.
(#) Johnny0004 válasza djhans hozzászólására (») Jan 10, 2020 / 1
 
Kinek a tapasztalata? A Tiéd? Ezek szubjektív, saját érzések, ami neked "fárasztó", másnak lehet tökéletes hang. Így kár ilyet leírni.
(#) Alkotó válasza oatis hozzászólására (») Jan 10, 2020 / 1
 
NE5534-et tegyél bele. Ez az értelmes határ.
(#) reloop válasza djhans hozzászólására (») Jan 10, 2020 / 2
 
Nincs okom kételkedni a megfigyelésedben, de azt figyelembe kell venni, hogy a jelerősítés nagyobb részét a műveleti erősítő végzi, tehát annak zaja és torzítása meghatározó.
A hangfrekvenciás tartomány legalsó részét leszámítva a tranzisztoros fokozat teljesen önállóan működik. Ebben a körben bizony adódhatnak olyan hibák, például a passzív alkatrészek szórása, a félvezetők paraméterei, vagy NYÁK kialakítása miatt, hogy abban elvész a nívósabb műveleti erősítő minden előnye.
Nem állítom, csak elképzelhetőnek tartom, hogy egy zajos IC jótékonyan elfed bizonyos torzításokat.
(#) mek-elek válasza Johnny0004 hozzászólására (») Jan 10, 2020 1 /
 
Már bocsi, hadd írhassa le valaki a véleményét a Te méltatásod nélkül.
(#) Skori válasza oatis hozzászólására (») Jan 10, 2020 /
 
Ha IC foglalat van beültetve a nyákba, akkor könnyen ki lehet próbálni sokféle opamp-al. Az opamp minősége nyilván befolyásolja a hangminőséget, de egy bizonyos határ felett nem lesz különbség. Pl. mert mondjuk a jelforrásodban is esetleg opampokon megy át a jel, és azok is hatással vannak a hangminőségre. Annak idején amikor a QUAD405 afféle etalonnak számított, és mindenki azt építette, akkor a TL071 volt az elérhető legjobb opamp a quadhoz, (legalábbis az eredeti opampoknál szerintem jobb, a uA709-el és uA741-el épített verzióknál pedig sokkal jobb volt). Az olcsó kategóriában elérhető volt még az LF356, amivel eléggé hasonlóan szólt mint TL071 opampal, de nekem pl. egy hangyányit jobban tetszett azzal. A modern opampokból hatalmas választék van, ha van rá keret, akkor érdemes bevásárolni pár félét, és meghallgatni vele az erősítőt... mindenki más típusra esküszik.
Ezen kívül pedig nyilván a többi alkatrész minősége is kihat a hangminőségre. Pl. az sem mindegy hogy az opamp tápja mivel van hidegítve. Annak idején pl tantál kondikat használtam. Ha ma csinálnám, akkor eleve nem egy zajos, zener diódás tápot adnék az opampnak, SMD kerámia kondival + esetleg polimer kondival hidegíteném.
A hozzászólás módosítva: Jan 10, 2020
(#) oatis válasza Skori hozzászólására (») Jan 10, 2020 /
 
Szia! Igen foglalatosak, mert cseréltem már őket. Most az egyikben tl071, a másikban NE5534 van azt hiszem, gondoltam egy próbát megérhet, ha nem kell a panel többi részét megbolygatni, vagy esetleg csak kicsit kell. A panelt nem szándékozom újra építeni. Esetleg az urbánosba még valami tuning lehetőség van ami, egyszerű de nagyszerű? a végen BD249c és 244c van ha jól emlékszem és 2x35V-os 300VA toroid trafó kergeti őket.
Táp szűrésre mit javasoltok? Jelenleg 2x10000uf 63v elko van és slussz. Különösebb zajt nem hallok de mindig van jobb meg újra kéne tennem, mert csak bele van dobva a dobozba jóformán.
A hozzászólás módosítva: Jan 10, 2020
(#) Skori válasza oatis hozzászólására (») Jan 10, 2020 /
 
Attól függ mennyire vagy hajlamos hekkelni kicsit a dolgokat. Pl. a visszacsatolásban levő 100µF-os polarizált elkó nem túl szép megoldás, mert a polaritástól függően asszimmetrikus viselkedést mutat, ami páros felharmonikusok keletkezésének kedvez (ettől kicsit "fémesebbek" lesznek a mély hangok). Ennek a helyére pl. be lehet hekkelni 2db, szembe kapcsolt 220µF-os szembe kapcsolt kondit. Ha mosfet bemenetű opampot raksz az erősítőbe, akkor célszerű lehet ennek a kondinak a maximális feszültségét zenerekkel korlátozni, mert az erősítőnek elég nagy a kikapcsolási tranzinse, és ennek az impulzusnak egy része visszajut az opamp bemenetére. Ha az opa bemenetén nincsenek védődiódák, akkor a bemeneti MOSFET-ek gate-je sérülhet. Ettől többnyire nem megy tönkre egyébként, csak utána hangyányit rosszabbul szól a végfok, és jön a (hibás) következtetés, hogy ez az opamp nem jó a quad-ba... Azaz a behekkelt két kondira párhuzamosan mehet még két szembekapcsolt zener is, és még lehetne sorolni....
(#) Ge Lee válasza oatis hozzászólására (») Jan 10, 2020 /
 
Valamikor 20 éve még én is itt tartottam, jobb nem lévén nekem is a Quad volt az "etalon", játszottam is vele elég sokat. Az olcsóbb műveletik közül nekem az LF356 jött be hangra, már ha hangzásra gyúrsz, de a jóval drágábbakkal sem igazán lett jobb.
Ma meg ott tartok, hogy valószínűleg már ebben az életemben semmilyen félvezetőssel nem fogok küszködni, mert számomra létezik a csöveseknek egy olyan világa, ami teljesen más, és amit egy félvezetőssel ha megfeszül az ember sem lehet utánozni.
Egyébként az én véleményem az, hogy a Quad-nak az A osztályú fokozata a lelke, az összes többit ami előtte meg utána van érdemesebb lenne kihajítani onnét.
(#) Skori válasza oatis hozzászólására (») Jan 10, 2020 /
 
Az opamp tápján levő 10µF-os kondik tapasztalatom szerint nem tudják kellőképpen elnyomni a zenerek zaját, mivel a zener kicsi dinamikus ellenállása összemérhető a kondi impedanciájával. Ide egy legalább 100µF low esr elkó + 1µF SMD kerámia kondi kellene párhuzamosan (és/vagy a zener és a kondi közé egy plusz ellenállást "beszúrni", hogy aluláteresztő szűrőként viselkedjen a zajra nézve, ha megoldható)....
(#) oatis válasza Skori hozzászólására (») Jan 10, 2020 /
 
A hajlam természetesen adott, Csupán annyi hogy nem szeretném panelestől újra építeni.
A C2-100uf-ra gondolsz? Azt hogy tegyem be, lét +lábat kössek be?
(a fémes hang ismerős, igaz nem őrjítő csak olyan érzés mintha..., eddig ráfogtam a hangfalra, de akkor lehet nem is az a ludas???). Milyen értékű zener dióda kell? Zenereket is sorban egymással?

q405uj.gif
    
(#) oatis válasza Ge Lee hozzászólására (») Jan 10, 2020 /
 
A csöves erősítő még bakancslistás nálam. Az igazság az, hogy semmi forrásom nincs hogy melyik az, amit meg szabad építeni, semmi jártasságom a csövesek között. Esetleg tudsz ebben segíteni?
(#) Johnny0004 válasza mek-elek hozzászólására (») Jan 10, 2020 /
 
Én is hadd írjam le a Te méltatásod nélkül, köszi.

oatis:
így gondolta Skori:

Mérés.png
    
(#) oatis válasza Johnny0004 hozzászólására (») Jan 10, 2020 /
 
Ok, köszi. Ha jól látom akkor 220uf 6v tantál kondik, meg 2db 1N4148 dióda? Vagy elko is megfelel?
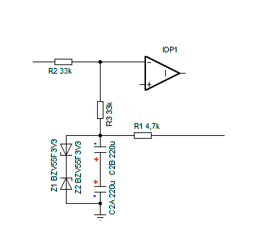
(#) Skori válasza oatis hozzászólására (») Jan 10, 2020 /
 
Valami ilyesmi, mint amit csatoltam. Régebben sima diódát használtam, de ma már nem úgy csinálnám. 3...4V körüli zener diódákat használj, a pontos érték nem kritikus.
A hozzászólás módosítva: Jan 10, 2020

quad_vcs.png
    
(#) Ge Lee válasza oatis hozzászólására (») Jan 10, 2020 /
 
Jujujj, ez ingoványos talaj, amire leginkább az a jellemző, hogy kizárólag magadon tudsz segíteni. Én égész életemben rühelltem a csöveseket, és meg voltam róla győződve hogy azok nem jók. Persze, mert a zöme tényleg olyan. De van nem olyan is, és ezt csak Te vagy képes megtalálni, mert bármiféle külső segítség csak még inkább tévútra visz, a legjóhiszeműbb segítő szándék ellenére is. Tehát fel kell húzni a cipőt, és el kell indulni hallgatózni, máshogy ez nem megy. Ahogy mások sem, úgy én sem mondhatom meg senkinek sem a tutit.
(#) Skori válasza oatis hozzászólására (») Jan 10, 2020 /
 
Szerintem cseréld le a bakancslistádon a csövest valami másra, pl. D osztályra, de valami olyanra ami jól szól, vagy ott van a másik témában a "földelt kimenetű erősítő", vagy valami egész másra ami nem hangtechnika.
(#) oatis válasza Skori hozzászólására (») Jan 10, 2020 /
 
Hű, hát föl adtátok a leckét... Na majd meg vizslatom azt a D osztályt. Persze azzal megint az lesz a bajom, hogy fogalmam nincs melyik az, amit meg szabad belőle építeni.
Köszi a rajzot! Kipróbálom.
Következő: »»   379 / 406
Bejelentkezés

Belépés

Hirdetés
XDT.hu
Az oldalon sütiket használunk a helyes működéshez. Bővebb információt az adatvédelmi szabályzatban olvashatsz. Megértettem