Fórum témák

» Több friss téma
Lapozás: OK   1 / 7
(#) Báddzsó hozzászólása Máj 12, 2006 /
 
Heló mindenki! Egy olyan kapcsolásra lenne szükségem ami alapállapotban (resetelés, bekapcs után) állandó logikai 0 et ad ki, és logikai 1 jelre meg megváltoztatja a kimenetet 1-ra és ott is tartja hiába kap utána megint 0et.
Szerintem ehhez egy buffer kellene aminek a kimenetét belekötném a bemenetére +1 felhúzoellenállás a bemenetre, és ha megszakítom a kimenet-bemenet közti vezetéket akkor log 1-et kap -a felhuzóR miatt- és átvált log 1 re, innentől kezdve ott is marad.?? ha az elgondolásom jó akkor kérnék egy full 1*ű buffer áramkört (ha ez az) (kicsi a hely ahova építeni akarom, nyák: 13*16mm (smd lesz))

ha nem akkor valami mást ami jó

néztem neten, de csak olyat találtam ami fordítva müxik tehát 1re 0ra vált, 0ról 1re
(#) Báddzsó válasza Báddzsó hozzászólására (») Máj 12, 2006 /
 
schmitt trigger is jó lesz asszem, valaki egy egyszerű kapcsolást monnyuk lm833-mal? (ez van itthon smdben)
(#) opix válasza Báddzsó hozzászólására (») Máj 12, 2006 /
 
Csak annyit szeretnél, hogy ha 0ról 1re billented a kapcsolót akkor a kimenet 1re billenjen? És utána bármit csinálsz a kapcsolóval, akkor a kimenet ne változzon?

Ehhez elég egy AND kapu, meg 1-2 ellenállás.
(#) opix válasza opix hozzászólására (») Máj 12, 2006 /
 
Itt a rajz!
(#) pakibec válasza Báddzsó hozzászólására (») Máj 12, 2006 /
 
Szia!

Ha találtál olyat, ami fordítva müködik, csak köss utána egy invertáló kaput és kész.
Schmitt trigger nem jó szerintem, mert 1/3 táp alatt visszaáll 0-ba.
Üdv
(#) dilan válasza Báddzsó hozzászólására (») Máj 12, 2006 /
 
Tirisztor+ellenállás. Amit leírtál, sztem azt megcsinálja.
(#) Báddzsó válasza pakibec hozzászólására (») Máj 12, 2006 /
 
jah.. csak sajna az nem férne már el a nyákon...
(#) Báddzsó válasza opix hozzászólására (») Máj 12, 2006 /
 
nem hiszem, hogy ez jó lenne, mert úgy kéne nekem, hogy szakadás után beállna egy helyzetbe és ott maradna, nem pedig a zárásra, azért kössz
(#) Báddzsó válasza dilan hozzászólására (») Máj 12, 2006 /
 
esetleg részletesebben?
(#) Báddzsó válasza Báddzsó hozzászólására (») Máj 12, 2006 /
 
elmondom 1*űbben mit szeretnék : van egy kapcsoló (gomb) alapállapotban zárva(!) ha egy pillanatra megnyomom a gombot gyulladjon ki egy led, és maradjon úgy.

vagy : a-bekapcsolás-óta-megnyomták-e-már-a-gombot-visszajelző berendezés

fontos, hogy alapállapotban zárt legyen a kapcsoló(gomb)!

(#) tszaboo válasza Báddzsó hozzászólására (») Máj 12, 2006 /
 
Opix kapcsolása pont ez amit leírtál. Ha a kapcsoló után teszel egy NOT kaput, akkor megszakításra működik, ha nem akkor kapcsolásra.
(#) opix válasza Báddzsó hozzászólására (») Máj 12, 2006 /
 
Ezt ilyen pici helyre nem olyan egyszerű megcsinálni.
Rengeteg módon meg lehet csinálni, de nem 1-2 alkatrészből.
(#) dilan válasza Báddzsó hozzászólására (») Máj 12, 2006 /
 
A bemenetre érkező impulzus a tirisztort nyitott állapotba vezérli, melynek következtében a kimenet H szintre kerül és ezt az állapotot a tápfeszültség megszünéséig megőrzi. Nem számoltam utána, nem biztos, hogy ez kell, de pl. valami hasonlóval is lehet. A lehetőségexáma végtelen... :yes:

t.GIF
    
(#) Sebi válasza Báddzsó hozzászólására (») Máj 12, 2006 /
 
R-S flip-flop a megoldás...

ff.GIF
    
(#) Báddzsó válasza tszaboo hozzászólására (») Máj 12, 2006 /
 
ok lenne, de honnan szedjek egy and kaput meg egy not kaput, mert ezek általában 6 v 8 a csomagban vannak egy icében....... sőt ezek a ritkábbak (and, not)


és egy nand-al nem lenne vhogy összehozni????

(#) opix válasza Báddzsó hozzászólására (») Máj 12, 2006 /
 
NAND-al

Egy IC-ben van 4 db, abból 3-at felhasználsz.
(#) Báddzsó válasza opix hozzászólására (») Máj 12, 2006 /
 
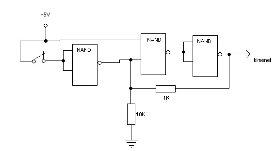
én kettővel megcsináltam az előbb... circuit maker szerint jó is!: csak ajánlani tudoim mindenkinek! (baloldali a reset gomb)

nandos.wmf
    
(#) Chip válasza Báddzsó hozzászólására (») Máj 12, 2006 /
 
"Ha találtál olyat, ami fordítva müködik, csak köss utána egy ....." 1db ellenállást és 1db tranzisztort, az smdből elég pici. (földelt emitteres kapcsolás, ellenállás a bázisra)
(#) Báddzsó válasza Chip hozzászólására (») Máj 12, 2006 /
 
kössz, deasszem most nekem jó lesz a saját megoldásom , eddig ez a legsegyszerűbb amit találtam/csináltam...
(#) Slope válasza opix hozzászólására (») Máj 12, 2006 /
 
kettő NAND-ból lehet inverz RS-t csinálni, 4-el kapuzhatót, 2 kétbemenetű és 2 hárombemenetűből presetelhetőt, 8db NAND kapuval pedig Master-Slave RS FF.
(#) Báddzsó válasza Slope hozzászólására (») Máj 12, 2006 /
 
aha sztem te ezt nagyon vágod, mit gondolsz arról amit csináltam, nem hagyható le egy-két ellenállás?

(nandos.wmf a neve)
jah egyébként én ezt a 40107-es icvel gondoltam
(#) Báddzsó válasza Báddzsó hozzászólására (») Máj 12, 2006 /
 
circuit maker szerint lehagyható, de nemtom...
?
(#) Báddzsó válasza Báddzsó hozzászólására (») Máj 12, 2006 /
 
nemjó, nem müxik se 74hc00-val sem, cd4011b-vel sem ??
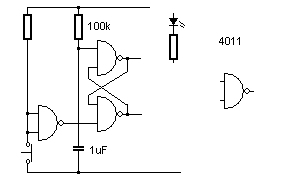
(#) Sebi válasza Báddzsó hozzászólására (») Máj 12, 2006 /
 
Az enyém? Az tuti jó. A wmf-ben látható elég instabil lehet, és nem tudom mi biztosítaná a bekapcs utáni reset-et? Nálam ott az RC-tag, ha nyomógombos reset is kell, akkor a kondival párhuzamos nyomógomb (egy soros 470ohm-mal hogy ne égjen be) megoldja a dolgot.
(#) Báddzsó válasza Sebi hozzászólására (») Máj 12, 2006 /
 
hmm, az van hogy most mi az az odadobott led+r ? mintha hiányoznának a vonalak....
vagy csak én nem értem???
hová meg a fesz, hova a led?
(#) dbase válasza Báddzsó hozzászólására (») Máj 12, 2006 /
 
Egy öntartós relé és kész.Alap kapcsolás, és lehet kicsi relét is kapni.
-Vagy:kell egy vagy kapu , és egyik bemenetére a kapcsoló(de csak alapnyitottas)és másik bemenetére a kimer csatlakozva kondi- vagy ell vagy dióda kellékekkel ha öszegerjedne.
Ha egyik menetre jel kerül a kiemenet + lesz.1 e bemenet a kapcsolo 2 es az öntartó rész.
(#) Sebi válasza Báddzsó hozzászólására (») Máj 13, 2006 /
 
Mint mindig: a led anód oldala megy a tápra, a katódja meg arra a kimenetre (itt két ellentétes állapot áll mindig rendelkezésre) amilyen kijelzést akarsz. Tehát megteheted hogy pl 1 zöld LED világít mindaddig míg a nyomógomb 1szer megszakít, utána elalszik és resetig úgy marad. Vagy: a másik kimenetre kötsz 1 pirosat, ami akkor lesz aktív amikor nyg volt és úgy marad resetig. (vagy mindkettő)
(#) damatic válasza dbase hozzászólására (») Máj 13, 2006 /
 
Napi Csát!

Fox 1 tirisztort, 100k-val felhúzod tápra a vezérlő lábacskáját, azt a pontot meg az alap helyzetben zárt érintkezőjű nyomógomboddal földre húzod.

Ebből következik, hogy amikor fesz alá helyezed a kapcsolást, földponton lesz a gate, majd ha egyszercsak valaki benyomta a gombot, a kapu tápra ugrik, és mindaddig feszt kap a tirisztorral sorba kötött fogyasztód, amíg meg nem szakítod valahol a tápvezetéket, attól függetlenül, hogy hányszor nyomogatják a gombot.
(#) Báddzsó válasza damatic hozzászólására (») Máj 13, 2006 /
 
így??? és a többi lábához mit? bocsi, de a tirisztorok nagyon távol állnak tőlem...
ja meg
Idézet:
„azt a pontot”
melyik pontot, a tápot a földre húzom??

tirisztor.GIF
    
(#) Báddzsó válasza Báddzsó hozzászólására (») Máj 13, 2006 /
 
Így????

tiri.GIF
    
Következő: »»   1 / 7
Bejelentkezés

Belépés

Hirdetés
XDT.hu
Az oldalon sütiket használunk a helyes működéshez. Bővebb információt az adatvédelmi szabályzatban olvashatsz. Megértettem