Fórum témák
» Több friss téma |
mondtam ,hogy a kondikat cseréld ki a tápjából 105C-os jó minőségükre és akkor nem lesz gond
csinálta már valaki áramgenerátor nélkül? és ha igen, akkor meddig bírta?
én sima tápal csináltam meg + egy 5 voltos stab ic + egy ellenállásal beálitoam az áramot ennél egyszerübb és jobb nincs
én is így tervezem, de ahogy melegszik a lézerdióda úgy nő az áramfelvétele és ha nagyon megnő akkor kiég...úgyhogy ha rakok rá hűtést (esetleg ventilátorral) akkor nemtud melegedni vagyis nem vesz föl annyi áramot és nem ég ki, áramgenerátornál ez nem lenne probléma mert egy beállított értékű áramot ad
jha és a stab IC-vel (lm317) a feszkót állítod be nem? attól az áram ingadozhat
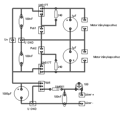
az lm317 áramgenerátorként is lehet használni.az adatlapban lásd 17,18,20..oldal
a táp mégse a DVD táp lesz mert nem tud elég áramot szolgáltatni, meg nincs kedvem cserélni a kondikat, inkább összedobok egy egyszerű tápot.
gondolom elég a trafó a Graetz és egy pufferkondi
na végre már egy ideg mind eszt mondom neked
most kimértem a lézernek az áramát (egy smd ellenállat van sorba kötve vele az áramkörön kívül), 21mA-t kaptam ahogy átszámoltam elemről, adok neki 20mA-t.
A rajzon lévő kapcsolást csináltam meg gyors mégcsak légszerelésben (csak a lézer meghajtó részét, de motorral terheltem a tápot és nem változik sem az áram, sem a feszültség).
most jöhetnek a motora tükrők és a beálitások és kész is vagy
Igen, csak még normálisan összerakom panelra meg berakom az egészet egy PC táp dobozba. Ja még a tükröt kell "felvágni" 2db 1x1cm-es darabokra, oda ugye üvegvágó kell?
rendben... én csak ugy összeraktam, de én is valoszinüleg fogok csináni egy rendes dobozt neki, az üvegvágora szükséged lesz :yes:
akkor jó lesz az 1x1cm-es tükör? nem lesz kicsi?
nem nem én akorákat használtam
ok, köszi a segítséget :yes:
(megyek gálvölgyit nézni )
szivesen
A motor tengelyére csak simán ragasszam a tükröt, ne rakjak rá valami kis akármit a motor tengelyére amin jobban megragad a tükör?
Természetesen tegyél a motor tengelyére egy kis csigát, amin a "szíj" szokott lenni, pl cd, dvd írókban, wlkman stb ilyesmikben bőven találsz. És majd ehhez kell úgy ragasztanod a tükört, hogy nem pont ráteszed, hanem pl a tükör egyik oldalára ragasztol 3-5 csík szigetelőszalagot, így nem merőlegesen fogod a csigára ragasztani a tükört és így töri meg a lézer sugarát
én felmelegitett müanyag ragasztóval egyszerűen ráraktam a tengelyére igy is megáll a tükör kis súlya miatt.
van ragasztópisztolyom, de attól félek, hogy egy idő után "elengedi", úgyhogy lehet hogy pillanatragasztóval kéne...
Én pillanatragasztóval rögzítettem arra a kis csigára, ami a motoron volt alapban.
Közben épül az én lézershow-m is, majd egyszer csak elkészül...
Kipróbálom ragasztópisztollyal, ha nemfogja meg normálisan, akkor jöhet a Ferrobond
Amúgy szerintem megfogja azt a kis 1x1cm-es tükördarabot...
Oké, cak vigyázz, sokadik használat után le ne repüljön, mert nagyon veszélyes tud lenni...
hi!
Én a technokolos megoldást választottam, 24 óra száradás után elég biztosan fog. A tükörre centrifugális erő hat amit a technokol el tud viselni, ha tengelyirányú erő hatna akkor lerepülne. Vagy ha ez nem megy akkor vegyél FSB ragasztót (szilikon tartalmú) na ha ez nem fogja meg akkor semmi se, ezzel szoktak akváriumot ragasztani, szóval eléggé strapabíró.
oksa, de előtte ragasztópisztollyal próbálom ki aztán meg pillanatragasztóval
Pillanatragasztó megfogja jó erősen! Nem kell aggódni, nem repült le még tudtommal senkinek!
Valaki meg probálta már h valami más tükrözö felületel h müködik? pl: cd-vel vagy aluminium tükörrel elég vékony és könnyű
cd->nem eléggé veri vissza és amit visszaver azt is picit szétszórja
alu tükör->mivel hajlik, nem tuti hogy pontot kapsz, lehet hogy csík lesz a lézerből miután visszaverte
üdv
Ezt a lézert érdemes megvenni? Vagyis erre e célra megfelel? http://www.hqvideo.hu/info/hu/le_m0005-655.html
hay
lasernek valo tükröt egy rosz lap scannerböl ki bányázhato általába ez egy 15x200x1mm éretö tükör! ragasztani meg csak epoxi tartalmu ragasztoval érdemes !mügyanta" vanak 5perces ragasztok belöle elég gyorsan meg is száraz aztán kalapácsal lehet csak leszedni! pilanat ragaszto és ecet tartalmu sziloplasz egy idö után megvakul a foncsor! :no: |
Bejelentkezés
Hirdetés |






)





