Fórum témák
» Több friss téma |
Ugyanilyet használok, szerintem megfelelő erre a célra. Gondolj csak arra hogy itt jópáran piaci pointert használnak (<1mW) és ez a cucc 5mW-os.
Zenetom! Én azt a "fejet" használtam a motorokon amikre a szíjak vannak rakva, azt megreszeltem ferdén és így jól lehet felragasztani a tükröt.>
köszi
Akkor szterintem meg is vásárolom.
Ha ilyenBővebben: Link alakzatot szeretnék csinálni akkor ehez két motor 1 ilyen lézerBővebben: Linkl elég hozzá ugye?
És ez az elektronika jó ugye? Nem kell hozzá semmi más?
Két motorral tökéletes lesz! A pointered érdekében egy áramkorlátozó ellenállást betennék (abból nem lehet baj, ha ott van!)! Ha jól láttam, akkor a pointert 60mA-rel lehet hajtani!
a tükröt melyik oldalánál kell vágni? az üvegesnél, vagy ahol a fém van?
én az üveges részénél vágtam. lett, amelyik rossz lett, azt kidobtam. a jót pedig megtartottam
Hát nem nagyon vágom még az elektrót.Még tanulás alatt áll.Ezért megkérdem,hogy az áramkorlátozó ellenállást hová kellene beíktatni?
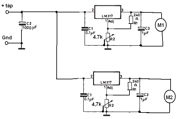
Tudnál nekem egy rajzot készíteni róla? Előre is nagyon szépen köszönöm.
A képen látható ZPD-s diódát milyen diódával lehetne helyettesíteni?
hát nekem nagyon nem megy ez a tükörvágás
:no:
Mindent ki kell próbálni
ha valakinek nem sikerül üvegvágóval akkor próbálja meg úgy, hogy papírzsebkenővel lefedi (nehogy megkarcolja a fogó) és kombináltfogóval letöri . Nekem sikerült De be is repedhet úgyhogy csak akkor ha van még tükör!
Hát helyettesíteni szerintem nem nagyon lehet, de ha ez segít az egy 3,6V-os zéner dióda.
értem ,köszi
És ha én azt szeretném,hogy a számítógépről tudjam vezérelni ahoz mi kellene még? (különböző alakzatokat tudjak csinálni)
Azt nagyon nehéz (szerintem) házilag kivitelezni, az elég bonyolult DMX vezérlést igényel... nézz át a dmx-es topicba.
Értem, akkor amarad ez
![]() Ez is nagyon szupi. Vagy esetleg valami más látványosat leheten még vele csinálni?
háhááá
![]() Nos igen... most én már több hete próbálkozom vele... Régebben csináltam egy ilyen "lézer show-t" mi egy 1mW-os lézerdiódából meg 2 dc motor potméteres szabályzásával működött... (amit egy deszkára feldobáltam és így hagytam) Aztán úgy döntöttem, hogy a félig kész munkáimat befejezem... Vettem egy nagyobb teljesítményű lézerdiódát, elkészíttettem a dobozát (fémdoboz) És amivel kiegészítem... A dobozon belül lesz egy tálca, amin a lézerdióda van, 2 DC motor + 1 léptetőmotor és az egész tálcát egy léptetőmotor forgatja jobbra-balra fogaskerék áttételekkel. A léptetőmotor vezérlést knight rideres futófénnyel tervezem vezérelni, hogy a ledek helyére a motor kivezetéseit kötöm, a knight rider fényt meg egy tapskapcsoló hajtaná meg, így nem lenne az, hogy állandóan oda-vissza járna a motor. Ez ugyebár azt eredményezi, hogyha valahova felrögzíted a lézert, akkor nem csak egy adott pontba vetíti az alakzatokat, hanem jobbra, balra és a tálcán elhelyezett léptetőmotornak köszönhetően le és fel is... A DC motorok vezérlését autómatikusan szeretném megoldani, tehát valahogyan vagy 555-ös IC-vel de inkább PIC-et kellene felprogramozni, hogy X másodpercenként autómatikusan lépjen a következő alakzathoz. Lesz benne egy időzítő is ami azt a cél szolgálja, hogy ne melegedjen túl a lézer, tehát 15 percig megy, 5 percig pihen, majd visszakapcsolja önmagát, ezt is teljesen autómatikusan. Ebből idáig maga a lézer meghajtás (modul) van megoldva, esztergáltattam a motoroknak tartót, meghajlítottam a tálcát, amire felszereltem a DC motorokat és a lézert. Most olyan gondba vagyok, hogy nem nagyon tudom hogyan rögzítsem fel a léptetőmotort, hogy jó legyen. Akkor magát a tálcát is felkellene tenni a dobozra (most esztergáltatok tengelyeket, amik a fogaskerekeket tartják majd) Kiderül, hogy mennyire lesz jó a mechanika... De mindezek előtt le kell gyártanom az összes kapcsolásnak a nyákját, lehet, hogy nem is fog működni a léptetőmotor a knight rider fénnyel (bár szerintem menni fog )A következő panelokat kell még legyártani: 2db knight rider fény 2db tapskapcsoló 1db PIC-es DC motor vezérlés + felprogramoztatni a PIc-et 1db Időzítő Lesz még vele munkám (És nem csak nekem )
Hú az frankó lesz nagyon.
Lesz vele munka dögivel. Ám ha én veszek olyan lézert amilyet írtam azt mennyi ideig lehet folyamatosan használni? Ja és a fontos kérdés ez nem károsítja a szemet?
Meg építettem egy ütemvezérlőt, ami egy mikromotort (áttételes DC motort) hajt. Potival lehet állítani az érzékenységét basszusra lép tovább és forgásirányt is vált magától.
Majd ezen gondolkodom még, hogy tegyek-e tükröket 1x1cm-esket egy pinponglabdára, azt meg a tengelyére és a lézert rávetíteni, de nem szeretném már ennyire túlkombinálni... Örülnék ha az meglenne amit a fentebb leírtam. Esetleg valaki tudna segíteni, hogy ez milyen üveg, vagy ezt hogy lehet előállítani, ami a képen van. Tehát 1 pontból világít a lézer és az öveg úgy töri meg, hogy sok irányba megtöri a sugarat
Még saját magamat kiegészítve.. nem is vettem a lézer diódát hanem DVD íróból szedtem ki.
Amik a discoban vannak piros lézerek, azok kb 80mW-osak. A DVD író diódája is kb ilyen nagyságrendő. Tilos közvetlenül belenézni a lézerbe, mert vakságot is okozhat, akár 1-2 másodperc alatt. Ha folyamatosan járnak a tükrök, amik megtörik a fényt, akkor nem gond ha valaki belenéz amíg pont ottvan a fény, mert az 1 század másodperc... De biztosítanod kell, hogy egyik motor se álljon meg. És a dobozodra, ahol kimegy a lézer fénye tegyél üveget, mert az elvileg megszűri valamennyire a sugarat
Értem akkor ha mindég forognak a motorok akkor nem lehet gond ugye?
Ém ha én kiszedek 1 DVD-íróból 1 lézert akkor ahoz kell még építenem valami? vagy egyből mehet úgy mintha vettem volna 1 lézert?
Kell hozzá építened egy áramgenerátort. Azzal tudod szabályozni az áramerősséget amivel hajtod a lézer diódát. Ha 16X-os DVD íróból szeded ki akkor max 195mA-rel szabad hajtani.
látom ti is belemerültetek a lézerbe
gyors "lekaptam" az enyémet
Nekem van ~20MB-nyi képem, hogy milyen alakzatokat tudott, csak az még a régivel volt és annak már a fókusza is rossz volt, nah meg 1mW-os...
Én régebben kipróbáltam 3 tükörrel, szerintem érdekes ábrákat lehetett kihozni belőle. Valamint láttam olyan videót is, hogy szaggatták a lézer fényét, az is nagyon látványos volt,
jah, az enyém is ilyen teljesítményű kb.
Értem
Egy áramgenerétor mnnyi pénzből jön ki kb? Ehhez e lézerhez nem kell áramgenerátor ugye? Bővebben: Link Ja és nem tudom meggyőzni ismerősömet,hogy nem roncsolja a szemet a lézer. Ha mozognak a tükrök. Ha lenne egy kis időd leírnád ide nekem részletesen,hogy miért nem roncsolja a szemet?
Ami nekem van áramgenerátor a lézerhez, azon van négyszögjel bemenet, ezzel lehet szaggatni a lézer fényét. Ne kérdezzétek mi az a négyszögjel, nem tudom, de állítólag nagyon könnyen ki lehet vele nyírni a lézert (gondolom az első beállíátsoknál)
De igen, ehhez is kell egy áramgenerátor.
Az egész kijönne 4-500Ft-ból viszont 1 db alkatrészt az IRL530-ast csak ilyen 4-500Ft-os áron tudtam beszerezni, ez megdobta a költséget. Már én sem tudom, hogy miért nem roncsolja ANNYIRA, ha üveg mögött van és ha megtöröd tükörrel, valahol én is olvastam a napokban akartam megkeresni ismét a választ. Nem tudom már hol olvastam, de a lényeg, hogy biztosítsd hogy a lézer soha ne 1 helybe világítson mert akkor sok kíváncsi ember belenéz és megvakul...
Értem
Akkor nem lehet semmilyen gond ha van üveg és a tükrök soha nem állnak meg. Remélem nem fognak csak úgy megállni a motorok ![]() Tudnál nekem adni egy áramgenerátor kapcsolási rajzot?
Én nem garantálom, hogy semmilyen baj nem lesz, de nem lenne szabad.
Ez kicsit át lett alakítva (segítséggel) Nem ez az eredeti kapcsrajz de én így használom. |
Bejelentkezés
Hirdetés |







:no:

) 







