Fórum témák
» Több friss téma |
Kedves Szakik!
Szemezgetek erősen ezekkel a megoldásokkal, de az iker tranzisztorokat nem lehet valahogy megúszni? Varga Papa, te is válogattad alaposan, vagy szereztél ikreket?
CEM vagy AS3340 , 3310 , 3320, 3360 valamennyire beszerezhetőek, ezekkel érdemes, ha már nem akar görcsölni a bizonytalansággal az emberfia.
A hozzászólás módosítva: Feb 23, 2020
Van olyan megoldás a billentyűzetre, hogy egy Arduinoval (például) egy midi billentyűzet jeléből előállít 12bites DA-val analóg jelet, 1 oktáv/Voltot és azzal vezérlik a VCO-t. Ez még analóg szintetizátor.
Mi a véleményetek arról, ha a midi jelet feldolgozó procinak nem a feszültséget generáló AD a kimenete, hanem mindjárt egy DDS-t vezérel, ami igazi szinuszt, négyszöget és háromszög jelet adna. A többi fokozatok pedig a klasszikus analóg egységek lennének. Működhet? Beleillik még a topikba?
Van BC847BS meg BC857BS duál tranzisztorok, gombokért, annyi, hogy SMD, SOT-363 tokos, de még simán beforrasztható kézzel. Terveztem is hozzá pici breakout nyákot amivel pl. az ssm2210 helyére betehető.
Ha midiből előállítod a V/Oct CV-t attól még kell a VCO-dba exponenciális konvertálás, pont erre kellenek a duál tranzisztorok. Persze csak szoftveren múlik, adhatsz neki rögtön exponenciális jelet is, meg akár mérheted a frekit az arduinoval, amivel kompenzálhatod a hőfokfüggést. Használnak egyébként DDS-t is, de pl. ha megnézed a Mutable instruments modulokat, elég sok mixed signal moduljuk van, meg építettem egy Ambikát is tőlük, ott pl. a mikrokontroller állítja elő a hanghullámokat egy DAC-n. A Novation-nek is van ilyen megoldása gyárilag, ők mondjuk FPGA-t használnak, és nagyobb frekin megy a DAC, így nincs alias probléma a hallható tartománynál.
Köszönöm (Ám valami gyanús nekem ezekkel a tranzisztorokkal, de ki kell próbálni!)
A Rt.85/12,86/1-2 számában annak idején megjelent a Mini Moog szinti leírása.
Minden alkatrész beszerezhető hozzá,minden napos alkatrészek. Én megépítettem,nagyon sok,és szép hanghatásokkal,igaz monofon megszólalással. Kiegészítő hangszerként sok évig használtam,de időközben eladtam. Javaslom a leírás áttanulmányozását,hátha valaki kedvet kap hozzá. Akkori időből maradt 2 db garnitúra nyák.lemezem,és egy harmonika klaviatúrm. Ha érdekel valakit az apró hirdetések között megtalál.
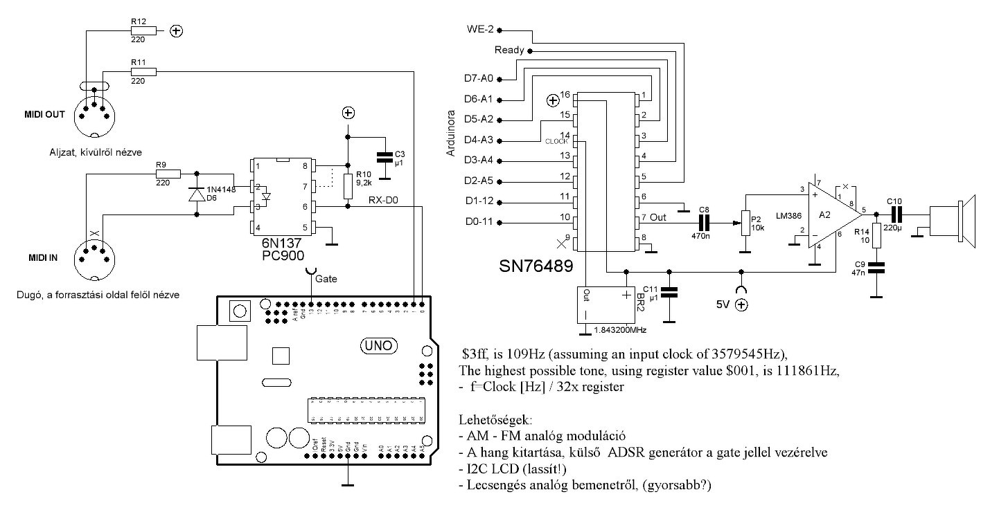
Ha valakinek problémája akadna az oszcillátor, billentyűzet építésével, vagy a behangolásával, akkor próbaképp használhatja ezt is. Nem analóg, de pontos. Ez egy 3 csatornás digitális hanggenerátor (egyelőre monofon) MIDI jellel vezérelve, csak négyszögjelet szolgáltat. Ötletadónak mutatom meg, mert átalakítva lehet analóg jellel is táplálni, a gate jellel lehet az analóg modulokat vezérelni. A szoftvere úgy készült, hogy a billentyű lenyomásáig szólaltatja meg a hangot, és a modulációs kerékkel beállított sebességgel lecsengeti azt. Ha külső ADSR generátort használnánk, az átalakítás egyszerű. Az SN76489 a netről beszerezhető, fél Dollár, de van némi alapzaja, ajánlatos lehet egy Smidtt-triggerrel illeszteni az IC kimenetét, ha teljes csendet akarunk.
A hozzászólás módosítva: Márc 5, 2020
Sziasztok! Szeretnék építeni műveleti erősítő felhasználásával egy olyan oszcillátort, ami a szűrt négyszögjel tipikus jelalakját hozza létre (1. kép). Egy négyszög oszcillátor és egy aluláteresztő szűrő kombinációjával sajnos nem a megfelelő hangzást kapom, mivel a szűrő után a jelalak már frekvenciafüggővé válik. Ezzel szemben én azt szeretném, hogy az oszcillátor hozzon létre ilyen jelet, hogy minden frekvencián ugyanolyan jelalakot, ugyanolyan színezetű hangot kapjak. Némelyik szoftverszintetizátor oszcillátora alapból tud ilyen jelalakot (pl. a Massive oszcillátor panelén négyszög- és háromszögjel átmenetként keverhető ki, ha jól emlékszem). Mivel ilyen jelalak az astabil kapcsolásban is létrejön a műveleti erősítő negatív bemenetén, ezért kézenfekvőnek tűnt egy követő erősítőt kötni erre a pontra (2. kép). Ez így működik is, viszont a kérdésem az, hogy ilyen oszcillátorra esetleg létezik-e egyszerűbb, jobb megoldás.
Kicsatolni kicsatolhatod, de ez a görbe is frekvencia függö lesz.
Az eredeti analog szintikben ezt a VCF-el lehetett megcsinálni, ami szintén követte az oszcillátor VCO bemeneti feszültségét, azaz együtt futott a hang frekvenciájával.
Pontosan mire gondolsz frekvenciafüggés alatt? Én arra gondoltam, hogy egyszerű RC szűrő használata esetén egy 20 Hz-es és egy 20 kHz-es szűrt négyszögjel alakját tekintve lényegesen eltér egymástól, és a hallható felharmonikusok száma is nagyon különböző, így hangzásában is teljesen más karakterű. A csatolt képen egymás alá másoltam a fenti kapcsolás 16.7 Hz-es és 16.7 kHz-es jelalakjait. Itt én eltérést nem látok, megépítve is hasonló karakterű magasakat adott, mint mélyeket. Kezdésnek a lehető legegyszerűbb megoldásokat próbálom keresni, szóval nem VCF-t szeretnék, hanem a lehető legegyszerűbb frekvenciafüggetlen oszcillátort a fenti jelalak előállítására, remélve azért, hogy nem viszem el nagyon más irányba a témát. Alapvetően analóg szintetizátor építés lenne majd nálam is a cél, azért bátorkodtam ide kérdezni.
Nem irtad milyen oszcillatorrol van szo, de ha ez a fö hang oszcillátor, akkor miért nem csinálod meg ugy ahogy kell. Minden ilyen VCO alapbol ad négyszög, háromszög meg fürész jelet, egy kis tornázással akár majdnem szinuszt is. Ezek a jelek mind rendelkezésre állnak és olyan hangot keversz ki belölük amilyet akarsz, és nem biztos, hogy egy ilyen különleges, (mégha érdekes is) jelformával dolgozz.
Közben Massava javaslatára rákerestem az LFO kapcsolásokra, és úgy néz ki, valóban meg is találtam amit kerestem, a csatolt képen látható kapcsolás elvileg elő tudja állítani a fenti jelalakot is, úgyhogy egyelőre ezt fogom tanulmányozni. A kapcsolást Ray Wilson Make: Analog Synthesizers című könyvében találtam. Ha bárkinek szüksége van a munkájához az alábbi könyvek valamelyikére, írjon nekem privát üzenetet, és szívesen elküldöm PDF formátumban:
Brice Ward - Electronic Music Circuit Guidebook (1975) Barry Klein - Electronic Music Circuits (1982) Delton T. Horn - Music Synthesizers: A Manual of Design & Contruction (1984) Steve De Furia - The Secrets of Analog & Digital Synthesis (1986) Thomas Henry - Electronic Music Circuits: The Reprints Vol 1 (1997) Thomas Henry - An Analog Synthesizer for the 21st Century (2006) Hercules G. Dimopoulos - Analog Electronic Filters (2012) Ray Wilson - Make: Analog Synthesizers (2013) Reinhard Schmitz - Analog Synthesis Illetve, ha esetleg megvan valakinek digitális formában az alábbi könyvek közül bármelyik, nagyon megköszönném, ha eljuttatná nekem valahogy: Delton T. Horn - 49 Easy Electronic Projects for Transconductance and Norton Op Amps Keith Brindley - Audio IC Projects M. K. Berry - Electronic Music and Creative Tape Recording Barry Klein - Electronic Music IC Databook A. Douglas - The Electronic Musical Instrument Manual R. A. Penfold - Electronic Synthesizer Construction M. K. Berry - Electronic Synthesiser Projects Hal Chamberlin - Musical Applications of Microprocessors Thomas Henry - Noise Generator Cookbook Terence Thomas - Sound Synthesis: Analog and Digital Techniques Thomas Henry - The VCO Chip Cookbook H. Kybett - IC LM3900 Projects Thomas Henry - Making Music with the 3080 OTA A hozzászólás módosítva: Máj 25, 2020
Nem tudom nem segít-e a pár hozzászóláson előrébb leírt Mini-Moog szinti
elkészítéséről szóló Rt.lapok áttanulmányozása.
Szintén ide beraktam a valamikori Elektor szintijét ( 2 darabot épitettem) . Abban van talán a legjobb, leguniverzálisabb LFO.
Dehogyisnem! És most nézem, hogy az 1985 / 12. nekem meg is van. Köszönöm!
Itt a Elektor Formant linkje. A 76. oldaltol vannak az LFOk
És még folytatódik a 86/1-2 számában.Ha felkelti érdeklődésed nyákot tudok adni
olcsón.Talán egy próbára megéri,hogy érdeklődésed kipróbálhassad.
Köszönöm, megtaláltam mindegyik lapszámot! Viszont ez nem MiniMoognak tűnik. Az utolsó rész végén az irodalomjegyzékben éppen a Massawa által linkelt Elektor Formant szerepel, és ahogy nézem a VCO kapcsolási rajzát, valóban az alapján készülhetett.
Az eredeti MiniMoogban nem igen voltak IC-k. A Formant már legalább egy generácioval fiatalabb és egész jo konstrukcio.
(A Moog a 60-s évek végén készült a Formant kb 10 évvel késöbb.) A hozzászólás módosítva: Máj 27, 2020
Hogy Mini-Moog az bíztos.Azért is állítom,mert annak idején én megépítettem.
Több évig használtam kísérő hangszerként.Nagyon szép hanghatásokat lehetett vele elérni.Egy tangóharmonika fejbe volt beépítve,persze az előlep a leírás szerint lett elkészítve.Olcsó minden valamire való elektronikai boltban hozzá lehet jutni az alkatrészeihez.Csupán a billentyű érintkezők kialakítása volt egy kissé macerás.
Én csak a VCF-t vettem át a moogbol, annak valamivel érkesebb hangja volt mint a Formantnak, de azt is beraktam az egyik szerkezetbe, lehetett választani.
Akkor nem értem a dolgot. Biztos, hogy a Rádiótechnika leírása alapján építetted? Itt a VCO kapcsolási rajza, amit én látok a Rádiótechnikában.
Ilyen nem volt sem a Moogban sem a Formantban. Ebben azok a digitalis osztok kilognak a tipikus VCO sorbol.
Igen, az már szerző saját módosítása: "A SUB (osztott) oszcillátorjelet számláló IC-vel oldottam meg. Tetszőlegesen alkalmazható 7490, 7492, 7493 IC-k valamelyike. A nyáklap úgy lett tervezve, hogy akármelyiket is ültetjük be, az osztás megvalósul".
A baj, hogy elveszted a VCO egyik fö funkcioját az a jelalakok kiválasztását. Az osztok után általában már csak 4szög jel van, ami kevésbé optimális a zenéhez. Persze jo mert jo szubbasszusokat tudsz kapni. Ezek már izlések kérdései.
Igen a Rádiótechnika alapján lett építve.Még az előlap is.Hiszen még megvannak
az ott közölt 2 garnitúra nyáklapok is.
Sziasztok!
1. Kezdésnek szeretnék építeni egy egyszerűbb analóg szintetizátort vagy oszcillátorokat néhány modulációval kiegészítve, ami mondjuk gyerekszinti vagy bármely szinti billentyűzetével használható. Elsőre Varga Papa felhasználó 4 tranzisztoros szintije fogott meg, de írták, hogy relatíve egyszerű. 2. Hiába kerestem a net-en kapcsrajz+PCB beültetési rajzos teljes projekteket. A tonepad.com -hoz hasonló oldalakat tudtok mondani? Erről szoktam építeni, jól átláthatóak! 3. Mennyire bonyolítja a dolgot, ha 5-8 billentyűt tudnék megszólaltatni egyszerre? Mi kell hozzá? Nem találtam rá választ, egyelőre sajnos csak monofónba tudom elképzelni. 4. Persze tetszenek a különféle modulációk, de jelenleg a Supersaw hangzás érdekel (a delay részét megoldom).
Van egy jo hirem. Ujra elérhető egy különleges IC ( minimoog utáni generáciok alaposzcilátora) a CEM3340, jelenlegi nevén AS3340. Egy komplett VCO minden jelformával, legalább 5 oktávos átfogással és meglehetösen olcson ( alig 5 euro). A legjobb forrás egy romai bolt ( ebay de direktben is).
https://www.thonk.co.uk/shop/alpha-as-series-ic-chips/ Itt is vannak, nem csak a 3340, de a teljes sorozat, van VCA, envelope, filter is.
Amúgy elég jó cuccok, 3340-es VCO-m van is egy megépítve, csak még nem adtam rá áramot. A múltkor építettem egy Deckard's dreamet, abba 16 darab CEM3340 került. Meg pár ezer más alkatrész. Viszont tényleg jól tud szólni, nem egy tipikusan minden nap használós cucc, de a full analóg polifónia azért, na, stenk. (nem magamnak építettem)
Tudom, hogy van a szigeteken is, csak a jelenlegi ütödött vámpolitika miatt az olasz forrás olcsobb és könnyen elérhetö. Ott is megvan minden, de nekem amikor kellett, csak a VCO linearitásával volt gondom ( még az eredeti elektor megoldással). Akkor bármennyi pénzt megadtam volna a CEM 3340-ért, de az csak jo 5 évvel késöbb jelent meg ( és jo drágán).
A VCF meg az ADSR tökéletesen müködött minden változatban. |
Bejelentkezés
Hirdetés |















