Fórum témák

» Több friss téma
Fórum » Muzeális készülékek-alkatrészek restaurálása
Lapozás: OK   536 / 586
(#) tdi75 válasza ferci hozzászólására (») Jún 26, 2020 /
 
Szia! Köszönöm. Akkor lehet hogy előkotrok a régi cuccaim közül egy régi hgli 125- ös lampicseket és beüzemelem.
(#) newman92 válasza tdi75 hozzászólására (») Jún 29, 2020 /
 
Igen. Higanygőzlámpához való. Ilyesmihez ami a képen van.

n0664.jpg
    
(#) tiko77 hozzászólása Jún 30, 2020 / 1
 
Üdvözlet mindenkinek!
Telefunken 1213 Regős vagy telefunken 237 roncsot keresek, a tekercsek miatt érdekelne, illetve a sávváltó gombjára lenne szükségem.
https://www.radiomuseum.org/r/telefunken_regoes.html
Köszönöm!
(#) granpa válasza tiko77 hozzászólására (») Jún 30, 2020 /
 
Van néhány régi-régi tekercsem, fekete bakeliton. Kb. d4×5 cm.
(#) tiko77 válasza granpa hozzászólására (») Júl 1, 2020 /
 
Köszönöm! Írtam privátban.
(#) fgyj hozzászólása Júl 2, 2020 /
 
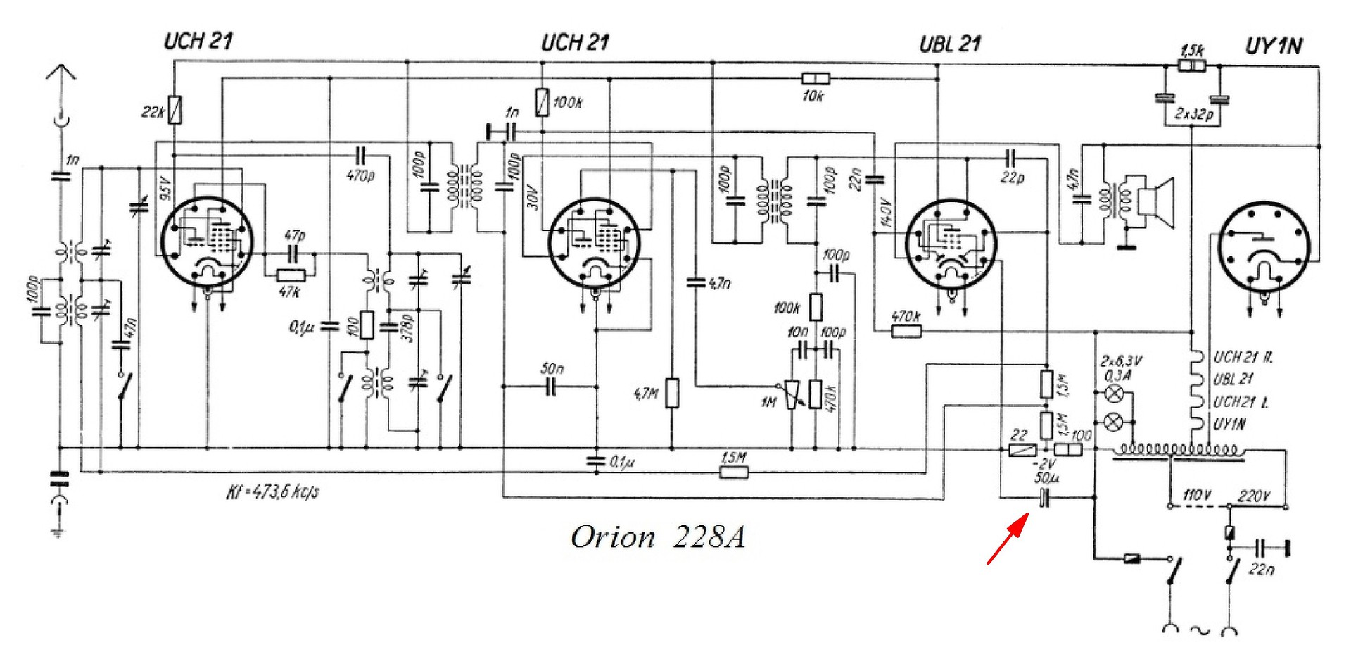
Kedves Fórumtársak! Egy Orion 228A rádió felújítgatásának pillanatnyi eredménye: jó hangerősítés, de vele egy szokatlan fajta búgás. A konnektorba dugás egyik helyzetében gyenge búgás, de a másik helyzetben erős. A hangerő-szabályozóval mindkettő erősíthető-gyengíthető. Akkor van az erősebb zaj, ha a fázis a sasszin van. (Alapbúgás, lecsavart hangerővel nincs: 2x47 mikroF cserélve.) Ki tudja, mi lehet az oka a jelenségnek?
A hozzászólás módosítva: Júl 2, 2020
(#) pucuka válasza fgyj hozzászólására (») Júl 2, 2020 / 1
 
Keresztmoduláció. Tegyél az UY1N anódja, katódja közé egy 10 nF 500 V -os kondit.
(#) fgyj válasza pucuka hozzászólására (») Júl 2, 2020 /
 
Köszönöm a tanácsot. Sajnos nem vált be: a zúgás maradt.
(#) IQNUKU válasza fgyj hozzászólására (») Júl 2, 2020 / 1
 
Szia!

Szerintem kapacitásszegény, vagy szakadt a képen jelölt kondi.
(#) fgyj válasza IQNUKU hozzászólására (») Júl 3, 2020 /
 
Köszönöm a tanácsot. Eltávolítottam a jelzett kondit: semmi sem változott; tehát mintha eddig ott sem lett volna Amint hozzájutok új darabhoz, következik az újabb, reményteli próba.
(#) IQNUKU válasza fgyj hozzászólására (») Júl 3, 2020 / 1
 
Idézet:
„Amint hozzájutok új darabhoz..”

Addig is próbára megfelel oda bármilyen 47µF 16V vagy 25V értékű kondi.
(#) fecameca válasza fgyj hozzászólására (») Júl 3, 2020 / 1
 
Hangosabb lesz, több mély hanggal. Nem is tudom, miért vársz vele, 2 Voltot ír, katód hidegítő, szerintem semmi köze nincs a brummhoz, de azért az elsők közt szokott kiszáradni. Ha ragaszkodsz a korhű kinézethez, ragaszd bele a réginek a házába, az újak úgyis kisebbek. Ha a 2x32 µF cseréje nem segített, azt érdemes megnézni, a fűtés vezetékek, és a hál. trafó vezetékei mihez vannak közel, mire tudnak rászórni? Esetleg mi lett megbolygatva, újra huzalozva szakszerűtlen módon?
(#) IQNUKU válasza fecameca hozzászólására (») Júl 3, 2020 / 2
 
Szia!

Itt nem csak a katódokat hidegíti a kérdéses kondi, hanem a 22+100Ω-on eső,
mintegy -10 V-ot szűri.
A -10V a 470 kΩ-os ellenálláson az UBL G1 rácsára kerül.
Szerintem ezért zúg kondi nélkül. Volt már ilyen hibám.
(#) fecameca válasza IQNUKU hozzászólására (») Júl 3, 2020 / 1
 
Igen, itt az összes katód, és az összes rács egybe kerül, az a kondenzátor mindenképp kellhet oda.
(#) gkari válasza fecameca hozzászólására (») Júl 3, 2020 / 1
 
Merthogy ez a komplexum biztosítja a rács-előfeszültsége(-ke)t, bizony - itt is keletkezhet maci.
(#) fgyj válasza fecameca hozzászólására (») Júl 4, 2020 /
 
Több jó tanácsot adtál, köszönöm. De a kérdésedre ("Nem is tudom, miért vársz vele") egyszerű a válasz: szereznem kell alkatrészt
(#) fgyj válasza fgyj hozzászólására (») Júl 4, 2020 /
 
fecameca, IQNUKU, gkari: találtam 47 mikrós elkót, beforrasztottam. Ő bizonyára igyekszik elvégezni az általatok leírt munkákat, de a kettős viselkedésű, szabályozható búgás nem változott. Remélem, az nem okozhat gondot, hogy ez a kondenzátor 450 V feszültséget bír el
(#) Gafly válasza fgyj hozzászólására (») Júl 4, 2020 /
 
Oda nem kell akkora. Mindegy...
(#) IQNUKU válasza fgyj hozzászólására (») Júl 4, 2020 /
 
Mekkora egyenfeszültséget mérsz a kondenzátor kapcsain?
(#) VJ72 válasza fgyj hozzászólására (») Júl 4, 2020 / 2
 
Az UBL 21 dióda-fűtés átvezetése okozza a búgást, javítása csőcsere vagy félvezetővel helyettesíteni. És a 22nF is ellenőrizném szivárgásra a végcső vezérlőrácsán.
Volt már itt erről szó Janó bácsi tapasztalata révén.
Bővebben: Link
A hozzászólás módosítva: Júl 4, 2020
(#) fgyj válasza Gafly hozzászólására (») Júl 5, 2020 /
 
"Oda nem kell akkora." - Tudom, de hát ekkora volt itthon - A lakóhelyemen nincs szaküzlet.
(#) fgyj válasza IQNUKU hozzászólására (») Júl 5, 2020 /
 
A kondenzátor kapcsain 8,3 V-ot mértem. A 100-as és a 22-es ellenállás közös pontján (ahol a kapcsolási rajz -2 V-ot mutat) most -1,4 V mérhető.
A hozzászólás módosítva: Júl 5, 2020
(#) fgyj válasza VJ72 hozzászólására (») Júl 5, 2020 /
 
Azt a beszélgetést is én indítottam. Üldöznek a különböző típusú és eredetű búgások. Ez a mostani olyan, amilyennel még nem találkoztam. Minden tanácsot végigpróbálok.
(#) IQNUKU válasza fgyj hozzászólására (») Júl 5, 2020 / 1
 
Ha a kicserélt kondenzátor biztosan jó, és a negatív feszültség eljut a cső 3.
- vezérlőrács - kivezetésére, magyarul nem szakadt a 470kΩ-os ellenállás,
akkor nem ebben a körben van a kutya elásva.
Próbáld ki VJ72 fórumtársunk tanácsait.
(#) fgyj válasza IQNUKU hozzászólására (») Júl 5, 2020 /
 
Az UBL21 vezérlőrácsán -6 V mérhető. Ilyen csövem több is van, de a cserék nem segítenek. Diódák kiiktatva: ugyanaz a helyzet. Mivel a csúnyábbik búgás akkor van, ha a fázis a sasszira kerül, talán arra kell gondolni, hogy valahol a sasszi nem jól kapcsolódik az egész áramkörhöz?
(#) szalamandra válasza fgyj hozzászólására (») Júl 5, 2020 / 1
 
A 22nF-os kondit próbáltad cserélni ami közvetlen a 230V és a sasszi közt van?
(#) IQNUKU válasza fgyj hozzászólására (») Júl 5, 2020 / 1
 
A 2x47µF-os kondi alatt jól érintkezik az aluház és az ónozott lemezkarika?
Szeret oxidálódni a két különböző fém miatt.
Habár akkor talán a dugvilla mindkét helyzetében egyformán búgna.
Gondolom az UCH21 csöveket is cserélted próbaképp, az anódfeszültségeket szűrő
1nF és 100nF kondik cseréjén is túl vagy?

Mi lett a korábbi Orion230A történet vége?
(#) fgyj válasza szalamandra hozzászólására (») Júl 5, 2020 /
 
Igen. Semmi változás.
(#) fgyj válasza IQNUKU hozzászólására (») Júl 5, 2020 /
 
Ez a hibalehetőség kizárva: az elkók saját vezetékeikkel a megfelelő helyekre forrasztva (nem dugdosom őket a régi tokba).
100 nF-os kondim most nincs, várni kell a beszerzésig. Rendelnem kell egy komolyabb alkatrészadagot. Nem adom fel, mert ez a készülék ajándéknak készül olyan családtag számára, aki éppen ezt a gömbölyded, kissé bumfordi dobozos rádiót szeretné látni maga mellett - akár szól, akár nem. Az én becsvágyam persze az, hogy szépen szóljon is.
(A 2017-es történet a 230A-val valahogyan kedvező befejezést nyert: további kondenzátorok cseréjével minimális lett a zörej.)
(#) tiko77 válasza fgyj hozzászólására (») Júl 6, 2020 /
 
Szia!
Csak egy ötlet, nincs a közelben valami spéci izzó, neon, ilyesmi? Én egyszer vettem egy Edison szénszálas dekor izzót, sajnos nem tudom használni mert ha ég a csöves rádiókat zavarja.
https://superbazar.hu/Edison-szenszalas-dekor-izzo-csepp-alaku-40w-AST58
Következő: »»   536 / 586
Bejelentkezés

Belépés

Hirdetés
XDT.hu
Az oldalon sütiket használunk a helyes működéshez. Bővebb információt az adatvédelmi szabályzatban olvashatsz. Megértettem