Fórum témák
» Több friss téma |
Fórum » LED-es index
Témaindító: Einstein21, idő: Márc 29, 2006
Témakörök:
Adj a vezérlésnek direkt tápot, így folyamatosan működik, csak a ledeket kapcsold rá a kapcsolóval, amikor indexelsz.( fogyasztása minimális) Bár így van, mikor éppen szünet lesz, mikor bekapcsolod, de szerintem nem zavaró. ( szabály szerint azonnal világítani kell az irányjelzőnek bekapcsoláskor )
Az index eleve így működik ezzel a relével és a bimetállal is de mostanság nem törődöm vele majd próbálkozom ha időm engedi.
Szia!
Van ettől jobb megoldás is. Én már több éve használom. A szabály az indexre az hogy 1 másodperc a megengedett idő a működésre.
Szia! Én is csináltam havernak egyet néhány éve 6V-os Simsonba. Az eredetivel bimetállossal alig világítottak az izzók, sok feszültség esett a relén. Csináltam egy pic-est. Tökéletes azóta is. Egy 5-6V-os relét kapcsol a pic, figyeli a relé kimenetét, és ha testre kerül az izzókon keresztül, azonnal meghúzza a relét beállított ideig. Az idő letelte után újra figyeli a kimenetet. Ha még testen van, újra meghúz, ha már nincs, nem húz meg, figyel tovább. Egy régi elektronikus Trabant-Wartburg fényváltó relét beleztem ki, csak a reléjét meghagyva új nyákot csináltam bele. Bekötése a szokásos: Test(31), +6V(49) és a lámpák kapcsolója felé(49a). Ezzel tökéletes az index. Állandó az idő, bekapcsoláskor azonnal világítással indul. A relén nem esik feszültség. Kerestem a rajzot, de nem találtam, csak kézi rajz volt.
Szia!
Én ledesre gondoltam. Nincs relé, csupán 2 Li-Ion akkuról megy, oldalanként 2x 3W-os teljesítmény ledekkel. Ha érdekel, szívesen teszek fel rajzot róla.
Nemcsak őt érdekelné (ha érdekli őt) , engem is nagyon, meghát ennek a fórumnak ez az értelme, tudást szeretnénk szerezni, megoldásokat látni!
Megmutatod akkor? A hozzászólás módosítva: Júl 7, 2020
Szívesen teszem!
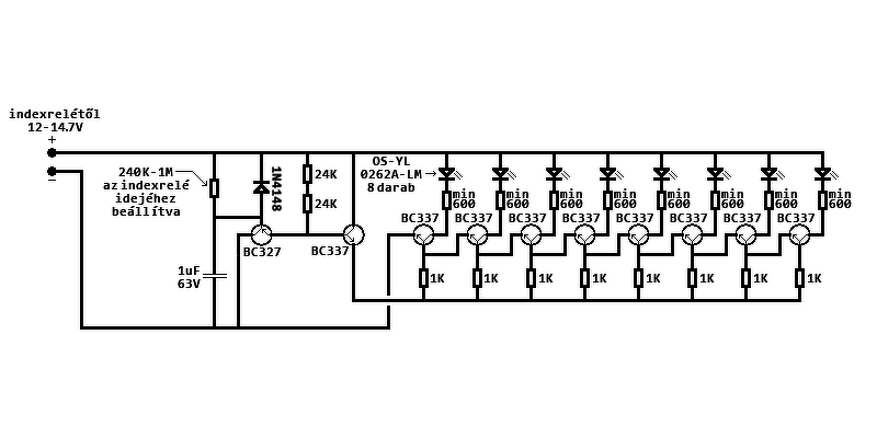
Előre jelzem hogy én egy olyan kismotorra fejlesztem ki ezt az indexet, amin gyárilag nincs index, se akku. Sok éves kísérletezés után jutottam el a mostani megoldáshoz. Ezt bármilyen járműre utólag fel lehet szerelni. A fényereje, a ledeknek köszönhetően azonos, vagy erősebb mint a hagyományos 21W-os izzóé. A motoromon már 3 éve működik, hibamentesen. Első kép: kapcsolási rajz, második kép: tranzisztoros ütemadó, harmadik kép: gyakorlati összeállítás. Így kell felszerelni a járműre. Negyedik kép: a 3W-os POWER led elhelyezése a motor indexbe:
Hello!
Én ezt a hozzászólásod nem is oly rég találtam meg, és azon gondolkodtam, el kéne készíteni egyszerű, hobbistánàl otthon található alkatrészekből is. Meg is csináltam, az alanti kép és videó szerint. Az 1 Megás ellenállást a kondenzátor előtt én soknak találtam, kettőt tettem be párhuzamosan, még az 500K is soknak bizonyult az én percenként 100-szor villanó (ne555-ből készített) indexrelémhez, végül a 240Khozta a várt eredményt. Talán egy 1Megás potméter, vagy trimmr potméter lehet a legjobb megoldás, mert nemcsak a periódusidőtől függött, de a tápfeszültség változtatásától is, hogy végigfusson a fény, és az utolsó is kitartson pár pillanatig. Köszönöm az ötletet, jó játék volt, élvezettel csináltam. futófényes index videó A hozzászólás módosítva: Júl 13, 2020
Hát persze, hogy gyenge. Biciklire, sötétben megteszi esetleg (a kezemet én mindig kiteszem, de este jó kiegészítő lehetne). Dehát: hobby, a tudás fejlesztésére, és hogy tudjuk, mi célt is szolgál, hogyan is működik a jelzett IC, arra nagyon megteszi.
A hozzászólás módosítva: Júl 26, 2020
Egyet értek Veled. Az első próbálkozásokból lesznek a végső, legjobb megoldások. Én is úgy kezdtem. Az első ledes indexemet 3 db. magasfényű leddel csináltam, aztán 9 db. leddel és végül 3W-os Power leddel, lámpánként. A 3W-os már világít rendesen, napsütésben is.
Elakadt a tű a lemezen!
Pedig nagyon sokat fejlődött a ledes index, pár év alatt. A gyári megoldásoknál már jobbakat lehet csinálni, erősebb fénnyel, olcsóbban. Akit érdekel, írjon.
Sziasztok. Őszintén bevallom, konyítok valamennyit az elektronikához, de a jelenlegi problémám bőven túl van a tudásomon, ezért hozzátok fordulnék segítségért. Van egy 2018-as Suzuki GSX-S 1000 motorom, gyári 4x21w irányjelzővel, amit mindenképp le szeretnék cserélni egy szintén gyári Suzuki (csak más modell) GSX-R 1000 (2019) LED-es irányjelzőre. Ehhez mindenképp ragaszkodnék, mert nem szeretnék se Rizoma, se gagyi kínai se semmilyen más indexet, kizárólag ezt a gyárit, ami viszont más modellé. Na már most a problémám a következő: a LED burkolatára több adat is rá van írva, mint pl.: 5-9V, 0,5W, 4W. Rákerestem az adott motor Service Manual-jára, amiben részletesen minden áramkör le van írva, melyiken mit kell mérni, mi mit vezérel, stb… épp csak az irányjelzőről nincs semmi infó. A hibaelhárításban is csak annyi van, hogy ha bármi rendelleneset tapasztal az ember, cserélje ki. Mint mondtam, mindenképp szeretném működésre bírni a jelenlegi motoromon. Tudom, hogy léteznek LED-es relék (az enyémben egyébként 2 pólusú van), viszont az még csak a villogás sebességét befolyásolja, a LED-ig elmenő feszültséget nem. Nyílván az áramot is korlátozni kellene valahogy, mert ha direktben rákötöm, akkor azonnal kisüti. Tudom, mert próbáltam. Mentségemre szóljon, hogy akkor még nem tudtam, hogy a burkolatra nem 12V van írva, erre már a füst után jöttem rá csak. Azóta ami elfüstölt, abból már megjött az új, viszont mostmár nem kísérletezni szeretnék. Ami kiégett, arról készítettem képet, hátha segít valakinek. Sok adat nincs rajta, de talán más már többet látott ilyet. Tudom, hogy tudni kellene a LED-ek működési feszültségét, nyitó áramát, stb…, de miután még csak hasonlót se találok, nekem ez az egész most már túl ment minden határon. Nem lényeg, hogy kevesebbet fogyasszon, tőlem maradhat a 21W teljesítmény felvétel ellenállásokkal is (vagyis a gyári hőrelé tőlem elfér), de ezekből az adatokból, ami a burkolatra rá van írva, nem tudom hogyan számoljak, ami nem teszi paírnehezékké őket. Ja, igen… eredetileg volt rajta egy C1 jelölésű kondenzátor, ami szétszedés közben letört. Nyílván ennek már úgyis mindegy, mert összerakva nem lesz, de legalább látom mi van belül.
Szia!
Egyszerű a megoldás, egy-egy oldalon a két indexet sorosan kell kötni, úgy fél feszültség jut egy-egy indexre. Fontos hogy ledes indexrelé legyen a motoron, akkor jól fog működni.
Attól eltekintve, hogy a jogszabályok megszegésével játszol, így ebben nem igazán fognak támogatni...
Ha annak a LED-nek 5 és 9V között kell kapjon, és 4W-os, ezt egy pitiáner DC/DC konverterrel megoldhatod, hogy ennyit csináljon nekik a 12V-ból. Fogj egy szivargyújtós töltőt, mindegy milyen, 99%-ban 34063 lesz benne. Egy ellenállás cserével olyan feszültségűre módosítod, amilyen neked kell. De kb. ezen a feszültségen dolgoznak, az is lehet, hogy semmit nem kell vele csinálnod. 800mA-t tud folyamatosan, 1.5A-t rövid ideig. A 4W vígan kijön. Valószínűleg neked is kallódik ilyen otthon, ha nem, kimész a piacra és veszel 4-et bagóért. A LED-es index relé meg biztosan kapható, ha nem, akkor egy NE555 és mehet. Itt nehezebb érzékelni, hogy kisebb áramot vesznek a lámpák és jelezze gyorsabb villogással, de akár ez is megoldható, így a házi gyártástól eltekintve a működése megfelelő lehet. A hozzászólás módosítva: Okt 20, 2022
Szerintem nem kell ennyire túlbonyolítani az index kapcsolást. Az egy indexre jutó feszültség 7,2V, soros kapcsolásban a két indexre 14,4V jut, ami az akku töltési feszültsége. Ez pont ideális. Ledes indexrelét már 1790 Ft-ért lehet kapni, ennyiért nem érdemes bütykölni.
Most mondhatnánk, hogy nem ideális egy oldali indexet soros kapcsolásban üzemeltetni, mert egy hiba esetén egyik sem villog, de egy ilyen szabályellenes átalakításnál aztán totál mindegy.
Ha kicsit visszaolvasol, láthatod hogy az én megoldásom is soros kapcsolás. 5 éve működik hibátlanul. Azt meg hogy szabályellenes, miből gondolod? A rendőröket nem érdekli, nekik az a fontos hogy működjenek. 5 év alatt egyszer sem állítottak le hogy megtalálják rajta az E.. jelzést. Mert mi van akkor ha megtalálják? Égés!
Sziasztok. Először is, elnézést a kérdésemért, sok tapasztalatom nincs a témában, de most egy dolog nagyon foglalkoztat. Van egy elektromos rollerem, de nekem hiányzik róla az irányjelző. Arra gondoltam, megpróbálok készíteni egyet pl. LED szalagból. Volt egy olyan ötletem, hogy egy lítiumos aksi adná az áramot, vagy egy powerbank, és lenne egy kapcsoló ami vagy jobbra vagy balra billenthető. Ezért kérném a segítségeteket mert ti jártasabbak tapasztaltabban vagytok a témában, milyen ötletetek lenne hogyan tudnám megvalósítani. Tudom, már készen is lehet venni, de ha lenne megoldás házilag, inkább úgy szeretném. Köszi előre is a segítő válaszokat.
Mechanikai szempontból kitaláltad már a konstrukciót?
Nehezen tudom elképzelni korrektül a LED szalagot felapplikálni egy rollerre. ![]() Maga az elektromos része szerintem a legkisebb kérdés. Fórumtársak biztosan kérdezik majd azt is, hogy "szabad-e/rendőr mit szól hozzá"?
Ha a LED-es index topic-ban körülnézel, esetleg (az átolvasása után) ott kérdezel, sokkal beljebb lennél.
Eleve ott kellett volna kezdened...
63. § (1) Járműre csak jóváhagyási jellel ellátott irányjelző lámpát szabad felszerelni.
6/1990. (IV. 12.) KöHÉM rendelet a közúti járművek forgalomba helye...leiről
Műanyagcsőben (üzemanyaglopócső
), a végén ledugózva -évekig jó lehet. (Évek után besárgul, ami színben jó is lenne, csak halványít)Idézet: „Fórumtársak biztosan kérdezik majd azt is, hogy "szabad-e/rendőr mit szól hozzá"?” Ettől falra tudok mászni. Emberi erővel hajtott két (néha három) kerekű jármű. Az erre vonatkozó (elég laza) szabályokat kell betartani. Azt is szokták monani, kevés a fénye az egyszerű LED-szalagnak. Persze, kevés, de nappal látják jól, ha kiteszem a kezem,. Ha sötét van, akkor pedig már jó rásegítés a "kisfényű" LED-szalag (pláne, ha középen világít a rendes helyzetjelző kislámpám is)
Szerintem meg senkit sem lehet arra kötelezni, hogy egy ilyen kütyünek a jelzését komolyan vegye... Csak hamis érzetet ad a rolleresnek, hogy nyugodtan elévághat a mögötte jövő autónak, de nem!
Arra jó, hogy "villogni" lehessen vele...
Látod-látod, te is ezzel jössz.
Kihagytad azt, hogy a kerékpér (emberi erővel hajtott stb stb) kivétel ez alól. Néhámyszor belinkeltem már -nem teszem meg újra. Aki nem hiszi, járjon utána. (Ugyanabban a jogszabályban megtalálható) A hozzászólás módosítva: Márc 25, 2023
troll+++: Ma már az e-roller segédmotoros kerékpárnak minősül! Pont!
Bővebben: Link A hozzászólás módosítva: Márc 25, 2023
Újra akkor: két, vagy három (bizonyos esetekben több) kerekű , emberi erővel hajtott jármű. Az a kerékpár definíciója. A roller mitől ne az lenne?
Ez így, ebben a formában nem teljesen igaz. Léteznek azok az elektromos rollerek, amik megvalósítják azt a kritériumot, hogy csak rásegítenek az emberi erőre (értsd: ha nem hajtod, akkor lassul -tehát csak hajtani, lökdösni könnyebb. Sőt, egy bizonyos sebesség eléréséig hiába húzom a "gázkar"-t, nem kapcsolja be a motort)
|
Bejelentkezés
Hirdetés |






















