Fórum témák
» Több friss téma |
Várom a tippet hogy akkor melyik alkatrészekre.
A tranzisztorokra gondolt. A végfokkal kezdd, ellenőrizd (fejhallgató, külső erősítő használatával), hogy végfok nélkül is elhalkul-e.
Köszönöm a tippet és a türelmet, nekiállok. Annál is inkább mivel - ahogy a következő posztból majd látszik - nem tudom megúszni hogy ne hozzam a gépet működőképes állapotba.
A bekarikázott három bementetre kell kapcsolódni? 1,2 bal és jobb, a harmadik pedig a földelés lenne?
Egy másik talán már tárgyalt témakörben is szeretnék segítséget kérni. Ismét laikus megközelítés, kérlek ne irányítsatok át a "kenyérpirító nem old ki" témára.
B tervként úgy gondoltam hogy jó vegyük komolyabban a dolgot, megnéztem melyik a jófajta szalagos magnó, egyszer élünk, beszereztem egy ReVox A76-77-78 szettet. Már régóta szerettem volna valami hasonlót gondoltam itt az alkalom. Igenám de ez egy két sávos magnó, az én szalagjaim meg 4 sávosak... Ha felrakom a 4 sávos szalagot akkor az egyik fülemen egész jól szól egy sáv, kis áthallással. A jobb fülemen visszafelé szól a szembejövő egyik sáv. További érdekes infó hogy van nálam elfekvőben egy speciális készülék - Fostex E16. Kérdés: van arra lehetőség hogy a 4 sávos szalagot valahogy a 2 vagy a 16 sávos magnón lejátsszam? Érdemes ezzel próbálkozni vagy ez egy kőbevésett dolog? A revoxhoz van mindenféle hézagoló adapterszerűség.
Legfeljebb átjátszod a négysávos hanganyagot kétsávosra. Minőségromlás biztos lesz.
A kétsávos (két félsávos) magnó azért jó, mert a nagyobb (hosszabb) rés miatt jobb a jel/zaj viszony. Stúdió magnóknál szokásos. A 16 sávoson valószínűleg le lehet játszani a negyedsávos felvételt, ha meg tudod oldani az 1/4 " -os szalag precíz vezetését, mert a 16 sávos 1/2 " -os szalagot használ.
Köszönöm a választ.
Nem tudom átjátszani mert elhakul az a ... Meg kell csinálni nincs mese, többet nem veszek. Ráadásul családi bútordarab. A szalag precíz vezérlése érdkelne mert legalább tudnám valamire használni ezt az elavult cuccot. Hogy szokás ezt csinálni? Söralátét? Fogselyem?
Ott még valoszinüleg kontaktushiba lesz. Probáld megmozgatni kapcsolokat olyankor amikor elhalkul, és figyeld meg mi történik.
Sajnos erről a képről nem tudom megmondani, hogy ez bemenet-e vagy netán táp (persze inkább bemenet, hiszen egy tranzisztor bázisára megy). Ha nincs kapcsolási rajzod, akkor (legalább nagy vonalakban) végig kell követned a jelet a fejtől a végfokig.
Amikor azt írtam, hogy a végfokkal kezd, arra gondoltam, hogy egy fejhallgatót beledugsz a fejhallgató kimenetbe (remélem van ezen a magnón is, általam nem ismert tipus), és meghallgatod, hogy azzal is elhalkul-e. Ha igen, akkor az előfok is már elhalkulva kapja a jelet, a fejhallgató csatlakoztatása ugyanis leválasztja a végfokot (tehát akkor azzal nincs baj). Ugyanez történik, ha egy átjátszó kábellel egy másik magnóra játszod át a felvételt vagy másik erősítőn hallgatod meg, a végfokot akkor is kikerüli a jel. Massawa-nak is lehet igaza, kontakthibák is lehetnek, főleg a sávváltó és felvétel-lejátszás átkapcsolókat érdemes megtisztogatni - ezeket mindenképpen, max. tiszta kapcsolókkal is el fog halkulni. Mondjuk a kontakthiba ellen szól, hogy kis pihentetés után magától megjavul. Elhalkulást okozhat a hibás szalagvezetés is. Vedd le a fejtakarót, kapcsold be és árgus szemmel figyeld, nem vándorol-e a szalag fel-le a fej előtt. Ez a nyomógörgő hibájára utalna. A hozzászólás módosítva: Aug 17, 2020
Hosszan, és helytelenül tárolt szalagoknál előfordul hogy egy része lemágneseződik, ezt úgy lehet észrevenni, hogy az elhalkulás a felcsévélő orsó forgásával szinkronban van.
Előfordul még hogy áthallás keletkezik az egymáson szorosan fekvő szalagrészeken. Nem véletlen tárolják az archívumokban fém orsón, és fém dobozban.
Igaz, viszont a szalag hibája nem javul meg a magnó pihentetésével. Ráadásul az átmágneseződés problémája megmarad - az elhalkulás egészen biztosan nem az egymásra tekert szalagmenetek átmágneseződése miatt van.
A hozzászólás módosítva: Aug 17, 2020
Idézet: „az elhalkulás egészen biztosan nem az egymásra tekert szalagmenetek átmágneseződése miatt van. ” Nem is állítottam ilyet, ez a helytelen tárolás miatt van. Az átmágeseződés (áthallás) van az egymásra tekerés, és a hosszú idejű állás miatt. De könnyen ellenőrizhető, egy hibátlan magnón való lejátszással.
Köszönöm a tippeket mindenkinek!
Próbálkoztam ma mind a kimenetre kötött erősítővel (elhalkul) mind pedig a fejhallgató kimenetre kötött erősítővel (elhalkul, viszont sokkal magasabb háttérzaj mellett ami továbbra is kiválóan erősíthető (mármint a zaj)). Kontakthiba vonalon is végigmentem. A sávváltó kapcsolót én magam szedtem ízekre múlt héten, pár ősz hajszállal később alkohollal külsőleg-belsőleg tisztítva összeraktam azóta lehet a másik sávot is hallani. Az összes többi kapcsolót végigmoztattam, semmi gond velük, semmi sercegés vagy változás a hangerőn. A szalagtárolás is jó ötlet, de az otthagyott félig megkezdett tekercs másnap full hangerővel folytatódik tehát ez is kiesett. Amúgy ezek a szalagok saját műanyag vagy karton tokjukban voltak egymás mellett állítva, végig. Két lehetséges folytatást látok, 1) az egyik a tápegység ami egy kicsit meg van égve (kép) és van 12db kivezetése amin egyedül a 230V-ot sikerült egyértelműen megtalálnom (bal oldali pólusok ahová 2 vezeték megy) a többi összevissza. További méréshez/ellenőrzéshez szíves segítségeteket szeretném kérni. 2) Apám kérdésre válaszolva elmondta hogy szerinte megvan a magnó teljes dokumentációja valahol, a hétvégi házkutatás után remélhetőleg kapcsolási rajzzal is tudok szolgálni. Ezzel kapcsolatban szintén szeretnék majd tanácsot kérni. Csatolva a táp, a 3db nyák amiből áll az egész és egy totál kép. A hozzászólás módosítva: Aug 19, 2020
Szia!
Nekem N4414-esem volt, egy ismerősömnél évekkel később volt egy N4415-ös, mindkettő produkálta is a hibát. Ezek még azok a szériák, ahol a tárcsa levehető és a tekercs is külön van rögzítve. Az ismerősénél cseréltem a motort (az enyémet anno eredeti híján eladtam hibásan), de csak az egyik sebességet lehetett jól bejátszani, a 19-ig már nem tudott felpörögni. És eleve nehéz ügy is lenne egy már félig halott motorból kitalálni, milyen paraméterű kéne a helyére, de még ha ez meg is van, véletlenszerű, hogy találok-e valahol olyat...
Szia!
1972–1975 között gyártották. A darabszám 100 ezer felett volt. Én semmiképpen , nem nevezném típus hibának.
Sziasztok! Segítséget szeretnék kérni. Van egy Philips csöves sztereó orsós magnóm 1960-as évek elejéről. Vagy tíz éve egy hozzáértő rendbe hozta, (új kondik, szíjak, elektroncsövek), és azóta hibátlanul működött. Egyik nap még ment, másnap már se se kép, se hang. Levettem a fedelét, a 220-as csatlakozó után a biztosíték rendben, életjel nincs. Mit szokás ilyenkor tenni?
Előre is köszönöm, SOVI
Nos, először is tápfeszt mérni. Kihúzod a konnektorból, végigköveted, hogy merre menne a tápfeszültség a trafóból. Több kivezetése is lesz szekunder oldalon, a csövek fűtéséhez is és az elektronikához is külön feszültségek tartoznak.
Nézd végig, hogy mivel egyenirányítanak, és keresd meg a mérési pontokat mindenhol. Most dugd be, és ÓVATOSAN, NAGYFESZÜLTSÉG!! mérd meg, hogy hol jelennek meg a megfelelő feszültségek. - trafó szekunder oldalak - egyenirányítás előtt - egyenirányítás után. Kereshetsz kontakthibákat, akár a biztosíték is lehet kontaktos és bár látszólag jó, mégsem vezet. Főkapcsoló kontakthiba, stb. Óvatosan a vezetékekkel, könnyen leszakadnak 60 év távlatából.
Köszönöm a javaslatot, kipróbálom...Ha jól tudom, az ilyen csöves készülékekben belül 200 voltnál nagyobb feszültségek cirkulálnak? Ígérem, óvatos leszek....
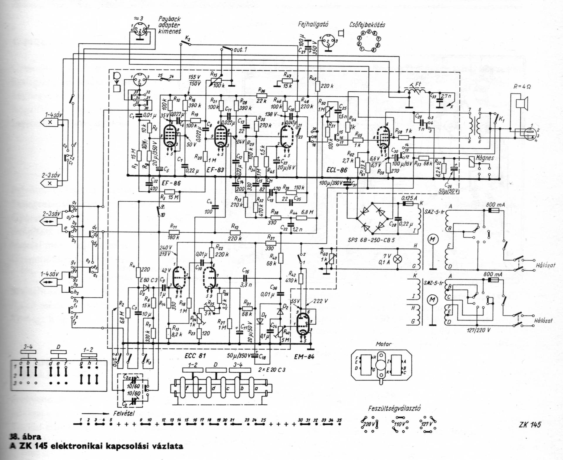
Sziasztok!
Egy Unitra ZK 145 típusu magnót javítok.A rajz szerint az EM 84 cső 6-os lábán 222V van. Én a trafó(motor) I és K kivezetésein 305V-ot mértem. Ha követem a rajz bekötéseit akkor szerintem az I és K között is 222V-nak kellene lennie. Vagy legalábbis akörül. Rosszul gondolom? Hogyan lehetséges a nagyobb feszültség? Ellenállással meg lehet oldani? A hozzászólás módosítva: Szept 28, 2020
Nem. Az I - K között mért feszültséget ha egyenirányítod, akkor magasabb egyenfeszültséget kellene kapnod. Azonban ez nem egészen így van, mert azért a csöveknek van állandó fogyasztásuk, ami a viszonylag gyenge minőségű nagy belső ellenállású szelén cellákból álló Greatz híd diódáin jelentős feszültség esik.
Ez valószínűleg több lesz, mint 222 V, mert amióta a készüléket gyártották, a 220 V -ból 230 V lett. Ez a feszültség növekedés még nem okoz gondot. De miért nem méred meg, hogy a 222 V -ból mennyi lett? Azonban ha a diódahidat is cserélni szükséges, akkor már el kell gondolkodni, mert akkor meglehet, hogy a tápfesz túl magas lesz, akkor be lehet iktatni egy megfelelő terhelhetőségű ellenállász az egyenirányító híd után.
Odáig már nem jutottam ugyanis az üveg biztositék kioldott. Az nem csoda, hiszen 250V helyett 305 V-ot kap. Patkolni nem akartam hátha nagyobb kárt teszek benne. Ilyen diodák vannak benne:
Ez már buhera, nem eredeti. Eredetileg, ahogy a kapcs rajzon is látszik, szelén cellás Greatz híd van. (6B-250-CB 5)
Keress zárlatot, gyanús a pufferkondi (100 µF/ 350 V, ) lehet, hogy nem viselte a megemelkedett feszültséget.
Mértem azt is, és a Greatz híd elöttit is. Egyik sem zárlatos. Sőt a diódákat is kimértem.
Viszont egy cikkben olvastam lehet gyárilag kóklerkodtak... http://george33.fw.hu/electron/unitra.html
Gyárilag ilyen forrasztásokat nem készítenek.
Abban a cikkben is a hátsó kapocstáblához vannak forrasztva a diódák. Ennyire nem lehet véletlen.
Visszatérve a problémához, nem lehet hogy megoldaná a gondot itt is a primerre való plusz menetek csévélése? ...még plusz kép... A hozzászólás módosítva: Szept 29, 2020
Gyárilag a ZK140-ben szelén van, a ZK145-ben pedig diódahíd. Már azokban, amik nálam jártak eddig (kb egy tucat).
Többnyire a szűrőkondik átütése okozza a zárlatot.
Ahogy mohinger mondja a Si diódahíd miatt eleve nagyobb az előállított tápfeszültség, ez még a 220 V -nál nem okozott gondot, de a megemelt 230 V -nál már lehetséges, és a szűrőkondi átütését, zárlatát okozza ha buhera, ha gyári.
A primerre rá, a szekunderről letekerni kellene hacsak egy egyszerű transzformátor lenne, csak kérdés mit szól mindehhez a motor.
Mindig egész másképp gondolkodok mint mások. Általában rosszul.
Ha a szűrőket csak kikötöm, ugy is ki lehet próbálni a szerkezetet? |
Bejelentkezés
Hirdetés |























