Fórum témák

» Több friss téma
Fórum » Elektronikában kezdők kérdései
- Ez a felület kizárólag, az elektronikában kezdők kérdéseinek van fenntartva és nem elfelejtve, hogy hobbielektronika a fórumunk!
- Ami tehát azt jelenti, hogy a nagymama bevásárlását nem itt beszéljük meg, ill. ez nem üzenőfal!
- Kerülendő az olyan kérdés, amit egy másik meglévő (több mint 17000 van), témában kellene kitárgyalni!
- És végül büntetés terhe mellett kerülendő az MSN és egyéb szleng, a magyar helyesírás mellőzése, beleértve a mondateleji nagybetűket is!
Lapozás: OK   3515 / 4060
(#) kendre256 válasza silenthill2 hozzászólására (») Okt 4, 2020 / 2
 
Műanyag házba tervezték, elvileg (valameddig) jónak kellene lennie így. Ha csak barnult a műanyag és nem olvadt, az még lehet jó.
Az a motor nem 3, csak 1 fázisú, ez a kapcsolásból, szerkezetből, bekötésből látszik.
(#) Sorkapocs válasza silenthill2 hozzászólására (») Okt 4, 2020 / 1
 
kendre256 de jó vagy! Köszi!

Kedves silenthill!

Sajnos nem tudom, hogy mi az élettartama egy ilyen PTC-nek és, hogy (itt már lehet, hogy alapvetőbb ismereteim hiányoznak) rövidzárlatba, vagy szakadásba megy, ha elhalálozik, de!

Merem állítani, nem a PTC az egyetlen igaz út! Sőt, azt merészelem javasolni, hogy ha már úgy is valami "alternatív felhasználást" fogsz neki találni (a.k.a. repurposing), ha teheted, kapd ki szegény PTC-t, biztos szögletesre ülte már ott a fenekét, és köss be oda a helyére (Természetesen 230! lévén kellő körültekintéssel!) egy záró/NO-típusú nyomógombot ( zöld BKV nyomógomb – a kláááásszikus példa, de ízlés szerint mást is lehet).

Tovább megyek! Figyelembe véve, hogy még ha alapvetően kicsiny motor is, de az indítóárama neki is az üzemi áram többszöröse, a felhozott csóringer BKV nyomógomb meg pl.: csak 2 A-t bír, ha igazi gentleman vagy és megteheted, akkor egy 230V-os behúzótekercsű mágneskapcsolót kötsz a PTC helyére és az ő behúzótekercsét kapcsolgatod a gombbal. Vagy nem bonyolítod meg, a mágneskapcsolóval (bár az a tuti) , csak a BKV helyett veszel egy jobbféle falonkívüli csengőnyomót, azoknak már illik legalább 6 A-esnek lenni.

(Természetesen bontott mágneskapcsoló [DIL, VMK] stb. is tökély, ha nem túl szakadt, és/vagy, ha nem csak gentleman vagy, hanem gourmet is [némi burzsoá nagyzolással], akkor szilárdtest relével, rosszabb esetben valamilyen combosabb [min. 10 A] teljesítményrelével is lehet próbálkozni, de ahhoz lehet, külön táp kell, az macera, meg több hibalehetőség is)

Természetesen várom a kritikákat az ötlettel kapcsolatban!
A hozzászólás módosítva: Okt 4, 2020
(#) vision61 válasza silenthill2 hozzászólására (») Okt 4, 2020 / 2
 
Szia!

Nyugodtan üzemeltetheted, hiszen az eredeti helyén is így működik sok éven keresztül. Az indítórelés megoldással szemben annyi hátránya van, hogy a leállítás után típustól függően 15-30 másodpercig nem szabad újraindítani, mert amíg a PTC forró, nem ad a segédfázis tekercsre elegendő feszültséget az induláshoz, ami a motor leégését is okozhatja.
Ha levegőkompresszort szeretnél építeni, erre figyelni kell.
Egyébként nem háromfázisú motor, hanem csak egyfázisú, segédfázis tekerccsel, ami csak az induláskor üzemel.
(#) vision61 válasza Sorkapocs hozzászólására (») Okt 4, 2020 / 1
 
Szia!

Ez a nyomógombos indítás ebben az esetben több szempontból sem jó. (Régebben a házilag épített körfűrészeknél, gyaluknál jó volt az indítási nyomaték növelése az üzemi kondenzátor mellé.)
Egyrészt a segédfázis tekercs a PTC miatt nincs direktben rákötve a 230 V-ra, másrészt egy kompresszort általában nyomáskapcsoló indít. Ha kapcsol, szaladjon oda megnyomni a gombot?
Egyébként ezeknél a kompresszoroknál is van más gyári megoldás az indításra, egyes gyártók inkább az indítórelét (lehet nem ez a szakszerű megnevezése) építik be. Ugyanígy a kompresszor 3 pólusú csatlakozójára van rányomva, nem sokkal nagyobb, mint a PTC-s megoldás.
A hozzászólás módosítva: Okt 4, 2020
(#) Sorkapocs válasza vision61 hozzászólására (») Okt 4, 2020 /
 
Mondjuk jogos, én csak arra figyeltem, hogy 1F aszinkron moci. Valóban, igazad van, mind a PTC soros ellenállását, mind a nyomáskapcsolót illetően – utóbbi esetben a szükséges késleltetés létrehozása (mágneskapcsoló + késleltetőrelé) még plusz költség is, szemben a PTC-vel. (Mondtam én, hogy a saját topikjában legyen róla szó... )
Szóval köszönöm a helyreigazítást!

Idézet:
„...az áramrelét (lehet nem ez a szakszerű megnevezése) építik be.”


De, pontosan ez a szakszerű neve.
A hozzászólás módosítva: Okt 4, 2020
(#) lastewer válasza nagym6 hozzászólására (») Okt 4, 2020 /
 
Köszönöm.
(#) lastewer válasza nagym6 hozzászólására (») Okt 4, 2020 /
 
0.5A az áramfelvétele a nyomtatott lapnak. 5W - os Zénereket látok csak neten, van ezekből nagyobb? Vagy elég ez nekem?
(#) silenthill2 válasza vision61 hozzászólására (») Okt 4, 2020 /
 
Köszönöm szépen a sok ötletet.
Én nem vagyok egy nagy szaki.
Ezt már sugallhatta az is, hogy meg se tudtam nevezni a PTC-t.

Csak autó, bicikli fújtatáshoz akarom összeeszkábálni.
Nem akarok semmi bonyolultságot, csak hogy hibamentesen tegye a dolgát.
Arra voltam kíváncsi nem-e elkötöttem valamit.

Van 3 vezeték... föld, fázis, nulla...

A gondom az, hogy a motornál azért írtam 3 pólust, mert a földelés az csak a kompresszor házára megy, tehát a 3 tüskéből egyikre sem!
A fönti lábra megy a fázis, bal szélsőre a nulla, és a jobb szélső láb pedig a ptc-n keresztül kapcsolódik, azaz a ptc zárja a 3. láb áramkörét.
Van még egy csoda szerkezet, amiről még nem tettem említést.
Mutatom képen, ezen volt a fekete meg még valamelyik kábel, ami ment a termosztátba.
Na ez nem tudom mi célt szolgált, és kell-e az áramkörbe.
Rugó fut körbe az alján az egyik stekkernek, a másiknak meg az a fém lap.
Na így mi a vélemény?
(#) kendre256 válasza lastewer hozzászólására (») Okt 4, 2020 / 2
 
Szerintem a zener helyett inkább 15V-os szupresszor diódát használj, az annyi ideig ideig nagy áramokat is kibír, amíg a biztosíték kiolvad. Ez egy szokásos megoldás értékesebb áramkörök túlfeszültség védelmére.
Bővebben: Link
(#) kendre256 válasza lastewer hozzászólására (») Okt 4, 2020 / 2
 
Később jutott eszembe, hogy ha unipolárisat használsz, még a fordított polaritás ellen is védett lesz.
(#) Sorkapocs válasza silenthill2 hozzászólására (») Okt 4, 2020 / 1
 
Idézet:
„Köszönöm szépen a sok ötletet.
Én nem vagyok egy nagy szaki.
Ezt már sugallhatta az is, hogy meg se tudtam nevezni a PTC-t.”


Láthattad, hogy nekem is milyen lelkesen fogalmam sem volt róla, hogy az egy PTC...
Komolyan mondom, próbáld meg a "Hűtőgép kompresszor." c. témában, nagyon valószínű, hogy nagyon sok kész megoldást és magyarázatot találhatsz ott, de ha nem találsz megfelelőt, akkor is tudnak segíteni, hogy hogy rakd össze.

A csatlakozódról sajnos most így fogalmam sincs, hogy mi lehet – és megpróbálom türtőztetni magam, hogy ne beszéljek hülyeségeket, ha kell, ha nem .
A hozzászólás módosítva: Okt 4, 2020
(#) lastewer válasza kendre256 hozzászólására (») Okt 4, 2020 /
 
Köszi.
(#) silenthill2 válasza Sorkapocs hozzászólására (») Okt 4, 2020 / 1
 
Köszönöm szépen a segítségeket!
Akkor fölteszem ott a kérdésem.
További jó estét mindenkinek!
(#) vision61 válasza silenthill2 hozzászólására (») Okt 4, 2020 / 1
 
Ez a hővédelem, ha jól van bekötve, akkor a motor túlmelegedése, illetve az előbb említett újraindításkor fellépő túláram esetén megszakítja 230 V-os tápot.
(#) Sorkapocs válasza silenthill2 hozzászólására (») Okt 4, 2020 /
 
Nagyon szívesen!
Tégy úgy!
Neked is!
(#) pipi válasza vision61 hozzászólására (») Okt 4, 2020 /
 
itt ez nem igaz, ez a jó válasz
A hozzászólás módosítva: Okt 4, 2020
(#) vision61 válasza pipi hozzászólására (») Okt 4, 2020 /
 
Ezt nem értem. Miért utalsz az előző hsz-omra. A fotókon a szokásos hőbimetál (klixon) van, aminek semmi köze a PTC-hez, ez már a védelem része.
Ez megtalálható a hűtőgépekben, és a profi SIL-AIR levegőkompresszorokban is.
A hozzászólás módosítva: Okt 4, 2020
(#) Sorkapocs válasza pipi hozzászólására (») Okt 4, 2020 /
 
Szerintem mindketten félreértettük – bocs ha te nem – , de vision61 abban a hozzászólásban >erről< beszélt, nem a PTC-nkről
A hozzászólás módosítva: Okt 4, 2020
(#) kendre256 válasza pipi hozzászólására (») Okt 4, 2020 / 1
 
Mindkét választ vision61 írta, két különböző kérdésre. Csak tudja, hogy melyikre mit válaszolt... De szerintem mindkettőre igaza van.
(#) StMiklos válasza silenthill2 hozzászólására (») Okt 4, 2020 / 1
 
Szevasz!

A motor egyfázisú és segédfázisos indítású. Nagyon más nem lehet (azért igen, de ne feszegessük).
A PTC, mint a segédfázist (és felpörgés után "kikapcsolást") biztosító eszköz, akár 10-20 évig is teheti a dolgát. Hűtőnél nincs szükség rá, egyébként a termosztát gondoskodik róla, hogy 5 percen belül ne induljon újra. Ennyi a hátránya, semmi több, ha kompresszornak használod.
Nem célszerű az indítást megerőszakolni, maga a motor se szereti a követő gyors indítást.
Amit kérdeztél, az KLIXON..
Eredetileg ez a cég gyártotta (először) ezeket a motorvédőket, ma kb. bárki csinálja klixonnak hívják.
Feladata a motor túlterhelés védelme. Ca. 100-115 fok környékén old ki, és valahol 55-65 környékén kapcsol vissza.
A hőmérséklet adódik egyrészt abból, hogy figyeli a tok hőmérsékletét (annak ott kell lennie, ahova mechanika helyezi), másrészt egy pici tekercs (mondjuk manganin) melegszik benne az átfolyó áram hatására és melegíti a bimetallt, így kettőből adódik a kioldó hőmérséklet.
Kb. minden kompresszorhoz más értékű kell.

Ne babráld, használd fentiek figyelembe vételével.

Üdv: StMiklos
(#) vision61 válasza StMiklos hozzászólására (») Okt 4, 2020 /
 
Szia!
Ajánlani is akartam a kérdezőnek, hogy várjon egy kicsit. Emlékeztem rá, hogy van itt ezen a téren segítő szakember, csak nem jutott eszembe a név.
A hozzászólás módosítva: Okt 4, 2020
(#) pipi válasza vision61 hozzászólására (») Okt 4, 2020 /
 
Hamu fejemre, nem figyeltem.
(#) Peet19 hozzászólása Okt 5, 2020 /
 
Sziasztok!

Egy tekercsben indukált feszültséget szeretném kiszámolni, ami ugye N-szer delta fluxus / delta t.
Delta t -vel kapcsolatban lenne egy kérdésem. Mennyi az az idő, ami alatt végbe megy egy fluxusváltozás? Nem vagyok biztos benne hogy jól gondolom, de úgy számolom, hogy ha a fluxusváltozás periodikus, (pl, szinuszos) akkor egy fluxusváltozás ideje a periódus idő fele?
Mondjuk ha 50Hz-et veszünk annak a periódus ideje 20ms, akkor delta t-t számolhatom 10ms-al?
Előre is köszi a segítséget!
(#) Bakman válasza Peet19 hozzászólására (») Okt 5, 2020 /
 
Igen, 10 ms a delta t de a változás nem lineáris. A változás sebessége a hullám tetején és alján nulla (irányváltás).
(#) Peet19 válasza Bakman hozzászólására (») Okt 5, 2020 /
 
Értem, köszönöm.
Még egy kérdés. Egy bifiláris tekercsben indukálódik feszültség ha mágneses térben "mozog"?
Vagy az indukált feszültségek kioltják egymást és a két kimenete között 0V lesz?
(#) Gafly válasza Peet19 hozzászólására (») Okt 5, 2020 /
 
Igen, nem keletkezik.
(#) Peet19 válasza Gafly hozzászólására (») Okt 5, 2020 /
 
Köszi.
(#) MrAngelo hozzászólása Okt 5, 2020 /
 
Üdvözletem!

Segítséget szeretnék kérni LED fényerő szabályzással kapcsolatban.

Elöljáróban annyit magamról, hogy kizárólag itthon 'bütykölök' hobbi szinten, minden tudásom autodidakta módon szereztem, nem tanultam villanyszerelést, sem programozást. Imádom az áramot, évek óta próbálkozok mikroelektronikával és Arduinoval. Eddig mindent sikerült megoldanom az internet és logika segítségével de most kénytelen vagyok itt segítséget kérni mert egyszerűen nem találtam megoldást a projektemre.

A probléma a következő lenne:
3 x 6 db LED fényerejét szeretném 3 x 1 db potméterrel állítani.
Az lenne a kérdésem, hogy kivitelezhető-e 'sima hangerőszabályzó' potival (10K ohm)? Illetve beszereltem már, de egy idő múlva vibrál a LED. A meleg fényű bírta néhány hónapig probléma nélkül mielőtt most vibrálni kezdett, a hideg fényű áramkörén lévő poti viszont nem egészen egy nap alatt megsült.
12V-ot adtam neki, lehet hogy az volt a baj, 5V-ról viszont gyengének tűnt a fénye. Az ellenállásokra nem emlékszem mekkorák voltak - talán 220 ohm/LED (valami netes kalkulátorral számoltam ki anno).

Mit javasoltok, próbáljam meg mégis 5V-ról vagy semmiképp nem fog hosszútávon működni mivel a potméter az ellenállások előtt van és túl gyenge?
Úgy tudom mindegy, hogy a LED melyik végén van az ellenállás, de a poti hol legyen azt nem tudom...
Arduino kilőve mert úgy hiszem max 40mAh/láb a max terhelhetősége, a LED darabja meg 20mAh (vagy 10?). Az a baj, hogy ebben sem vagyok biztos mert eBay-en nem írták (klasszikus 3 és 5mm-es LED)

Bármiféle segítséget szívesen fogadok és köszönök szépen!

Szép estét mindenkinek!
(#) Bakman válasza MrAngelo hozzászólására (») Okt 5, 2020 / 1
 
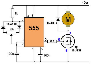
Ebből építs három példányt (lásd melléklet), ebben nem fog melegedni semmi. A motor helyére jönnek a LED-ek a 12 V-ra méretezett ellenállásokkal. LED-ek használata esetén az 1N4004 dióda elhagyható. A HEStore áruházban megtalálsz minden hozzávalót.

Fontos! Ebben a kapcsolásban a LED-ek fényereje nem vihető le nullára, illetve 100 %-ra sem tekerhetőek fel.

555_PWM.jpg
    
(#) proli007 válasza MrAngelo hozzászólására (») Okt 5, 2020 / 1
 
Hello! Esetleg építsd meg ezt a kapcsolást. A kimentre ahogy Bakman írta ne feled el a Led-ek számított sors ellenállását. De a hangerő szabályzó potit el kell felejteni, mert annak karakterisztikája logaritmikus! Ide lineáris poti kell (az 555-ös kapcsolást választanád, oda is.) Itt van egy közös poti is a mivel a hármat egyszerre lehet szabályozni. Ha az szükségtelen, akkor kihagyható. De R5 és R6 helyett ekkor a három poti eredőjének 1/2 része kell az ellenállások helyett.
Következő: »»   3515 / 4060
Bejelentkezés

Belépés

Hirdetés
XDT.hu
Az oldalon sütiket használunk a helyes működéshez. Bővebb információt az adatvédelmi szabályzatban olvashatsz. Megértettem