Fórum témák
» Több friss téma |
Szép panel!
[off] EAGLE-vel csináltad? Ha igen, akkor hogyan lehet ezt a vezetők közötti kitöltést csinálni?
hello azt csak ugy lehet ha be van vive a kapcsolási rajz
Hello mindenkinek
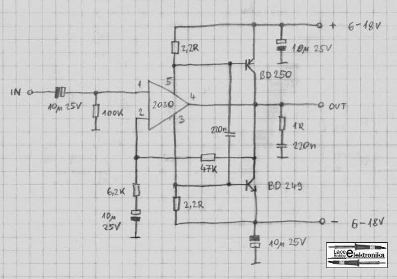
Van egy TDA 2030 végfokom + BD 249 + BD 250 teljesítmény tranzisztorom . Tudok vele valamit kezdeni ???????? Ha Igen akkor segítsetek rajzokkal. Köszi a segítőknek
köszi a segítséget de ez nekem is meg van .
Össze is raktam de nem megyen. Ful hangerön nagyon torzít + nagyon melegszik az IC meg a két tranzisztor. Nem tudnál segíteni? Hogy miért melegszik és mért nem bírja a 4 ohm -os 50 wattos ládámat.Ja Plusz a biztosítékokat hajingálja kifele.És az eggyen írányítot diódákból csínáltam. És az iss melegszik. Mert már irták azt is hogy gyenge hozzá a trafo ,de sztem nem mert én tekertem meg és a réz drót 2mm -er átmérőjű. Am ha tudni akarod az 5.1 -emhez készülne. Ja és csak egy csatornát építettem meg mert ezz lenne a mélynyomó.
Pár doldog:
Az erősítő pozitív ágában mérd meg az áramerősséget, de előbb a bemenetet kösd fölre(GND)! Annak nem szabad nagy áramnak lennie. A ládában van Piezo? Nekem a TDA nem szereti az ilyen magasat. A tarfó adatait írd meg. Mit jelent az, hogy te tekerted meg? Nem csak a vezeték átmérőjétől függ a terhelésbírás. Inkább a vasmagkeresztmetsezttől!
Én tekertem meg a trafot .Én vezetékeltem meg .
Itt egy táblázat a vasmag keresztmetszet és a teljesítmény összefüggéséről. Itt leolvashatod, hogy hány W-os a trafód.
Jah, és ha lehet rakj fel pár képet, a trafóról, az egyenirányítóról, a végfokról. Könnyebb lenne...
Csináltam egy pár képet
Nem fértek a képek . ITT van még
Nah, a trafód szerintem kellő teljesítményű. Pontosan hány wattos így a végfok? Az hogy a tranyók, meg az IC full hangerőn melegszik az OK. akkor van baj, ha rárakod a bordát és akkor melegszik, sőt olyan meleg lesz, hogy ha hozáérsz megsüt. Hány ampert bírnak a diódák az egyenirányítóban? Jah, és hány voltról járatod a cuccot? Az se mindegy.
A másik gond az lehet, hogy a bemenetre alapból nagyobb jelet raktál, és mikor a végfok potiját feltekerted jó hogy torzított.
Sziasztok.
Azt szeretném megkérdezni hogy ez a kapcsolás amit linkeltem mennyire megbízható? Mélyládához lenne. előre is köszi Joey tda2030 30watt
Szerintem építsd meg nyugodtan! Megbízható kapcsolás, sok helyen találkoztam vele, és erre legalább nem hazudták rá, hogy 100watt....
És szerinted az lenne a jobb amit linkeltem vagy ez: (csat.kép)
Az első annyiból előnyösebb mert nem kell hozzá szimetrikus táp, viszont a tranzisztorok is másak benne.
En egyszer epitettem ilyen taparamvezerelt vegfokot (TDA2030 megfejelve 2 vegtranyoval), de nem valt be. Instabil, gerjedekeny erosito lett belole. Egyebkent sem tul jo otlet a taparamvezerles. En inkabb egy TDA7296-os IC-bol keszitenek melyladahoz erositot. Ha nagyobb teljesitmeny kell akkor TDA7294 v. 93. Sztem egyszerubb es megbizhatobb illetve van benne vedelem es mute funkcio is.
Most néztem a TDA7296-ot. Nem rossz csak nekem nem kéne ilyen nagy teljesítmény, elég lenne 30-40 watt ezért gondoltam a 2030-ra.
Esetleg lenne a 7296-ra nyákrajzod vagy kapcsolási rajz? köszi
Helló!
TDA2050??? Nekem ebből van stereo erősítőm, és kiválóan működik! Én pc-hez használom, elég jó a hangja. Egy régi videomagnó táptrafója hajtja! Persze szűrve, stabilizálva! De jó a 2030 is, mert az olcsóbb asszem! :yes:
Az nem baj, hogy nagyobb a teljesitmenye mert tobb modon tudod azt kontrollalni, hogy ne adja le a max. teljesitmenyet. Az egyik legkezenfekvobb, hogy nem tekered fel a hangeroszabalyzo potmetert tul magasra
Aztan ugy is lehet ezen segiteni, hogy kisebb tapfeszultseget adsz az erositonek es akkor maris nem lehet akkora teljesitmenyt kivenni belole. Vagy nagyobb impedanciaju hangszorot kotsz ra (4ohm helyett 8ohm). Szoval nem kell megijedni, hogy 30W-os erosito helyett 60W-os van. A 60W-ot azt csak bizonyos eset(ek)ben tudja leadni az erosito. Katalogusban van kapcsolasi es NYAK rajz is a TDA7296-hoz.
hello ... en is megepitettem a tda2030 as erosito alapkapcsolasat de nem muykodik
meg se szolal nem is zug a hangszoro ha forditva teszem ra az aramot(tehat minuszot a plusszra es forditva) akkor zug a hangfal de melegedik asz egyik dioda mint allat es ha a bemenetre feszt adok arra sem reagal szerintetek mi lehet a baj?????????????? egy kepet is belinkelek legyszi segitsetek koszi elore is
Hali!
Rossz hírem van! Egy kicsit eltervezted, vagyis inkább elfelejtetted tükrözve megrajzolni a nyákot. Ezért az IC lábai fel vannak cserélve. Lásd kép...
hogy erted hogy felcsereltem a labakot??
nem jol van belotve vagy fel kell csereljem a labakot ...de mejiket mejikre legyszi segits KOSZi nagyon
Ha összehasonlítod a kapcsolási rajzzal, akkor láthatod, hogy az IC 1-es lába fel van cserélve az 5-el, a 2-es pedig a 4-el.
Azt tudod tenni, hogy az IC-t a panel másik oldaláról forrasztod be. Érted? Ha nem, kérdezz! Persze a csere miatt lehet, hogy az IC elszállt. Üdv!
Igen, a panel másik oldaláról, de a hűtőborda ugyanarra fog állni.
Ha gondolod, külgy majd egy képet róla ellenörzés képpen.
racineztem ugy ahogy mondtad de nem mukodott igy sem
talan rossz az egyesz panel vagy roszul lett megytervezve ?? nem ez az elso aramkorom (nem is az utolso) de nem tudtam rajonni me lehet vele pedig minden ugy van akogy a kapcsolasban szerepelt az ic is kicsereltem hatha az volt a rossz de nem Most is ugyan azok a tunetek nem zugy a hangszoro,ne reagal a feszre,ha forditva kotom az aramot melegszik a dioda es annyi lehet hogy elolrol kellene kezdjem az egyeszet???? vagy meg van remeny hogy mukodjon ez a kapcsolas ezen a panelen ha van meg valami otleted megkoszonnem ha segitenel meg szeretnem epiteni ezt a kapcsolast mert mannyit olvastam rola es anyi mindenki megepitette mar kosz a segitsegedet remelem meg fogsz
Könyörgöm, felejtsd már el azt, hogy ha nem megy így, akkor ráadom fordítva a feszt!
Ezzel tuti kinyírod a végfokot. Másodszor, biztos ami biztos alapon, mielőtt kipróbálod, küldj egy képet, hogy lássuk, minden jól van-e. Harmadszor, a képen ha tudod, tüntesd fel, hogy melyik vezetéket hová kötötted. Ja, és küld egy linket is, hogy melyik kapcsolási rajz alapján csináltad, hátha ott van a hiba. (azt már csk zárójelben jegyzem, hogy lehetne jobb minőségű a kép) ...és természetesen szívesen segítek! Üdv! |
Bejelentkezés
Hirdetés |























