Fórum témák
» Több friss téma |
- Ez a felület kizárólag, az elektronikában kezdők kérdéseinek van fenntartva és nem elfelejtve, hogy hobbielektronika a fórumunk!
- Ami tehát azt jelenti, hogy a nagymama bevásárlását nem itt beszéljük meg, ill. ez nem üzenőfal! - Kerülendő az olyan kérdés, amit egy másik meglévő (több mint 17000 van), témában kellene kitárgyalni! - És végül büntetés terhe mellett kerülendő az MSN és egyéb szleng, a magyar helyesírás mellőzése, beleértve a mondateleji nagybetűket is!
Valószínűleg adnak, de ha egyik sem GSM interfészes, akkor is jó neked, van vezetékes telefonvonal a helyszínen?
Micron telepítési kézikönyve. Paradox telepítői kézikönyv.
Sziasztok,
Motorkerékpárba építek USB charger-t (5V max 2,1A) és egy riasztót. A riasztó fogyasztását nem ismerem, de számolok rá túlméretezéssel mondjuk 12V 0,5A-t. Ezeket egy csomópontba kötöm, majd rávezetem az akku sarujára. Kérdésem az lenne mekkora keresztmetszetű (vagy átmérőjű) réz ereket használjak? (az akku 12V-os) Üdv
Tudtok ajánlani olyat amiben van GSM modul is?
Nekem csak GSM modulos jó. A hozzászólás módosítva: Márc 15, 2021
Sziasztok!
Kiégett egy ellenállás a tápegységemben, meg tudná mondani valaki az értékét? Köszönöm.
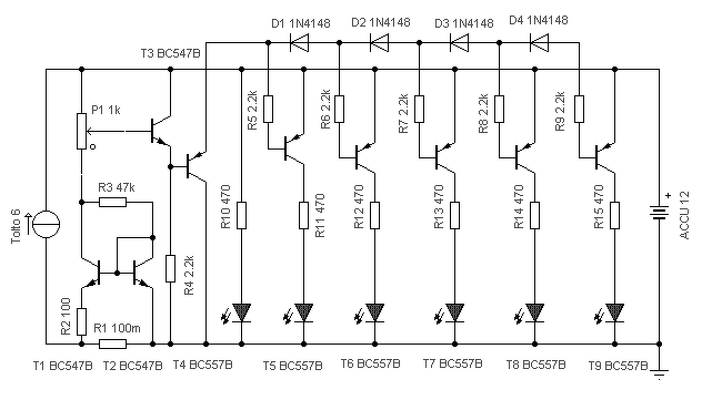
Egy led-es ampermérőt építenék, van valakinek ilyen kapcsolása ? Aksitöltőbe tenném, az első led mindig világítana a többi amperenként. Spec. Ic-t nem rendelgetnék, tehát fellelhető alkatrészekből építeném meg (dióda tranzisztor).
Köszönöm előre is.
Sziasztok, lehet nem ide kellene írnom, de az a topik 2012ben volt utoljára használva.A segitsegeteket kérem
Kaptam egy upst trust PW4095T 950VA Kérdésem ezt bekapcsolva kell tölteni vagy kikapcsolt állapotban, mert mikor ki van kapcsolva és bedugom, hallok egy relét kattani, és nem tudom mikor van feltöltve? az elején bekapcsolt állapotban van egy kék led és időközönként csipog
A relé kattanás az okés. Bekapcsolva kell tölteni. Nyugi nem fogja túltölteni ha nem hibás. A csipogás arra enged következtetni hogy az aksi lehet hogy halott. Mekkora feszültség van rajta jelenleg? Régi/új aksi?
Hello!
Én lerajzoltam, hogyan lehet ezt kb. megoldani. Arra azért ne számíts, hogy pontosan Amperenként fog jelezni, de hogy sorban, arra igen. Az 1k trimmerrel be lehet beállítani a jelzés végét.
Köszönöm gyors válaszod. Az aksin 13.6V és 9A van. Ha bekapcsolom akkor 220 megvan a kábel végén. Szerintem új szerű az aksi.
220 helyet már 230-at írunk, a inkább a sok piros miatt kellene jobban odafigyelned. A hozzászólás módosítva: Márc 17, 2021
Moderátor által szerkesztve
9A az mi??? Uge nem tetted rá direktben az ampermérőt???
Többet ne csináld hogy direktbe teszed rá a multit mert tönkre fog menni.
Ha rá van dugva a hálózatra és be van kapcsolva akkor egy beep kód lehet. Tegyél rá valamit hátha elhallgat. 49 oldaltól magyar a nyelv A hozzászólás módosítva: Márc 17, 2021
Kifelejtettem az emitter ellenállást..
A ledsort megépítettem, működik. Mi az a 100m ?
A hozzászólás módosítva: Márc 17, 2021
100 mΩ, m=milli. De ha nem tudod mi a 100 m, akkor mit tettél a helyébe?
A hozzászólás módosítva: Márc 17, 2021
Visszacsatolás a stabilabb működés érdekében.
A hozzászólás módosítva: Márc 17, 2021
Azért gondoltam, hogy 100mΩ. Azt a részét még nem építettem meg csak a ledsort az jól fut.
Sziasztok!
Van egy MK29 kazettás magnóm, ami gyorsabban játsza le a szalagot. Esetleg van valakinek valamilyen ötlete, hogy lehet-e ezen segíteni. Köszi a tippet
A hálózati feszültség emelés miatt gyorsabban pörög. Hogy mivel lehet csökkenteni a fordulatot azt sajnos nem tudom. Ellenállás a motor előtt,
Minden magnóban van fordulatszám stabilizátor. A trimmer potival tudod állítani. Ha nem cseréld az esetleg hibás tranzisztort. A rajz az MK 25
A hozzászólás módosítva: Márc 17, 2021
Bocs elnéztem a típust (MK29 és nem 25) De a lényeg hogy a motor stabilizátort kell ellenőrízned.
Jól hitted, 0,1 Ohm. Jó, ha 2W-os az áram miatt..
Ez teljesen téves! Minden magnóban volt motorszabályzó, ami a hálózati feszültségváltozást, vagy éppen az elemek merüléséből adódó feszültségcsökkenést korrigálta. Ebben a szabályzóban van a hiba, vagy elállítódott (elöregedett) a trimmer potenciométer.
Itt a kapcsolási rajz, (hogy meg legyen) de sajnos nincs kirajzolva a motorszabályozó áramkör.
Pedig ez a gyári rajz. De biztos hogy van benne egy trimmer potméter. A hozzászólás módosítva: Márc 17, 2021
Néhány hozzászólás felhasználói kérésre eltávolítva, helytelen megállapítás miatt.
Szeretném megtudni mi volt a helytelen megállapítás !!!! És ha helytelen is volt, lehet rá reagálni ember módjára, én az modiznám ki aki jelentett és aki helyt adott neki. Nem volt a hozzászólásom Spam, Durva vagy sértő, Igénytele, Duplikátum, Egyéb. A helytelen megállapítás nem bűn !!!!!!! Talán félreírtam valamit. A soros ellenállás helyett söntöt írtam ?! Ugyan már ....
Higgadj le.
Olvasd el, amit most írtál, és értelmezd. Más hozzászólásait is törölték. Idézet: „A soros ellenállás helyett söntöt írtam ?!” Mivel a kondenzátorokat úgyis ki kellett cserélni, nagyjából mindegy is a kérdés.
Egy helytelen megállapítás nem bűn, de ott marad a neten, és évek múlva keres valaki valamire, és azt találja meg. Szerintem a hibákat meg kell próbálni kijavítani, törölni, amennyire csak lehet. Nem láttam, mi volt a helytelen megállapítás, pár hete én saját hozzászólásomra kértem moderációt, mikor figyelmeztettek, hogy hibás.
Üdv!
Lm350-et használt itt már valaki? Összerakom kapcsolás szerint, ami nem egy nagy bonyolultság, 2.5 voltot szeretnék, kb 1 amper mellett, a legutolsó próbálkozásom szerint r1 r2 100 ohm, viszont folyton abba a hibába eset hogy bár megvan az üresjárati feszültség szépen. Ahogy rákötöm a fogyasztóra a 2,5 ből lesz 2,2volt. Mit rontok el? A hozzászólás módosítva: Márc 18, 2021
|
Bejelentkezés
Hirdetés |



















