Fórum témák
» Több friss téma |
Fórum » Házilag építhető fémkereső
A kábelekről néhány szó.Erős strapa bírásra kifejlesztett kábelek .Könnyen szerelhető , és pár perc alatt szétszerelhető , illetve összerakható.Néhány kép róla.
Idézet: Végleges impregnálás az anyag kötése alatti méretváltozása miatt elviheti a tekercsek beállítását. „A beállítások még a tekercsek impregnálása előtt megtörténik” Javaslom előbb kérdezd szakértőnket -mateatek, valahol visszább írt erről a problémáról.
Köszönöm azt útba igazítást.A konzultáció folyamatos vele , ha elakadok mindenképpen ő lesz az akihez tanácsért fogok fordulni.
Csak azért,hogy legyen itt is valami..........
Pinpointer homemade. Lehet vitatni,bármi.... ![]() Kb. 1,5-2cm -ről látja az egyforintost,közelítésre változik a hang és a led fénye. Lefényképeztem volna,de nem nőtt ki még a 3. kezem,pedig néha jó lenne.
Engem csak annyi érdekelne , ha valaki megépített már egy komolyabb keresőt , akkor mi viszi rá egy ilyen megépítésére.
Ha mész a lengetős keresővel, akkor van egy jeled. Ezt az ásóval egy nagy darab föld kolonccal együtt kifordítod. A kolonc fölött meglengeted a gépet és az mutatja, hogy benne van. Félbe vágod a koloncot, és megnézed, hogy melyik felében van a találat. Majd a jeles koloncot is félbe vágod-töröd. Ezen a módon exponenciálisan fog csökkenni a koloncod térfogata egészen addig, amíg meg nem találod a találatod.
Ezt a folyamatot valamelyest le lehet csökkenteni egy pinpointerrel.
Egy nagy darab földet ketté vágva is már lehet szelektálni a keresővel ,és így tovább.
Gyakorlati hasznát Attila leírta,de mellette az unokát is némiképp lefoglalja.
Hogy mi vitt rá? A sok szabadidő,mellé egy talicskányi alkatrész és a kíváncsiság a 4 megépített kereső után.
Ez korrekt válasz volt .Teljes mértékbe eltudom fogadni.
Ideiglenesen "összeraktam" a TGSL-emet. A keresőfej műgyantával lett kiöntve, a nyél lefolyócsőből készült. Az elektronika és az akkupakk szigszalaggal rögzítve készen állt az első éles próbára.
A próbaút már eredményt hozott, mert sikerült vele megtalálnom a kertben, a fű között az unokánk elveszített fülbevalóját.
Lényeg,hogy működik!
Idézet: „A próbaút már eredményt hozott, mert sikerült vele megtalálnom a kertben, a fű között az unokánk elveszített fülbevalóját” Már megérte a fáradságot és megtérült minden,hisz örömet szereztél az unokának! Innen már minden csak nyereség lehet!
Sziasztok!
Anno pár évvel ezelőtt elkezdtem megépíteni az S.M.W 2.0 verziót , amivel aztán olyan probléma volt , hogy kissé érzéketlen volt! Aztán valaki azt tanácsolta , hogy építsek másik adó fokozatot hozzá, ezt meg is tettem, megépítettem az s.m.w 3.0 tl081 adófokozatot hozzá ,ami javulást hozott , végeredmény pedig , egy 5 forintost már 50cm-ről hozza levegőteszben, nagyobb tárgyak , pl befőttes üveg teteje kb 70-80 cm! Az a kérdésem , hogy lehet e még javítani valamelyest , és ha igen , akkor miképp? Adótekercsem 70 menet, vevő tekercs 170 menet! Azt vettem észre , hogy ha az adófokozat 150 nanós kondiát 100 nanó-ra cserélem , és a vevőfokozat 1n kondit 120 pikóra , akkor sokkal érzékenyebb a gép , viszont a talajkiegyenlítés ekkor már csak úgy tudom beállítani , ha a diszkrimináció potija majdnem teljesen rá van tekerve!Hány Khz-re hangoljam az adót?A 150n kondival 10,76 khz . Biztosan nem pontos mert hangkártyás szkóp progit használok! A segítségeteket előre is köszönöm! A hozzászólás módosítva: Máj 13, 2021
Az, hogy milyen frekvenciára hangolod a gépet, az a saját szájízed szerinti.
De ha az 5 forintost ilyen távolról jelzi, akkor őszintén kérdezem, hogy mit szeretnél még? A diszk potinak nem nagyon kellene függenie a talajkiegyenlítéstől. A talajkiegyenlítésnek akkor is jónak kell lennie, ha all-metal módban vagy, akkor is, ha erősen szűrsz. Ha a diszket is föl kell tekerni ahhoz, hogy ne jelezzen a talajra, akkor módosítani kell az erősítő rendszered fázistolását, illetve a fej fázistolásán is kell kicsit módosítani egy kis párhuzamos kondival a vevő tekercsen.
Köszönöm a segítséget!
Ezzel a fázistolásos témában nem vagyok jártas! Azt sem tudom ,hogyan mérjem , a szkóp is olyan , mikrofon bemenetet használ a progi , másom nincs!Elég ha a vevőtekercsre kondit rakok párhuzamosan? Milyen értéket?
Sziasztok !
Segítséget szeretnék kérni az s.m.w fejjel kapcsolatban! Megcsináltam a fejhez az öntőformát , szépen kiegyenlítettem a fejet , scope programmal , mikrofon bemenetről , tökéletesen funkcionált a gépezet ,beöntötte műgyantával+ üvegszövet, de amint kikeményedett a műgyanta, akkor már nem volt jó egyáltalán , visszaraktam scope progira, és láttam , hogy a tekercsek elmozdulhattak, mert már nem volt tökéletes a kiegyenlítés! Nem nagyon mozdulhatott el a két tekercs , de iszonyatosan nagy a különbség, ahhoz képest , amilyen jól működött! Most szinte lehetetlen beállítani a talajkiegyenlítést , és az érzékenység is gyatrább lett , pedig nagyon szuper volt míg ki nem öntöttem a fejet! Egy 5,3mm-es aluminium anyacsavart 25-30 cm-ről érzékelt hangosan, most , hogy elhúzta a tekercseket a műgyanta, kb csak 10cm! Nem lehet , valahogy kiegyenlíteni a fejet , esetleg valami kis ferrittel ,vagy valami "trükkel"? Menthető még , vagy kuka? A hozzászólás módosítva: Máj 19, 2021
Javítható a fej.
De azt számoljad hozzá, hogy ha a fejet szobahőmérsékleten kiegyenlíted, akkor azért a dilatáció el fogja húzni. Tehát hidegben és melegben sem lesz tökéletes.
Köszi!
Értem , szóval visszaállítható az érzékenysége... Ahogy az időm engedi , azonnal kipróbálom! Az nem elég ha csak odahelyezem a ferritet , addig míg megnézem mennyit javul a helyzet? A hozzászólás módosítva: Máj 20, 2021
Persze, elég, ha csak odahelyezed. Nyugodtan kísérletezzél.
A nagy bezártságban elkezdtem részemről ismeretlen utakon bóklászni. Készülőben a négyszögjellel hajtott fémdetektor.
Ha minden jól megy, akkor multifrekvenciás lesz. Most már érzékel fémeket, de a diszkrimináció még nem működik. Sokat szuttyogok vele, mert nem sok információ van ezekről a gépekről. Eléggé más, mint a szinuszos IB gépek, noha ugyan az, csak az alapokig lecsupaszítva. Nagyon más a fej, más a meghajtás, de legalább nincsen megkötve a működési frekvencia. Ha még pár évig eltart a vírushelyzet, akkor a nyitásra készen is leszek vele.
Pár évig te biztosan nem tudsz várni .Úgy hogy szerintem sokkal hamarabb készen lesz az .
Most körülbelül ott tartok a géppel, hogy nem tudom hogyan tovább.
A teljesítménye, egyenlőre csak levegő teszteket véve alapul, 10-15%-ot elmarad a szinuszos társaitól. El leszek egy darabig, amíg rájövök, hogy merre induljak el a javulás irányában. -Nem korrektül megválasztott adó tekercs induktivitás és vezeték. -Ugyanez a vevőnél. -Nem korrekt adó tekercs meghajtás, magyarán maszak meghajtó híd. (pedig más füstmentes) -Illetve a vevő erősítő nem megfelelő erősítése, felépítése.
Közben blogolok tovább. A vevőerősítő képe a képen, rárajzolva az ideális. A vevőerősítő átvinné az ideális jelet is, mert ha a csillapító ellenállást növelem, akkor megjelennek a tüskék. Ha a tüskéket átviszi, akkor vélhetőleg (?) a vett jelet is.
Vagy túl nagy induktivitású a vevő tekercsem, (30 menet, 23 centi átmérőn 0,28 huzalból), vagy az adó tekercs meghajtója hídja nem szeret jól átkapcsolni.
A nem ide tartozó (AVR fuse bit témájú) hozzászólások áthelyezve az AVR - Miértek hogyanok témába.
Sziasztok!
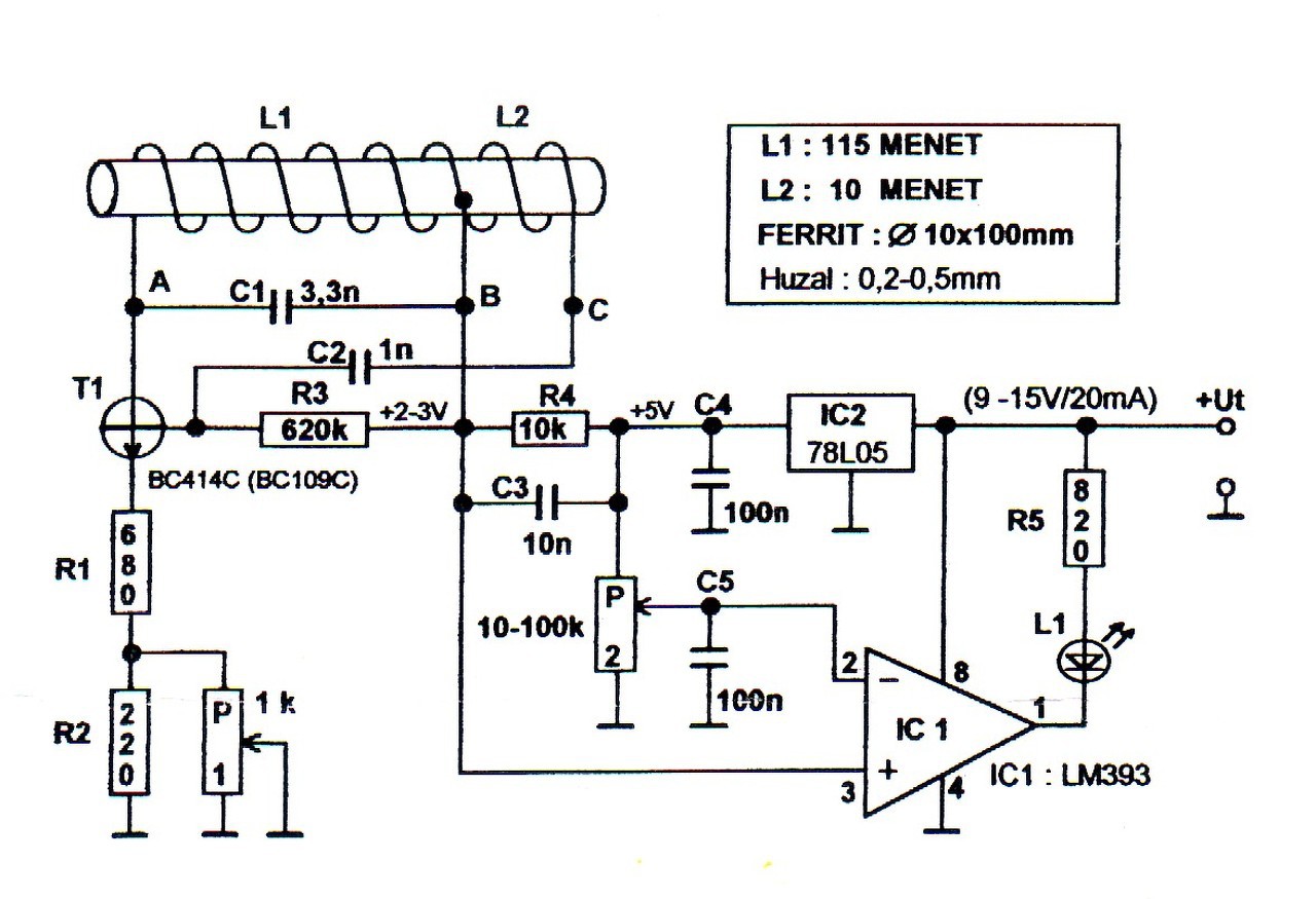
Megépítettem ezt a keresőt, annyi a probléma, hogy ha bekapcsolom akkor max kijelzésen van, ha van tekercs rajta ha nincs. Hol keressem a hibát? Köszönöm.
Kicsit előre léptem. Talán megvan a megoldás. A vevőerősítőm azon az erősítésen, ahol használni szeretném, kezd kifogyni a szuszból. (Vagy csak nagyon távoli keletről származik az IC?) Most csináltam a vevőerősítő elé egy elő-erősítőt, a vevőerősítő erősítését pedig lejjebb vettem. Így most cirka 1000x-es erősítésem van. (10x plusz 100x) A levegő teszt távolsága helyén is van, de mivel az előerősítő egy dugdosós panelon van, lógó vezetékekkel, így zajos vagyok, de nagyon.
Kell konstruálnom egy kis-zajú erősítőt, amivel 500 és 1000 között tudok erősíteni. A pontos beállítás meg majd meglesz a gyakorlat közben. Amúgy, a jelen egy 5 kHz-es periódusú jel látható.
kezd alakulni. A vevőerősítő kezd kifogyni as szuszból , vagy csak már kevés a táp hozzá annál az erősítésnél nem ?
A másik én szabályozhatóra tenném a vevőerősítő erősítési ágát , vagy a visszacsatoló ágát , és úgyszintén az előerősítő ágban is ezt tenném.Aztán el kezdeném állítgatni , és rá a szkópot , hogy akkor be lehetne e lőni azt az erősítést ami kell.De ha nem és torzítás lép fel , illetve elfogy a dolog , akkor a tápnál néznék szét , lehet kevés neki a nem tudom mennyi jelen esetbe most nálad.
Ha a tápból futnák ki, akkor az látható lenne, hogy határolt a jel.
Alapszabály..., a műveleti erősítő egységnyi erősítéshez tartozó frekvenciája min akkora kell legyen, mint az erősítendő jel legnagyobb frekvenciájú komponensének és a kívánt erősítésnek a szorzata! Ez az alja. De inkább néhányszor ajánlatos ezt meghaladni...
A szkópábráidból nem derül ki, milyen frekvenciákról van szó, de ez azt jelenti, hogy ha kHz-es tartományról van szó, és 1000x-es erősítésről, akkor min 10MHz-es műveleti erősítő kell majd... Idézet: „A szkópábráidból nem derül ki, milyen frekvenciákról van szó” Az alsó csúcstól az alsó csúcsig 5 kHz a periódus idő. De persze a jelben ennél gyorsabb összetevők is vannak. Eddig 5532-vel próbálkoztam 1 fokozatban, de annak ez sok. Vélhetőleg más típusoknak is, így 2 fokozatban gondolkozom. |
Bejelentkezés
Hirdetés |






























