Fórum témák
» Több friss téma |
Fórum » Akkumulátor töltő
A jelek szerint használati utasításod nincs hozzá. Jól értelmezem, hogy használtan vetted? Ha az interneten nem találsz hozzá leírást, a legbiztosabb, ha belenézel.
Az autóakkumulátorokat külső töltővel akkor kell tölteni, ha valamilyen okból lemerültek, vagy a kocsit nagyon ritkán használod. Feszültségmérő nélkül kockázatos belevágni. Arra biztosan jó, hogy belenyomj annyit, hogy az autót beindítsad vele. A hozzászólás módosítva: Jan 9, 2022
Szerintem a szokásos. Nincs benne vezérlés. Az aksit 19V-ra tölti ha rajtafelejted. Csak a trafó limitál. Fordított csatlakoztatásnál leég. Jó aksit meleg helységben töltve leég. Egyéb pozitív vonása nincs..
Élet jeleit nem véltem felfedezni, de hogy buli volt itt az látszott
Rendben vannak! Lemerült a kocsim a kevés használat miatt, éjszakára nem mertem rajta hagyni, mivel nem tudom, hogy túltölti e vagy leáll akkor amikor eléri a kívánt feszültséget.
Szereld ki az akkut, úgy töltsd 6 órát. Azzal biztosan beindul. Valószínűleg kevesebb is elég lehet.
Biztosan túltölti, van hasonló töltőm, csak annak kék a doboza. A hozzászólás módosítva: Jan 9, 2022
Nem a szokásos. Ott van az elején, hogy fordított polaritás elleni védelem, rövidrezárás elleni védelem. A hátulján pedig az üzembehelyezés sorrendje. Ha betartja, akkor a töltő nem megy olyan egyszerűen tönkre. Automata töltési funkciót nem ír, tehát túltöltheti az akkut. A kijelzőkön viszont közelítően követni lehet a töltési folyamatot.
A hátoldali képen jelölt sorrendben kell az akkura csatlakoztatni.
1. Piros csipesz a +-ra 2. Fekete csipesz a --ra 3. Hálózati dugó. Akku nélkül a kimeneten nincs feszültség. A "szokásos" csattintgatós tesztelés nem használható a töltő tönkretételére. Akku nélkül csak belül tudsz méregetni, de azt csak akkor tedd, ha akkuval nem indul.
A fordított polaritás elleni védelem az hogy lehet reménykedni hogy a biztosíték hamarabb kiolvad mint hogy kiolvasztja a két diódát a rövidre zárt aksi..
![]() De kipróbálhatja igazad van-e. A rövidzárvédelme is igen egyszerű. A trafó képtelen annyi energiát leadni ami tönkretenné a diódákat. A hozzászólás módosítva: Jan 10, 2022
Lehet, hogy igazad van. Javítottam ilyen védelemmel ellátott töltőket, amiben az akku FET-en keresztül kapott áramot. Ha fordítva tették rá, nem kapcsolt be. Ebben viszont az a kis panel az előlapon túl kevés, máshol meg nem látok elektronikát.
Már a márkaneve is sokat mondó: SAAR ...
Sziasztok!
Nincs valakinek egy épkézláb 48v-os akkutöltő rajza? 4 darab sorbakötött zselés akkut kellene tölteni egy elektromos járgányban. Eredetileg adtak egy ilyen kapcsolóüzemű töltőt de én szeretnék építeni hozzájuk egy hagyományosat. Bogarászom a net-et de mindenhol csak 12v-os töltőket látok . Jól jönne egy reprodukálható kapcsolás meg hozzá való trafó érték is. Ha valakinél akadna azt megköszönném.
Szia!
Nem tudom, hogy ezeket láttad-e? Bővebben: Link
Nézem!
Ahány rajz annyi féle érték van rajtuk bemenőtáp ügyben.
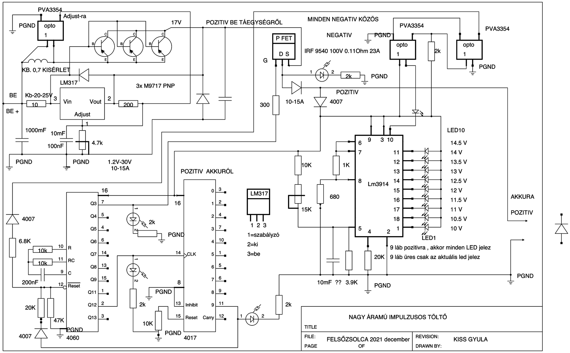
Kísérletezgetek egy kocsi akkutöltővel . Azt a feladatot tűztem ki magamnak , hogy kicsit gyorsabban töltsön
ezért 12Hz-el szaggatott 17V-al töltöm az akkumulátort. Végül is ezt úgy gondolom megoldottam . Elsőre kicsit bonyolultnak tűnik a rajz , de csak a lomtáramban meglévő alkatrészeket használom fel. Visszatérve a CD 4060 állítja elő a FET vezérlő kb. 12Hz-es jelet. A 4017 számolja az impulzusokat és az idő egy tizedénél lekapcsolja a töltést és lekapcsolt állapotban megméri az akkumulátor feszültségét , ha nem éri el a 14,5V-ot újra bekapcsol egy idő ciklusra , ellenkező esetben kikapcsol. Kísérleti panelon már működik , most készítek egy nyákot hozzá, de kicsit megakadtam , jó lenne bele a fordított polaritás elleni védelem , de nem jön be a képbe olyan megoldás ami az IC-k és FET védelmét megoldaná. Ha valakinek van ötlete , szívesen venném.
Elnézést fordítva került be a rajz.
Megint , hiába fordítottam meg előtte.
Tedd fel olyan formátumban amit más is könnyen meg tud nyitni, több segítséget kapsz!
Elnézést , csak közben más feladatot kaptam.
Köszönöm én is készítettem egy átalakítást, de nem túl jó.
Ez a 12Hz valami tudományosan megalapozott érték?
Ha nem akkor egyszerűbb lenne a 100Hz Ekkor nem kéne ezen kapcsolás előtt pufferelni sok drága kondival és meg lenne oldva a lüktetés is. Az alkatrészek 80%-a feleslegessé válna.
Valahol régen azt olvastam, hogy célszerű 10-20 Hz-re beállítani.
Azt elfelejtettem leírni , hogy egy IR 2153 IC-vel és két FET-el épített kapcsoló üzemű tápról megy a rendszer. Tulajdonképpen ez a rendszer már üzemel , a FET 20N60C , de időközben vásároltam IRFP 460 . ezt jobbnak gondolom , csak az a probléma , hogy a 2153 nem bírja meghajtani. Ma még egy kicsit kísérletezek ,mert a 20N60C -nek 12 V van biztosítva , ezt megkísérlem 15V -ra felemelni, ez még a mai programom. Lehet, hogy 15V-al sikerül meghajtani a 460-as FET-et.
Az igazi problémám az aksiról érkező fordított polaritás elleni védelem elkészítése, tervezése.
Egy diódával és egy olvadó biztível könnyen megoldható lenne , de azt gondolom , hogy az IC-k és a kapcsoló FET hamarabb elszállna mint ahogyan a bizti kiolvad.
Cseréltem a 7812 stab. IC-t 7815 -re és szépen meghajtja az IRFP 460 FET-et.
Köszi , ennél is azt látom gondnak , hogy gyorsabban elszállnak az IC, mint ahogy a jelfogó kapcsol.
Valami olyasmi kellene , hogy alapban ne csatlakozzon a tápfesz az aksira , előbb végezzen vizsgálatot arról , hogy nincs e fordított polaritás esetleg rövidzárlat , csak a vizsgálat elvégzése után kapcsolja az aksíra a tápfeszt és a többi cuccot.
Kell keresni ilyen védett töltő rajzot. Javítottam már ilyent, ahol a két párhuzamos kimeneti FET mellett valami kis áramkör végezte a fordított polaritás elleni védelmet. Ha fordítva tették rá az akkut, nem nyitottak a FET-ek. Nem rajzoltam le magamnak, csak cseréltem a két FET-et és egy nagyobb ellenállást. Elég régen volt, már nem emlékszek, milyen típus volt, de automata töltő, gyorstöltő és indításrásegítő funkciója is volt.
Egy egyszerű nagyáramú soros dióda..? Ha nem baj hogy elvész pár watt és hűtőbordára kell felcsavaroznod..
Üdv Erbe !
Elnézést de Te az a régi / nem sértésnek szántam / Erbe vagy , még a régi szélkerekes időkből? Nagyon örülök, Jó a régi ismerősükkel beszélni, írogatni. Főleg ebben a mai visszafogott világban. Már több mint tíz éve nyugdíjas vagyok , de az elektronika mint hobbi az maradt. A szélkerék projekt nem volt túl sikeres. Visszatérve a védelemre , valami ilyesmin gondolkodok , hogy még egy áteresztő kis rds-es FET . ami lezár ha negatív kerül a pozitív oldalra , mármint vissza az aksítól , csak akkor kapcsoljon fel ha minden rendben van. Gondolkodom még ezen a témán. |
Bejelentkezés
Hirdetés |








Akku nélkül csak belül tudsz méregetni, de azt csak akkor tedd, ha akkuval nem indul.



