Fórum témák
» Több friss téma |
Fórum » Központi fűtés (vezérlés)
Témaindító: farago_bme, idő: Aug 29, 2010
Témakörök:
Szia!
Mértem, Kb 20 percig ment a 45 C° víz, a radiátoron álló termosztát 28,8 C° -t mutatott. Leállítottam... kb 15 mp után esett 0,1 C° -ot, majd kb 30 mp után visszaugrott 28.8 C°-ra és ez így is maradt pár percig, atán folyamatosan, de lassan esett. Tehát nem valós a tapasztalatom... Köszi
Rövid ieig kering a víz és nem ér oda a meleg? A keringtető után is mozog a víz.
Mire a hőmérő belseje felmelegszik, addigra a külseje sokkal melegebb. Egy ideig a hőmérő saját hatáskörben külső fűtés nélkül is melegszik. A helyzeten egy módon tudnál javítani, minél alacsonyabb hőfokú vizet kell keringetni, vagy a szivattyú sebességét csökkenteni. Esetleg a radiátorra teszel egy plusz termosztátot, ami pl 30-40 fokos víz esetén ki/be kapcsolja a szivattyút.
Sziasztok!
Következő lenne a problémám. Van egy Honeywell CM707-es fali termosztátom ami egy AM10-es hőmérséklet függő vezérlőn keresztül egy kondenzációs Buderus kazánt vezérel. A termosztát fűtési igény esetén bekapcsolt az AM10 meg a külső hőmérséklet alapján vezérli az előre menő víz hőmérsékletét. Nekem ezzel CM707 van bajom. A leírás szerint PI (arányos – integráló) szabályzóként működik. Ez azt jelenti, hogy egy beállított ciklus szám alapján fűtési igény esetén elkezd szakaszos üzemben működni. Ahogy közeledik az elérni kívánt hőmérséklet egyre rövidebb időre kapcsol be. A bajom a következő vele: az elérni kívánt hőmérséklet elérése után nem mindig kapcsol le. pl. 22 C-foknál kikellene kacsolnia de ő szépen fűt 22,5 fokig. Pedig ha megnézem a program szerinti hőmérsékletet (i gomb) akkor jelzi, hogy 22 a cél hőmérséklet. Ezt az idióta működést ráadásul teljesen összevissza rendszertelenül csinálja van amikor rendben működik. Azt hittem hibás termosztát ezért vettem egy ugyan olyat. Lás csodát pontosan olyan szar. Esetleg valaki találkozott már ilyen szarral?
Szia, jó az, hidd el. Kicsit túl fűt eleinte, majd megtanulja a lakást, akkor már pontos lesz. Azért ilyen furcsa, mert visszafelé is dolgozik, igyekszik a beállított hőmérsékletet tartani. Ha már felette van, akkor is bekapcsol, hogy ne menjen a beállított érték alá. Kb 10-14 nap a tanulási ciklus. Szerintem az időjárásfüggő szabályzó csaphatja be kissé, lehet, hogy a meredekségén kellene állítani.
Szia! Köszönöm a válaszodat. Sajnos több éve csinálja kb. 10 éve. Jelenleg felesben használom amíg tudok fával tüzelni addig egy puffer tartályon keresztül fűtök amit egy programozható Computherm termosztát vezérli. Azzal nincs semmi bajom nagyon pontosan végzi a dolgát, de ez egy hagyományos termosztát amikor kell bekapcsol majd mikor eléri a hőmérsékletet akkor kapcsol ki. Már gondolkoztam, hogy ezzel vezérelném a külső hőmérséklet szabályzót mivel ennek is két vezetékes a bekötése. Csak azért kínlódok ezzel CM707-tel mert talán ezzel a ciklusos üzemmel takarékosabb. A hibát amúgy teljesen rendszertelenül csinálja van amikor 22.5 helyett 23 fokig melegít, van amikor 21.5 helyett csak 22-ig engedi a lakást lehűlni. Az AM10-es szabályzó most 65-25 fok közé van állítva. Ezt eddig nem piszkáltam mert nagy hidegbe is szépen felfűtött amikor melegebb van akkor is elég ez a hőmérséklet. Szerinted valamit állítsak rajta? Véleményed szerint is érdemes ezzel kínlódni mert energiatakarékosabb a fűtés vagy kössem rá a Computehrm szabályzót?
Sziasztok!
(Remélem jó helyre írok) Abban kérném a segítségetek, hogy vettem egy kombinált puffer tartályt (HMV, és fűtés), és a jelenlegi Thermo ÖV30 kazánomat szeretném rákötni, úgy hogy a jelenlegi gázbojlert kiváltom vele. Nagyjából megálmodtam egy sémát, ami szerint vezérelném a rendszert, viszont egyáltalán nem ismerem a piacon elérhető eszközöket. Amire szükségem lenne: Kép 3as: 1db késleltető relé (a kazán visszahűtésére) Kép 2es: 1db nullát is kapcsoló záró termosztát (a fűtés pufferhez) Kép 1es: 1db normál záró termosztát (HMVhez) A 3. nem gond. Nincs speckó igényem. Egy sima csőszondás termosztát megfelel. Az első kettővel viszont gondban vagyok. Nagyon régen dolgoztam napkollektorokkal, medencefűtéssel, kazánnal, és kandallókkal, de akkor még mindent analóg eszközökkel kötöttünk. Azóta teljesen más területen dolgozom, és kiestem. Nem tudom árban, hogyan jönnék ki jól. Ha mindent ugyanúgy analóg eszközökkel kötnék, vagy létezik ilyen rendszerekhez komplex vezérlő egység elérhető áron (nagyságrendileg azonos az elsővel)? Szerk.: A kazánon nincs termosztát bekötési hely, így csak a betáppal tudom vezérelni. A hozzászólás módosítva: Aug 16, 2021
Késleltető relé: ezt keresd: ejtés késleltetésű relé. Kb. lépcsőházi automata.
Nullát is kapcsoló termosztát: nem nagyon van ilyen de ha a termosztáttal egy kétpólusú relét működtetsz, meg is van oldva a kérdés. Idézet: Nem, nem felel meg. Ezeket az AS szabvány szerint készült termosztátokat el kell felejteni, elérhető áron kapható sokoldalú digitális termosztát, rengeteg beállítási lehetőséggel. Az AKO cég temrosztátjaiban még nem csalódtam, sok darab évek óta üzemel. „Egy sima csőszondás termosztát megfelel.”
Köszönöm a gyors választ!
Idézet: „Nullát is kapcsoló termosztát: nem nagyon van ilyen de ha a termosztáttal egy kétpólusú relét működtetsz, meg is van oldva a kérdés.” Valóban! Találtam 2 zónás beépíthető termosztátot. 2*5A (1,5A induktív) kimenet, az egyikre akkor megy direktbe a szivattyú (Alpha I), a másikra meg egy relé, ahogy tanácsoltad. Van még plusszban egy riasztási kimenete, az meg kap vmi légószirénát, nehogy má' aludjanak mikó' baj van! ![]() A relé is megvan! Köszönöm mégegyszer a segítséget! Üdv: Petiapo
Sziasztok!
Egy kis segítséget szeretnék kérni. Adott egy hajdu ide100s erp Álló 1 hőcserélős indirekt tároló elektromos felfütéssel rendelkező („Bojler”). Alapesetben a használati megleg vizet egy Immergas victrix exa 24 x 1 erp biztosítja az indirekt tároló hőcserélőjén keresztül valósul meg a használati melegvíz felfűtése. A gázkazán az indirekt tároló erre elhelyezett nyílásán egy termosztáton figyeli e hogy elért e a használati melegvíz a kellő hőfokot És leállítja a kazánt. A kérdésem arra irányulna, ha ez a termosztát meghibásodna , a kazán nem tudná mikor kell abbahagyni a használati melegvíz melegítését az indirekttátolón Az indirekt tárolóban a következő elektronika található L, N, S, CH, Földelés. Ide csak az L, N, és a Földelés került csak bekötésre. S, és a CH nem ennek a vezérlésére szolgálna, valakinek vannak hasonló tapasztalatai vagy ötlete, hogyan lehetne ezt megoldani? Előre is köszönöm a hozzászólásokat és a segítséget.
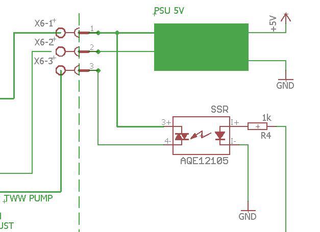
Egy érdekes problémába futottam. A vadiuj kazán fütését egészitettem ki egy kis Arduino vezérléssel, hogy kihasználjam a majdnem 600 literes bojler melegvizét a lakás fütésére is. ( a bojler vizét napelem, illetve napkollektor is melegiti, azaz ott mindig van elég meleg a viz a vezérlö remekül müködik, s csak ma vettem észre, (eddig nem volt ilyen állapot), hogy amikor a gázkazán is melegiteni akarja a bojler vizét, akkor valamitöl kb. 1-2 másodpercenként elindul az arduino tápja is táp is. PSU 5V.
Az arduino ugyanazt a keringetö szivattyut vezérli, mint a kazán. Itt a kapcsolási rajz részlete. X6-1. fázis a kazánbol, ha fütés üzemmod van. X6-2. Neutrál X6-3. az arduino által kapcsolt fázis a bojler pumpájára. Amikor az Arduinak nem kell müködnie, azaz a X6-1 bemeneten nincs 230V, de a kazán hajtja a bojler vizpumpáját, azaz a X6-3-n van feszültség, az 5 V-s kapcsitáp, kb. 1-2 másodpercenként bekapcsol, de nagyon rövid idöre. Az Arduinon meg a displayen éppen csak felvillan egy LED meg a háttérvilágitás. Valoszinü, hogy az SSR átenged valamit az X6-1-re. Ki lehetne ezt valahogy blokkolni, vagy cseréljem az SSR-t egy mezei relére? Kösz.
Ehhez a kazánt kell beállítani, már ha tud ilyet. Meg kell adni neki, mi történjen szenzorhiba esetén. Jobb termosztátokban van ilyen beállítási lehetőség.
Ha kiveszed a rendszerből az SSR-t (akár csak egy 230 V-os vezetéket is lekötsz róla), azonnal kiderül, hogy az szivárogtat-e áramot. Nagy valószínűséggel igen.
Idézet: „Valoszinü, hogy az SSR átenged valamit az X6-1-re.” Integrált snubber ( soros R-C ) van az ssr-ben, valószínűleg ez elég.
Az lehet. Akkor valoszinü csak egy rele marad.
Üdvözlök mindenkit! Westen Condens Pulsar 1.24 gázkazán vezérlésében szeretnék tanácsot kérni. Eddig on/off termosztáttal volt vezérelve, amit szeretnék egy modulációs digitális vezetékes termosztátra cserélni. Csakhogy van mellette egy szilárd tüzelésű kazán is. A kettő vezérlését úgy oldottam meg eddig, hogy a szilárd tüzelésű csőtermosztátja ha eléri a beállított hőfokot, kapcsol kettő relét. Az egyik szakítja a gázkazán termosztát körét így leállítja a gázkazánt, a másik pedig egy időrelé, ami 4 perces késleltetéssel indítja a szilárd keringtetőjét. Ez idő alatt a gázkazán befejezi az utókeringtetést. Csőszakilag visszacsapó szelepekkel van szétválasztva a két kazán. A probléma: a modulációs termosztát CAN-BUS vezérlés, alacsony feszültség. A leírás szerint (nyilván) egy másik sorkapocsra kell kötni, az on/off termosztát kapcsokat rövidre kell zárni és ezzel kiiktatni az on/off termosztátot. A kezelési leírásban azonban van egy több szekciós fűtés lehetőség ábra, ahol mindkettő be van kötve és az on/off kapocs külső relé(ke)t kapcsol. Vajon, ha meghagyom az on/off kapcsokon az eddigi bekötést, az letiltja-e a modulációs kapcsokon lévő termosztátot amíg a szilárd tüzelésű kihűl? Tudom spéci kérdés de eddig minden szervizes szakember elhajolt a kérdés elől, kipróbálni pedig minden ismeret nélkül nem szeretném, nehogy kárt okozzak a vezérlő panelban. Köszönöm a hozzászólásokat!
Én lecseréltem a hiper-szuper-okos-buszos termosztátot egy legegyszerűbb Computher-re. Az okos állandóan túlfűtött, aztán túl későn kapcsolt be (a hiszterézis 0.5C, és ez a legkisebb!). A túlfűtés simán +0.5C volt, tehát 1.5C hőingással lehetett számolni.
SzAndras00: Betanulási fázis? Mihez? Mikor minden nap más a hőmérséklet kint, más a hőigény, egyik nap mosunk, felfűti a szárító a lakást, másik nap nem is vagyunk itthon, harmadik nap szellőztetünk egész nap, negyedik nap meg kenyeret sütünk/főzöcskézünk, esetleg ismerősök látogatnak meg, és máris több a hőforrás? Hol itt a rendszer? A kinti hőmérséklet állandóan változik, fúj a szél vagy esik az eső, így a hőigény is. Amióta a Computherm van, 0.1C hiszterézissel, minden oké. A radiátor hőfokát én állítom (előremenő vízét), és nem a termosztát! Minden passzol. Amikor jönnek a nagy hidegek, kicsit feljebb csavarom az előremenőt, ha elmegyünk itthonról fél napra, le lehet venni 20fokra a lakást, ne legyen meleg, amikor hazaérünk. Hogyan tudna egy ilyen változó életmódot a termosztát megtanulni? Plusz még én állítgassam a meredekséget, a szobatényezőt meg a fogalmam sincs milyen paramétereket? Inkább nem. Egyszerű = jó. Túl okos = rossz. A hozzászólás módosítva: Nov 3, 2021
"Betanulási fázis?"
Nem azt tanulja be hogy mikor főzöl vagy szellőztetsz hanem az épület hőtechnikai paramétereit. Vagyis a külső-belső hőmérséklet függvényében mennyivel, mennyit kell lemodulálnia a beállított hőmérséklethez közeledve. 10 perccel előtte vagy ha nagy a hőtehetelenség akkor már 1 fokkal és 2 órával a beállított előtt veszi le a modulációt. A tanulási módszer remekül működik, illetve szokott működni ha minden rendesen be van állítva.
"A kezelési leírásban azonban van egy több szekciós fűtés lehetőség ábra, ahol mindkettő be van kötve és az on/off kapocs külső relé(ke)t kapcsol."
Ezt a bekötési módot légyszi mutasd meg. Ilyet nem láttam még hogy ki és bemenet is lehet egy 230 voltos csatlakozó. Mivel a buszos termosztát működéséhez a rövidzárat fel kell helyezni az eddigi szobatermosztát helyett, nagyon úgy látom hogy az a két kapocs képes vezérelni a készüléket úgy ahogyan eddig. De kéne a rajz.
Értem, csak azt nem, hogyan tudja megjósolni, hogy kint kilyen hideg van, és hogy bent mennyi hőt termelünk? Mert ezek változóak, óráról órára akár. Ha bent vagy egy szobában egész nap, dolgozol, izzadsz, teljesen más, mint ha az ajtó nyitva van, és senki nincs bent. Amikor kint fúj a szél, szinte szívja ki a lakásból a meleget... Ezt pedig a külső hőm. érzékelő nem fogja tudni.
Sziasztok!
Milyen füstcső termosztátot ajánlanátok? Két típust néztem jelenleg: Bővebben: Link Bővebben: Link Kicsit sokallom ezeket az árakat az én felhasználási célomhoz. Gyakorlatilag egy puffertartályos rendszerben kellene egy relét kapcsoljon ami 40 fok körül már kapcsol és a szenzor bírja a magas hőt, hogy közvetlen a füstcső tövébe tudjam szerelni (min 300 fok.) Köszönöm!
Egyiket sem. Ezt keresd: AC1-5 (Lae Electronic), K típusú hőelemmel.
Ez nagyon jó de még drágább és még hőszenzor sincsen hozzá.
Idézet: „Kicsit sokallom ezeket az árakat az én felhasználási célomhoz.” Szerintem kifejezetten olcsó! Minden valamire való gyártónak van hőfok szabályzója mindenféle feladatra és szenzorra, legtöbbjükben beállítható a szenzor típus! Ezeket használtat, bontottat érdemes venni, pár ezer Ft... Múltkor nivelco-t vettem talán 2 ezerért...
Az első, a leírás szerint, kb. 300 °C-ig, a második 415-ig. Ha biztosra akarsz menni, olyan termosztátot válassz, amelyik K típusú hőelemmel rendelkezik, azok 1000 °C-on is elvannak.
Ha a tűz kialvásának figyelése a cél akkor jobban jársz egy két érzékelős termosztáttal. Ha a kazán kimeneti vize nem vagy csak alig melegebb mint a bemeneti, akkor ez azt jelenti, kialudt a tűz, nincs hőtermelés. Ha építeni is tudsz/akarsz, akkor ajánlom magamat: Két érzékelős termosztát, Kombinált termosztát, esetleg gyári megoldás. Idézet: „Ha a kazán kimeneti vize nem vagy csak alig melegebb mint a bemeneti, akkor ez azt jelenti, kialudt a tűz, nincs hőtermelés.” Ez nem feltétlenül igaz (pl puffer tároló esetén, ha kialudt is a tűz, még elég sokáig forgatja a keringető a vizet. Füstgáz hőfok figyelésnél nincs ilyen gond.)
Bocs, de a pufferből a kazán bemeneti vize melegebb vagy egyenlő a kimenetivel, semmiképp sem melegebb a kimeneti, tehát tűz detektálásra puffernél is jó...
A hozzászólás módosítva: Jan 19, 2022
Éppen a keringetőszivattyút kell akkor leállítani, ha már nincs hőtermelés. Az a kevés víz, ami a kazánban marad, veszteség.
Biztos velem van a baj, de négyszeri elolvasásra sem értem amit írtál. A kazán előremenő vízhőfok addig magasabb a visszatérőnél, amíg tűz van benne. Kivéve ha van pl 1000L 80°C fokos vized a pufferben. A kazán előremenő hőérzékelője indítja a kazán és puffer közötti keringetőt, mondjuk 50°C fokon és leállni akkor fog mikor az érzékelő már nem érzékel 50°C-os vizet. Ha kialszik a tűz, és csak az előremenő és/vagy visszatérő vízhőfok van mérve, attól a keringető nem fog leállni, csak ha lehűlt a puffer (Nem ég a tűz de a keringető a kazánon keresztül "leforgatja" a vizet a pufferről.)
|
Bejelentkezés
Hirdetés |










Egyszerű = jó. Túl okos = rossz. 




