Fórum témák

» Több friss téma
Fórum » Muzeális készülékek-alkatrészek restaurálása
Lapozás: OK   559 / 588
(#) fecameca válasza Videotonman hozzászólására (») Ápr 10, 2022 / 1
 
Kösz, hogy eszembe juttattad, gyerekkoromban ilyen rádión hallgattam nagyanyáméknál a Szabad Európa Rádiót.
(#) tbalint3 hozzászólása Ápr 18, 2022 /
 
Üdv.
Lehet rossz helyen vagyok, de remélem itt belefér a kérdésem:
Az Orion AR-612 (Pacsirta) rádió hátulján van egy tuchel aljzat mellette pedig egy magnó jelzés. Ez kimenet vagy bemenet? Illetve ha kimenet itt milyen jelszintek vannak? Magnó vagy számítógép vonalbemenetére rá lehetne kötni biztonsággal vagy inkább ne? Azért kérdezem mert elektroncsöves rádiókkal egyáltalán nincs tapasztalatom. Köszönöm
(#) fecameca válasza tbalint3 hozzászólására (») Ápr 18, 2022 / 1
 
Idézet:
„Ez kimenet vagy bemenet?”

-Mind a kettő. A DIN tuchel 1-es láb demodulátor szintű kimenet, magnófelvételhez, a hullámváltó állása szerint az AM, vagy FM / detektorról. A rajz szerint ott 1 Mohm van sorba, és 47k a testre. Nem lehet túl nagy jelszint, talán 300 mV a korabeli magnók rádió bemenetéhez mérten. A kék színű Kádár Géza könyvben (1958-59) van a leírása, de az semmit nem ír erről a ki/bemenetről. Csak amit a kapcsolási rajzon látok: A 3 -as láb kristályhangszedős pickup, vagy a magnó kimenő jele, de ahhoz a hullámváltót lemezjátszóra kell átkapcsolni. Rendes transzformátora van, nem autótrafós, elvileg a házon nem szabadna a fázisnak jelen lennie ennél a rádiónál.
A hozzászólás módosítva: Ápr 18, 2022
(#) küzmös Gergely válasza tbalint3 hozzászólására (») Ápr 19, 2022 / 2
 
Én simán "bőgetem" vele a laptopot, meglepően jól szól, sőt nagyon jól szól a pacsirta.
(#) küzmös Gergely hozzászólása Ápr 19, 2022 /
 
Sziasztok! Menyire ritka ez a TESLA lemezjátszó? Padláslelet, s hibátlanul működik.

P1160807.JPG
    
(#) fgyj válasza tbalint3 hozzászólására (») Ápr 22, 2022 / 2
 
A lemezjátszó- és a magnóbement (3-as pont) azonos. Több rádió "korszerűsítése" során a közvetlenül ide csatlakoztatott kínai FM-MP3-Bluetooth modulról kitűnően erősített. (Felvételt a rádióból nem próbáltam.)
A hozzászólás módosítva: Ápr 22, 2022
(#) fgyj válasza fecameca hozzászólására (») Ápr 22, 2022 /
 
Idézet:
„...elvileg a házon nem szabadna a fázisnak jelen lennie...”

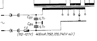
Sajnos, a C83 vagy a C84 kondenzátor hibája esetén a fázis a sasszira kerülhet. (Én - radikális megoldások híveként - eltávolítottam ezeket a kondikat, és ez a hangerősítésben semmilyen hátránnyal sem járt.
(#) fgyj válasza küzmös Gergely hozzászólására (») Ápr 22, 2022 /
 
Ebből és variációiból sokat hoztak forgalomba.
(#) tbalint3 válasza fecameca hozzászólására (») Ápr 23, 2022 /
 
Köszönöm szépen mindenkinek a válaszát, jövő héten ki is próbálom. Igen egyébként a célom a felvétel lenne a rádióból, a "magnó" szerepében viszont már inkább korszerűbb megoldással a számítógép hangkártyáját használnám, ezért is kérdeztem.
A két kondenzátorra figyelni fogok, és cserélem ha szükséges, gondolom ezek a hálózati 50Hz-es búgást hivatottak kiszűrni, ha jól gondolom?

Idézet:
„küzmös Gergely: Én simán "bőgetem" vele a laptopot, meglepően jól szól, sőt nagyon jól szól a pacsirta.”
: Akkor ha minden igaz neked megy is a felvétel a rádióból laptoppal, vagy fordítva, a géped a jelforrás, és a rádiót csak erősítőnek használod?
A hozzászólás módosítva: Ápr 23, 2022
(#) fgyj válasza tbalint3 hozzászólására (») Ápr 23, 2022 /
 
Idézet:
„...gondolom ezek a hálózati 50Hz-es búgást hivatottak kiszűrni, ha jól gondolom...”
Nem: ezek zavarszűrők (4,7 nF, a rajzon A jelzéssel; nem is minden korabeli rádióba építettek ide ilyeneket). A Pacsirtát csak HF erősítésre használtam, ezért gond nélkül mellőzni lehetett. Ha Ön rádióvételt akar felvenni, alighanem jó, ha maradnak ezek a kondik - ha kell, biztonságosra cserélve. (A zavarok kérdése lakóhelyfüggő is.)
A hálózati búgás kiszűrése a két 50 μF-os elektrolitikus kondenzátor dolga (a rajzon B jelzéssel). Ezek egy henger alakú testbe voltak beépítve, de be lehet szerelni külön is a megfelelő bekötéssel, polaritással. Ha most nem búg a rádiója, ezeket nem kell cserélni. 2 x 50/350-est nem nagyon talál ma, de tökéletes a 2 db 47/450, ez könnyen elérhető és olcsó. (Ha most nem búg a rádiója, ezeket nem kell cserélnie.)
A hozzászólás módosítva: Ápr 23, 2022
(#) küzmös Gergely válasza tbalint3 hozzászólására (») Ápr 25, 2022 /
 
Idézet:
„vagy fordítva, a géped a jelforrás, és a rádiót csak erősítőnek használod?”
Pontosan. Erősítőnek használom.
(#) küzmös Gergely válasza fgyj hozzászólására (») Ápr 25, 2022 /
 
Úgy általában a gyémánt lemezjátszótűt mivel érdemes pucolgatni, ha ótvar koszos, és emiatt ugrál is már a lemezen? Levegő spray? Vagy valami puha szőrű ecset esetleg.. (bár az lehet ugyanúgy beleragadhat, mit akármi más)
A hozzászólás módosítva: Ápr 25, 2022
(#) Gafly válasza küzmös Gergely hozzászólására (») Ápr 25, 2022 /
 
Mókusszőr ecsettel. Nem vicc, de nem tudom lehet-e még kapni?
Ha rá is van ragadva, akkor gyógyszertári alkohollal.
De ha akkora bajsza van, hogy ugrál is, akkor a nagyját csipesszel.
(#) granpa válasza Gafly hozzászólására (») Ápr 25, 2022 /
 
Művészellátó boltokban kapható, pl. Pesthidegkúton.
(#) newman92 hozzászólása Ápr 27, 2022 / 1
 
Üdvözlet! Rég írtam ide. De most lett mit! Bolhán vettem ezt a két szépséget. Egy nyolc miliméteres vetítőgép, meg egy elektroncsöves oszcilloszkóp.
(#) granpa válasza newman92 hozzászólására (») Ápr 27, 2022 /
 
Igazi, antik darabok! Csak kíváncsiság: Mennyiért mérték őket? A börzén volt ilyesmi olcsón.
A hozzászólás módosítva: Ápr 27, 2022
(#) newman92 válasza granpa hozzászólására (») Ápr 27, 2022 /
 
Olyan 5000 Ft colt mindkettő.
(#) tdi75 válasza newman92 hozzászólására (») Ápr 27, 2022 /
 
Egész jó fény van az oszcilloszkópon. Gratulálok hozzá szépek .
(#) newman92 válasza tdi75 hozzászólására (») Ápr 27, 2022 /
 
Köszönöm!
(#) Kékróka válasza fgyj hozzászólására (») Ápr 27, 2022 /
 
Szép rádió. Volt.
A restaurálásnál, még a belső alkatrészek korhű pótlása is fontos sokaknak, pedig az nem látszik. Az áthangolásra pedig van köztes megoldás, ami megfelel a mai követelményeknek, és kívülről is szinte észrevehetetlen.

J.
(#) fgyj válasza Kékróka hozzászólására (») Ápr 27, 2022 /
 
Amit elkövettem, azt nem gondolnám restaurálásnak (mint ahogy nem restaurálás az áthangolás és több más beavatkozás sem – akár látszik kívülről, akár rejtve van).
A nagy számban fennmaradt, különböző szinten működőképes készülékeket szerintem sokkal szabadabban lehet környezetünk néma vagy működő, akár átalakított részévé tenni, mint a nagyon régi típusok ritka darabjait, vagy általában a múzeumi példányokat.
– Az említett „mai követelményeket” kik és hol határozták meg, honnan lehet megismerni őket?
(#) Kékróka válasza fgyj hozzászólására (») Ápr 27, 2022 /
 
Mindenféleképp jár az elismerés, mindenkinek aki az alkotását közszemlére teszi, és ezzel felületet ad annak dicséretére, és számol azzal hogy nem tudja mindenki rokonszenvét megszerezni. Az átalakítás nem ördögtől való, a megvalósítás szakmailag szinte biztos hogy nem hagy kívánni valót, csak a párosítás okoz fejtörést. Hol tudnám elképzelni ?

A mai követelmények más kérdés, ha jól tudom a keleti URH rövidebb volt a nyugatinál, így az áthangolás kompromisszumos. (jut eszembe, egyáltalán van ezen a modellen URH sáv ??) Sajnos nem tudom belinkelni a videót, de egy kreatív megoldásként volt aki a régi hangológombhoz illesztett egy vevőt, amit természetesen a lemezjátszó álláson lehetett használni, persze a hangolásjelző nem üzemelt. Talán ennyi, ha használati eszköz érje végig a sávot.
És hogy ki jogosult meghatározni ? A felhasználó.
(#) fgyj válasza Kékróka hozzászólására (») Ápr 28, 2022 /
 
Köszönöm véleményét.
(#) tiko77 hozzászólása Ápr 29, 2022 /
 
Üdvözlet Mindenkinek!
Érdekes készülékkel kapcsolatban kerestek meg, sajnos nem láttam még ilyet és nem igazán értem a működését. Adott egy 1930-as években gyártott amerikai autórádió, használva ki tudja mióta nem volt.
https://www.radiomuseum.org/r/rca_m34_m_34.html
Egy biztos hogy 6V-os, és elmondás alapján az autó amibe való "pozitív testelésű", én még nem láttam ilyet de nem lehetetlen hogy régen gyártottak úgy kocsit hogy a karosszériára az akku pozitív saruját kötötték.
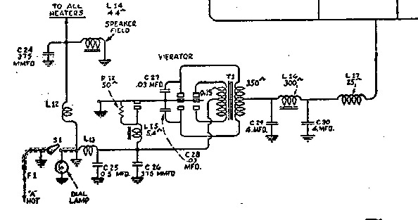
Szóval adott a 6V-os tápfeszültség amit az aksi biztosít de a csövek adatlapja alapján az anódfeszültség 250V. A kapcsolási rajzon nem látok olyan áramkört ami ezt a 250V-ot biztosítaná ezért úgy gondolom hogy kellene lenni egy külön "megoldásnak" erre a célra, vélhetően külön egységként a rádiótól, ...vagy talán nekem a "Vibrator"-nak nevezett rész gyanús de nem láttam még soha hasonlót sem. Esetleg van valakinek hasonló témában tapasztalata vagy ötlete?
Köszönöm!
A hozzászólás módosítva: Ápr 29, 2022
(#) szikorapéter válasza tiko77 hozzászólására (») Ápr 29, 2022 / 3
 
Szia, pedig egyszerű, mint anno a katonai rádióknak volt egy "vibrátoros" feszültség átalakítója, ezen az elven megy itt is. Lényege hogy egy önrezgő relé több pólussal van ellátva, és azon pólusokon felváltva juttatja a "tápfeszültséget" a trafó primerére, aminek szekunderén így váltakozó feszültség jelenik meg.
Kivágtam a kapcsolás ezen részét.

vibro.jpg
    
(#) tiko77 válasza szikorapéter hozzászólására (») Ápr 29, 2022 / 1
 
Köszönöm, közben javítottam én is egy kicsit a szövegen, de ahogy írtam egyáltalán nem voltam benne biztos. Érdekes megoldás.
Erről lenne szó, meglepően szép állapotú.
A hozzászólás módosítva: Ápr 29, 2022
(#) mikrodigit válasza szikorapéter hozzászólására (») Ápr 29, 2022 /
 
Ügyes megoldás, hogy a relé ugyanakkor egyenirányítja is.
(#) szikorapéter válasza tiko77 hozzászólására (») Ápr 29, 2022 /
 
Igen nagyon szép készülék, sok sikert a felújításhoz, várom a fotókat a folyamatról meg a beszámolókat.

mikrodigit:
Igen, így ugyan több a "lengősúly" a relén, cserébe viszont megspóroltak egy csövet ami abban az időben sokat jelentett.
(#) tiko77 válasza szikorapéter hozzászólására (») Ápr 29, 2022 /
 
Őszintén, ...úgy hagyták itt hogy cserébe nem ígértem semmit és azt sem túl gyorsan. Nem is sürgős mert az autót is még hónapokig restaurálják, szóval csak emiatt vágtam bele, meg nem egy roncs és amúgy is érdekel csak hát három kicsi gyerkőc mellet nagyon kevés az időm, de természetesem foglalkozom majd vele. Már el is kezdtem azzal hogy próbálok utána nézni a dolgoknak, ha lesz fejlemény megosztom veletek és lehet hogy segítségre is szükségem lesz majd.
A hozzászólás módosítva: Ápr 29, 2022
(#) szikorapéter válasza tiko77 hozzászólására (») Ápr 29, 2022 / 1
 
Én mindenképp várom.
Következő: »»   559 / 588
Bejelentkezés

Belépés

Hirdetés
XDT.hu
Az oldalon sütiket használunk a helyes működéshez. Bővebb információt az adatvédelmi szabályzatban olvashatsz. Megértettem