Fórum témák
» Több friss téma |
Fórum » TV hiba, mi a megoldás?
Köszönöm, a 100µF-os katódkondi valós értéke ~2 µF volt - cseréltem, most jó! Még egyszer köszönöm!
Sziasztok,
egy régi Samsung le32a431t2 lcd tv hibája a következő. Kb egy óra használat (bemelegedés) után kikapcsol, majd kis idő múlva vissza kapcsol. Innentől már ezt játssza a végtelenségig. Ilyenkor hallani lehet, hogy leáll az oszcillátor a tápban, majd vissza indul. Szétszedve, találtam púpos elkókat, ezért az összes kondit kicseréltem. A hiba sajnos nem szűnt meg. Van esetleg valakinek ötlete, esetleg találkozott már ezzel a hibával? A tápegység típusa BN44-00192A Előre is köszönem a segítő válaszokat.
Volt szerencsém ilyenhez.
Eleve ezzel a hibával kaptam a TV-t, és látszott is, hogy a kondenzátorcseréket jószerével megejtették. Én is továbbra is tápegységhibára, sőt, háttércsövek problémájára is gondoltam. Aztán kaptam olyan TV-t, amelyiknek háttérvilágításhibája volt. Áttettem a mainboardot, átszereltem a lábát (mert azon az is volt), és soha többé nem kapcsol le, ha nem akarom. (Azt hiszem, nem kell leírnom, hogy nem a lábfelszerelés segített rajtam ) A hozzászólás módosítva: Jún 19, 2022
Nagyon köszönöm a válaszod. Pedig olyan tápegység hibának tűnt. Akkor el is engedem ezt a tápjavítás vonalat. A mainbord hibafeltárással nem is próbálkozok. Ha tudnék szerezni egy betört képernyős, vagy, mint nálad, egy világítás hibásat, akkor kipróbálnám a cserét. (Talp az van
)
Szia, nálam sajnos nem ez az ok. Vettem egy másik alaplapot, de megmaradt a hiba. Ez szinte biztosan tápegység a gond.
Sziasztok!
Van egy LG 43UK6300MLB TVm. Egyik napról a másikra nem ad képet. Hang van, háttérvilágítás is. Hol lenne érdemes elkezdenem hibát keresni?
Nekem akkor csinált így, amikor kicseréltem a t-con panelt és kipróbálni igyekeztem -csak elfelejtettem a szalagkábelt (ami a main-tól megy a t-con-hoz) bedugni
![]() Világoskék (vagy inkább szürkéskék? Pontosan már nem tudom felidézni) háttért mutatott, persze hang volt. Tehát a t-con-t, vagy a szalagkábelt gyanúsítanám meg először A hozzászólás módosítva: Jún 27, 2022
Kukáztam egy Lenco TC9110 típusú TV-t. Persze nem jó.
Sajnos kapcsolási rajzot csak a TC9112-es találtam. Bekapcsol, a hangszóróból pattanó hang hallatszik, a bekapcsolás jelző LED világít. Kép nincs, hang nincs. Csőfűtés szerintem nincs. Esetleg, aki netán ismeri ezt a sorozatot, tud valami tipikus alkatrészéről , ami a működésképtelenség okozhatja? Egy kondi gyanús nekem, holnap csere. A hozzászólás módosítva: Jún 27, 2022
Kicseréltem a gyanús kondit, mert először mindig kondit cserélek.
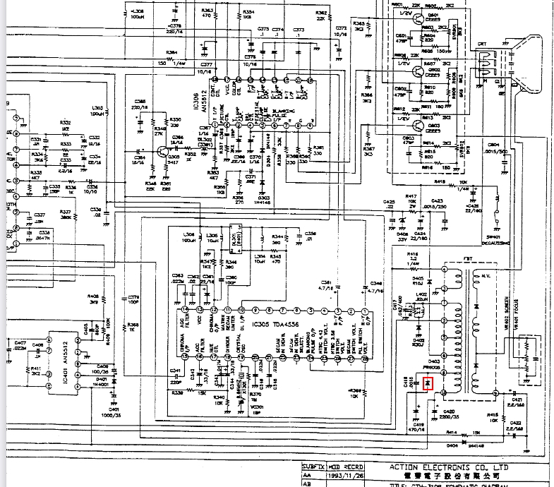
![]() Nem tudom mi a különbség pontosan a két típusú TV között, de a pdf-ben szereplő kapcsolási rajz szerintem az én TV-mre is illik. A sorvégtrafó körül az alkatrészeket már méregettem. A kapcsolási rajzon látható a sorvégtrafónál lévő, az első képen bekarikázott diódát kiforrasztva, szakadtnak mértem. Nagyon melegedett, azért is mértem rá. Típusa PR6005 (600 V/ 6 A) helyettesítem egy hasonló paraméterű diódával. Azt hittem ez lesz "csak" a baj, de nem. Ezért a tápnál ellenőriztem a Q201 pozíciószámú áteresztő tranzisztort. Jónak bizonyult. A power gombot megnyomva a kollektorán 11,04 V feszültséget mértem. Tehát a táprész szerintem jó. Most bekapcsolva TV-t, semmit sem csinál, tehát se kép, se hang. A power LED talán fényesebben világít. A tegnapi bekapcsoláskor jelentkező pattanó hang sem hallatszik hangszóróból. Hogyan tovább mit mérjek? Az érdekes számomra, hogy a képcső végénél nem látom, hogy lenne fűtése a csőnek. Igaz nem tudom, hogy milyen rendszerű cső. A sorvégtrafó zárlata vagy épp szakadása miatt is tönkremehet az említett dióda? A hozzászólás módosítva: Jún 28, 2022
Szia!
A sorvégtranzisztor (BU407) kollektorán van feszültség az emitteréhez képest?
Azt nem mértem. De a tranzisztort kiforrasztottam, megmértem jó elvileg. Ott nagy fesz van ugye?
Mérni nehéz nincs hely a csipesznek.
Nyilván nincs nagyfeszültség, mert akkor adna életjelet a készülék. Egyébként az a nagyfeszültség sem olyan nagy, mert a maximális C-E feszültségnél nem lehet több. Multiméterrel mérj rá.
Megmértem végül is az emitter a GND, a hűtőborda meg a kollektor.
Semmi 0 V van.
A TDA2579 megkapja a tápfeszültséget, 10,94 V-ot mérek.
ezzel kapcsolatban, van valakinek ötlete?
De hogy melegedett a dióda, ha nincs arra feszültség?
A hozzászólás módosítva: Jún 28, 2022
Szia!
Szerintem ennek a T-con része egybevan az alaplappal. Az alaplapól csak közvetlen az LCD-re megy 2 szalagkábel. Valószínűleg alaplapcsere lesz a vége?
Összeraktam egy képbe a kapcsolási rajzot. Igaz középen egy kicsit el van tolva, meg egy-két alkatrész duplázódik, de legalább könnyebb látni, hova mennek a vonalak.
A hozzászólás módosítva: Jún 28, 2022
Szevasz!
A Q401 collektorán milyen feszt mérsz? A cserélt D403 dióda katódján milyen feszt mérsz? (nem fordítva lett beültetve) Ha az FBT trafó azon lábán ott a fesz, akkor a többi azonos tekercslábon is ott kellene legyen. Vagy szakadt a trafó, vagy zárlatos a Q402 tranyó. Q401 bázisán lévő feszültség megmutatja jön-e vezérlés? Üdv. M.
A D403 diódán 10, 84 V mérek. Jól van beforrasztva. Tálan tápfeszültség?
A TDA2579 IC 11-es lában 1,09 V-ot mérek.
A hozzászólás módosítva: Jún 29, 2022
Mindenekelőtt a sorvégfokozat tápját kéne megkeresni, hogy az a 120-180 volt(tipusfüggő) meg van e. Az eltérítő tekercs csatlakozóját is nézd meg(amennyiben nem beforrasztott), mert sok készülékben csatlakozó kirohadása esetén nincs sorvég táp.
A sorvégtranzisztort ha kiveszed, a kollektor emitter között mérhető. Sorkimenő zárlat esetén sem indul el. Ill segédáramkör zárlata esetén sem, amit a sorkimenő táplál(pl. függőleges eltérítés). Booster kondenzátor hiba miatt sem. A szinkron IC-t szerintem ne bántsd egyenlőre.
Ez egy hálózati/akkumulátoros kistévé, 11V körüli a sortáp.
OK. Most néztem a rajzot, így viszont a táp feladatokat is a sorvégfokozat látja el javarészt(gyorsítófeszültség, fókusz, segédrács stb.)
Igen valóban kis 25 cm-es a képernyője, színes. Retro TV játékhoz szeretném majd, azért lenne jó megcsinálni.
No, akkor megint csak ott vagyunk, hogy miért nem jut el a sortápfeszültség a sortrafó primer tekercsén keresztül a sortranzisztor kollektorára?
A csatlakozóknál átforrasztottam, tisztának tűnik. A sokimenőnél is átforrasztottam már. Az IC-t nem bántom. Égés, javítás nyoma nincs a panelján. Azért reménykedek, hogy csak egy alkatrész hiba lesz. A potméterek lehet gyanúsak, hogy öregek. De ha most kiveszem, elállítodnak, akkor lehet azért lesz rossz.
Csak olyan lenne az elrendezése, mint a Videoton TV-nél. Mert így forrasztani,mérni, összerakni, stb. nehéz. A hozzászólás módosítva: Jún 29, 2022
|
Bejelentkezés
Hirdetés |





)
)



