Fórum témák
» Több friss téma |
Fórum » Triak zavarszűrés
Helló Mindenkinek!
Az lenne a problémám, hogy ha felkapcsolok valahol egy lámpát, akkor villan egyet a triakra kötött lámpa. Persze mindenhol LED-es izzók vannak. Már megpróbáltam a kimenetre kötni egy gyári zavarszűrőt, de azzal sem sikerült kiküszöbölni a villanást. Kipróbáltam BT136-al, nem sok sikerrel. Mi lehet a probléma, hogyan lehet ezt a jelenséget megszüntetni?
Ebből több van, van amelyiket esp01, van amelyiket esp32 kapcsolja. 3,3v-ot ad rá.
De ha nincs rákötve semmi, akkor is csinálja. Ha mellette pár méterrel használom a pillanatpákát, akkor is villan egyet a rákötött lámpa. Már kipróbáltam az árnyékolást is, de az sem segített. esp01: https://www.microcontroller.hu/termek/esp-01-wifis-mikrokontroller/ A hozzászólás módosítva: Júl 26, 2022
Valoszinüleg az elektromos hálozatod csapnivalo, azaz az N ( kék vezeték) valahol nagyon gyenge ( vagy sorba van kapcsolva) és az terjeszti az impulzusokat az egész házba.
Nem hinném. Villanyszerelő vagyok, méghozzá nagyon jó. Elektronikázok, programozok, villanyt szerelek, ....
Szóval otthon magamnak csináltam a villanyszerelést, de a munkahelyemen is ugyanaz a helyzet, ami egy új építésű marha nagy szálloda, bemérve, stb. Szóval az elektromos hálózat kizárva. Mint írtam elektronikázok, de nem tanultam, ilyen zavarszűrésekben nem vagyok igazán otthon.
A problémát a nagy dV/dt okozza az MT1-MT2 (T1-T2) között, azaz nem szükséges hozzá a gate vezérlése, a 4 negyedes triac akkor is kinyit.
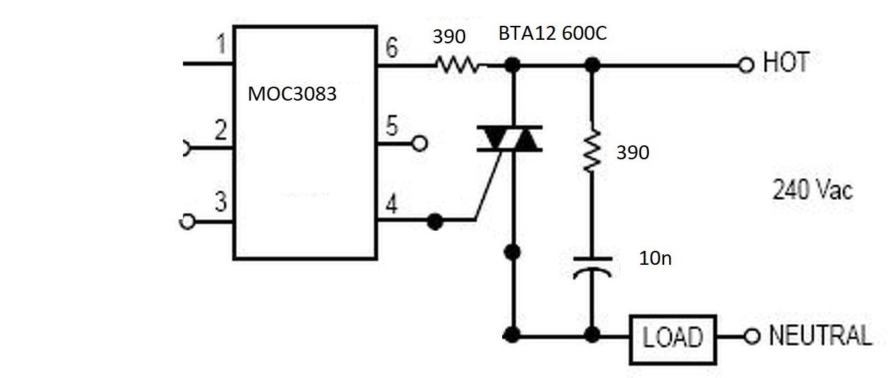
Ha a snubber rész (RC) helyesen méretezett, akkor ez nem okozhatna problémát, így valószínűleg azon kell frekvenciában lejjebb tolnod. 100 Ohm és 10nF az kb. 160kHz. 50Hz-es hálózat esetén nincs értelme ennyire magas vágási frekvenciát beállítani. A lehető legalacsonyabb értékre célszerű venni, egyetlen hátránya van az alacsony RC snubber frekvenciának, hogy a frekvencia csökkentésével egyre több a rajta eldisszipálódó zavarjel (azaz melegszik). Egy 100nF+100R (16KHz) vagy 100nF+47R (~34KHz) RC snubber párossal érdemes kipróbálnod. Fontos lenne kizárni, hogy az optotriak gyújtja be, vagy maga a fő triak gyújt be ilyenkor. De első körben RC, utána az optotriak és triak közötti szakaszt alakítsd át a MOC3083 gyári ajánlásának megfelelően (az is segít a gate-et stabilizálni), lásd melléklet az adatlapból.
Helló!
A 2N6075 és a BT136 is nagyan gyengén du/dt álló, azaz a hálózat felől érkező hirtelen feszültség változás viszonylag könnyen bebillentheti. Egy másik készülék kapcsolási tranziense is generál ilyen feszültség éleket. Megoldás lehet a triak cseréje egy ellenállóbb típusra. Azok általában érzéketlenebbek, de ebben az esetben ez nem lenne probléma, mert viszonylag nagy gyújtóáramot állítottak be a 390 ohmmal. Ha ezzel a triakkal kell valamit kezdeni, akkor kellene bele legalább egy gate köri ellenállás, mondjuk 100ohm, és gate köri kapacitás, mondjuk 100...220nF-ot. Továbbá az RC tagot lehetne még újra számolni, mert az a 10nF nem túl nagy érték. Próbaképpen betehetsz egy 47nF-os megfelelő minőségű kondenzátort, hogy segít-e valamit a helyzeten.
Nagyon szépen köszönöm! Leforrasztom az optotriakot első körben.
Na meg persze javítom az RC-t, meg a többit. Más triak is így viselkedne? Mert nem szükséges nullátmenet.
Optotriak nélkül is begyújt. BTA12 nem lenne jó?
Oké, megvan, sikerült. Nemsoká ideteszem a kapcsrajzot, kb 1000 pillanatpáka kapcsolgatás közben egyszer sem villant fel, de optotriakkal jól működik. Eddig minden páka ki-be kapcsolásra villant egyet-egyet. Még azért tesztelem.
Nos, úgy néz ki, tényleg jó. Bár biztosan lehet még finomítani. Rákötöttem egy 45w-os fogyasztót, (összesen 44w lesz rajta valójában) nem melegszik semmi. Kipróbáltam egy csomó mindent, pl a páka vezetékét összetekertem a kis hosszabbítóm vezetékével, (amibe a 45w-os fogyasztót dugtam), a pákát a panel közelében kapcsolgattam, semmi. Egyszer sem villant fel. Viszont egy 9v-os adapterről tápoltam meg az optotriakot, ha annak a vezetéke közelében kapcsolgattam, akkor kb 100 páka kapcsolgatásból 2-szer felvillant. Szóval már csak gyengeáram oldalon szed össze annyit, hogy néha begyújt a triak. Gondolom ezt is lehet szűrni. Viszont nekem nem hiszem, hogy lesz ilyen gondom, mert csak pár centis az optotriakot megtápláló elektronika közötti vezeték.
Köszönöm szépen mindenkinek!!! Esetleg ha még a bemenet szűrésre tudnátok valamit ajánlani.... ![]() A bemeneti elektronika impedanciáját most nem tom, de 3,3v-ot ad. És igen, G és A1 között nincs ellenállás. A hozzászólás módosítva: Júl 26, 2022
Üdv!
Érdekes van. Kb. 10-20 éve használtam úgy a sk időzítőmet, hogy egy mágneskapcsoló behúzótekercsét közvetlenül egy non-zero optóval kapcsolgattam. Bár újabban nem mágneskapcsolókat, hanem ellenpárhuzamos tirisztorokat kapcsolgattam, most szükség lett volna egy időrelé a saját holmimmal helyettesítésére. A fenti megoldás kellően több helyen hibátlanul működött, talán működik is. A talán azért van, mert a kapcsolt mágneskapcsoló húzva maradt a vezérlés megszűnése után is. Aztán a snubbert hova is kellet tennem? Nem a triak Mt1-Mt2 közé, hanem a tekercscsel, vagy a próbált izzóval párhuzamosan. 100n-100 Ohmos komplexumot. Ebből azt a tanulságot vontam le, hogy ugyan nem tudom, mi változott meg a hálózaton, de a snubberkör jóságában nem bízva, többet közvetlenül nem próbálok opto meghajtóval kapcsolni - TLP3062 pl. Ráment fél napi kísérletezgetésem erre a tanulságra.
Szevasz!
Az említett kapcsolásban pontosan tekercsnek akartál kapcsolásokat létrehozni és nem pedig izzónak? Üdv. M.
Az eredeti felhasználási helye egy DIL052-es behúzótekercsének a kapcsolgatása. Mivel nem aludt ki az optp triak, gondoltam az induktivitás fáj neki, kipróbáltam, egy 40W-os izzóval is.
Az egész aparát 2003-ban lett rendszeresítve és sokáig ment, amíg a trafó egyik lábánál közbeszólt az enyészet. Szóval nem akartam, akarok hinni a szememnek, ez elég sok helyen üzemel, ahol mágneskapcsolót működtet, az meg esetenként egy pár 100 W - kW-os húzómágnest, az meg harangot... Ui: A jelenlegi készülék valahonnét évekkel ezelőtt lett leszerelve és ugyanilyennel sikerrel pótolva. Most 3f motorokat kapcsolgat a DIL, amit a régi jó öreg kisrelével fogok működtetni, az optotriak nem lesz ilyen módon többé használva. A hozzászólás módosítva: Szept 24, 2024
Mivel egy induktív tekercsre akarsz kapcsolni triakkal (thirisztorral) it az áram nem fog egyből kialakulni a kapcsolás pillanatában, ezért kell biztosítani, hogy rögtön legyen a félvezető számára elegendő tartóáram, mert nem dc vezérlésed van a Gét elektródán.
Az induktív fogyasztók kikapcsolásakor pedig mindenképp meg kell oldani, hogy a kikapcsolás pillanatában megjelenő hatalmas induktív rugást elnyelesd egy kondenzátorral. Gondolok itt a mágneskapcsoló tekercsére is. Nekem nem egy mai gyártású 052 tekercs ment az induktív rugás miatt tönkre. Üdv. M.
Mint írtam, sok évig ment a képen látható darab, amikor egyéb hiba miatt ki lett cserélve. Több helyen elvileg ma is meg. Egy VDR van az optó triakjával párhuzamosan, ez a kapcsolóelem sosem ment tönkre.
Most az a szomorú valóság, hogy ez az áramkör se induktív, se rezisztív terhelésre se működik. Direkt csak egy pőre csatolóval is kipróbáltam, egyiknél se kapcsolt ki. A terheléssel párhuzamos snubber mindkét fajta terhelésnél hatásos volt. De ezt biztonsági okból elvetettem, mert ha nem történik kikapcsolás, nagy bajt okozna...Az új, véglegesnek tekinthető megvalósításomban is van optotriak csatoló, de csak az ellenpárhuzamos tirisztorok gyújtására használom. Meg van egy 5V-os ON-OFF kimenet pl. SSR kapcsolgatásra. |
Bejelentkezés
Hirdetés |















