Fórum témák
» Több friss téma |
Nem a tüzet akarom szítani
, de csak annyit tennék hozzá az off témához, hogy valóban nem ildomos keverni a két fűtéstechnikát. Pusztán a gazdaságosság miatt.A műanyag rendszert nem szabad keverni a vas rendszerrel. Hőcserélővel, hidrováltóval meg gazdaságtalan. A jó szaki, a padlófűtés rendszerbe nem tesz vasat.
Hogy vezérelnétek egy kétkazános rendszert padlófűtéssel?
Mindenhol padlófűtésem van (fent is, lent is). Eddig egy régi gázkazánnal ment puffer nélkül, keverőszeleppel, emiatt aztán a gázkazán folyton ki-be kapcsolgatott. Egy SD30KLO kazán volt, félteljesítményre kapcsolva (úgy valami 17kW körüli teljesítményt tud leadni, de az is bőven sok volt a 37fokos előremenőhöz). Vettem most hozzá egy Atmost DC22S faelgázosítót, meg egy 750literes puffert, amiben van ráadásul két csőkígyó is. Az elsődleges kazán a faelgázosító lesz, ahol lesz egy kis szivattyúkör, amin a puffertartályba nyomja be a melegvizet, a faelgázosító a terveim szerint nem fog máshova dolgozni (Nem is tudna). A puffertartály után lesz egy nagy szivattyúkör, azon lesz a keverőszelep, onnan fog menni az előremenő a padlófűtésbe. Ez a része tiszta. A szobatermosztáttal (ami jelenleg a gázkazánt indította), az majd ezen a nagy körön az előremenő víznek a szivattyúját fogja kapcsolni - legalábbis egyelőre még így gondolom. Megtartom a régi gázkazánt is, egyrészt mert vettem egy olyan 2kW-os villanybojlert, amiben szintén van egy csőkígyó, tehát adott esetben a gázkazánnal tudom fűteni a villanybojlert is a csőkígyón keresztül melegítve - vajon az úgy jó lesz? Le tud vajon az a csőkígyó adni annyi hőt a bojlerben lévő víznek, hogy ne kelljen a gázkazánnak ki-be kapcsolgatnia vajon folyton? Jó lenne, ha meg tudná csinálni azt, hogy mondjuk a tíz fokos vizet a bojlerben anélkül fel tudná fűteni 65 fokosra a csőkígyón át átadva a hőt, hogy mehessen folyamatosan a kazán, és ne kelljen két perc múlva lekapcsolnia. Ehhez gyakorlatilag annyi víz áll majd a rendelkezésére, amennyi a csőkígyóban, a kazánban magában, meg a kazán és a bojler közötti csőszakaszban lévő mennyiség, nem tűnik túl soknak. Ide is fog kelleni ugyebár egy keringetőszivattyú. Fog kelleni még a gázkazánhoz egy váltószelep, hogy ha szükség van rá, tudjon fűteni a padlófűtés felé is. Na itt már vannak olyan kérdések, amire nincs ötletem. Direktben kössem be vajon a gázkazán előremenő vizét a pufferbe, hogy ugyanazt a vizet tudja fűteni, ami a faelgázosító-puffer-padlófűtés rendszerben lakik, vagy inkább a gázkazán előremenőjével a pufferben lévő vizet valamelyik csőkígyón keresztül melegítsem? Ha ez utóbbi, akkor akár azt is meg lehetne játszani, hogy mindkét csőkígyón átengedni akár soros, akár párhuzamos kötéssel a gázkazán előremenőjét. Sorba kötve a két csőkígyót nagyon le lehetne hűteni a kazán előremenőjét, sok hőt lehetne kivenni belőle (nem tudom, hogy ez gázkazánnál mennyire jó ötlet), párhuzamos bekötésnél (azaz egyszerre megy mindkét csőkígyóba a kazánból kijövő mondjuk 65-75 fokos víz) kétszer annyi hőt lehetne leadni a pufferba a gázkazán felől, magasabb visszatérő oldallal, de ezzel akár még azzal is lehetne játszani, hogy a rétegződést kiküszöbölni a pufferban, mert az egyik csőkígyó alul a másik meg felül van, szóval a gázkazánnal rásegítve akár egyenletesebbre lehetne felfűteni az egész puffert - a kérdés hogy van-e rá szükség. Van egy egyáltalán szükség, hogy a gázkazán előremenője a hőcserélőkbe menjen, és ne direktben a pufferba? Hacsak az nem, hogy ha direktben megy a pufferba, akkor az szükségszerűen azt is jelenti, hogy a gázkazánon keresztül a padlófűtésben lévő víz át tud kerülni a bojler hőcserélőjébe is, nem tudom, ez okozna-e problémát. A padlófűtésben hót sima csapvíz van jelenleg. A másik kérdéskör a vezérlés. Azt hogyan oldanátok meg, ha az alapvetés az, hogy a fő hőleadó a faelgázosító kazán, de adott esetben lehetséges, hogy fűtök a gázkazánnal is. Az első gondolatom az volt, hogy a meglévő Siemens öntanulós termosztát (ami jelenleg a gázkazánnak ad fűtési-igény jelet) az kapcsolná a puffer-padlófűtés körben lévő szivattyút. Az a kiindulási alapom, hogy a faelgázosító kazánnak manuálisan kell megmondanom hogy van fűtési igényem, azaz ugye meg kell raknom és begyújtanom, ezt az oldalt nem lehet automatizálni. Szóval az alapvetés az, hogy megraktam a kazánt, begyújtottam, és elkezdett menni a pufferba a kazánból a víz, és amikor van már elég melegvíz a pufferban, akkor elkezdünk keringetni a padlófűtés felé. Egy kis kitérő - ide tennétek-e egy plusz ágat ami a puffert kikerülve direktben a puffer utáni keverőszelepen keresztül a kazán begyújtásának pillanatából tudná fűteni a padlófűtést? Vagy egy teljesen külön kört, külön keverőszeleppel? Ha igen, akkor ugye eleve ide is kell valami elágazás, hiszen a kazánból kijön a mondjuk 85 fokos víz, ha azt nem a pufferen keresztül rakom a padlóba, hanem puffert kikerülve is tudná a kazán fűteni a padlót, akkor ugye oda kell a kazánból előremenő víz mondjuk 35%-a, amihez visszakeveri a visszatérőből a hidegvizet, a maradék mondjuk 65% melegvizet ugyanúgy be kell nyomni a pufferba. Ez hogy néz ki a gyakorlatban? Hogyan volna érdemes vajon vezérelni a másik oldalt, a gázkazánt? Az a bajom, hogy még az sincs meg a fejemben, ötletem sincs, de valami olyasmi jár a fejemben, hogy: HA van fűtési igény ÉS HA nem megy a faelgázosító ÉS HA nincs elegendő melegvíz a pufferban (három feltétel együttes megléte), AKKOR bekapcsolhat a gázkazán a padlófűtés felé. Szerintetek ez így jó ötlet? Vagy tudtok jobbat? A gyakorlatban hogyan lehet kivitelezni egy ilyen három-HA feltételre épülő kazánindítást? A hozzászólás módosítva: Szept 18, 2022
Idézet: „Eddig egy régi gázkazánnal ment puffer nélkül, keverőszeleppel, emiatt aztán a gázkazán folyton ki-be kapcsolgatott.” Most csak erre a részre szorítkoznék. Ha gázkazán van, nem kell puffer és keverőszelep sem. Nálunk vegyes tüzelés van. Ilyen esetben kell a puffer, meg a keverőszelep is.
Szerintem a kétféle kazánt nem érdemes egyazon rendszerbe tenni.
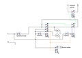
Idézet: Nem jó. Kell kerülőág, amikor a faelgázosító kazán közvetlen tudja a rendszerbe nyomni a meleget.„Az elsődleges kazán a faelgázosító lesz, ahol lesz egy kis szivattyúkör, amin a puffertartályba nyomja be a melegvizet, a faelgázosító a terveim szerint nem fog máshova dolgozni” Feltételek: ÉS kapcsolat esetén relék érintkezői sorosan, VAGY kapcsolat esetén relék érintkezői párhuzamosan kötve. A csövezés kivitelezéséhez kell olyan szaki, aki tudja is, mit csinál, különben lehet akármilyen elektromos vezérlés, nem lesz jó.
Milyen eset az, amikor erre szükség lehet?
Idézet: „Nem jó. Kell kerülőág, amikor a faelgázosító kazán közvetlen tudja a rendszerbe nyomni a meleget. ” Erre.
A puffer arra való, helyesen használva, hogy a feleslegesen megtermelt hőt tároljuk benne addig, amíg nem kell és a hőforrás nem termel, pl. kilaszik a tűz a vegyestüzelésű kazánban. Ha nincs kerülőág, a pufferbe nyomott meleg víz keveredik az ott lévő hideg vízzel, miközben mehetne a fűtőtestek felé is, rontva ezzel az egész hatásfokát.
Ha fentröl töltöd fel a puffer és onnan is veszed ki a meleget, "nullára" lehet meríteni a puffert, ellátja a feladatát, amire tervezték. Továbbá csak akkor megy oda meleg, ha a rendszer nem használja el.
Minden tiszteletem a tiéd a munkásságodat tekintve, Te egy "polihisztor" vagy a szememben a szerteágazó tudásod miatt. De ebben én vitatkoznék veled. Szerintem meg pont nem jó kétkazános rendszerben a rajzod, mert nehéz a fűtési és felfűtési fázisokban a vezérlése az általad rajzolt rendszernek. Padlófűtésnél a nagy hőlépcső miatt nem egyszerű megoldani a keverést, sokkal egyszerűbb ilyen esetben az a rendszer amit Tie felvázolt. De természetesen a Te tudásoddal lehet, hogy simán megoldható, de én már elég sok rendszer kivitelezése után ott tartok, hogy ez a kerülőutas megoldás nem tetszik, és elég sok feltétel kell ahhoz, hogy rendesen működjön. Viszont el tudom fogadni, hogy ez is lehet jó, csak nekem nem akar úgy működni, ahogy én elvárnám tőle, főleg úgy, hogy a faelgázosító kazánból min 6-70 fokos víz jön ki, és ugye annál elengedhetetlen a kazánvédő szelep beépítése, így a kettő (kazánvédő szelep és keverőszelep)"szabályzás egymást zavarva dolgozik.
Szerintem nem kellet volna ez a kioktató stílus. Pláne, hogy butaságot írsz.
Részemről befejeztem a veled való konzultációt. Attól, hogy butaságot határozottan állítasz, attól az még butaság.
Szerintem az értelmetlenül elköltött pénzt lehetne akár a kazánra is dobni. Legalább adna egy kis meleget.
Érdemben nem tudok vitatkozni ezekkel a dolgokkal, mert a csövezéses részét soha nem én csináltam.
Ettől jobban nem tudok és nem is akarok belelátni a rendszerbe de azok a szerelők akik értenek is hozzá, felénk valamilyen lopótechnikát emlegetnek, jelentsen ez bármit is, ugyanakkor mindig működött (a pufferbe csak a felesleg megy, tűz kialvása után nulláig lehet meríteni a puffert). Azt tudom, hogy a kazán és a puffer, valamint a puffer és a rendszer közötti csőnek különböző méretűnek kell lennie, az előbbi vastagabb, ez talán látszik is a rajzon. Nekem logikusabban is tűnik, hogy ha megy a vegyestüzelésű kazán, akkor az tudjon a rendszer felé is nyomni, ne csak a puffer felé. Ha a rendszer nem kér meleget, akkor a puffer töltése megy.
Megkerülőág nélkül is biztosítható, hogy a hőleadónak elsőbbsége legyen.
Nálam a képen látható módon van megoldva.A puffer felső csonkján van bevezetve a melegvíz, és egy másik, kb 90fokkal odébb lévő, de ugyanolyan magasságban elhelyezkedő csonkon van kivéve, az megy a padlófűtés keverőszelepéhez.Nincs puffer megkerülőág. A pufferben erősen rétegződik a víz,felül a legmelegebb, így automatikusan megvalósul, hogy a padlófűtés azonnal megkapja a meleget.A felső 1/4-e a puffernek 75 fokos, alatta a maradék 3/4 meg 30 fokos.(4 hőmérő is van benne, onnan tudom). Gondolom a rétegződést az is segíti, hogy a padlófűtés szivattyúja erősebb, mint a kazáné. 10 éve így működik, szerintem így (is)jó.
Mindig a legegyszerűbb jó megoldás a jó megoldás.
Na meg hogy a padlófűtést nem szabad hagyni kihűlni. Iszonyat ráfizetés "nulláról" felfűteni naponta.
Nagyon hasonló rendszerünk van.
Hidraulikailag is többféle megoldás jöhet szóba, vezérlés szempontjából meg aztán főleg. Én úgy terveztem meg a hidraulikus kapcsolást, hogy megnéztem, hogy a puffer adatlapjában milyen bekötést javasol kazán + gázkazán együttes használata esetén.Aztán ezt módosítgattam, egészítettem ki indirekt tárolóval.A csövezést nem én csináltam, ahhoz nem értek. Az indirekt tárolódban lévő csőkígyó elegendően nagy teljesítményű, tapasztalataim szerint jóval nagyobb, mint az elektromos fűtőszál.70 fokos előremenővel lényegesebben gyorsabban felfűt, mint villannyal. A vezérlés része, ha korrektül meg akarod csinálni, elég bonyolult lesz, nem 2-3db relé... Kellenek hőfokkülönbség kapcsolások, időzítések a hiszterézisek miatt stb. Minimum egy programozható relé. A hozzászólás módosítva: Szept 19, 2022
“ Nem jó. Kell kerülőág, amikor a faelgázosító kazán közvetlen tudja a rendszerbe nyomni a meleget”
Igen, pontosan én is ezen gondolkoztam, hogy nem ártana ugye. De nincs előttem hogy ez fizikailag hogy néz ki. Ha radiátorok lennének, akkor marha egyszerű lenne a dolog, hiszen a kazánból induló forróvizet egy-az-egybe bele lehet tolni a fűtésbe, de itt nem ez a helyzet. Itt nem csak akkor lesz eltárolandó “pillanatnyilag felesleges” melegvíz, amikor a ház már nem kér fűtést, hanem gyakorlatilag állandóan, hiszen a kazánban termelt melegvíznek csak egy töredékét engedjük bele a padlófűtésbe, tehát azt meg kell oldani, hogy a megkerülőágról IS (vagy eleve onnan) tudjon bejutni a felesleges melegvíz a pufferbe folyamatosan. És ezt marhára nem látom magam előtt, hogy hogyan, milyen berendezésekkel lehet megoldani.
Aha, na ez jó ötlet. Felül etetni a puffert, és felül venni ki belőle a vizet a padlófűtésnek egy keverőszelepen át.
A visszatérőt ez esetben meg a puffer aljából, vagy a közepéből venni a kazán felé. Ezzel a résszel csak egy problémám van: Ha rétegződik a pufferben a víz, és alul mondjuk csak 30fokos, az nem jó a kazánnak. Mit csinál vele a kazánvédő szelep? Valamit csak be kell engedni a kazánba ugye. A padlófűtésből még annál is hidegebb víz jön vissza. Ezzel gyakorlatilag a kazán folyamatosan nem túl ideális visszatérővel dolgozik. Nem tudom, hogy az Atmos hogyan kezeli ezt, mit szól hozzá. Ha a puffer közepéből veszem ki a visszatérőt a kazánnak, ahol talán melegebb a víz, akkor meg mit csinálok, amikor ott már annyira meleg, mint az előremenő? Lehet hogy érdemes lenne betenni egy pufferkeverőt, ami időnként megkeveri a puffer tartalmát, mondjuk úgy beállítva, hogy ha már a lakás nem kér hőt, akkor keverjen. Bár, mivel a padlófűtésnek nem kell magas előremenő, ezért aztán kevergethet akár akkor is, ha felül 75 fokos, alul meg 35, az is bőven sok még mindig a padlófűtésnek…
Felesleges abba belemenni, hogy minek KÉNE lennie, mert az van, ami van.
A gázkazán se mindegy, milyen. Olyan baromságokat légyszives ne is írjál le, hogy ha gázkazán van, akkor nem kell puffer, meg keverőszelep sem. Elolvastad egyáltalán amit írtam? Mégis hogyan az anyámban csinálod meg egy álló nyílt égésterű gázkazánnal legalább egy keverőszelep nélkül hogy a padlófűtésbe 36 fokos víz menjen? Édes istenem….
Egyszer megkérdeztem egy szerelőt, miért így kötötte be a puffert, ahogy rajzoltad. Válasz: Így szoktuk. Mi lesz a csonkok fölötti meleggel? Válasz: Ööö.. Merthogy az egész onnan indult ki, miszerint a kazán már tolja a melegvizet fél órája, mégsem melegszenek a radiátorok, ha hosszabb időre magára van hagyva a rendszer (elutazás okán). Ez nagyobb puffernél mégjobban előjön mert a csonkok fölött is több víz van.
Értem én, hogy rétegződés és ilyesmi. Amit nem értek, mi értelme van fűteni a puffert amikor a lakás kér meleget. Semmi extra nem kell ennek kikerüléséhez, csak másként csövezni.
Ne abból indulj ki, hogy “mi értelme van a puffert fűteni, amikor a lakás kér meleget”, hanem abból, hogy a padlófűtés miatt KÉNYTELEN VAGY a puffert fűteni akkor is, amikor a lakás kér meleget, mert a kazánból 85 fokos víz jön ki, amiből 35 fokot engedhetek bele a padlóba, és a többit el kell rakni valahova.
Csövezésben érdemben nem tudok segíteni, de eddig amilyet láttam, ott a puffer és a padlófűtés között volt megcsinálva a trükk gépészettel. Kazán és puffer között csak kazánvédő keverőszelep és keringető volt. Az a baj, két egyforma vezérlést még nem kértek, csak egy-két elrettentő példára tudok visszaemlékezni. Gázkazánt is több helyre láttam már bekötve, ez teljesen rendszerfüggő (milyen a kazán, milyen a lakás fűtése stb.).
Az se egyértelmű még számomra, hogy az előremenő ágon mit csinálok azzal a melegvízzel, ami a pufferből kijön, majd ahhoz keverek hideget a visszatérő ágról, és elmegy a padló felé, nos ott mit csinálok a maradék melegvízzel? Kijön a puffer tetején mondjuk 65 fokos víz, mert épp olyan meleg a víz a puffer tetején.
Annak egy részét bekeveri a szelep a visszatérővel, a maradékkal mi történik? Azt engedem vissza mondjuk a kazánba a kazánvédőn keresztül direktben? Ezzel lehetne emelni a kazán felé visszatérő ágat, hogy melegebb vizet kaphasson a kazán a kazánvédőn keresztül. Vagy inkább a puffer aljába, és onnan a kazánba? Arra is kell gondolni, hogy mit csinálok a visszatérő ágon jövő vízzel, ha a kazán már leégett, és csak a pufferből fűtök. Akkor értelemszerűen felesleges a kazánba tolni, akkor csak a pufferbe lehet belerakni a visszatérő vizet.
Ne abból indulj ki, hogy “mi értelme van a puffert fűteni, amikor a lakás kér meleget”, hanem abból, hogy a padlófűtés miatt KÉNYTELEN VAGY a puffert fűteni akkor is, amikor a lakás kér meleget, mert a kazánból 85 fokos víz jön ki, amiből 35 fokot engedhetek bele a padlóba, és a többit el kell rakni valahova.
A csonkok feletti meleghez: A pufferemnek van csatlakozója felül a palást oldalán, a tetejétől lefelé mondjuk tíz centire - gondolom oda kötöm a kazánból jövő melegvizet - ÉS a legtetején, a kupola tetején IS egy függőlegesen felfelé álló, onnan lehetne kivenni az előremenőnek a melegvizet, így ez a kérdés megoldott.
Nézzük fordítva. A kerülőág segítségével a felesleget nyeli le a puffer (amit a lakás nem használ el perpillanat), majd később a puffer visszaadja azt. Ne a pufferben keverjük ki a megfelelő hőmérsékletű vizet, arra ott vannak a gépészeti megoldások.
Azok a legfelső csonkok, csak felül van egy plusz csonk, ott egy légtelenítő van.
Oda nem lehetett csövezni, mert kb. 10 cm van a plafonig(pince)Felállítani is épphogy sikerült. ![]() A kazánom egy pelletkazán, természetesen van rajta kazánvédő szelep, 60 fokos ha jól emlékszem.Amint eléri a 60 fokot a kazán előremenője, nyit ez a szelep a puffer felé,a padló előremenő is azonnal melegszik.Ami késlekedés van, az a kazánvédő szelep miatt van nálam. Amúgy meg igazából nem is számít szerintem, hogy később kap meleget a padlófűtés, hiszen óriási a hőtehetetlensége.
A kazán és a puffer között természetesen van kazánvédő szelep csak nem rajzoltam be.
Ez természetes, a padlófűtés előtt MINDENKÉPPEN van egy keverőszelep, a véletlenre nem bízom a keverést. Na meg mi van ugye, ha mondjuk az egész puffer fullon 75 fokos már? Szóval az nyilván nem pálya hogy a pufferben történő keveredésre bízom az előremenőt, az napnál világosabb.
Ettől még nem áll össze fejben a kerülőág elméleti felépítése. Akárhogy számolom, kerülőággal 4 csőnek kéne lennie a keverőszelepnél: Két bemenet: 1- kazánból jövő forróvíz 2- visszatérő hidegvíz És két kimenet: 3 - 36 fokra kevert víz előremenőnek a padló felé 4 - maradék melegvíz a pufferbe Nem tudom, hogy létezik-e egyáltalán ilyen keverő, vagy háromutassal egyáltalán hogyan kivitelezhető, nekem ettől egyszerűbbnek tűnik, hogy a pufferbe bemén a forróvíz a paláston felül, a legtetején kiveszem belőle, oda kerül a keverőszelep. Ez a része számomra tiszta. Ami nem az, hogy a keverőszelep után a maradék visszatérő vizet direktben a kazánba vezetem, vagy a puffer aljába?
A padlófűtés visszatérője nálam a puffer 3. csonkjába van bekötve.(Alulról a harmadik, tehát a magasság kb.3/4-énél)
Nézz már meg egy puffer-kazán-gázkazán-padlófűtés bekötést!
“ Oda nem lehetett csövezni, mert kb. 10 cm van a plafonig(pince)”
Nekem van helyem bőven, én ha kell, tudom onnan kivenni az előremenőnek a vizet. |
Bejelentkezés
Hirdetés |




, de csak annyit tennék hozzá az off témához, hogy valóban nem ildomos keverni a két fűtéstechnikát. Pusztán a gazdaságosság miatt.







