Fórum témák
» Több friss téma |
Fórum » Subwoofer szűrő
Heló!
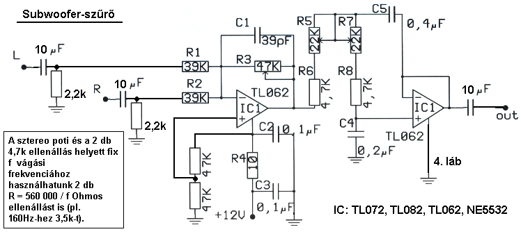
Biztosan vannak néhányan, akik szeretnének aszimmetrikus tápról (adapter, akku) működő mélynyomó szűrőt építeni. Ezért átrajzoltam az oldalon található egyik kapcsolást. Az eredeti nyákjára megépíthető, a plusz alkatrészek a bemeneti-/kimeneti csatlakozókra forraszthatók (a bemeneten a 2 db 2,2k-s ellenállásra a Right-Left szeparáció növelése miatt van szükség: az eredeti kapcsolással 10kOhm bemeneti impedanciájú erősítőt használva csupán 20 dB lett volna a szeparáció, elrontva a sztereoképet). megj.: a különböző típusú IC-k között nincs hallható különbség. A TL... széria bemeneti impedanciája kb. 10E12 Ohm, míg az NE5532-é kb. 300 kOhm, így ez utóbbi köré nem érdemes kOhmos ellenállásokat pakolni. Azoknak, akik szeretnék a sztereó hangsugárzókat mentesíteni a mély hangok lesugárzásától - hiszen ezt a mélynyomó elvégzi - itt van még egy 2.1-es hangváltó kapcsolása is. Így használhatunk kis méretű "könyvespolc hangdobozokat" is, amik nagyobb szabadságot adnak az elhelyezés terén. Tervezek egy 2.1-es hangváltó egységcsomagot is, remélhetőleg 1 hónap múlva kész lesz... Üdv, K. Bertalan
Sziasztok tudvalaki nekem segíten,megépítettem ezt a subszűrőt TL072cp ic-vel és nekem csak gerjed,hang nem megy
át rajta az ic nem melegszik!!Mi lehet a baj mert a kapcsolással tőbbszőr is ősszevettetem és nem tudok rájőnni!
Hali
erősítő nélkül is gerjed? a táp (2X12 V ) rendben van? a forrasztásoknál minden OK? nincsennek véletlen összeérő forrszemek?
Erősítő elékőtőm ugy tudom ugy kell aforrasztások rendbenvannak és a 2x 12v ot is megkapja !!!
Azota már megcsináltam!javitva most ittartok!
értem én, hogy erősítő elé kell kötni, de a hibát meg kellene keresni, nem?
vedd le róla az erősítőt és a kimenetre tegyél hangszórót és nézd meg, hogy úgy is gerjed-e? ez a subfilter tulajdonképpen ha az amire gondolok akkor ez egy előerősítőként is működik. Ha nem jó a fesz 2x-eződ panelja akkor, hogy lehet meg a 2X 12v???? nem értem
Van kőlcsőn tápom és arrol probálom műkődtetni!Akkor kiprobálom ugy ahogy mondod!
A kollektor egyenesen a nullára a trrimmer pedig kőzvetlenűl oldalra a gnd-re,csak rosz képet raktam fel!
Megnéztem most is gerjed de most még a led is villog!!!!
Mostmár megvan a kétszerező műkődik is!!!Viszont a subfilter még mindig nem,észre vettem hogy a 39piko kondit rossz helyre raktam,átraktam és még mindig csak bug a log potira nem csinál semmit,a sztereo potira viszont hangosodik! A +12,-12,0 megvan!!!Amikor leveszem a táprol nyőszőrőg egyet!!!!?????
Kőszi a segítséget!!!
Mondjuk szerintem tulságosan átengedi a magas hangokat is!!mivel 1khz nél is erőssen hallatszanak a hangok!elvileg 20hz-120hz kőzőttvág!!!!
Na sziasztok!
Adódott egy kis probléma a minap egy barátomnak és meglepő dolgot műveltem neki de előbb a története a dolognak. Egy régi jóbarátom elhatározta hogy márpedig ő disco-t fog csinálni.Pénze meg is volt rá és be is vásárolta hozzá a kellékeket.Most itt csak a hangrészéről beszélek. Megvette a lejátszókat a keverőt két egyforma végfokot két rutse láda hozzá két topp plussz a két driver ja és majd elfelejtettem a hozzátartozó aktív hangváltóval.Erre valamelyik nap jön a telefon hogy menjek már el mert hülyét kap tőle mert kegyetlen rusnyán szól az egész berakva az arra kijelölt helységben és már mindent állítgat de sehogysem jó.Na erre Tamásbátyó nyakába kapta a lábát és gyía megnézni.Mikor beérek fogadott valami hihetetlen morgás és torzító csattogás de hangerő semmi, ráadásul a ládák valami hihetetlen abnormális járást és hangot adtak. Próbáltam én is állítani a hangszineket és a crossovert de nem jutottam jobbra sehogysem, mert vagy ordított a bassláda de semmi mély vagy morogva járt de szinte elveszett a hangja.Lecsupaszítottam a rendszert egy keverő-végfok kombinációra és így már elfogadható volt de ugye akkor a másik végfok és az ahhoz tartozók semmit sem szóltak ez pedig nem megoldás.Bekötöttem mindent de úgy meg nem lehetett összeállítani mert össze-vissza szólt az egész.Rájöttem hogy a crossover szívatja az emberemet.Valahogy olyan mű hangja lett az egésznek a cross-al és erőtlenné vált a zene illetve hiába volt állítható akkor is hiányoztak részek a zenéből.Magyarul nem volt ütős hangja a cuccnak.Kis hangerőn úgy el lehetett hallgatni de nagyobb hangerőnél egy nagy torzított okádmány lett. Erre előszedtük a dokumentációkat és a keverő eléggé szép jelet produkál kifelé a végfok meg jó érzékeny de ezt tapasztaltuk is, mivel a keverő 3-ason a végfok 5-ösön már clip-el a végfok.Na erre Tamásbátyó elkezdett agyalni majd hazajöttem egy olyan igérettel hogy kitalálok rá valamit.Túrtam ezerrel a netet és gondolkodtam majd megtaláltam a neten ezt a pofon egyszerű rajzot amit kicsit átalakítottam és meg is építettem.Az egész lett egy tenyérnyi kis panel, mikor barátom meglátta kiröhögött érte .Itthon kipróbálva saját cuccal szinte tökéletesen dolgozott és amikor ott bekötöttem a gyerek majd hátsójára ült hogy pár száz forint szebbet művel mint a drága pénzen vett gyári szutymókja. Az éjszakai buli ezzel ment végig és nagyon dicsérő véleményt kapott ezért merem nektek is megmutatni. A saját változtatásaimról csak annyit hogy a két in egybekötve az 5,11k és a 5,49k cserélve 5,6k-ra , a 49.9k cserélve 47k-ra, a 4,53k cserélve 4,7k-ra és a 2,2nano 3,3-ra.Két egyforma végfokot hajt a magas és a mély rész is.Így a végfokok maxon vannak hogy jól tudják fogadni a csillapított jelet a keverő pedig úgy 3/4-en hajtja és így néha bevillan a clip.Viszont a hangja fenomenális lett . A topp-ok közép és magasat adják de utősen a mély pedig nem jár mint a bugyigumi de tiszta gyönyörű, ellenben ha kell ütős bass-t ad,és minden hangszernek megvan a maga helye.Reggel el is zuhantam megnézni hogy milyen lehet ezzel a subszűrővel ami itt is van az oldalon de ezzel is olyan művi volt a basszushang így maradt ez a kapcsi emberünknek aki úgy örült egy tenyérnyi panelnak mint az a bizonyos maki a farkának. Ha valaki hasonló cipőben jár próbálja ki szerintem nem veszít vele semmit.
Hát ehhez azért nem kell órákig túrni a netet.
Azt legalább tudod róla, hol vág és milyen meredeken?
Elméletileg valahogy így kellene hogy legyen .Bár nekem az a hang számít amit produkál és nem az hogy műszakilag hol lehet belekötni egy ilyen vágószűrőbe.
Igen, pont erre számítottam, a két szűrő vágási meredeksége nem azonos, és kb 500Hz-en van az elektromos x-freki. Elvileg még jó is lehetne, ha legalább azonos volna a két szűrő meredeksége. Valószínűleg másféle rendszerhez készítették, ahol a középmagas rész hangnyomása 500Hz-től eleve esik.
Még egy pár apróság eszembe jutott közben... Nos mivel a "rutse" néven emlegetett dolog tudtommal egy BL tölcsér, és a BL tölcsérek 90%-a táguló TL-ként fogható fel, nem kell csodálkozni, ha abban a formában nem csillapítja a membrán mozgását. A crossover meg, elvileg, ha jól használod ugyanazt műveli, mint ez a szűrő, csak néhány műverősítővel kiegészítve, tehát valahol a körülményekben van a probléma, így elsőre a megoldásból (hogy a -4dB szint csökkentés jót tett), azt gondolom, a jelszintek illesztésében. Szóval nem mindig másban kell keresni a hibát, mert legtöbbször mi követjük el / vagy nem vesszük észre. ![]() ui: sztem azért jó volna néhány méréssel kicsit pontosítani a szűrőn. akkor aztán lehetne figyelni a Hangot is "amit produkál".
Ezzel a rajzzal az a probléma, hogy más-más erősítőre kötve más lesz a vágási pontja. A rajzba eléggé beleszól a rá kötött meghajtó cucc belső ellenállása, és a kimenetére kötött cucc bemeneti ellenállása. Ja és alapba csillapít mert passzív cucc. Kevés a meredeksége is. De ha nektek füllel jól szólt örülök neki. Nekem is elég lenne.
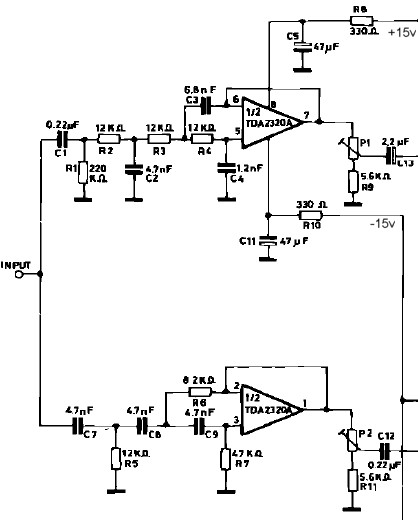
Mellékelek 2 rajzot, mind kettő TDA gyári pdf része volt. A passzívot megépítettem én is egy aktív szub elé, csak a kondikat nagyobbra cseréltem, próbálgatással. Az tuti h hallkabb volt így. Az aktívot is ajánlani tudom, sgs-thomosn csak nem téved
Apropó ez csak egy megjegyzés!
Nem kezdessz egy kicsit a hangszórókba és a méricskélésbe belefásulni? Néha még az élő fába is belekötsz , pedig néha az ezeréves pofonegyszerű dolgok sokkal jobban célt érnek mint az ezerrel kiszőrözött kiméricskélt A-tól Z-ig végigszámolt de egy pici aróságon megcsusszant és ebből adódóan nem azt produkáló dolgok. Ne érts félre elismerem a szaktudásod és a hozzáértésed "ergo virtuális kalap előtted" de néha nagyon szkeptikusan fogod fel a dolgokat. Mert ugye mint tudjuk nincs olyan hangfal ami tökéletesen egyenletesen szólna minden frekvenciasávban ezért van hogy eggyik ilyen másik olyan, kinek ez tetszik kinek az. Hogyha egy hangfalnak tökéletes lenne mindene akkor nem kellene annyi félét gyártani hanem lenne egyfajta és csak azt venné mindenki és megoldva lenne a dolog.De ugye ez nem így van márcsak az igények miatt is.Hogy megengedtessék nekem egy megjegyzés nekem például a gyári "húdeszuperül " kitervezett és kimért hangfalak közül egy kézen meg tudom számolni hogy mennyi ami tetszik, persze ezt fülre értem. De hogy a témánál maradjunk ha van kedved és időd számold át a szűrőt és egészítsd ki ha gondolod úgy ahogy szerinted jobb lenne .Nem haragszik meg érte senki .A sokáig való keresés pedig nem baj szerintem.Sokkal nagyobb az a baj ha valaki keresés nélkül akar és követelőzik itt és közben a legalapabb és legegyszerűbb dolgot sem próbálja ki, illetve semmi önállóságra sem hajlandó.
"Mert ugye mint tudjuk nincs olyan hangfal ami tökéletesen egyenletesen szólna minden frekvenciasávban ezért van hogy eggyik ilyen másik olyan,kinek ez tetszik kinek az."
pont ezért kell ezeket a hibákat kompenzálni hangváltóban, vagy szűrőben, vagy dobozban, százféle lehetőség van rá. ez nem tetszés kérdése, ez a minimális elvárható igényesség. A megvalósítás útja lehet különböző, ezért gyártható végtelen számú variációja a hangsugárzóknak. Nem lenne baj, ha mielőtt kinyilatkoztatsz vmiről végig is gondolnád. Vannak dolgok, amiken nem lehet átlépni, még ha néhányan így is hiszik.
"sgs-thomosn csak nem téved"
Dehogynem. kerültek már érdekes dolgok néhány adatlapra náluk is. Nem néztem meg most, de gondolom egy aktív szűrőt csak nem rontottak el.
"Vannak dolgok, amiken nem lehet átlépni, még ha néhányan így is hiszik."
Ezt kifejtenéd bővebben? Így kicsit rébuszokban beszélsz ."Nem lenne baj, ha mielőtt kinyilatkoztatsz vmiről végig is gondolnád." Ez alatt pedig tényleg nem értem mit gondolsz.Ha arról amit rólad mondtam az fenntartom.Ha arról amit a hangsugárzókról illetve azok hibáiról és megoldásukról az természetes hogy egyéni dolog de azt te is beismerheted hogy egyedileg megcsinálsz egy tökéleteset "esetleg" de hogy az sorozatgyártásban sosem ugyanazt fogja adni az tuti.Mindig és hozzáteszem "mindig" is van annyi szórás hogy azt eggyesével minden ládán kikorrigálni képtelenség.Sajnos ezzel meg kell barátkoznia mindenkinek. Az viszont igaz hogy ha egy frekvenciamenetben valamit el kell egyengetni esetünkben hangfalnál az mindig valaminek a kárára fog válni (itt akár 1-2Watt teljesítményt is vehetsz de akármi mást is). Itt az aktív hangváltónál is ugyanez a helyzet mert itt is valamit elnyomunk a többihez képest és akkor már nem ugyanaz lessz mint előtte volt.A legideálisabb lenne egy hangsugárzó ami mindent visz és egyenletesen minden frekin és akkor nem kellene semmit sem vagdosni és egyengetni.Nade ilyen nem létezik vagy legalább is én nem tudok róla hogy lenne. Az eset pedig amit elmeséltem hangosításról szól és nem szobai "hifibuzi " cuccról, ergo más követelményeknek kell megfelelni, amik valljuk be szerényebbek mint a szőrözős úgymond "Audiofil/HiEnd" szinten.
Nem lehet átlépni az átvitel egyensúlyán a T-S paramétereken az impulzusválaszon, torzításon, stb. Ezt mind visszahallod, és vannak ugyan olyan területek, ahol kevésbé fontos (pl. hangosítás), de az alapszabályok ott is ugyanúgy érvényesek.
Az átgondolást úgy egy az egyben értettem mindenre amit írtál, mert néhol irtózatosan felületesen kezeled a dolgokat, és vannak pontok, ahol már nem a féligazság kategóriába tartozik, amit írsz, hanem egyenesen nem igaz. Az egyedi hangszórógyártással kapcsolatban nincs igazad. Ami egyszer egyedileg elkészült, azt később milliós darabszámban is meg lehet csinálni ugyanúgy, akár 1%-os pontossággal is. Ha mégsem így történik, az már a gyártó hibája, viszont ha szerencséd volt, és egy sztereó rendszerben legalább a két oldal egyforma, akkor igenis van létjogosultsága a hibák korrigálásának. Persze ahogy írtam az előbb, igényektől függ, hogy szükséges-e. "Az viszont igaz hogy ha egy frekvenciamenetben valamit el kell egyengetni esetünkben hangfalnál az mindig valaminek a kárára fog válni" Erről én nem tudok. Milyen károkra gondoltál? Vagy ha neked kár, ha helyreáll az átvitel egyensúlya, esetleg ker. frekin azonos fázisban lesznek a hangsugárzók, akkor már megértem. Károk nem nagyon érhetnek, legfeljebb jobb lehet, mint volt.
Most egy kicsit igazoltad is az írásom de terelsz másfelé.
De mindegy mert sajnos nem igazán hozza az elmélet és a gyakorlat egymást még a gyártóknál sem mindíg de ezt te is tudod.Van amikor ha jobb lenne így gyártani mert akkor jobb lenne de sajnos a technológia és az egyéb beruházás a módosítás miatt nem jöhet létre akkor veszik a dolog és marad ami épp sikerül.Azt viszont hagy jegyezzem meg hogy egy hobbista aki akar egy pár ládikát készít sajátrészre tegyük föl akármilyen meggondolásból az nem fog hozzá elősször beműszerezni mindent hogy minden méricskélve legyen.Azt az 1%-ot meg hagyjuk mert te is beismerheted hogy a mai termelési stratégiákkal ez kizárt hogy akárhol is menne maximum a megfizethetőség nagyhatárain fölül léteznek ilyen dolgok ahol talán még eggyesével gyártanak mindent.
Nem terelek én sehova, ugyanazt írom, mint eddig. Egyébként jól tudom, hogy mi a helyzet a nagyvilágban, a hangszórógyáraknál, de ez nem azt jelenti, hogy ne lenne működőképes amit írok. A videoton 50 éves technológiája is alkalmas az 1%-os gyártásra, nem kell egyesével, akár milliós darabszámoknál is működik, sőt itt minél több hangszóró készül annál inkább van esély rá, hogy egyformák legyenek. Így tervezték meg anno a magyar mérnökök. Jelenleg is a H2000-nél (és ez igencsak alulárazott kategória már) minden mindegy alapon használva tartja a +-5%-os szórást, tehát légy szíves ne próbálj olyanról győzködni amit kettőnk közül én ismerek jobban.
Sajnos ki kell ábrándítsalak, mert az elmélet és a gyakrolat minden esetben fedi egymást, ha Te mást tapasztalsz, akkor először is el kell gondolkodni, hátha rosszul ismered az elméletet (mert előfordul az ilyen), esetleg maga az általad ismert elmélet rossz, túlhaladott, bizonytalan stb. Egyébként nem volna semmi értelme, hisz mit ér az olyan elmélet, aminek nincs köze a valósághoz?
Ácsi-ácsi én nem pont egy cégről és két egyformára készített hangszóróról beszéltem.Azt meg kell hogy hagyjuk hogy a magyar termékek ilyen szempontból még mindíg viselnek egy kis színvonalat.Akár elektronika akár más termékek esetén. Jelenleg is bár ez lehet hogy csak az én kényes fülem teszi de a magyar hangtechnikusoknak és hanglemezgyártóknak a külföldiekhez képest van fülük mert a magyar lemezek valamiért sokkal szebben szólnak és sokkal dinamikusabbak mint a külföldiek persze itt nem a jazz és hasonló kategóriára gondolok hanem a kommersz népbutitó zenékre.Itt nálunk még talán adnak egy kicsit az ilyesmire de odakinn már nem sajnos vagyis csak elvétve.
Az hogy elmélet és gyakorlat erre csak "sal és társait tudom felhozni" ahol köztudott hogy semmi sem az aminek titulálják és aminek kellene lennie, és még megannyi gyártóról lehetne ezt elmondani de ez értelemetlen szócséplés. Én részemről lezárom ezt a dolgot legfőképpen azért is mert most nem erről indult el a dolog hanem egy egyszerű szűrőáramkör volt a porondon ami meglehetősen szépet alakított egy adott helyzetben és feldobtam hogy ha másnak is esetleg erre lenne szüksége akkor itt van elérhetően és egy alternatívát kínál egy amatőrnek. Csak még annyit tennék hozzá hogy olvasd el az oldal címét és értelmezd ki . Szerinted kiknek szól? Talán az ezer éves profiknak akik mindent hajdejól tudnak ? Szerintem nem. Aki viszont tud és profinak érzi magát az vegye a fáradságot és adja tovább egy értelmezhető formában a kezdőknek.Itt nem magamra gondolok aki 2x-óta foglalkozom elektróval hanem aki kezdi. Ez most nem neked szól de nem akarok másik hsz-t írni: Megint kezd úgylátom egymás közötti dobálózás terévé válni a fórum és megint kezdenek a témák szinte követhetetlen szálakon futni.Elkezdi az emberfia olvasni és mire a végére ér egy témának azt sem tudja miről indult az elején.Például a TDA1554 topicja amiben már lassan a 20-adik ic-ről is van szó csak az eredetiről nem esik szó.
" én nem pont egy cégről és két egyformára készített hangszóróról beszéltem."
Én sem, kb. 200 darabról az évi 10 000-ből. És ez a szám még fokozható ameddig szeretnéd. "Az hogy elmélet és gyakorlat erre csak "sal és társait tudom felhozni" ahol köztudott hogy semmi sem az aminek titulálják és aminek kellene lennie, és még megannyi gyártóról lehetne ezt elmondani de ez értelemetlen szócséplés." Bizony-bizony. De a SAL és társai hangszóróknak semmi közük az elmélethez és gyakorlathoz. A forgalmazók hazugsága, vagy valótlan adatlapok marketing adatokkal megtöltése nem tartozik az elmélethez. Egyszerűen arról van szó, hogy valaki olyat állít, ami nem igaz. Se több, se kevesebb.
Na én befejeztem mert ennek már semmi köze ehhez a témához és a továbbiak nem ide tartoznának.
Ha a szűrőhöz akarsz hozzászólni vagy javítani rajta akkor tedd de ez a párbeszéd részemről értelemetlen és nem ide való. Ha vitatkoznánk ami lehetetlen ugye akkor kicsit megtudnálak hökkenteni téged is de meg lehet akárkit csak tudni kell az a pontot ahol meglehet. Úgylátom hogy te megrögzötten tudod a tökéleteset és senki más nem tud semmit róla pedig ugye "mindig van egy nagyobb hal a tengerben". Csak akkor azt nem értem miért csak szurkálódsz és lenézel dolgokat és embereket mikor meg is tudnád mondani konkrétan is a tutit mindenkinek hogy mit mikor hová és hogyan. Ugyanis ezt nevezik segítségnek nem azt hogy "szerinted ez így jó" vagy tudod hogy "ez miért így vagy úgy".Tessék a terep állj elő konkrét dolgokkal, rajzokkal ,leírásokkal. Hogy legyen értelme is annak hogy gazdagítod körünket és nem csak a profik vitáit kell olvasnia majd itt a népnek.Nyugodtan írhatnál cikket is az oldalra arról amiről beszélsz vagy tudsz itt értem a hangszórógyártást és mérést illetve a doboztervezést illetve az egyébb hozzátartozó dolgokról. Így lenne mire hivatkoznia a népnek és adnál valami konkrét segítséget is a népnek azon kívül hogy egy két képletet bedobsz hogy ezt meg azt így kell számolni de hogy azt hová és minek mikor ez csak olyan hogy a kilométeres láncból odaböksz egy-két szemet. huh. Ez egy gyönyörű összefüggő és értelmes gondolatsor volt.bocs. "Csak akkor azt nem értem miért csak szurkálódsz és lenézel dolgokat és embereket mikor meg is tudnád mondani konkrétan is a tutit mindenkinek hogy mit mikor hová és hogyan." Nem hiszem, hogy képes lennék megmondani a "tutit mindenkinek", amit lehet megteszem, de szerintem nagyon messze állok én a szurkálódástól. Mondjuk, ha valaki olyan hangnemben ír, mint Te az nem is tudom mit vár... Ahhoz képest még finom és visszafogott voltam. "Tessék a terep állj elő konkrét dolgokkal, rajzokkal ,leírásokkal." Konkrét dolgokkal? Eddig is azt tettem. Arról nem tehetek, ha Te nem érted amit írok: "azon kívül hogy egy két képletet bedobsz hogy ezt meg azt így kell számolni de hogy azt hová és minek mikor ez csak olyan hogy a kilométeres láncból odaböksz egy-két szemet." Nem tisztem a kilométeres láncnak megfelelő tudást beletölteni az agyakba ami az egy-két láncszem értelmezéséhez kell, túlzás volna, és senkit nem érdekelne, a "nép" egy nagy része fel sem fogná, nem is akarná. Megértem őket, pedig én nagyon keveset tudok. "Nyugodtan írhatnál cikket is az oldalra arról amiről beszélsz vagy tudsz itt értem a hangszórógyártást és mérést illetve a doboztervezést illetve az egyébb hozzátartozó dolgokról." Fölösleges volna. Ebben az egyben biztos vagyok. A "nép" utál olvasni, másrészt minden probléma egyedi, így egyedi megoldást is kíván, ezt pedig legfeljebb a fórumban lehet kivitelezni. Az sem mellékes, hogy Nincs kedvem cikkeket irkálni csak azért, hogy egyesek mint pl. Te elfogadjanak. Teszek rá, ki mit gondol rólam. Nem kell engem szeretni, csak leírom amit gondolok és kész. A cikkírók sorába meg nem állok be, nem akarok én elismert lenni (meg azért a színvonal is fontos..)
Felteszem a két kapcsrajzot újra, kissé javítva (bár az előzőek is működnek)...
|
Bejelentkezés
Hirdetés |






át rajta az ic nem melegszik!!Mi lehet a baj mert a kapcsolással tőbbszőr is ősszevettetem és nem tudok rájőnni! 


Azt legalább tudod róla, hol vág és milyen meredeken? 



.





