Fórum témák
» Több friss téma |
Fórum » Labortápegység készítése
Esetleg ha az IC-ket másik oldalról forrasztod be, tranyókat meg lábkiosztás szerint helyesen ülteted be akkor még jó lehet. Én is építettem már ilyen tápot és egész használható szerintem.
Gyakorlatilag minden alkatrészt aminek polaritása van az eredeti beültetéshez képest fordítva kell beültetni.
Köszönöm a hozzászólásod. Sajnos igazad lett, ez bizony forditva van. Most már az IC-nél is látom, ha a layout.gifet rendes beültetési tervnek nézem alkatrészekkel felül. A tranyókat már elevele forditva tettem be a nyákrajzhoz képest (azaz kapcsrajz szerint helyesen), de az IC-ket nem. IC-ket átrakva a túloldalra működik
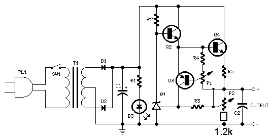
Áramot lekorlátoz, feszkót állit Egy gondom van csak. A Q2-es tranzisztor sütött miután 1-2 percig hajtottam róla egy 12centis ventit & a 12V-os kapocsfesz 11.5-re lement. A Q4 teljesitmény tranyó, ha rásegit, ilyen melegedésnek és fesz.esésnek nem szabadna lennie, nyugtassatok meg kérlek![]() Ha a fentieket cáfoljátok, megépítem mégegyszer, rendesen ![]() Idézet: „lényeg, hogy semmi ördöngősség nincs a dologban, kinyomtatod a PCB.GIF -et egy münyomóra és vasalod, nem kell semmit tükrözni meg forgatni,” A helyzet az, hogy pont ezt csináltam. A csatolmányban lévő rajzot nyomtattam ki. Ezt haver iratozta fel & rakta keretbe, de 1:1-ben ugyanaz és látja Kend, nem lett jó. Úgyha pcb.gifet úgy tünik mégis tükrözni kell nyomtatás előtt. Lényeg az, hogy most már láttam működni a kapcsot és dobott a hangulatomon. Köszi a segitséget
Hello!
Így van, a fesz nem eshet! A Q4 biztosan nem működik, mert a Q2 csak a Q4 bázisáramát viszi, ami 20..50-ed része a főáramnak. Feszültséget kell mérni a bázis emittere és kollektor emittere között. Akkor kiderülhet a baj. üdv! proli007
Sziasztok!
Lenne egy nagy kérdésem. Találtam ITT egy érdekes táp rajzot áramkorláttal. Szerintetek működik egyáltalán? Nagyon egyszerűnek tűnik. üdv.: Müszi
Üdv.!
Működik de amennyire egyszerű, annyit is tud.
Igen működik. Viszont az áramkorlát a teljesitménytranzisztor melegedésével elmászhat.
Akkor jó.
A kis tudásától függetlenül nekem teljesen megfelel. Köszönöm a válaszokat: Müszi
Figyelj oda az épitésnél,a P2 logaritmikus jelleggörbéjű (B)jelzésű poti legyen,ahogy a leirásban is van.
Persze, olvastam a leírásba is, de azért köszönöm hogy figyelmeztettél: Müszi
Hello!
- Az áramorlát, még viszonylag szellemes megoldású. A Mex által említett hibát, közel kiküszöbölheted, ha a Q3 tranzisztort is a hűtőbordára rögzíted. - Az már viszont nemtúl jó megoldás, hogy a feszültségszabályzónak, nincs referencia feszültsége, csak a Q1 bázis emitter dióda könyökfeszültsége. Az bizony hőfokfüggő. Én ide egy TL431-et tennék a tranyó helyett, igaz akkor 2,5V alá nem lehet leszabályozni a feszültséget. - Ha a potit miniumra tekered, akkor nincs szabályozás, a nyers tápfesz fog kimenni. üdv! proli007
Köszi a válaszokat!
Idézet: „A Mex által említett hibát, közel kiküszöbölheted, ha a Q3 tranzisztort is a hűtőbordára rögzíted” Ha már bordára kell rakni, akkor jó az a megoldás, hogy BC212 helyett BD140-et használok (felfogatás szempontjából)?? Idézet: „Én ide egy TL431-et tennék a tranyó helyett, igaz akkor 2,5V alá nem lehet leszabályozni a feszültséget.” Ha így remekül összehozható, akkor, nem számít az a 2,5V.Tudnál mutatni egy rajzocskát, hogy hogy kössem be a tranyó helyére? Elég ha a TL431 lábait elnevezed E,B,C-nek Idézet: „Ha a potit miniumra tekered, akkor nincs szabályozás, a nyers tápfesz fog kimenni.” Ez már átalakítva történne meg, vagy a jelenlegi megoldásban? Várom a válaszodat, és előre is köszönöm: Müszi
Hello!
- Én is szoktam kis BD-t használni, ebből az okból. - Remélem a Tl bekötése így érthető. - A szabályozási problémát az 1,2kohm így megoldja. üdv! proli007
Nagyon köszönöm
Még valami: lehet-e a berendezést olyan cuccal bővíteni, ami jelzi, hogy a beállított áramkorlátot elértem (egy LED-del)? Van erre egy egyszerű kapcsolásod vagy ötleted? Feltétlen szükséges a középmegcsapolású trafó? Graetz-es egyenirányítás nem lenne jó? Müszi
Szia!
Nekem ez a tápegység nem nagyon jött be, pontosan a nemlineáris szabályzás miatt. Nem lehetett pontosan beállítani a kimenőfeszültséget, mert logaritmikus poti esetén is csak az utolsó 10%-ban kezdte rá adni a feszültséget. Nem is beszélve az akár +-2V-os elmászkálásokról. Ha rám hallgatsz, nem építed meg. Sajnos ez a lehető legegyszerűbb szabályozható tápkapcsolás, és sajnos tényleg nagyon gyenge. De ha mégis megépíted, akkor középmegcsapolásos trafó helyett használhatsz simát is, csak graetz-híd kell hozzá. Bár ez az én véleményem, tőlem nyugodtan megépítheted. Üdv!
Szia!
Akkor a kapcsolást hanyagolom, pedig olyan egyszerűnek tűnt Most keresgéltem rajzok után, és ezt találtam Ez a kapcsolás jó lesz nekem (fő az egyszerűség, áramkorlát nemfontos) üdv.: Müszi
Az LM317-eshez mit szólsz? Az sem rossz kapcsi, vagy van még az L200-assal megvalósítható kapcsolás, az sem egy bonyolult, pont a BSS-en van is egy ilyen L200-as.
Üdv: Doncso
Én kettőstápot építek, tehát lesz egy nagy és egy kisáramú rész. A kisáramú rész LM317-tel lesz.
De most pont a 723-ra lennék kiváncsi, hogy az működőképes-e amit a bss-re felraktak. üdv.: Müszi
Sziasztok!
Van egy 2x32V-os trafóm és szeretném megépíteni ezt, a BSS-es 30V-os labortápot. Szerintetek ez jó választás? Mert jónak néz ki, és nemis tűnik drágának. Nemtudom valaki foglalkozott-e már ezzel, de az lenne a kérdésem hogy 2-3A-re érdemes-e és hogyan lehet növelni a teljesítményét. Mert a trafó 4A-ig elég jól bírja. Ja és a legfőbb, hogy nyáktervre is szükségem lenne, az van-e valakinek? Előre is köszönöm a segítségeteket!
Hmm... Hát így elsőre nem is tudom. Szerinted azt érdemesebb megcsinálni? Csak bonyolultabbnak nézeget ki, és az a problémám hogy nem tudok rá sok pénzt költeni.... És ez tud olyat mint a másik, mert az nagyon megtetszett hogy ha rövidrezárom a kimenetet betudom állítani az áramerrőséget.
A trafóm egyenirányítva közel 45V-ot ad le, azzal még bírná? És ehhez van nyákterv?
Hello!
Igaz, hogy a Zolinak szólt az üzenet, de kissé morcos vagyok! - A kiindulási alap, mindig egy "egyszerű" kapcsolás, ami természetesen kissé gyenge képességű is. - Aztán ahogy ki vannak javítva a hibák, megnő az étvágyatok, lépésről - lépésre több a kívánalom. - Amikor valami majdnem ki van tárgyalva, akkor egy új rajz kerül elő, és kezdődik az egész elölről. - De amikor egy korrekt kapcsolás kerül szóba, az meg már „ komplikált”. Igen az elektronikában ez van! Ha az ember szeretne igényes készüléket készíteni, akkor ahhoz kimunkált áramkör kell. Ez egyben bonyolultabb is szokott lenni. - Olvasni a világért sem olvastok, sem vissza, sem ami az ajánlásba szerepel. pld.: Gery: Idézet: „És ez tud olyat mint a másik, mert az nagyon megtetszett hogy ha rövidrezárom a kimenetet betudom állítani az áramerrőséget. BSS: Természetesen rövidzárvédett, szabályozható áramkorláttal, (bal oldali nagy poti),” - Ha az ember nem tájékozott egy témában és segítséget kér, akkor talán illene elfogadni a nála tapasztaltabb tanácsát. Másik megoldás, jártassá válni az áramkörökben és akkor maga is eldöntheti a választását. - De minden esetre először eljutni arra a szintre, ahol az ember egyáltalán tudja, mit akar. És ne csak áthárítani a segítőre, hogy találja, ki mit is szeretne és még a gondolkodás és olvasás munkáját is rátaksálni. Idézet: „Szerinted azt érdemesebb megcsinálni? Csak bonyolultabbnak nézeget ki, és az a problémám hogy nem tudok rá sok pénzt költeni....” Hát megnézted mi mibe kerül? Mert a táp leghúzósabb darabja a trafó, ami a kezedben van. Az egyenirányítót, puffer kondit, végtranzisztort, hűtőbordát - ami drágább darabokat illeti - minden kapcsolás igényli. A kb. 50Ft értékű 324 és néhány ellenállás, dióda, meg elhanyagolható áru a többihez mérten. Ne hogy félre értsd, nem kimondottan csak neked szól a dolog. Én úgy gondolom, és "kollegáim" nevében is kimondhatom, szívesen segítek szinte bárkinek. De szeretném látni, hogy nem csak a segítők, hanem a segítettek is ráfordítanak kis időt és energiát egy áramkör megértésére, egy feladat megoldására. Bocs, hogy ilyeneket írok, nem hiszem, hogy tisztem, de néha elszakad a cérna. üdv! proli007
Ez a "cérnaszakadás" már várható volt.
Amúgy teljes mértékben egyetértek. Na meg ez a nyákkunyerálás....
A másik táprol így írja:
"A tápegység elég különleges, olyan dolgot tud, amit más tápok nem igazán. Jelesül azt, hogy a kimeneti kapcsok rövidrezárásakor a kimeneten lévő árammérőröl le lehet olvasni a beállított áramkorlát értékét." Ezt így kiemeli hogy ez különleges, és bár elolvastam nem is egyszer a másik táp leírását is úgy tűnik így reggel mégse fogtam fel mit. Elnézést. Szerintem azért van ez az oldal, hogy több ember elmondja a véleményét az adott áramkörökről, és ezáltal tud segíteni. Majd idővel én is eltudom dönteni melyiket érdemesebb választani. Ez lesz az első labortápom amit építek, előtte nem foglalkoztam ilyenekkel. De már építettem sok mindent, de labortápból ez lesz az első. Ezért gondoltam megkérdezek olyan embereket akik komolyabban benne vannak ebben a dologba. És körülnézek, olvasok hogy melyiket érdemes megépíteni. Én kinéztem magamnak azt a BSS-t 30V 1A-el. Megkérdeztem mit mondtok róla. Ekkor Zoli ajánlott egy másikat. De én vevő vagyok a tanácsaitokra, hisz csak tőletek tudok tanulni, és ahelyett, hogy elutasítottam volna inkább egy kis információt kértem róla, hogy ha már neki megvan építve, mégis milyen. Abban is igazad van hogy jobban utánna is nézhettem volna, és hamarabb kérdeztem. Bár nemgondoltam hogy ez ekkora bajt jelent. És ha valaki már megépített egy áramkört, akkor mértne kérhetném el tőle a nyákrajzát, ha van olyan rendes és megosztja....
Helló
Azt a tápot, amit kérdeztél, hogy valaki megcsinálta-e, én megcsináltam. Tökéletesen működik. Nekem több mint 2A-t tud. Igaz még nincs teljesen kész, mivel kicsit átalakítottam, hogy tudja a nagyobb áramot. sajnos nyákrajzom nincs meg hozzá, mert egy baleset után formáznom kellett a gépet és eltűnt az is. de lassan megcsinálom megint a rajzot, és ha kész lesz felrakom.
Hello!
És a trafód hány voltos? Mert az enyém 32V, remélem azt még bírja. A BD tranyókkal építetted te is? Hát ha tényleg lenne hozzá nyákterved azt nagyon megköszönném!
Gery! Nincs itt gond,valóban azért van a fórum,hogy segitsünk egymásnak.Most is azzal töltöttem az időmet,hogy egy tirisztoros előszabályzásút túrjak neked,de eddig még nem akadtam a nyomára (van hozzá nyákrajz is)
Viszont jó lenne konkrétabban megfogalmazni az igényedet,a trafó ugye már adott (megmérted már az üresjárási áramfelvételét?). Ha ki akarod hozni belőle a max teljesitményt akkor mindenféleképp előszabályzást kell alkalmazni,ha nem akkor az eddig szóbajött kapcsolások mindegyike jó, Az sem mindegy,hogy álltalános felhasználásra szánod-e,vagy kisérleti ák. inditására kell. Szóval még gondolkodj kicsit. Ami a nyákot illeti:én kifejezetten szeretek nyákot tervezni,szerintem mindenkinek kellene is,mert fejleszti a logikát,és a meglévő alkatrészeidhez tudod igazitani,meg egyébként is hozzátartozik a hobbihoz.
Helló
Az én trafóm kicsit túlméretesre sikeredett. A pufferkondi után majdnem 50V van. :eek2: Nekem 2db 2n3055 lesz benne párhuzamosan. Így kisebb az esélye, hogy tönkremegy. Valahol megvan az a terv, amit a készítőtől kaptam, abból meg lehet csinálni a saját tervedet. előkeresem és felrakom.
Értelek.
Az az igazság hogy nemsok időm van és ezért szeretnék nyákot kérni. Csináltam már én is bonyolultabban, egyszerübbeket gyors összedobom, de az az igazság hogyha ezt valaki megadj rengeteg időt spórol meg nekem. A tápot csak egyszerű általános felhasználásra akarom használni. Hát a trafóról tisztán 3A lehet leszedni, az nemgond neki. De így belegondolva 1A szabályozható is jó nekem végülis, ha úgy tuti müködik....(de nemvetem el a nagyobbat se )
50V? Akkor nekem se lesz gondom vele
Rendben van |
Bejelentkezés
Hirdetés |




Áramot lekorlátoz, feszkót állit
Köszi a segitséget






