Fórum témák
» Több friss téma |
Pontos neve a 10W-nak? "Drágák" valószínű megbízhatóbbak , de a 10W-od lehet csak 1W mert pl: az A30130 5.5W de 40W-nak mondják (nemigen lehet eligazodni a leírásokban annak aki nem ismeri az adott modult).
A hozzászólás módosítva: Márc 9, 2023
Óh, pedig reménykedtem. Hát akkor sajnos én elfogytam ötletekben, valamiért pedig olyan, mintha nem kompenzálná eléggé a gyorsulást/lassulást.
Ahogy gondoltam kevés a teljesítmény a vágási leírásban (balra fent a képeknél) láthatod ,hogy puha éa sötét anyagokat de fát csak a "balsafa" repülőgép fa vág. Amúgy vágáshoz mindenképp kel a levegő rásegítés ha szép vágást akarsz.
Megy a próba és a túlpásztázás segített.
Köszönöm.
Elég nagy a szórás. Három féle modullal találkoztam:
1. A felvett teljesítménnyel hírdetik, pl. 80W 2. Az optikai teljesítménnyel hírdetik (5,5W, vagy dupla diódánál 10W) 3. Random számot írnak a W elé Amiben még különbség van, az a dióda minősége. Sokszor rossz minőségű diódát tesznek bele és azt borzasztóan túl is hajtják. Ennek az lesz az eredménye, hogy eléggé melegszik, nem ad le elég teljesítményt és hamar meg is purcan, vagy elkezd gyengülni. Mellé még el szoktak olyat is játszani, hogy lespórolják róla az infraszűrőt, így infravörös fény is jön belőle a kék mellé. Az infravörös fény veszélye (és a szemüveg minősége) miatt szoktam is javasolni, hogy senki se használja a lézerhez kapott védőszemüveget (a zöld/piros csoda), mert még, ha a kék fényt megfelelően szűri is (nem szűri megfelelően), akkor is az infrát simán átengedi, de lehet venni normális, tanúsítvánnyal rendelkező OD6-os védőszemüveget infra szűréssel kb. 20 000 Ft-ért, annyit megér az ember szeme és látása szerintem, mert egyszer lesz baj és aztán helyrehozhatatlan lesz a kár. Ahogy látom különböző fórumokon és csoportokban többek között az Endurance, az Ortur, a Neje, az Atomstack, a Sculpfun és az xTool megbízható márka, tőlük aránylag konstans minőséget lehet kapni és tudja az ember, hogy mit várhat egy adott modultól, de azért ezek hiába kínai márkák lehet belőlük kínai hamisítványt is venni, ami nem lesz jó. Továbbá ami nekem pl. a NEJE esetén tetszik, hogy látszik a fórumokon, hogy nem tökölnek a garanciával, ha valami nem jó, akkor küldenek cserét.Ez a Neje A40640 ami nekem van egy dupla diódás modul, nem volt olcsó, 250 dolláromba került annó, de több, mint egy éve használom elég intenzíven és nagyon elégedett vagyok vele. Bírja a gyűrődést, akár órákon keresztül is megy amikor gravírozok vele (pl. fényképet), de hosszú vágást is végigvisz simán. Nagyon jól fókuszálható, magas minőségben lehet vele gravírozni, a vágás meg számomra pont elég gyors így, persze nem egy CO2 sebesség, de nem rohanok. A 6mm-es rétegelt lemezt is átviszi (igaz ahhoz kell 2 menet). Nem bántam meg, hogy megvásároltam, pedig féltem ennyi pénzt kiadni érte, hogy mi lesz, ha kiderül, hogy totál rossz, de szerencsére nem az. Most az E80-al szemezek, abban 4 dióda van, így 18-20W körül van az optikai teljesítménye, azzal csak az a bajom, hogy baromira nagy a mérete és egy zsák pénzbe kerül. A Neje esetén ami necces, az a teljes gép (én csak modut vettem), mert maga a gép jó minőségűnek tűnik, azonban a tápon spórolnak. Képesek egy géphez amihez A40640 van 12V 4A-es tápot adni. Na kérem, maga az A40640 az 40W-ot vesz fel teljes teljesítményen, ami azt jelenti, hogy mindjárt leszív 3,5A-t a 4-ből max teljesítményen, maradt 500mA a motorok és a vezérlő hajtására. Ennek szokott lenni a következménye, hogy vagy nem kap elég kraftot a modul és gyenge, vagy hogy megáll a gép egy ponton egy peek után és 100%-on égeti, majd gyöngyörű lángok csapnak fel alóla. Szóval erre érdemes figyelni és normális tápot tenni hozzá. Egyébként rengeteg tesztet lehet látni neten, videókat, blogokat, mindenféle dolgot ami alapján az ember tud választani a modulok közül. Amiről nincs infó, az meg lutri, vagy jó lesz, vagy nem. A hozzászólás módosítva: Márc 9, 2023
Idézet: Jól van fókuszálva? Ha picit (1-2mm) lejjebb teszed a modult nem lesz jobb? „Nem rossz, nekem 10W-osom van, de a 3mm-es fa lemezt nem viszi át, kb 0,5mm híján, bármennyiszer engedem ár rajta.”
Sajnos amivel még a bajom, (és itt egy kicsit elbizonytalanodok) ha beállítom a fókusztávolságot a tárgy tetején akkor az alján nem lesz jó, ha oda állítom, akkor a tetején nem lesz jó. Ezek a jobbacska lézerek párhuzamos nyalábot bocsátanak ki? nem is kell szórakozni a fókuszponttal?
A levegőbefúvást megoldottam, az öregem inhaláló készülékét használtam fel és 4-es pvc csővel vezetem a fejhez a levegőt és vékony rézcsövön próbálom(!) a vágási pontra irányítani. Egyenlőre csak vágásra használom
Használok légbefúvást, ti milyen kompresszort használtok?
Ventilátoros hűtés, mint a 3D nyomtatóknál használatos, az itt miért nem jó? Nagyon nagy a veszteség a hosszú vékony cső miatt.
Az anyag közepére kell beállítani a fókuszt.
ACO márka min 60 l/perc
azért nem jó mert nem képes kifújni a kormot a vágásból és a tűzesetet megelőzni. Szó szerint elfújja. A hozzászólás módosítva: Márc 10, 2023
Klíma kompresszort használok (olaj és víz leválasztással) 1.6 bár nyomással most 0.5mm fúvóka az A30130-on. Ha oldalról vezeted a levegőt akkor nem fontos az olaj és víz leválasztó .
Előtte hűtőgép kompresszort használtam de kicsi volt a légszállítása és állandóan ment ami miatt ventilátoros hűtés kellett neki. Itt a rézcsöves táplálással: Bővebben: Link A hozzászólás módosítva: Márc 10, 2023
Szerintem engedd el az a lézerfej csak gravírozáshoz lehet jó. Kicsi a teljesítménye és rövid a fókusza. Mérj egy áramfelvételt 100% teljesítménynél vágás közben és a fejnél mérj feszültséget ugyancsak vágás közben ( nálam gyári szerelés és mégis a fejnél 90% -nál 12.3V helyett 10.9-11V van). Nálam kb 5-9mm hosszan van vágásra alkalmas sugár (6mm-re állítom a fúvókát az anyagtól).
Esetleg nincs-e beégve a lencse vagy koszos ? Alkohollal tisztíthatod. A hozzászólás módosítva: Márc 10, 2023
Ha gravírozol a tetején legyen a fókusz. Ha vágsz az anyag közepén, vagy 2/3-án.
Hát az nem mondanám, hogy párhuzamos, de az enyém, ha 35mm-es fókusztávolságra állítom a lencsét, akkor azért olyan 15mm hosszan jó a fény a vágáshoz (ezért tud vastag fát ávágni). de kisebbel használom, mert ilyen vastag fát nem vágok, így meg sokkal kisebb a fókuszpontom, pontosabban gravírozok és gyorsabban vágok. Én is egy ACO-328 tavi kompresszort használok, bőven elég, szép tiszta a vágás és sokat segít is. A ventillátor nem elég, az a jó, ha az égetési pontban nagy sebességel jön a levegő, mert így pillanatok alatt eltakarítja a füstöt és a törmeléket a lézerfény útjából, továbba nem engedi lángra kapni a fát, így a kis lángoktól (ami nem is látszik) nem lesz égett, meg kormos meg elszíneződött a fa széle. A ventillátorral viszont csak "legyezed", rosszabb esetben pont, hogy táplálod vele a tüzet ![]() A vékony cső pont azért jó, mert gyorsan megy benne a levegő. Nem kell túl sok levegő, de ami jön az seperjen.
Ez brutális!
![]() A másik kérdésem lett, volna, hogy oldjátok meg, hogy a lézerfénnyel egy pontba jöjjön ki a levegő sugara, de a lézerfénynek ne legyen útjába, így már látom, bár a belsejét nem tudom elképzelni, hogy nem felfelé jön a levegő, valamit, hogy tudod a fókuszt állítani? Idézet: „A vékony cső pont azért jó, mert gyorsan megy benne a levegő.” ez igaz, a végén, de ha az egész, 3m hosszú cső vékony, az már jelentős veszteség. Közbe találtam 4mm-es belső átmérőjű PVC cső lett a nyerő, ezt még bele tudtam nyomni az energialáncba és nincs túl nagy veszteség se. Sajna még csak úgy rá van oldalról irányítva ami nem túl nyerő, a következő lépés az lesz amit Zamatőr módszere, a 3D nyomtatós fejjel, ezt megcsinálom, csak még nem világos, hogy tömít le felfelé.
Tenni kell bele egy gumitömítést, vagy egy befőttesgumit
Köszi, de ezt akkor se értem, egyrészt az optikánál kell letömítenie, amit kézzel állítgatni kell, ha szükséges, vagy egyszer beállít és utána már nem lehet?
Mi a garnacia arra, hogy a lézer fény pont azon a 0,5mm es fúvókán megy át? Oké, hogy tűpontosra ki lehet nyomtatni azt a konzolt, de az optikába is lehet némi csalás. De megnézném belül is ezt
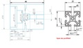
A fókuszpróba után már nem állítom a lencsét, így az adott x mérethez szerkesztve a fúvókatartót a kép szerin elkészítve használom.
A központosítással "játszani" kel (falra kivetítve a max fényt állítani vagy (én így csinálom) a fúvókát rányomom egy papírlapra és egy pillanatra kapcsolom a lézert majd a látott égetett pont alapján igazítom középre a sugarat. A képen nincs feltüntetve a lézer hűtő levegő kivezető oldalsó ablakok ( korábbi képen látható). A hozzászólás módosítva: Márc 14, 2023
Üdv!
Mit jelent ez a "vagy hogy megáll a gép egy ponton egy peek után és 100%-on égeti" ? Többször volt már ilyen esetem lasergrbl és lightburn programok használatakor. A tápegysége gyári 12V 6A (valahol olvastam, hogy statikus feltöltődés miatt áll le a futás és javasolták a "védőföldes" összekötést az összes fém szerelvénynél) megcsináltam de a hiba továbbra is fennáll.
Jó nagyteljesítményű lézert kell venni és kifúrja magának
![]() A fúvóka gondolom használt 3d nyomtató nozzle, milyen méretet használsz? // bocs ha már elhangzott.
Innen vettem:
Bővebben: Link 0.5 mm Ilyen megoldáson is gondolkodtam csak nincs esztergályos aki megcsinálná (kép) A hozzászólás módosítva: Márc 14, 2023
Szerintem teljesen jó a 3d nyomtatott, nincs nagy nyomás, hogy kilője a fejet, mondjuk nálad nem tudom, mekkorát pumpál az a klíma kompresszor, de nyilván nem annyit, mint az öregem inhalálója.
![]() Nektek van valami megoldás a kompresszor ki/be kapcsolására?
2.5 bár (atm) nyomáson kapcsol ki a nyomáskapcsoló és 0.1-1.6 ig tudom szabályozni a fúvókánál lévő nyomást. 0.1 csak azért kel mert a ventilátor nem lefelé fúj és gravírozáskor kimozgatja a füstöt (vágáskor 1.6).
A hozzászólás módosítva: Márc 14, 2023
Idézet: „Nektek van valami megoldás a kompresszor ki/be kapcsolására?” Van, egy relé, így ligthtburn tudja kapcsolni gkóddal. Nekem volt 3d nyomtatott, nem volt vele gond, elég pontos azért az a lézersugár és nem is túl vastag. Azóta átálltam a gyári alumíniumra (ha már lett). Igen, én egyszer beállítottam és azóta csak a tárgy-modul távolságot állítom, a lencsét nem tekergetem, ezért nem is zavar, hogy el van fedve, de, ha kellene, akkor is csak 4 csavar.
Kész lettem a tervezéssel, most indítottam a nyomtatást, hát így néz ki, belülre terveztem egy gumigyűrűs tömítést, ami nem látszik, valamint nekem nem jó a csavaros rögzítés, mert nagyon pici, 3-nál kisebb és inkább ilyen bilincses módszerrel rögzítem a lézermodulon, így legalább kiküszöbölöm, a tömítés pontos pozicionálását, mert annyira tolom rá amennyire tudom
A levegő vezérlés a programból nálam mágnesszelepet nyit( a gép tartozéka) -így táplálható légtartályról . Kompresszor vezérlésre csak akkor használható ha a termel levegő mennyisége nem haladja meg a fogyasztást (dugattyús kompresszornál nyomáskapcsoló szükséges lehet) tavi levegőztetőnél ez nem probléma mert nem lehet túlterhelni a belső kialakítása miatt.
Így terven igen, a nyomtatás eredménye már nem annyira,ha csúcsra állítva nyomtatnám, akkor sok alátánasztás kell, logikus fejjel lefele nyomtatni, de akkor pont a tömítésnél lesz belül a támogatás (ott nem lesz szép a felület)
Lehet, hogy mégis a csúcsra állított verzió lesz a nyerő |
Bejelentkezés
Hirdetés |










