Fórum témák
» Több friss téma |
Fórum » NYÁK-lap készítés kérdések
A témában nincs helye a nem szakmai indíttatású vitáknak, ezért a szabályszegést elkövetők azonnali figyelmeztetés nélküli kitiltásban, vagy némításban részesülnek. Ugyan így járunk el azokkal szemben, akik "blog"-nak nézik a fórumot. Ezt mindenki tartsa szem előtt!
Van rá 80% esély, csak tedd fel a képet.
Ezt marha egyszerű lenne átrajzolni Sprint Layouttal.
Mekkora a mérete?
10x15 cm
Nézd át, jól van e így. Ha jó, generálok gerbert.
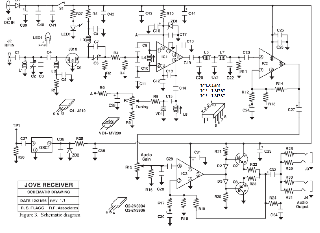
Ekérhetem a kapcsolási rajzot? A hozzászólás módosítva: Márc 10, 2023
Aztaa, nagyon hálásan köszönöm!
![]() (Bocsánat hogy időközben nem reagáltam, most értem haza) Összehasonlítottam az első PCB-vel, szerintem minden stimmel. Mellékelem a kapcsolási rajzot, és a beültetésit is, hátha le lehet olvasni belőle valami plusz hasznos infót.:
Még sosem kellett Vcut kivágás..., most szeretnék.
Van ennek dedikált gerber rétege..., vagy elég egy külön réteg, amire azt mondom, hogy az az...?!
Ezt most nem nagyon értem. Kifejtenéd?
A körvonalat kell használnod amit eddig a külső oldalon használtál (a sprintben 20 as réteg ha jól emlékszem )
Azért emlegettem gerbert, hogy programtól független választ kapjak!
A programtól független választ nem hiszem hogy kapsz mert minden nyáktervezőben más a körvonal réteg száma és a nyáktervből készül a gerber milyen nyáktervezőt használsz ? Abban hányas réteg a körvonal ? Megnézed és már megvan a válasz , ennyi dő alatt ha olvasol már tudnád mit csinálj
A hozzászólás módosítva: Márc 10, 2023
Ha értenél hozzá, ennyi hülyeséget nem hordanál össze egy hozzászólásban!
Csak azt nem értem, hogy aki még a kérdést sem érti, az miért akar mindenáron okoskodni?!!
Akkor csak kínlódj és kérdezősködj , Üdv 8 évig gyártottam nyákot megrendelésre lehet hogy nem értek hozzá ...
A hozzászólás módosítva: Márc 10, 2023
Pontosan azért kérdeztem, azoktól, akik már nem egyszer csináltak ilyet, és még értik is a miérteket, hogy ne kelljen kitalálnom!
Akkor most mivan ? Sikerült kitalálnod az okoskodó értetlen hozzászólásomból ? Mert ha nem így jártál ... Örülök hagy segíthettem
A hozzászólás módosítva: Márc 10, 2023
Kicadban van körvonal (edge-cuts) réteg oda kell rajzolni...
Más programban is gondolom hasonlóan. A nyákgyártók oldalán a "jobb" nyáktervezőkhöz van infó mit hogy kell generálni pl: https://support.jlcpcb.com/article/194-how-to-generate-gerber-and-d...icad-6 https://support.jlcpcb.com/category/23-technical-support Szóval nem mondanám hogy program független a kérdésed.
Az ok, hogy a különböző programokban bármilyen réteg is lehet akármi, de végül csak gerbert generálsz belőle, ami elvileg szabványos!
Az nem világos nekem, hogy van e erre dedikált gerber réteg, vagy bármelyik "szabad" rétegen megadhatom a kivágás vonalait, ha azt jelzem a nyák gyártójának, azon a rétegen én mit értelmezek és akarok?!
Az outline réteg a nyák körvonalát írja le, amennyire tudom! Nem hinném, hogy itt kellene megadni a Vcut vágást is...
Egyáltalán nem titkos a program, csak nem értem, mit vagy ráfeszülve erre, mikor nem a gerber generálása a kérdés, hanem hogy hogyan közöljem a nyák gyártóval, hogy hol szeretnék vcut-ot?! Ezen mit nem lehet felfogni?!
Azt nem értem hogy miért a gerberre vagy ráfeszülve , a nyáktervzőben megcsinálod a marás körvonalát és legenerálod a gerbert az outline (körvonal) vagy mint az előttem szóló is írta bármilyen néven (ez teljességgel függ a nyákterveződtől) , a gyártó már tudni fogja mit kell csinálni mert a terveződ a marásnak külön gerbert készít .
A hozzászólás módosítva: Márc 10, 2023
Rakhatod a körvonal rétegre a marást, vagy a marást külön rétegre.
A külön rétegnek a tervezőben általában vcut layernek hivják. Ha nincs akkor az outline rétegen rajzolod be. Kinai nyákgyártóknak megfelel, ha nincs cifrézva, és az outline rétegen jelenik meg. Az hoghy melyik programban minek mi a száma nem releváns. Másik dolog, hogy a gerber fájlokat a neve különbözteti meg, nem a szine. A hozzászólás módosítva: Márc 10, 2023
Nem tudom a fentieknél is világosabban leírni a problémát, hogy megértsd!
Persze "szabványos", ezért nem kell széllel szembemenni, úgy kell csinálni ahogy a gyártó kéri, ahogy a program is szereti. Szerintem semmi akadálya melyik rétegre teszed, csak a végén azt a gerbert úgy nevezd ahogy kell, akkor nem kell magyarázkodni.
pl kicad, a következő fájlokat generálta az emlitett doksi alapján, volt benne vcut: lampa12f675FET2-NPTH.drl lampa12f675FET2-PTH.drl lampa12f675FET2-Edge_Cuts.gm1 lampa12f675FET2-B_Mask.gbs lampa12f675FET2-F_Mask.gts lampa12f675FET2-B_SilkS.gbo lampa12f675FET2-F_SilkS.gto lampa12f675FET2-B_Cu.gbl lampa12f675FET2-F_Cu.gtl jlcpcb-nek nem magyaráztam semmit, megcsinálták ahogy kell... Szövegszerkesztővel bekukkolva a g-vel kezdődő kiterjesztésekbe, ugyanazt a formátumot látom... bal oldali kép --- Az előző nyákomat visszadobták, mert a vcut nem ment végig nyák szélétől nyák széléig, volt benne "T" forma, ami ugye nem gyártható (jobb oldali)... --- Azt nem tudom mire gondolsz pontosan "kivágás" alatt, én "vágás" alatt inkább értem a vcut-ot, "kivágás" alatt meg inkább a (belső)marást
Kérdezd meg a gyártót! Van aki (pl. pcbway) kifejezetten az outline rétegre kéri, van akinél más az elvárás.
A hozzászólás módosítva: Márc 10, 2023
Idézet: „Kinai nyákgyártóknak megfelel, ha nincs cifrézva, és az outline rétegen jelenik meg.” Értem! Azért nem szeretném az outline rétegre rakni, mert ott lehet más valódi körvonal is, amit nyilván nem szeretném, ha egy kalap alá venné a gyártó a valódi kivágás vonalával! Tudom, hogy nem fogja...mert nem fogja tudni értelmezni, hogy mit akarok így... Idézet: „Másik dolog, hogy a gerber fájlokat a neve különbözteti meg, nem a szine.” Ezt...nem tudom értelmezni! Hol állítottam ezt?! Amúgy pedig nem a neve, a kiterjesztése különbözteti meg elsősorban!
A gerberben már nincs "réteg", bármelyik a gerber fált átnevezheted bármire, amire nevezed "oda" fogják (próbálják
) gyártani
Én sem tudom világosabban elmagyarázni hogy nem a gerberben kell keresned a réteget hanem a nyákterveződben vagy körvonal vagy marás lesz a réteg neve magyarul innen már tényleg csak én lehetek a hülye ...
Akkor rakd külön vcut réteg
Idézet: „Amúgy pedig nem a neve, a kiterjesztése különbözteti meg elsősorban!” Top.gbr bottom.gbr vcut.gbr outline.gbr top-mask.gbr ....stb Szerinted letudják gyártani, vagy megkérdezik a HE-n ? A gyártók nem ostobák
Itt a lampa12f675FET2-Edge_Cuts.gm1, az az gerber mechanical layer 1 -en van a Vcut elhelyezve. Mondjuk...elég beszédes a file neve is, nem kell hozzá nagy fantázia, hogy értelmezze a nyák gyártója!
Idézet: „Azt nem tudom mire gondolsz pontosan "kivágás" alatt” Rosszul fogalmaztam, vágást akartam írni...
Ne viccelj már! A kiterjesztés a réteg azonosítója!
Pont hogy a file neve másodlagos, akármi is lehet..... |
Bejelentkezés
Hirdetés |















