Fórum témák
» Több friss téma |
Sziasztok
Egy egyszerű távolságmérőt szeretnék készíteni. Úgy gondolom, az ultrahangos megoldás lenne a legegyszerűbb. Van egy elméletem, ami szerintem működne, de mielőtt belefognák, megerősítésre várok tőletek. Elvileg haver írna egy progit Delphiben, ami paralel portról egy rádiójellel bekapcsolná az adott távolságra elhelyezett ultrahang adót. Ebben a pillanatban, elindulna egy számláló, ami akkor állna le, mikor az ultrahang elérné az ultrahang vevő mikrofont, ami szintén a paralelen van. így megkapnánk az eltelt időt, ami alatt az ultrahang adott távolságból elért a pc-hez, vagy laptophoz. A hang terjedési sebességét ismerjük, s ebből kiszámolhatnánk az adó, és vevő közti távolságot.
A vevő hogy küldené az jelet a gépnek?
Esetleg amikor a vevő megkapja a jelet rögtön visszaküldi az adó felé, de akkor 2 adó és vevő kell, az időt pedig osztani kell 2-vel.
Először próbálj meg a mérési tartományba eső időtartamokat (szügséges pontossággal) mérni a pc-vel,Szerintem a pc nem annyira kézben tartható időzítésekkel rendelkezik.(az oprendszer néha mással is foglalkozik nemcsak a te progiddal )
Hogy hogy küldené a vevő a jelet a gépnek? Arra gondoltam, hogy amikor megkapja, az ultrahagos jelet a vevő, akkor az valamilyen feszültséget generál a lábai közt. Ugyanúgy, ahogy a rendes mikrofon a beszédet elektromos jellé alakítja át. Ezt a feszültség impulzust figyelné a progi, az adott porton. Mihelyst érzékeli, leállítaná a számlálót. Az adóból pedig a hang, csak egy pillanatig jönne. Néhány mS-ig. Csak addig, amíg a rádiójel egy impulzusa tartana. Ezt persze kipróbálnánk, hogy mennyi az az idő ami ahhoz kell, hogy használható ultrahangot gerjesszen az adó. Rádió-adó, illetve rádió-vevőnek Topi által bemutatott 434MHz-es moduljait használnám fel. Azt viszont nem értem, mért kelklene vissza küldenem a hangjelet az adónak. Ha csak azért nem, hogy tovább tartson a számlálás, és ezzel nagyobb lenne a pontosság. Proba megjegyzéséről már én is hallottam. Állítólag azért esne kútba az ötletem, mert a számítógéppel nem tudnám pontosan lemérni az időtartamot. De ezt valahogy nem akarom elhinni. Mért ne lehetne olyan programot írni, ami attól kezdve, hogy kiküldjük a rádiójelet, s addig amíg a bejövő jel le nem állítja a számlálást, csak ezzel foglalkozna?!?! Nem ezt hívjuk RealTime-nak? Tudom, hogy csak ezzel nem foglalkozhat a szám.gép, mert önmagát is működtetie kell, de valahogy csak lehet vee rendesen időt mérni. Ez a 20. század legnagyobb találmánya! Ürhajókat lőnek fel a segítségével, és nem lenne képes vacak másodpercig több tizedesjegynyi pontossággal rendesen időt mérni?!?!
Szerintem külső számlálót használj.. elindítod az adót, ugyanakkor nullázod a számlálót, a vevő a vett jellel leállítja és beolvastatod az értéket - aztán kalibrálsz...
Ilyen külső számlálót nem nehéz megépíteni? Úgy, hogy a mért értéket porton keresztül elküldje a számítógépnek? Ráadásul csak a másodperc töredékét kellene mérnie, ugyanis a távolság is csak néhány méteren belüli lenne. PIC-hez meg sajnos nem értek.
Csinálsz egy időalapot, ami elhanyagolható impulzusidejű a mérés idejéhez képest, aztán azt számolod. Kiszámolod, hány dekádos lánc kell, aztán összerakod. Utána egy megfelelő demultiplexerrel ( 16-ról 1-re pl.) beolvasod a kimenetek állapotát.. de ez csak egy megoldás.
Először szerintem a biztos érzékelést oldd meg...
Nekem, sajnos csak egy érettségim van elektrotechnikából, ezért ez egy cseppet bonyolultan hangzik. Az alkatrészekkel tisztában vagyok meg az elém rakott áramköröket megtudom csinálni, de az, hogy időalap, meg dekádos lánc, meghaladja a képességeimet. De nem tartom magam hülye gyereknek, ezért ha részletesebben elmagyaráznád az lehet hogy segítene.
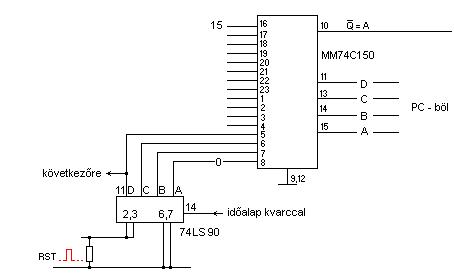
Írásban elég nehéz.. kell egy kvarcoszci, ami előállít pl. leosztva 10 usec-os impulzusokat, aztán ezt számlálod olyan IC-vel, aminek van 4 kimenete, A,B,C,D .. lásd 74LS90 vagy hasonló felépítésűek, 10-et is tudsz osztani/számlálni vele.. Ebből ha négyet kötsz egymás után, 9999-ig tudsz kijeleztetni, ami megfelel 0,09999 sec-nek( ha jól szoroztam).
Amikor leállítod a bejövő jellel, a 4x4 digit állapotot beolvastatod 1 vonalra, 74c150 vagy hasonló IC-vel. A PC négy kimeneten (LPT) végigpörgeti az állapotokat, így olvasod be a 16 bítet, amit visszaalakít a gép. Megjegyzem, célszerűbb lenne az ultrahangot nem indítani, hanem leállítani és így könnyebb lenne célozni is esetleg ( elegendő jelszint).
OFF topic:
Ne hari hogy ezt mondom de ezt a problémát már érettségim után/előtt is értettem volna ! Igaz senki sem egyforma ... de sajnos akkor ez NEM CSAK A TE bajod lehet .... szomorú hogy ilyen az oktatási rendszerünk is ... .... De ha ezen a problémán át verekszel akkor sok sok hasznos dolgot tanulsz belőle ... ON topic: Ferci elvi rajzához annyit hogy lehetne sima bináris számlálót is rakni PC programjával lehertne konvertálni is. binári számlálóból kevesebb is kell ... pl .: cd4040 / cd4020 mostnem rémlik melyik, de az egyik "csalna" mert nem adja ki az első 2 3 bit-et hanem 1ből 8dik osztást van kivezetve. Igaz a gyors szoftveres működéshez lehet időveszhteség lenne a bináris --->>> decimális átalakítás. 7490-el aszinkron számláló lesz , ezen kívűl ajánlanám a 74390 IC-t ez is dekadikus TTL osztó ic csak 1 tokban van 2 db osztó lánc , tehát 2 db 10es osztó van így fele annyi kell belőle mint a 7490ből. van 1 frekvencia mérő leírás 1 marék 74390ből. igaz mondhatod hogy neked időt kell mérni de a kettő között nincs nagy különbség ! itt van egy frekvencia mérő teljes leírás ebben 2 db számlálólánc is van. Egyik az idő alapot osztja kvarcból a másik a bejövő X frekijű jelet. Neked éppen az órajelet kell kapuznod a bejővő jellel.Ekkor kapsz idő mérést és nem frekvenciát. Az az idő tartam ameddig engeded számolni az állandó értékű órajeled impulzusait meghatározható ezeknek az impulzusok számából. ha impulzus hosszod pl.: 1ms és 1000 darabot engedett át a kapud az osztó láncodra akkor pontosan 1 secundumot mérsz 1000*1ms lesz. A számláncodon 74390 kimentenein éppen az 1000nek megfelelő bináris értéket olvasod ki. Itt lassan eljutunk az idő mérésed felbontásához pontosságához is ... minél pontosabban akarsz mérni akkor annál kisebb idő alapot kell választani annál nagyobb frekvenciájú óra jelet kell választanod. Hány bites felbontású számláncot kell választani. Itt jön elő az is hogy jobb lenne bináris számlánc mert binárisan X bittel sokkal nagyobb szám ábrázolható mint ha ezek dekadikusan vannak tárolva . dekádikusan 4 bittel 10 számolsz. de binárisan 4 bittel már 16ig tudsz számolni ... több mint másfélsz több értéket tudsz ábrázolni !!! Igaz akkor szoftverből kell több időt lopni a konverzióra. mint előbb már ezt is jeleztem. Érthető vagyok ?
Tudom írhatnék helyesebben is ... Sorry ! Későre jár!
No ekkor meg mondhatjátok hogy menjek inkább aludni ... jogos ! este 10 után pákát se szabad kézbe fogni .... jó éjt !
Igyekeztem logikailag és röviden írni, nem egy oldalban. Az IC csak példa, mint írtam... de ha már a konkrét típusnál vagyunk, a 390 nagyon forró tud lenni. Én nem szerettem. LS jobb ide, vagy a bítre pontosan kiolvasható MOS.
A konkrét megoldás egyéni, kinek mi a szimpatikus, de ebben az esetben is, ahogy írtad, az a jó, ha a "konstruktőr" tudja, megérti, mit csinál. Nekem spec nem tetszik, ha valakinek oda van dobva egy kész rajz, aztán csak rakja össze... - az nem hobbi.
Én úgy tudom, hogy ez egy fórum, ahol megbeszélhetünk dolgokat, illetve kérdéseket tehetünk fel egymásnak. Namármost, ez arra jó, hogy ha valaki kevesebbet tud mint a másik, akkor az a valaki abban bízik, hogy fölényeskedés nélküli, válaszok által, ő is megokosodhat. Engem nagyon érdekel a szakmám, és nagyon szivesen tanulnák még többet belőle. Suliban is ez volt, ha valamit nem értettem, azt megkédeztem. Erre fel olyan válaszokat kaptam, hogy mért nem figyeltél, meg mindenféle hülye kibeszélést, ugyanis legtöbbször a tanárom sem tudta, mi az amit tanít. Én nem érzem magam felelősnek azért, mert az elektrotechnikai tudásom megrekedt bizonyos szinten. Ezért örültem is hogy megleltem ezt az oldalat. Ugyanis abban bíztam, hogy majd itt fejleszthetem magam, és segítséget is kapok. A környékemen nem ismerek semmilyen szakembert, akihez fordulhatnék, ezért különösen örültem a hobbielektronika.hu-nak. Erre fel mégis kapom az okoskodást, a fölényeskedést, meg azt, hogy amit én csinálok, az nem hobbi. így nem is lehet hobbi, ha elveszik tőle az ember kedvét. De mint mondtam, segítségre szorulok, és szükségem lenne egy áramkörre. És higgyétek el, meg is szeretném érteni működését. Ha volna végre egy komplett bekötésem, utána megkérdeznék róla mindent, ami nem világos, hisz én is fejlődni szeretnék. Kera Will áramköre túl bonyolultnak tűnik viszont használhatóbbnak és logikusabbnak a működése. Köszönöm a hozzászólását. Csak sajnos angolul nem beszélek. Ferci áramköre viszont szerintem egyszerűbben öszeállítható, ezért örülnék, ha elküldené nekem úgy, hogy a 4 IC egymás után van kötve a kvarcoszcival. És igérem megkérdem a mi nem világos
. Köszönöm a hozzászólásokat, de valaki segíthetne végre megoldani a problémámat.
Ja, és nem követelőzni akartam. Tudom, hogy aki itt segít, az önzetlenül teszi, hisz nem vár érte cserébe semmit tőlem. max azt, hogy összeállítsam, az áramkört. Szóval mégegyszer mondom, nem követelőzni akarok, tudom jól, hogy más dolgotok is van, nem csak az én bajommal foglalkozni. De nagyon örülnék, ha valaki tudna segíteni.
Meg fogod kapni a rajzot, csak kis türelem... néha lusta vagyok.
Azt mindenesetre megírhatod, mennyi a "másodperc töredéke", mert én tegnap cca. 0,1-re példálóztam éppen és hogy jön össze a méter nagyságrendű távolságoddal. Egy dolgot elfelejtettél viszont - a témát azzal kell kezdened, hogy tudj produkálni egy elegendő szintű digit jelet a leállításhoz, már írtam erről. Addig nincs mérni-valód, hi...
Úgy számoltam, hogy az a 5 tizedesjegynyi pontosság megfelelő lenne 3-8m-es távolságok mérésére. A mérési hiba pedig elhanyagolható lenne. Ilyen feltételek mellett, ez körülbelül 1-3mm-t jelentene szobahőmérsékleten. Ráadásul a hiba mértéke csökkenne, minnél nagyobb távolságot mérünk vele. Hogy milyen digit jelet tudok produkálni a leállításhoz? Egyenlőre még csak úgy képzeltem, hogy egy egyszerű rádiójellel elindítanám az ultarhangot. Az AUREL TX-4MSIL típusú adó modul, egy 500 ms-os jelet küld a vevőnek. Úgy gondolom, ez elég ahhoz, hogy az ultrahang adó jelet küldjön amit a vevő észlel. Igaz csak fél másodperc, de abban bízok, elég lesz. Bár ezt csak akkor fogom megtudni, ha már élesben tesztelem. Igazad van, hogy jobb lenne inkább egy folyamatos jelet küldeni majd azt leállítani, de ezen, még nem gondolkodtam. Egyenlőre a számlálótól féltem, és azt szerettem volna megoldani
Bár ha nem ezt a rádiómodult használnám, hanem pl egy távirányítós autó rádióadóvevőjét, akkor azzal már tudok folyamatos jelet küldeni, ráadásul több sávon is és így már megoldható lenne az ultrahang állandó küldése, illetve adott pillanatban való leállítása. Asszem így lesz a legjobb
Összerajzoltam egy oszcit osztóval, van 2 időalapod. Rakd össze, próbáld ki... 5 volt stab és az IC- táp lábakra 100 nF smd vagy hasonlót tegyél.
Gondolom az állítható kondival szabályozhatom az időalapot. De honnan tudom, hogy adott pF-nál, milyen gyorsan számol. Vagy frekvenciát mérjek idő helyett? És gondolom, a demultiplexerre kerülnek, 74ls390-es IC 7-es és 9-es lábai. Ha jól gondolom, 11us idő telt el akkor, ha a 7-en és 9-en egyes van. 10us akkor, ha csak a 9-en van eggyes. De nem értem, hogy jelöl ez nekem más időértékeket. Bocsi, de ez nekem nem világos. Abba sem vagyok biztos, amit ideírtam. De köszi a rajzot
A trimmer arra való, hogy pontosan be tudd állítani a 10 megát ... de ezen még ne törd a fejed.
A többit kevered.. 1 us időalappal 1 MHz-es frekit mérsz, 10 us-al pedig 100 kHz-et, ill. megszámolod, hány impulzus "fér be"... hosszú... a gép beolvassa az állapotokat és átszámoltatod távolságra.
Itt a számláló rész, szöveget később fűzök hozzá, ha kell.... Kívánságodra 390-nel. Az oszci rajzon lévő 4. kaput vedd ki, mert ezen a rajzon lesz.
A lábszámozást nézd át adatlap alapján. A tápbevezetésekre kondikat nem rajzoltam be, azt tedd hozzá.
Ha láttál már kézi digitális távolságmérőt akkor abban sincs rádiós start stop áramkör csak 1 lézer pointer.
Ahova mutatsz vele lézerrel oda méri a távolságot. Ekkor természetesen 2szeres táv van mivel oda vissza megy az UHang. Egyszerűb lenne a mechanikai kivitelezés is ... csak 1 "fej" kell a mérő műszerhez kötni ... nem bajlódni a külső " mobil " eszköz mérőpontonkénti arréb arréb helyezésével , inkább az UHang pattogjon sokat mint hogy Te pattogjál oda vissza sokszor. .UH-nak sokkal könnyebb ! Szoftverhez : inkább mérési sorozat átlagából számoljatok , jelenítsetek meg eredményt. Azzal a mérési hibák is valamennyire csökkennek. pl.: 10-30-50 ping eredményét átlagoljátok ki és csak az jelenjen meg eredményként. Igaz ez a sok adatgyűjtés , eredmény tárolás számolás megnyújtja a kijelzőre kerülő adatváltozásának idejét. Volt már itt a topicok között 1 hasonló téma ... mindjárt elő kotrom.
No amint igértem itt van 1 2 link :
itt régen szintén UH távolság mérőt csináltak a HE fórumon Ez 1 teljes projekt ami 3 digiten jelezki távot Jó tudom nem értesz angolul ... de van elvi rajz , forráskód , stb ..stb ... azok tanulmányozása is segíthet megoldást találni!Egyik link alatt minden egyes fokozat külön külön levan rajzolva működésének módja elemezve , leírva : itten a Circuit explanation menüpont alatt Remélem ez segít a start / stop áramkör UH adó / vevő kialakításában is ...
Előző "ferdeszemű" oldalon van még másik 2 UHos riasztó áramkör és hozzá tartozó működési leírás, idődiagramokkal , mérőpontokkal stb...
UH riasztó1 elvirajz működési leírás 2 3 fokozatnak UH vevő erősítője, detektora hasonló mint a digitális távmérőjé adó erősítője is hasonló ... |
Bejelentkezés
Hirdetés |





.... jó éjt !
- az nem hobbi. 

.



