Fórum témák
» Több friss téma |
A régi fájlt tettem ki, bocs.
Tetszik ez a le/fel számolgatós izé. A szerda reggeli rajzon nem ugrott be elsőre, hogy a D/A konverterben 37,5k után miért 30k van, majd leesett hogy BCD a kódolás. Persze most már világos.
Jó ötlet a decimális szegmentálás, mert így akár direkt lehet hozzá rendelni dB kijelzést is. Nem tudom mikor lesz annyi időm hogy egy relés előfokot tudjak én is csinálni, de addig úgy se halok meg. Addigra meg annyi tudás összejön, hogy cakk-pakk össze fogom dobni. Mondjuk a tudás megszerzésével vigyázni kell, mert bár ismert az a mondás, hogy: " Jó pap is holtig tanul" Viszont a jelentését úgy is fel lehet fogni, hogy ha már sokat tud, ideje meghalnia. A középkorban le is fejeztek párat az okosak közül. Ezért csak módjával kell tanulni, nehogy baj legyen belőle. Persze hülyülni is fogok közben, ezért majd meg kell határozni az optimális időintervallumot, amikor a szabadidő vs épelméjűség arány még egytől nagyobb. Komolyra fordítva a szót, volt a mester/szolga erősítő átúsztatás megvalósításának kérdése. Bár úgy indult, hogy a szolga erősítő erősítését klónozta volna a mester, de az kis jelszinteken nem tudott volna biztonságosan működni. Viszont egy jó VCA tudna a Te kapcsolásoddal együttműködni, mivel ott már eleve van egy vezérlő DC szint. Ahogy már volt szó róla, nem kell annak hifinek lennie, csak rendelkezzen kisebb hibával, mint a a relés váltás. Egyetlen fontos kritérium az, hogy az erősítés legyen olyan precíz, hogy ne térjen el a mestertől 1dB-től nagyobb mértékben az egész tartományban. Vannak spéci VCA integrált áramkörök, de nem tudom hogy ezek tudják e ezt a pontosságot. Igaz hogy láttam négyszeres VCA-t is, ami ugyan nem tudja ezt a pontosságot, azaz a teljes vezérlőfesz/erősítés hibája valahol középtájon nagyobb mint 8dB, viszont -100dB-től +20dB-ig a négy VCA együttfutási hibája kisebb mint 0,5dB. Na és ez adta az ötletet. Eddig úgy gondoltam, az eredeti ötleted ahol a szolga erősítő kimenetét klónozza a mester, azért nem életképes, mert egyrészt a zenében sok a halk rész, ezért nem lesz elég nagy hibajel a számláló oda/vissza léptetéséhez, másrészt ha alapból le van halkítva az erősítő, akkor már nagy bemeneti jelnél sem lesz elegendő ez a szintkülönbség. De! Ha nem a zenei jel csúcsfeszültségét detektáljuk, hanem mondjuk egy 0dB-es szinusz jelet, akkor már azzal pontosabban lehetne dolgozni. Csakhogy nem szinuszt hallgat az ember fia, hanem zenét. De a gépnek nem fog fájni a feje ha ő szinuszt hallgat, csak azt ne mi halljuk. Ha annak a bizonyos quad VCA IC-nek az együttfutása ennyire pontos, akkor két csatornán a zene, kettőn pedig a szinusz mehet. Viszont az áthallásra gondolva talán mehet rajta sima DC is. Annak az áthallása nem okoz hallható zajt. Viszont az eredeti gondolatodhoz akkor kellene egy csatorna relés vezérlés pluszban, ami együtt fut a mester erősítővel. Persze nem kell olyan minőség, mivel az is csak DC-t kell hogy erősítsen. Vélhetően egy olcsó műveleti erősítős valami akár analóg kapcsolókkal is megfelel. Én csináltam néhány éve együttfutó VCA erősítőt fotoellenállásokkal. A hangjáról most ne beszéljünk, mert nem hifire kellett. A gyári LDR+led alkatrészek, de a házi készítésű is a szabályzási tartomány végein nem igazán akarnak együttfutni egymással. De rájöttem, hogy ebben nem a fotoellenállás a ludas, hanem a led maga. Nagyon kis áramoknál a ledek szivárgó árama miatt nem egyforma áramnál kezdenek el világítani, valamint a maximális áram közelében ugyancsak nem egyforma arányban kezd elfogyni a fényerő növekedés. Viszont ha egyetlen leddel világítottam meg több fotoellenállást, akkor azok szépen együtt futottak. Szóval lehet csinálni jó együttfutású VCA erősítőt is. Mielőtt megzavarlak, itt be is fejezem ezt a dolgot, mert még korai ezen agyalni. Van ugyanis más út is a mester/szolga szinkronizálásnak, ahol a mestert kell követnie a szolgának. Még ki fogok térni rá később. Közben amit mutattam relé meghajtást az el is készült. Szépen teszi is a dolgát, de legközelebb nem így csinálnám már meg. Inkább csatorna váltáskor megemelném a relék tápfeszét, mint a H vagy G osztályú erősítőknél. Most csak 4 darab SPDT relét kell mozgatnom, ezekből is egyszerre legfeljebb 2 relé kap áramot, mert a három csatorna miatt nincs szükség arra, hogy az összes behúzva legyen. Azaz nem lenne indokolt hogy így takarékoskodjak a villannyal, de mondjuk ha már egy bináris vagy BCD (mert ez jobban tetszik) kódolású hangerő szabályzóban gondolkodok, ott már lehet olyan állás, ahol szinte az összes relé aktív. Akkor viszont nem mindegy hogy 24VX12mA, vagy 12VX6mA, netalán 5VX2,5mA kell relénként, mivel az elengedési feszültség 3,6V ennek a 24V-os relének. Nyilván nem fogunk megspórolni annyi villanyszámlát vele mint a beépítendő extra alkatrészek ára, de talán nem értelmetlen az elgondolás.
Megszültem. A közismert tehetségtelenségem miatt szívtam vele két napig, de most már remekül működik. Nekem legalábbis nagyon tetszik, ketyeg, mint az óra(-jel). Ezen a nyákon már rajta van a relé vezérlés kódolt, vagy dekódolt (vagy milyen) 8 db kimenete is, amik közvetlen vezérlik a 8 optocsatolót.
A felső sugár az up/down bemenet vezérlőjele; ha L szintre vált hátra felé számol. Az alsó sugár az AD kimeneti feszültsége, ami hűen - de kvantáltan - követi a vezérlő feszültséget. A tápfeszültség változásra teljesen érzéketlen, 8-15V között "tekergettem" a labortápot és nem mászott el semmi. Szerintem 8-10 bitre az alapkapcsolás változtatása nélkül bővíthető, de ezt azért ezt még ki kell próbálni. Átrágom magam azon amit írtál, egyelőre nincs elképzelésem erről a mester-szolga izéről. Nekem (is) valami szabályozott megoldás tűnik kézenfekvőnek. Biztosan hülye ötlet, de az jutott hirtelen eszembe, hogy a szinusz lehetne akár több száz kHz-es is és a kimeneten egy nagyjóságú lyukszűrő, vagy aluláteresztő. Vagy a zenei jelből kell valahogy vezérlő feszültséget gyártani, ami nem egyszerű, de jobb megoldás. Vagy más. Ez a relés áramspórolás most nekem nem nagyon jön be, mivel SSR-ek vannak benne... illetve az első -16 dB-es osztó reed, de az sose lesz bekapcsolva mert már előtte klippel a végfok... be sem fogom kötni ezt az osztót, vagy inkább jumperrel kiiktatom, hogy legyen is meg ne is. De a némító Reed-reléihez használni fogom, az ott 10%-os áram megtakarítást fog jelenteni. Köszönöm még egyszer az ötletet.
Azt hiszem lassan tenyleg ideje, hogy belekostolj a mikrovezerlok vilagaba
Egy ilyen kis mütyür miatt semmi értelme megtanulni. A nyák sem lenne sokkal kisebb és többe kerülne a leves, mint a hús. Egyébként is szeretem az ilyen fejtörőket : )
Nekem nagyon tetszik a potméter ideiglenes megfogása. Kicsit robusztus, de ötletes.
Mivel még elképzelésem sincs hogy milyen megoldással lehetne szabályozottá tenni a szolga erősítőt, először a Te mester erősítőddel szimulálok. Berajzoltam a vezérlőhöz az egyszerűsített erősítő kapcsolást először ideális opampokkal, meg feszültség vezérelt kapcsolókkal. Szépen működik. Most valami VCA erősítőt szerkesztek, mert az nincs a CM-könyvtárában. Csak azért kell, hogy legyen valami kiindulópont. Ez a 100kHz segédjel amúgy jó ötlet. Először én úgy gondoltam, DC is lehetne a segédjel, de lehet hogy -50dB körül már az ofszet feszültség bezavarna. Már mint nem az erősítődé, hanem a VCA ofszetje.
A mester erősítőnek szerintem nagyon pontosan le lehet követni a vezérlőfesz/erősítés karakterisztikáját, mivel az diszkrét lépésekben történik. A VCA ilyen görbéje a gond, ezért kellene valami visszacsatoló hurokba téve azt linearizálni a karakterisztikáját. Még nincs semmi ötlet, de ha lesz, azonnal jelentkezek. Olvastam én olyan VCA megoldásról is, hogy a fülem kettéált. PWM VCA. Szolga erősítőnek jó is lenne. Na de ebbe nem megyek bele. Úgy gondolom, semmit nem kell bántani a mester erősítőn, mindössze le kell lopni a vezérlő jelet róla, no meg a ki-és bemenetekhez kell hozzá férni. Nem írok többet, nehogy megkavarjalak. Amúgy jó a kütyüd. A hozzászólás módosítva: Jún 20, 2023
A 7242 PSE prototípusán egy újabb fejlesztés sikerült, a negatív rácsfeszültség tápegységét CRC szűrésre alakítottam át. Elsőre ez alkatrészpazárlásnak làtszik - de mégsem az
A szűrőtagok megfelelő érték megválasztásával olyan nagyságú negatív riplit kaphatok, amely a 7242 rácsára jutva kiolthatja az anódtápból érkező pozítiv ripli maradékát. Így a 7242 katódján 3mv PP riplit láthatok a szkópon, mivel a kimenőtranszformàtor feszültségáttétele kb. 9,5, a szekunderen olyan kicsi jel van, hogy nem érdemes fotót feltenni róla. ![]() A tápegység felől érkező ripli elnyomása így a kimeneten -100dB-nél is jobb lett. TJ.
Biztos, hogy nem kerülne többe a leves, a nyák lényegesen kissebb, egyszerűbb lenne, a ráfordítandó idő pedig a tizede lenne tanulással együtt.
Újabb lépést tettem a 7242 PSE végső verzójának a minél jobb megépítési minőségének az írányába. Ami lényegében csak egy ellenállás egyik pontról egy másik pontra átforrasztásából állt.
A bemeneti 417A elektroncsőnek sikerült igen rövid rács/katód szétválasztott vezérlési kört kialakítani, amit a földelő ezüstszalag egyszerű félbevágásával oldottam meg. ![]() A 7242 végcső rácsköri vezérlését átvizsgálva arra jutottam, hogy nem a földelő ezüstszalagon át, a hosszabb úton keresztül kell a rács/katód vezérlőkörnek záródnia. Ami ráadásul a két csatorna közös földelése, így benne - bármilyen kis mértékben is - áthallás keletkezhet. Tehát a 7242 rácsköri vezérlését a testre záró 27k-os ellenállást átforrasztottam a kimenőtrafó testpontjára, így már nincs közös jelvezetés az ezüstszalagon. Ennek egyértelmű bizonyítéka az oszcilloszkópos mérés, ahol látható a maradék 100Hz-es hullámzásnál kisebb értékű 1kHz-es áthallás (1mv/div). Mivel a 100Hz-es ripli is már a -100dB-es szint alatt volt, az áthallás értéke most ennél is kisebb szintet mutat TJ.
Elkészült az előerősítő és abban a percben elromlott a számítógépem (ezzel egyidőben a feleségem pedelec-jének a töltésszabályzója). Akadt szorgoskodnivaló a héten.
A 3197-es képen a poti vezérlőfeszültsége és a PIC-telen AD feszültség. A 3204-esen az osztó osztogatja a 2 Hz-es szinuszjelet. A gyakorlatban úgy hangzik zenei jellel mintha analóg potival szabályoznám a hangerőt... folyamatosnak tűnik és "kattogásmentes". Ez a átúsztató izé csak rontani tudna ezen a helyzeten (szerintem), de ha gondolod törpölhetünk rajta. Nekem biztosan nem kell, mert nagyon elbonyolítaná ezt az egyszerű kis kapcsolást... meg amúgyis minek. Azon is múlik, hogy nem kattog, hogy ilyen a kimeneti offset drift 3205-ös kép (20 sec/div); ezt már a teljesen be nem dobozolt végső változaton mértem 5 perc bemelegítés után. És a "végső változat" kapcsolási rajza - ha végleg elszállna a gépem, elhagynám a pendrive-ot, rálépne valaki a külső merevlemezre - itt (is) meglegyen. A billenőkapcsoló szerepe az előlapon: alsó állásban "0' felsőben "1". Az előzőleg kifúrt lyuk takargatása csak másodlagos funkció. A hozzászólás módosítva: Jún 23, 2023
Szép munka. Az jó ha nem kattog, és valószínűleg csak az én fejemben zajlik másképpen a fizika mint a valóságban, de azért vagyunk emberek, hogy agyaljunk a problémákon.
Ennek ellenére tovább fogom gondolni ezt az egészet, hátha egyszer jól jön valahol. A hozzászólás módosítva: Jún 24, 2023
Késztetésem van kötekedni. Mármint nem veled, hanem az összes erősítő gyártójával. Valamikor régen volt valami Din szabvány, ami lefektette a be, valamint kimeneti jelszint és impedancia értékeket, hogy az egyikforrásról a másikra kapcsolva ne legyen jelentős szintugrás. Később jött a vonal szintű be és kimenet, professzionális szinten pedig a 0dB 600 Ohm szimmetrikus jelillesztés.
Ez szép és jó. Csak nálunk ez nem mindig sikerül. Van ugyanis nekem CD játszóm, ami 0dB jelet ad ki. Tunerem is van, az is 0dB szintű. De van TV is, ennek optikai kimenetét egy "toslink to rca" izé doboz alakítja analóg jellé. No ez nen 0dB. Van továbbá Bluetooth vevőm, mert az asszony néha a telefont is kihangosítja. Csak ezek a digitális nyavaják jelszintje megint csak nem szabványos. Na meg ha mondjuk valami médiabigyó fejhallgató kimenetét használom jelforrásnak, akkor az megint nem szabványos. Ezekből a bajokból elegem lett, és úgy gondoltam olyan előerősítőt kell csinálnom, aminek trimmelni lehet minden bemenetét. Hogy ezt most digitálisan, vagy analóg módon lehet megoldani, az mindegy. Viszont az nem, hogy melyik verziót válasszam a kettőből. Egyik, hogy minden csatornának van egy kondícionáló fokozata, azaz egy olyan fokozat, aminek erősítése állítható. Utána már 0dB lesz a jelszint. Másik, hogy maga az előerősítő tartalmaz egy olyan fokozatot, aminek az erősítése legalább 3dB pontossággal egy 20dB-es tartományon belül előre programozható, és az erősítés beállítást a csatornákhoz hozzá lehet rendelni. Nem tudom hogy ez a magoldás, vagy inkább az, hogy nem kötünk az erősítőre csak szabványos jelforrásokat. Az asszonyt meg a gyereket pedig elzavarom a halál f...... Nekem meg elég a CD. Viccet félretéve, úgy gondolom ez nem csak az én problémám. Keresem a megoldást.
1970-ben csináltak ilyet UHER CV 140
Nem tudom. Én még csak olyan CD játszókkal találkoztam amikből 2 Veff körüli kimeneti fesz jött ki. Olyan végfokot sem láttam még aminek 775 mV volt a bemeneti jelszintje. Meg egyébként is mit jelent ez a 0 dB-es szabvány? Egy 10 W-os végfoknak kelljen a szabványos 0 dB-es bemeneti jelszint, vagy egy 2 kW-osnak? Meg mekkora a hatásfoka annak a hangsugárzónak amivel hallgatod? És hol hallgatod? 50 m3-es helyiségben, vagy szabadtérben? Tehát ennek a DIN szabványnak szerintem semmi értelme.
De ha mondjuk több eltérő kimeneti jelszintű műsorforrást csatlakoztatnék az előerősítőre akkor úgy oldanám meg az azonos hangnyomás szintet, hogy arrébb tekerném a hangerő szabályzót. Ha nem tudnám előre milyen hangosan fog majd szólni az adott készülék, akkor minimumra állítanám és onnan kezdeném el hangosítani. De ha ez a "poti tekergetés" gondot okozna, akkor van az előerősítő rajzán az az első -16 dB-es előosztó... annak osztását állítanám be minden készülékhez és egyben ez lenne a bemeneti választó bármilyen bemeneti impedancia mellett, amilyen éppen nekem szimpatikus, vagy illesztés szempontjából a legkedvezőbb.
Az volt a gondolatom, hogy ha mondjuk DC vezérelt hangerő szabályzó van az előfok+csatorna választóban, akkor az is opció lehet, hogy hozzá lehet rendelni minden bemenethez egy DC szintet, ami módosítja az előfok erősítését. Ez egyszerűen hozzáadódik a hangerő szabályzó DC feszültségéhez,
Az más kérdés, hogy kell e ez valakinek. Engem zavar az eltérő jelszint.
A nagyfeszültségű anódtápegység elektrolitkondenzátorainak - a kikapcsolás utáni - kisütését végző ellenállásnak találtam egy jobb elhelyezést. Mivel ezen az ellenálláson üzem közbeni konstans DC áram folyik, ezt fel tudom használni a testvezetékeken vezetve jobb hangzás elérése érdekében.
Miről is van szó? A vezetőben az elektronok mindig a kisebb ellenàllás irányában haladnak, ìgy ezt a kialakított utat a váltakozó áramú (zenei) jelek is használhatják. Bővebben erről a témáról itt lehet olvasni: https://www.hobbielektronika.hu/forum/erosito-epitese-elejetol-a-ve...?pg=75 A 7242 tube PSE mivel szimmetrikus kialakitású, így két kondenzátor kisűtő ellenállás van beépítve. A kimenőtrafó szekunderének a testvezetékén az egyik az anódtáp, a másik a negatív rácsfeszültség testvezetékén keresztül folyatja az 5mA-es "bias" áramot. Ez lenne az előfeszìtett testvezeték elve (biased ground wire). TJ. A hozzászólás módosítva: Jún 30, 2023
A következő változtatás már mindennek a teteje , további alkatrész beépítése nélkül sikerült javìtani a 7242 tube PSE átviteli tulajdonságait.
![]() Sejthetően az erősítő jelátviteli képességének a legkritikusabb pontja a Tango NC15 interstage transzformátor, mivel 1:2 áttételű és relative nagy impedanciás (10k/40k) kivitelű. A magasfrekvenciás átvitelben és a 20kHz-en mérhető fázistolásban ez a korábbi fotókon sajnos látható. Arra gondoltam, hogy a 7242 katódjait a kimenővel összekötő árnyékolt kábel harisnyájának a kapacitása alkalmas lehet egyfajta "bootstrap" kompenzációra Mivel ez kb. 90pF, igazából a magasabb frekvenciák felé kezd ez hatásos lenni, és az NC15 létező lejtmenetét kikompenzálhatja. Mivel ez azonos fázisú nagyfrekvenciás "bootstrap", az 1kHz-es THD értékében semmilyen változást nem jelentkezett, viszont a magasfrekvenciás átvitelben és a fázistolásnál detektálhatóan igen! ![]() Konkrétan 30kHz-ről 35kHz-re változott a -3dB-es átviteli pont, és a 20kHz-en mérhető fázistolás értéke negyedével csökkent A hangzásban jelentkező változásokat majd kifigyelem... TJ.
Ez a magasabb frekvenciákon megjelenő "bootstrap compensation" elve elgondolkoztatott, mivel mérhetően segitette a az intestage transzformátor lekonyuló átvitelét.
Ugyan ezzel a 90pF-el megtolja a szekunder oldalán a trafót, de a fix lezáró ellenállás (68k) végig ott van. Mi lenne ha a "bootstrap compensation" a fix lezáró ellenállás helyett egy, a magasabb frekvenciák felé kompenzált lezáró ellenállást hozna létre? Így a meghajtó 417A trióda az interstage trafó problémás kapacitásait + a 7242 teljesítménytrióda rácskapacitását könnyeben hajthatná. ![]() Tehát a megosztott lezáró ellenállás most a magasabb frekvenciák felé után van húzva, így több energia juthat a különböző parazita kapacitások töltögetésére. Mérés alapján a 30kHz-es jelszinten kb. +2dB-t "húz" ez a kompenzált munkaellenállásos megoldás. TJ.
Több, mint egy hónapja tesztelem az akkumulátoros előfokot és az eddigi tapasztalatok szerint, az elvártnak megfelelően, hibátlanul teszi a dolgát. Nagyon elégedett vagyok vele. Primitív, de nekem tetszik. Nyák tervezés folyamatban...
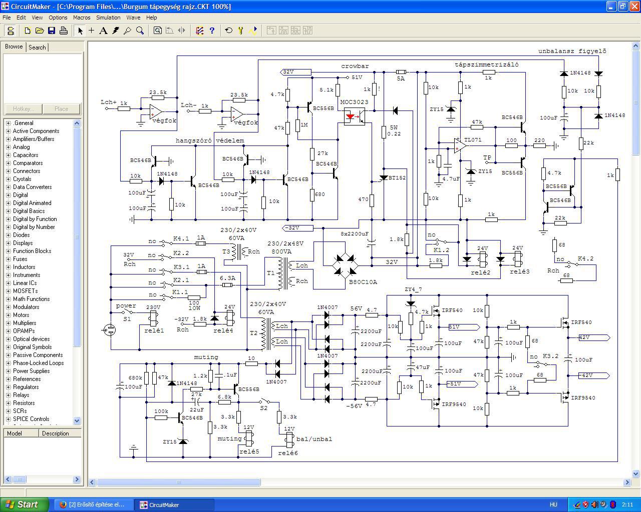
A múltkor szóba került a crowbar, mint a hangszóró védelem egyik lehetséges formája... hogy van olyan is, hogy a tápegységben olvasztjuk ki a biztosítékot. Pufferkondi > biztosíték > végfok panel. A biztosíték és a végfok között tirisztor, ami vészhelyzetben rövidre zárja tápegységet. A bizti kiolvad, a tápfesz megszűnik, a hangszóró túléli. Ha szerencsénk van, akár még a végfok is. Ilyen van a "Burgumban". Anno, elszórakoztam ezzel egy ideig, még a kísérletek kezdetén. Néha nem verte ki a biztosítékot, aztán meg a tirisztor is kiolvadt biztosítékostul. Valahogy ez most eszembe jutott és játszottam egy kis "biztosítékkiverőset" ma délután, hátha okosabb leszek valamivel. Vagy ha okosabb nem is, de tapasztaltabb... fogalmazzak inkább így.
Megosztom, mert szerintem érdekes. Kerestem két szimpatikus kondit. ROE-t, mert az szép nagy duci. Két 10 ezer mikrósat, mert az úgy már húszezer. Kicsit formáltam őket, nehogy felrobbanjanak itt nekem a pofámba. Jól feltöltöttem őket, amit csak bírt a labortápom, annyira, tehát úgy majdnem 56 V-ra. Aztán kerestem két szimpatikus ellenállást és ezzel a lendülettel szét is kalapáltam őket, hogy lássam vajon mi lehet a belsejükben - valamint azt is, hogy a biztosíték bírja tovább az áramlökést, vagy az ellenállások. Az egyik 0.47R, a másik 0.22R. A képen látható 0.1R csak illusztráció, hogy így nézett ki a 0.22R is amíg megvolt a kabátja... tehát olcsó mezei izé, de legalább rá van hegesztve a huzal a sapkájára. Közben számolgattam is exhas, hogy ha mondjuk a párhuzamos kondik ESR-je 50 mOhm, a biztosíték ellenállása pedig legyen ugyanennyi, a 0.22R meg legyen 0.22R, akkor ez az első időpillanatban kb. 173 A áram, ami majd úgy 5x 0.64 ms elteltével csökken nullára. A kodikban tárolt enegia 31 mJ, ami a kisütés röpke ideje alatt kW nagyságrendű teljesítmény, mind az ellenálláson, mind a biztosítékon. Megmutatom szimulátorban is a hitetlenek kedvéért. Kiolvad ettől egy olvadó biztosíték? Egy 10 A-es biztosan... vágnám rá, de nem vágom rá, mert előre tudtam, hogy nem. Ezt is megmutatom. Sokadik kisütés után is sértetlen az olvadó biztosíték olvadókája, miközben a sapka leolvad róla. Sőt odaheged a csavarhoz. Ez a ponthegesztés egyik formája. Aztán még odáig is elmerészkedtem, hogy a biztosítékkal közvetlenül zártam rövidre a kondenzátor kivezetését. Volt ám szikraeső, tűzijáték, kupakolvadás, de sem a biztosíték nem olvadt ki sem a kondi nem robbant fel (mivel még itt vagyok). Nem vak az lú, csak bátor. Aztán kezdtem lejjeb adni. A 8 A-es még mindig nem olvad ki ennyitől. A 6.3 A-es harmadik nekifutásra, a 0.22R-rel végre. Az 5 A-es elsőre, a 0.47R-rel is. De még talán ez is szerencse dolga, hogy vagy kiolvad, vagy nem. A 4 A-es már biztonságosan nem visel el 30 mJ energiát. Így számoljon aki ilyen védelmet szeretne. Persze itt (szándékosan) nem volt tápegység ami további árammal fűthette volna biztosíték betétjét. De az időállandó 6.4 ms, ami tud két töltési periódus közé is esni, mert a zsíroskenyér is mindig pofára... mint tudjuk. Aztán egy 30%-ra kisütött puffert kell újra töltenie a Graetz- nek, meg trafónak... szóval igénybevétel. A tirisztorral soros védő ellenállás nélkül egy tápegységben simán elszáll a BT152 pl. ami pedig 300A nem ismétlődő csúcsáramot elvisel. Legalábbis nálam többször megtette (anno). Nem egyszerű ez a crowbar (sem).
Magam részéről amit tapasztaltam, trafó graetz pufferkondenzátor biztosíték erősító nem vált be, A biztosíték alul méretezése esetén a biztosíték halála után jött a hangfal, esetleg végfok leégése, mivel a szimmetrikus táp felborult, és vitt mindent.
Ez után a transzformátor biztosíték graetz kondenzátor erősítő elrendezést támogatom. Igaz a kiolvadás valószínű kicsit később jön el, ( a két biztosíték egymás után olvad ki) , de legalább a szimmetrikus táp nem borul olyan könnyen. Tapasztalataim szerint félvezetőt a biztosíték nem véd meg, tűz, panel olvadás ellen viszont ez az elrendezés is elég védelmet ad.
Nálam bevált, de én mindig is szerettem az egyszerű dolgokat : )
Szimmetrikus táphoz természetesen két tirisztor kell, két biztosítékkal és meg kell oldani, hogy a tirisztorok egyszerre nyissanak és zárják rövidre mindkét féltápot. Csak úgy eszembe jutott ez a működési elvű crowbar, hogy van ilyen is... nincs jelentősége. Előnye, hogy feleslegen nem teszi tönkre a végfokot ha mondjuk működésbe lép egy véletlen kimeneti DC szint miatt - ellentétben azzal a crowbar-ral ahol a kimenetet zárja rövidre egy triak. Hátránya, hogy sokkal bonyolultabb. Mindkettő lényege az, hogy ne legyen hangfalvédő relé a végfok kimenetén. De vannak más, egyszerűbb, biztonságosabb félvezetős megoldások is. Én sem fogok több ilyet elkövetni. A másik amit meg szerettem volna mutatni, hogy többet kibír az olvadó biztosíték, mint gondolnánk és ez nem jó. Javítok: az előző hsz-em végén az 30 mJ helyesen 30 Joule munka/energia. Bitosan észrevették néhányan a bakit.
Érdemes lenne ismerkednek a mikrovezérlőkkel, mert komplett védelmet össze lehet hozni egy pillanat alatt, amit aztán paraméterezhetsz, ahogy szeretnéd. Nálam lekapcsol a relé a kimeneten, de a táp is leáll, ha bármi gond van, így minden hiba kizárva és a belefektetett idő a a töredéke, mint amit erre fordítottál kb.
Mivel korábban már írtam a testvezetékeken átfolyatott egyenáram hatásáról, ahol azt feltételeztem, hogy a DC áram által használt legrövidebb utat a vezetőben a zenei jelek is követik
![]() Több információt erről a gondolatmenetemről a korábbi hozzászólásom linkjén lehet olvasni: A 7242 tube PSE testvezetékeit szépen elő is feszítettem 2 db 47k-s ellenállással, hogy az elektronok ne bolyongjanak már annyira, hanem a kijárt utat válasszák Aztán jött a következő felismerés - már csak a kimenőtranszformátor szekunder tekercsének a vezetékének nincs előfeszítése (biased wire). Kicsit el kellett filózni az eseten, mert a primer és a szekunder tekercs egymáshoz kèpest fordítva van bekötve (az erősítő be és kimeneti fázis megegyezése miatt). Rájöttem, hogy a negatív tápegységet felhasználva meg tudom oldani, hogy ne egymás ellen dolgozzon a két mágneses mező. Sőt! Az is gondolnám, hogy ezt a kismértékű DC áramot is modulálja a primer tekercs mágneses mezeje, kicsit hasonlóan a mágneses hangrőgzítésnél használt előmágnesezéshez hasonlóan (record bias current). Mondjuk azért ezen még agyalni kell valamennyit, hogy kiderüljön mi is van a feltételezés mögött... TJ.
Nálam mindig történik valami. Legutóbb, hogy éppen itt volt Bandi barátom mert meg kellett hallgatnia a legutolsó módosításokat - ha akarta, ha nem - de nem ez a lényeg. Be volt kapcsolva minden, mi meg kint matattunk valamit a műhelyben. Bejövünk és mondja az asszony, hogy valami pattogás jön néha a hangszóróból. beszélgetünk Bandival és akkor tényleg jött egy kattanás, mint amikor a villanykapcsoló "belehallatszik" egy erősítőbe. Aztán később egy nagyobb. Kikapcsoltam, bekapcsoltam, elmúlt. Kapcsolgattam villanyt, mikrót, minden rendben, teljesen kuka. Bandi megjegyezte, hogy: - na ez egy mocsok hiba lesz... ezt megtalálni?!
Egy hétig minden rendben volt, aztán megint megjelent egy kis kattanás - vagy mi - miközben halkan szólt a zene a háttérben. Aztán pár perc múlva egy jó nagy csattanás és a végfokban kiverte a crowbar a tápfesz biztosítékát. Mit tesz ilyenkor a "jó szakember"? Kicseréli és újra bekapcs. Na ekkor jó nagyot szólt. A 800 VA-es BEAG trafó primerköri biztosítéka is kiolvadt és a tápregenátorom is tiltásban maradt, tehát azt is kinyírta... a hangszórók túlélték. Annyi jó hírem volt magam számára, hogy legalább megjelent a hiba, nem kell tovább keresgélni. Akkor még ezt hittem. Megint ízekre szedtem a "Burgumot", minden egyes részegységét átméregettem, hogy mi a fene okozhatta ezt az egészet? Erre ráment öt napom. Íme a "halott" alkatrészek. Az egyik félhíd két (és a másik félhíd egyik) FET meghajtója, valamint az Ugs túlfeszültség védő Zenerei és a két hibajavító kisjelű tranzisztorok. A végfetek és a source ellenállások megint túlélték a dolgot. Mindhárom Zener rövidzárba ment át. Arra gyanakodtam, hogy ezek lehettek ludasok a dologban és saját bakim, hogy tövig beforrasztottam anyákba és a hőtágulás miatt elpattant belül valamelyik, majd ez kínyírta a meghajtót, az meg vitte magával a többit. De nem biztos, hogy ez így történt. Nem tudom... minden esetre kihagytam őket, mert szerintem több kárt csinálnak, mint hasznot. Ha az Ugs meghaladja a 20V-ot, akkor ott már van akkora a baj, hogy az ellen a Zener sem fog megvédeni - mint az ábra is mutatja. És ugye egyszer kimértem, hogy egy IRF540 Gate-je 50V felett ütött át. 15V Ugs fesznél pedig ahol a Zener már védene valami ellen, a végfeten már úgyis "ezer" amper folyna, tehát mi ellen véd? Nem tudom eleve ki találta ki ezt az egészet, de szerintem értelmetlen marhaság. Na mindegy. Tévedhetek is... aki akarja használja. Szóval... a Burgum működik, a tápregenerátorban csak a tranziens szupresszor szállt el, ami a puffer kondik felrobbanása ellen véd - akkor ha minden határon túli áramlökést kap a tápegység - és most ezt kapott. Azért biztos ami biztos, egy napig járattam a műhelyben a Burgumot a tápregenátoron keresztül és mindent rendben találtam. De erről majd írok még, mert szerintem érdekes dolgokat méregettem ki. Majd aki úgy gondolja, hogy ez a reklám helye, ne olvassa. Mellesleg még soha senki, semmit nem vett tőlem erről a fórumról, mert hát itt hobbisták vannak és mindenki magának akarja megépíteni amihez kedve van - és ez rendben is van így. Azért is érdekesek, mert van amit nem értek tisztán és lehet nem is fogok megérteni, de majd törpölök rajta alkalomadtán. De a történetnek még mindig nincs vége, mert a tudatalattim azért mégsem igazán fogadta el ezt a hőtágulásos magyarázatot, tehát kivittem az előerősítőt is, hogy meggyőződjek róla, hogy tényleg minden rendben van-e. Keresztbe kötöttem be... a jobb csatorna kimenetét a végfok bal oldalába. Minden rendben volt egy-két órán át. Akkor csattant egyet és kiverte a crowbar a bal csatorna biztosítékát. Tehát most a másik oldalit. Egyértelmű, hogy az előerősítőből jön ez a megmagyarázhatatlan impulzus, amit egyáltalán nem értek. Olyan, mintha valami sztatikus töltés lenne. De dc szint nem jöhet ki az előfokból, mert 25 mV fölött lenémítana - és le is némít (GND-re húzza a kimenetet). Ha "hatalmas" impulzus, akkor csak leklippel a végfok oszt kész... ettől még nem kellene a megszólalni a crowbarnak. Talán az van, hogy ez egy viszonylag hosszú idejű, nagy amplitúdójú dc impulzus amit még az előfok integrátora "nem lát", de a crowbar már igen. Csak ez lehet. De ezt megtalálni? Pedig meg kell találnom ha addig élek is. Most megint kicseréltem a biztit és 3 órája szól a Burgum a műhelyben... de hallgatni nem akarom, hát inkább itt untatom addig a kedves olvasókat. Bocsi : ) Délutántól meg itt lesz unoka 2-3 hétig, majd vele megoldjuk a problémát - elvégre már 7 éves - hátha lesz valami jó ötlete.
Nem lehet, hogy gerjed nagyon magas frekvencián? A pattogás a félvezetők haláltusája, meghibásodni készülő erősítőknél gyakran előfordul, mint intő jel, de persze csaka tünet, nem az ok.
A hozzászólás módosítva: Júl 24, 2023
Biztos írtam már valahol egy hibajelenségről. Hozták hozzám egy tranzisztoros gitárerősítőt, ami néha spontán pukkant egyet. Volt olyan is, hogy berregett. Olyan is előfordul, hogy magától rendbejött, majd megint csinálta.
Otthon bekapcsoltam, de nekem normálisan szólt. Persze nem gitárt pengettem órákig, hanem van nekem erre a célra egy jelforrásom, amin nyers gitár pengetések vannak. Ez tolta bele a dallamokat. Órákon keresztül semmi hiba. Ütögettem gumi golyós püfölővel, de semmi. Vasárnap reggel ismét bekapcsoltam, és ahogy a párom féltette a levestészta főzéséhez forrni a vizet, elkezdett pattogni. Mármint nem az asszony, hanem az erősítő. Aztán elmúlt. Mármint nem az erősítő múlt el, hanem a pattogás. Közel hajoltam az erősítő paneljéhez hogy méregessek, majd hirtelen hangosan krampogni kezdett. Kiderült, hogy a páratartalomra érzékeny. De mi? Gyorsan betétted a kimenet és a hangszóró közé egy 1kOhmos ellenállást, mert nem volt jó érzés 2X40V tápról működő erősítőt hallgatni fél méterről 100dB feletti érzékenységű hangszóró keresztül. A kapcsolási rajz alapján a végfokot leválasztottam az előfokról, azaz csak a végfokot vizsgáltam. Gőzölős vásárlóval toltam neki kis párát, persze elkezdte a játékot. Na de mi? Teljes sötétben ráleheltem az áramkörre, és az egyik TO92 tranzisztor alól a pattanásokkal szinkronban halvány felvillanásokat láttam. Kiszereltem a panelt, mert biztosra vettem hogy a forrasztás oldalon egy kis ördög lapul. Több esetben találkoztam ugyanis ólommentes forraszanyag esetében, hogy az ón kristályos formában dermedt, és tűket növeszt ha lassan hűl ki. De most nem volt ilyen. Ennek ellenére kikapartam a tranzisztor lábai között az esetleges oda került bármit, majd kis ecsettel lelakkoztam a forrszemeket. Újabb próba. A villanások megint megjelentek, de most ár biztosan az alkatrész oldalon. De mi villog? Nagyon nehezen kiderült, hogy az a TO92 lábai közül jön a fény. Kivettem a tranzisztort, kapott egy paramétereiben hasonlót, majd soha többé nem jött elő a hiba. Ez volt amúgy a nagyjelű fokozat tranzisztora. A tranzisztort szemügyre véve erős nagyításban azt láttam, hogy a lábak között a tokozás sorjás volt, és a lábak gyári ónozása során ennek a sorának az élére került valamennyi ón. Ez volt a híd a villanynak. Tű hegyével letörve a vékony sorját, a tranzisztor meggyógyult. Be is szereltem valahova, szerintem még mindig jó. Ezt csak azért írtam, mert lehetnek meglepetések.
Kivéve, ha annyira magas a frekvenica, hogy a szkóp/kábel nem tud vele mit kezdeni, ráadásul nem is állandó jelenség ugye.
A hozzászólás módosítva: Júl 24, 2023
|
Bejelentkezés
Hirdetés |





































