Fórum témák
» Több friss téma |
Megnéztem a szimulációt. Így ahogy lerajzoltad, 7 Veff kimeneti fesz-nél 0.5 ppm a torzítása 10 kHz-en. Ez nem olyan rossz : )
Kicsit átrajzoltam, mert nincs olyan szemüvegem amelyikkel láttam volna valamit.
Ilyen volt a négyszögjel átvitele, vagy elrontottam valamit?
Te általában jobb erősítőket tervezel, azokat lehetne javítani egy ilyen ellenfázisú ízével. Ez sem csodabigyó, csak említetted, hogy az "AB" osztály miatt egy mosfetes végfok tüskéket produkál a keresztezési váltás miatt. Már minden hibát ki tudsz javítani, csak említetted, hogy ez a meredek tüskés hiba okoz gondot. Tiszta "A" osztályban ez nincs, de én nem szeretnék 2X40V-ról vagy még nagyobb tápról járatni "A" osztályban egy végfokot. 2X5V, vagy még kisebb segédtápot viszont szívbaj nélkül el lehet viselni állandó 5A körüli nyugalmi árammal. Az más kérdés, hogy ezt hogy lehet kivitelezni.
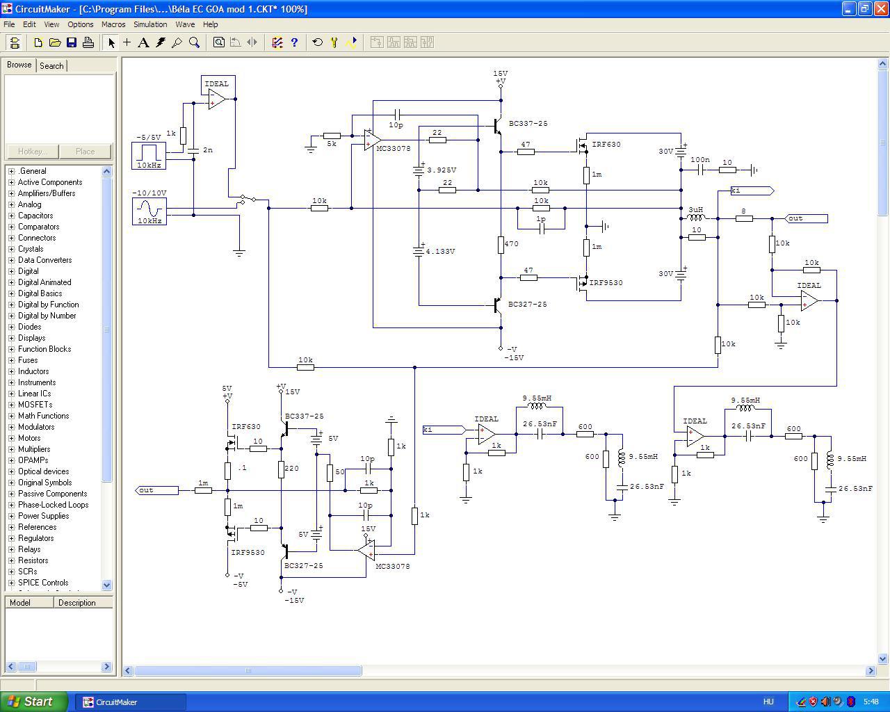
Valami ilyesmi. A gondot most éppen a kimeneti szűrő okozza. Kimeneti szűrő mindenképpen kellene, mert a hibajavító nem tud megbirkózni a nagyon gyors tüskékkel.
Hibajavítás nélkül a torzítás 0,05% körüli volt 10kHz-en, viszont ilyen jelalakokat mutatott négyszögnél.
Erre írta Cordell, hogy jó Feedforward EC-t könnyű csinálni... a kimeneti összegzőt nehéz hozzá megtervezni. Itt is valami ilyesmiről lehet szó. Majd reggel megnézem, ilyenkor én már teljesen zokni vagyok agyilag.
Én is leteszem a lantot, majd holnap megpróbálom megtalálni az egyensúlyt.
Csak úgy eszembe jutott most. Nem tudom figyelted-e ezt a múltkor. Így lehet a CM-ben Burst jelet "csinálni". Mindig FET-ekkel kínlódtunk.
A hozzászólás módosítva: Okt 8, 2023
Nyomkodom 2-3 órája, hogy egyáltalán szóra bírjam. Elég nehéz összehozni a két végfokot egymással és önmagukban sem igazán stabilak. A szummátor.... mint várható volt. Egy integráló és egy differenciáló jellegű erősítőt kellene összehangolni egymással, mint a Quad-ban. Nem egyszerű.
A torzítást így is szépen csökkenti, de a gyakorlatban ezt rémálom lehet kivitelezni. Ha van kedved tovább birizgálni és jutsz valamire, szórakozásból játszhatunk még vele... hátha lesz belőle valami. Amúgy nem lenne rossz, ha sikerülne belőle kikalapálni valami egyszerű "budget-et".
Vagy nem mostfetet kellene alkalmazni...
Jó ötlet hogy a fő erősítő legyen integráló, a segéd pedig differenciáló. Így teljesülnek az a feltétel, miszerint a hibajavító erősítő csak a hibajelet erősítse, ne haladjon át rajta az alapjel. Így érhető el, hogy a hibajavító erősítő saját torzításától kisebb legyen a teljes rendszer torzítása.
Természetes hogy a szimulációban ilyen szedett-vedett erősítők vannak, mert csak az elv életképessége miatt dobtam össze őket. Rendes kapcsolás reményeim szerint jobban teljesítene. Ahogy időm engedi, törpölök rajta még. A relés burst generátort észrevettem, nagyon szellemes. Azt viszont még nem értem, hogy tudsz több eltérő nagyságú jelet egy ábrán megjeleníteni úgy, hogy az egyiknek 1V/osztás, a másiknak pedig 1mV/osztás a skálázása. De majd rájövök.
Ez is nagyon egyszerű, mint amikor a shift-et mutattad nekem...
Köszönöm, ez nagyon hasznos.
A fő erősítő kimeneti szűrője nem akar rendesen működni. Amit szerettem volna hogy a fetek kikapcsolásakor keletkező tüskék meredekségét csökkentse, az nem jött össze. Ha kiveszem a kimeneti induktort, semmi nem változik. Lehet, hogy simán el kell hagyni. Szerencsére a hibajavítás továbbra is működik.
Egy végfokon belül is lehet két végfokot csinálni. Ez a Sansui nagyon ki van találva szerintem.
400 kHz fölött az előrecsatolás átveszi a főerősítő áramát és kiiktatja azt a visszacsatoló hurokból. Látszik, hogy nem találomra van méretezve a kimeneti impedanciahálózat. Ráadásul három fokozatú a feszültségerősítő, emiatt jó nagy a zárthurkú erősítés (120-szoros). Mondjuk ez nem tetszik benne, de ez semmit nem jelent. Ennek is valami tízezred százalékos nagyságrendű a THD-ja.
Valamikor a Quad 405 elemzésekor merült fel a kérdés, hogy ha maga a topológia ennyire jól kijavítja a keresztezési torzítást, akkor miért nem készült valami rendes végfok is ezen az elven. Ez a Sansui mondjuk nem egészen ugyanolyan mint a Quad, de itt is látszik a kis teljesítményű "A" osztályú fokozat. Valójában ez volt az egyik gondolatom a hiba korrekcióra, másik pedig a csámpás híd vagy minek is nevezzem, amit rajzoltam. De lehetne nevezni ezt a Sansuit mondjuk párhuzamos hiba korrekciónak. a csámpást meg sorosnak. Amíg a soros az feszültség kimenetű, addig a Sansui áram kimenetű. Mondjuk ez sem jó megfogalmazás, de majd megtaláljuk a helyes kifejezést.
Most vettem észre, hogy ennek a Sansui erősítőnek csak a nagyáramú végfok kimenetéről van visszacsatolás. Jó lenne látni az egész rajzot, de eddig az jött le, hogy a végtranzisztorok saját hibáját próbálja meg hozzáadni negatívan a kimenethez. Biztosan jól kell trimmelni, mert amúgy csak ront a helyzeten. Kicsit nézegetem még. Idézet: „Most vettem észre, hogy ennek a Sansui erősítőnek csak a nagyáramú végfok kimenetéről van visszacsatolás” Idézet: „400 kHz fölött az előrecsatolás átveszi a főerősítő áramát és kiiktatja azt a visszacsatoló hurokból. Látszik, hogy nem találomra van méretezve a kimeneti impedanciahálózat.”
Nem kell megijedni, most nem találtam fel semmit. Ez csak egy rövid "ténymegállapítás". De nevezhetjük izének is, mert azzal is felér.
Ha "A", vagy "AB" osztály, akkor a keresztezési torzítás "van". Csak csökkenteni lehet, teljesen eltüntetni nem. Ha sikerül észrevehetetlen mértékűre csökkenteni, akkor kit érdekel, hogy van vagy nincs. Magamnak rajzolgattam és vacilláltam rajta, hogy ki tegyem-e mert annyira primitív, viszont tanulságos (is lehet). Csak egy ideális opamp és komplementer (vég)FET (pár). A MOSFET-nek jó nagy a nyitófeszültsége, tehát jó nagyot kell "ugrania" a meghajtó fokozatnak, hogy kinyissa. Itt most 6 V ez a "holtzóna". - Ha... -mint az 'A' szimuláció szerint- elég gyorsan "ugrik", nincs keresztezési torzítás a kimeneti jelben. Könnyen tud ugrálni mert ideális opamp, végtelen határfrekvenciával. A Bode-nak egy vízszintes vonalnak kellene lennie, de nem az, mert van egy gate ellenállásunk. - Ha kisebbre állítom az opamp erősítését, (B ábra) -mondjuk 200-szorosra- ezzel virtuálisan csökkentem az opamp meredekségét. Ha a bemeneti jel 1mV, a kimeneti csak 200 mV. Ez nem elég arra sem, hogy kinyissa a FET-eket. Ebből eddig az a "tanulság", hogy nagyobb hurokerősítés = kisebb keresztezési torzítás. Nem mondtam semmi újat. De azt figyeljük meg, hogy a keresztezési torzítás szép szimmetrikusan "simul" a nullátmenetre. - Ha az ideális opamp-ból nem ideálisat "csinálok", azaz integráló jellegűvé teszem -lesz felső határfrekvenciája-, akkor másképpen fog kinézni a kimeneti jel. A keresztezési torzítás aszimmetrikussá válik. Előbb kikapcsol az egyik FET(az éppen vezető), majd valamikor később bekapcsol a másik FET, amelyik átveszi a vezetést. Ilyenkor hajlamos megjelenni az a "kettős tüske" amin kicsit elcsodálkoztam a napokban. Semmit nem kell tennünk érte, hogy megjelenjen, csak rosszul kell kompenzálni az erősítőt, vagy jó nagy késleltetéseket kell belevinni. - A 'D' ábrán látjuk, hogy hiába növeljük az opamp erősítését, ezzel a domináns pólus frekvenciája is balra tolódik az "X" tengelyen, a vizsgált frekvencián az "Ah" hurokerősítés változatlan marad. Tehát liba is kell, meg kacsa is. Gyors is legyen a meghajtó fokozat, meg nagy erősítésű is. De a kettő együtt nem fog menni. Ezért nem lehet a nulla torzítást elérni (csak valamennyire megközelíteni) negatív visszacsatolással. A HEC-nek viszont nincs szüksége nagy nyílthurkú erősítésre... csak a nagy sebességre. Elég hozzá liba. A hozzászólás módosítva: Okt 10, 2023
Töprengek. Néha felesleges "izéket" rajzolok. Tartalmasabb rajzokat szeretnék kitenni, amik átgondoltabbak és nem csak én értem mit ábrázolnak, hanem más is. Vannak ilyen "heuréka" "meglátomásaim" időnként, amikről hirtelen úgy gondolom ezt azonnal meg kell osztanom. Ezután ezekre inkább aludni fogok egyet (kettőt). Legalábbis megpróbálok így tenni... viszont van olyan is, hogy néha az első gondolat a legjobb... Bonyolult dolgok ezek. (is).
Úgy érzem, még ekörül a hurokerősítés izé körül is sok a zűrzavar. Hogy mikor nyílt, mikor zárt, mitől hurok. Össze-vissza rajzolgattam már mindent. Ezt már jó ideje rajzolom, finomítgatom... néha elteszem, néha előveszem. Néha túl primitív, máskor meg túl bonyolult, de igazán szemléletes még soha nem volt. De majd most! : ) Ez most olyan, hogy még én is értem. Alapkapcsolás. Egyszerű de minden benne van. Gyakorlatban is működő, minden helyett jó kapcsolás. Emitterkövető helyett MOSFET van a kimenetén... így is működik, ez senkit ne zavarjon meg. "Megháromszoroztam". Nincs több variációja. A Bode-okat egymásra rajzoltam, így 3 az 1-ben lett. - "Rb" (1222.16554 Ohm) nullázza a kimeneti offset DC-t. - "Rd", a diff erősítő degeneráló ellenállása (146R) a nyílthurkú erősítést (kerek) 80 dB-re állítja be. - "(R2/R1)+1" közelítőleg a zárthurkú erősítést adja, ami 20 dB (tízszeres). - A "maradék", a kettő különbsége, a visszacsatolási tényező, azaz a hurokerősítés = 60 dB. A hurokerősítés csak elméleti dolog. Az erősítő nem tud róla, hogy van neki ilyenje, de mégis eszerint viselkedik. Az erősítőnek csak nyílthurkú erősítése van, de az is csak addig amíg vissza nem csatoljuk. Ha visszacsatoltuk, csak zárthurkú erősítése lesz, semmi más. Ezt a három dolgot mutatja egyszerre a három szín. Stabilitási szempontból minket csak a hurokerősítés érdekel, ebből is a lefontosabb pont, a "PM" (Phase Margin = fázistartalék). Ennél a pontnál keresztezi a visszacsatolási tényező az egységerősítési frekvenciát. Ettől a ponttól balra még visszacsatolt erősítésről beszélünk, a pontól jobbra már csak nyílthurkú erősítés van. Az erősítés (a domináns pólustól) a frekvenciával arányosan csökken, miközben a fázistolás folyamatosan nő - egyre nagyobb lesz. A "PM" pontnál szimulált fázistolás mutatja a fázistartalékot. Fontos, hogy szimulált!. Ezt a pontot nem lehet kimérni a gyakorlatban, csak következtetni lehet rá, hogy hol van - mégpedig a négyszögjel átvitelből. Ha a "PM" pontnál a fázistolás eléri a -180 fokot (a fázistartalék a nulla fokot), az erősítő az instabilitás határára kerül. Alatta stabil, felette gerjed. Ennél a konkrét kapcsolásnál a "fázistartalékot" a Miller-kapacitással (C1=30pF) tudjuk csökkenten ill. növelni, modhatjuk "szabályozni". De vannak más kompenzációs módszerek/lehetőségek is. Van még egy pont amit kijelöltem, a "GM". Gain Margin = erősítés tartalék. Ennek inkább elvi jelentősége van. Amiatt szokás feltüntetni ezt a pontot is, hogy ha a gyakorlatban bármilyen külső tényező megváltozik (hőmérséklet változás, kivezérlés mértéke, alkatrész-szórás, stb...), mekkora még az az "erősítéstartalék" a rendszerben ami távol tartja a "PM" határtól, azaz a "gerjedéstől". Nyilván az jó, ha az erősítéstartalék viszonylag nagy.
Kicsit tovább kalandozva, ha már kompenzálunk... érdekességképpen a kétpólusú kompenzáció.
TPC (Two Pole Compensation) A Miller-tagot kibővíthetjük még két alkatrész hozzáadásával (R23, C1). Ezzel a domináns pólust közel négy oktávval tudjuk feljebb tolni, (1.75 kHz-ről 6.5 kHz-re). 10 kHz-en az erősítésnyereség 9.4 dB, ami azt jelenti, hogy mondjuk a 0.03%-os THD 0.01%-ra csökken ezen a frekvencián, miközben a fázistartalék változatlan marad. Ez gyakorlatilag teljesen ingyen van, a kapcsolásba máshol nem kell belenyúlni.
Ezt jó hogy mondod, bár nemrég foglalkoztam vele, de valahogy elfelejtettem. Ha ezt megcsinálom a másik topikodban levő áramkörömmel, akkor 20 kHz-en is 6,5e-5 lesz a THD teljes kivezérlésnél. Nem hittem volna, hogy ezt el lehet érni. Nem a kimenet felső, 3 dB-es pontja a lényeg a THD szempontjából hanem az, hogy az előremenő ág erősítése hol kezd el csökkeni. És ezzel rendesen ki lehet tolni, ezért csökken a THD 20 kHz-en is. A javítandó végfoknak kell nagy sávszélességgel rendelkeznie, az összegzőerősítőnek csak kis THD kell, a kompenzálójel előállítónak szinte mindegy, hogy miből van, mert csak nagyon kis jel van a kimenetén, persze azért legyen kicsi a THD, meg viszonylag nagy a slew-rate, hogy a különbségképzett jelet ne akarja ( nagyon ) befolyásolni. Meg ne legyen nagy offsetje, mert az befolyásolja a kimenetet is.
Idézet: „Nem a kimenet felső, 3 dB-es pontja a lényeg a THD szempontjából hanem az, hogy az előremenő ág erősítése hol kezd el csökkeni.” Ez a hurokerősítés (a visszacsatolási tényező)... tehát a fenti -"tpc_miller" Bode-on - Miller-el 1kHz-ig állandó a THD, TPC-vel 4 kHz-ig. Így értetted?
Én nem tudok ilyen dolgokat megjegyezni, hogy "visszacsatolási tényező". Minek?
Van egy előremenő ág, ez a bemeneti különbségképző ponttól ( ahol előáll a hibajel, vagy a szab.tech.- könyvek szerint a rendelkező jel) a kimenetig tart. Ez a rajzodon, 80 dB. Ez nekem az előremenő ág, erre írtam az előbb, hogy ennek kell lennie minél magasabb frekvenciáig ugyanakkora erősítésnek, mert ha csökken, akkor máris nincs akkora hatása az n.v.cs-nek. Aztán van a zárt hurkú erősítés, ez szerintem a közvetlenül az erősítő bemenetétől ( vagyis nem a képződő hibajel pontjától, ugyanis az már tartalmazza a visszacsatolás jelét is ) ) , a kimenetéig értendó, legalábbis szerintem. Mondjuk ez 20. Van a felnyitott hurok erősítés, ami az előremenő ág erősítésétől annyiban különbözik, hogy a visszacsatolásban van valamennyi leosztás, a példámban 20dB. Ezzel nem érdemes foglalkozni az előbbiek ismeretében. Nem szeretem az elnevezéseket, semmi szükség rájuk, félreérthetők. Ha még 3 szót leírsz, akkor mindenki értheti, hogy mit gondolsz alatta.
Azért csodálkozom, a kérdéseden, mert ez többször is rajzban közzétetted, valójában tőled értettem meg, vagyis vált használható tudássá. ( Bode )
A hozzászólás módosítva: Okt 11, 2023
Elolvastam a Klinger könyv idevonatkozó részét. Addig olvastam, míg meg nem értettem. Pontosan ugyanazt írja le amiről beszélünk, csak tömörebben, de más elnevezésekkel és más jelölésekkel. Nem kel pár percnél több időt eltöltened azzal, ha átnézed amit ma délelőtt írtam.
A "nagyok" is használnak néha olyan kifejezéseket, hogy előremenő ág erősítése, vagy többtárolós tag (látszik, hogy tanultak szabályozástechnikát (is)), de mégis az erősítéstechnikában használatos kifejezéseket és jelöléseket használják ha a többiekkel kommunikálnak.
Költői kérdés volt. Nyilván.
Ha nekem nem hiszel, itt van ez az idézet: A hozzászólás módosítva: Okt 11, 2023
Lehetséges, de én úgyis elfelejtem, nem is akarom megtanulni, megvagyok e nélkül is, ezért körülírom. Ha meg más ír le ilyesmit, akkor rákérdezek, már ha érdekel.
Igen a nagyok... itt nincsenek nagyok, vagy azok már készülődnek a téli álomra. " Nem kell pár percnél több időt eltöltened azzal, ha átnézed amit ma délelőtt írtam." Erre válaszoltam, hogy nem az a lényeg a THD szempontjából, hogy kimenet milyen Bode-t mutat, hanem amit leírtam. Na, ezt tanultam tőled, csat te már elfelejtetted. ( Az előremenő ág frekvenciamenete. )
Már miért ne hinnék, csak én máshogy látom. Lehet, hogy igazad van, de ha erről akarsz vitát nyitni, nem érdekel. Én így gondolom, te meg úgy. Az meg pláne nem érdekel, hogy a " nagyok " mit gondolnak az elnevezésekről, mert az értelmük ugyanaz, a többi csak sallang, de mindenféle okosnak tűnő elnevezést ki lehet találni, bár nincs értelme. ( Erősítéstartalék: egy erősítőnek legalább 90 fok fázistartalékkal kell rendelkeznie. Ezt is tőled tudom. A Tietze- Schenk-ből meg azt, hogy akkor nincs kiemelése a Bode-ban. Ha mégis van, akkor mondjuk 60 fok fázistartaléknál már van 4 % kiemelése négyszögjelnél. Ugye, ilyet nem szoktunk megengedni? Milyen erősítő az, amiben a fázistartalék akármilyen okból lecsökken nullára? Ebből kiindulva mi értelme van az erősítéstartaléknak? Ami rögtön azzal jár, hogy a négyszögjelátvitel oldalmeredeksége kisebb, vagyis a Bode-n a kimenet frekvenciaátvitel -3dB-es pontja kisebb, mint lehetne. Mondjuk, azzal sem értek egyet, hogy miért kell mondjuk 500 kHz-es sávszélesség. Tehát, én a bemeneten visszabutítanám néhány 10 kHz-re. Belül legyen nagyon gyors, amennyire csak lehet, pláne, ha HEC van benne.)
A hozzászólás módosítva: Okt 11, 2023
Akiket úgy nevezek meg, hogy "nagyok", azok Hawksford, Cordell, Bruno, Stuart, Todorov, stb...
Nekem ők nagynak számítanak azzal a tudással ami nekik van az enyémhez képest. Így érzem és így is van, de ebben a kijelentésben nincs semmi alázat (ők is emberek és ők is tévednek) csupán tudom hol a helyem. Kiteszem még egyszer, hogy szem előtt legyen: Igen. A nyílthurkú erősítés = az előremenő ág erősítésével. A hurokerősítés -3dB-es pontja egyenlő a hurokerősítés -3 dB-es pontjával. A hurokerősítés abban különbözik a nyílthurkú erősítéstől, hogy kivonódik belőle a zárthurkú erősítés. A THD attól a ponttól (frekvenciától) nő, ahonnan a hurokerősítés csökken. Pontosabban előbb, mert a fázistorzítás már növeli a THD-t. Ezekben így egyetértünk?
Ne húzd fel magad megint feleslegesen. Nem vitát akarok nyitni, beszélgetni szeretnék (mindössze). Esetleg abból más is tanulhat (akit ez érdekel), de a vitáktól, anyázásoktól már mindenki torkig van (én is).
Idézet: „Milyen erősítő az, amiben a fázistartalék akármilyen okból lecsökken nullára? Ebből kiindulva mi értelme van az erősítéstartaléknak?” Bármelyik (főleg végfok) megcsinálja ezt, csak nem tudunk róla. De szimulátorban is ki lehet mutatni. Próbáld ki például a DC-re modulált szinuszt. Mondjuk klippelés előtti DC-nél egészen más Bode-t fogsz látni, mint amiket általában nézünk 0V DC-nél. Plusz a komplex terhelés. Ehhez kell az erősítéstartalék, de nem muszáj figyelembe venni (talán oda is írtam, hogy ezt a pontot is érdemes megnézni). Nincs ezzel semmi gond szerintem. |
Bejelentkezés
Hirdetés |






















