Fórum témák

» Több friss téma
Fórum » Hawksford Error Correction
Lapozás: OK   6 / 35
(#) deebo válasza Ge Lee hozzászólására (») Okt 13, 2023 2 /
 
Ez nem hülyeség, ez tény, csak sajnos legfeljebb látszólagos az intelligenciád, mert értelmezni nem tudod a spektrumképet, csak a formát látod rajta.
(#) deebo válasza compozit hozzászólására (») Okt 13, 2023 2 /
 
A szövegértési képességem nagyon is jó, de nem fogok időt szakítani a bugyutaságok dekódolására. Komolyan nem értem mi feszül benned, miért mész neki mindenkinek undorító stílusban és miért nem vagy képes emberi kommunikációra.
(#) Imre_72 válasza deebo hozzászólására (») Okt 13, 2023 1 / 2
 
Off.
Na ez egy klasszikus bagoly mondja verébnek.
On.
(#) deebo hozzászólása Okt 13, 2023 /
 
Hát mcc-nek köszönöm a kapcsoilást, ha lesz energiám, motivációm megépítem.

Imre miért is? Mikor hülyéztem én le az illetőt, meg mindenki mást is?
(#) Karesz 50 válasza deebo hozzászólására (») Okt 14, 2023 / 2
 
"Kábeli zűrzavar, avagy drótok, alkatrészek hatása a hangra"
"Csöves erősítők készítése"
"Erősítő építése elejétől a végéig"
"Hifisek topikja"


NEM VOLT MÉG ELÉG? Semmiből sem tanulsz? Vagy erre hajtasz ?!?
(#) Karesz 50 hozzászólása Okt 14, 2023 / 4
 
Ma ezt az erősítőt fogom megcsinálni (az utolsó "nyári" napon) : ) :
Teljesítmény: 150 W
Frekvencia átvitel: 1,1-1,4 Hz
Működési mód: folyamatos
Teljesítmény sávszélesség: 98 km
Kimeneti eszköz: kapu
Környezeti hőmérséklet: 22-26 C
Üzemi hőmérséklet: 36.7 C
Hűtés: menetszél
Hibajavítás: van
Fogyasztás: 1 kg
(#) mcc válasza Karesz 50 hozzászólására (») Okt 14, 2023 / 1
 
Tour de Békéscsaba
(#) Ge Lee válasza Karesz 50 hozzászólására (») Okt 14, 2023 /
 
Ahelyett, hogy elmentél volna pestiába és meghallgattad volna tunerman izéjét (előítéletek nélkül) és beszámoltál volna róla. Én készültem de nem érek oda mert a tetőre kell másznom ma is, mert a holnapi időjárás már nem fogja ezt engedni. Készülget a "hálózati" szinuszom.
(#) cua válasza Karesz 50 hozzászólására (») Okt 14, 2023 / 1
 
En csak 22-ot toltam ma, de itt meg messze a nyar (ket honap)
(#) tothbela válasza Karesz 50 hozzászólására (») Okt 14, 2023 /
 
Jó túrázást kívánok!
Említettem már korábban, hogy a mosfetek alkalmazásával van egy kis probléma. Vagyis sok. Egyik ezek közül, hogy a gyártás technológia miatt a komplementer párok nem lehetnek egyformák. Ha az egyik kulcs paramétert mármint az UDS max értéket választjuk kiindulási alapnak, akkor ez természetes. De ha mondjuk ez nekünk nem fontos, mert 2X30V-ról üzemelő erősítőben mindegy hogy a fetek 100, vagy 200V-osak.
A képen felül egy HEC szimulációd torzítási maradéka látható az eredeti IRFP240/9240 párral, alatta pedig IRFP240/9140-el. Az áramkörön mindössze annyit változtattam, hogy a bemeneti 13,5V-os BIAS feszültség generátoroknál az egyikből kivontam, a másikhoz hozzáadtam 100uV-ot, hogy a kimenet közelebb legyen a 0V-hoz. Nem nagy a javulás, mindössze 20%, de talán nem elhanyagolható.
Volt egy Piret féle erősítőm kicsit átmódosítva, abban is ilyen csámpás fetek voltak. IRF630/9530.
A VISHAY adatlapok szerint az IRFP240/9140 fontosabb paraméterei a maximális UDS kivételével 10%-on belül vannak.
(Egy Maszáj harcosnak is addig ér a büszkesége, mint egy Japán ninjának. Csak a Maszáj harcosé magasabbról kezdődik.)
(#) deebo válasza Karesz 50 hozzászólására (») Okt 14, 2023 /
 
Komolyan nem értem miért csak nekem szegezed ezt, miközben nem én kezdtem a kötekedést, de elmehetsz te is velük a pszihiáterhez.
(#) Karesz 50 válasza tothbela hozzászólására (») Okt 14, 2023 / 4
 
Köszönöm, tényleg nagyon jó volt. Gyönyörű volt az idő is. Többet ért, mint egy Hifi Show és még tömeg sem volt. Ilyen az Alföld ősszel... szeretem.
Majd holnap dolgozunk.
(#) segítő válasza Karesz 50 hozzászólására (») Okt 14, 2023 /
 
Ötletes
(#) Karesz 50 válasza tothbela hozzászólására (») Okt 15, 2023 /
 
Igen, teljesen igazad van. Az IRFP240/9140 egymásnak vannak teremtve. Megmódosítom én is. Így a Source ellenállásuk is lehet egyforma.

"Mellesleg". Továbbra is hídban gondolkodom, ezért szimulálom olyan kis terhelő ellenállásokkal. Hídban elég a szimpla táp (1*66 V). Sokkal kisebb zavarjel keletkezik a tápvezetékekben, mert mindig azonos a két tápsín árama. Szorosan egymás mellett vezetve őket, csökken az induktivitásuk és a szórás. Félhídban is kellene ekkora kimeneti teljesítményhez legalább négy pár végfet, de így csak kettőt kell meghajtani. Persze ennek is van hátránya: a nagyobb veszteség, a kisebb kivezérelhetőség... (5V Uds alatt már hatalmas a Ciss). 'Dehát' semmit nem adnak ingyen.
(#) tothbela válasza Karesz 50 hozzászólására (») Okt 15, 2023 / 1
 
Érdekes, hogy milyen sok alkatrész működik "varicap" diódaként.
Amúgy félhídban meg dupla jelváltozási sebesség kellene. Négy pár Irfp240/xx már szerintem nem való oda. Gyakran látom, hogy bele esnek abba a hibába, hogy nagyobb teljesítményhez sok párhuzamos fetet használnak, aztán a nyugalmi áramot nem tudják stabilizálni, kénytelenek növelni a Source ellenállások értékét. Láttam 10 pár Irfp240/xx kapcsolást, ahol 1 Ohm felé kellett emelni a Source ellenállások értékét, mert szétmászott az árameloszlás már az élesztés alatt.
Úgy gondolom, mivel nem "D" osztályban kell dolgozni a feteknek, nem kell törekedni a minimális vezetési veszteségre. Lineáris üzem miatt meg lehet találni az optimális impedancia arányt. Ez egy hülye kifejezés, nincs is ilyen, de nem találtam rá mást. Azonkívül nem is könnyű számszerűen kifejezni. De van egy közelítő meghatározás. A z "N" csatornás mosfet adatlapját megnézve (a "P" csatornásé az kisebb) , a transzver karakterisztikán meg kell keresnünk a termikusan stabil áramot. Ezt az áramot. Az erősítőt klippelésig kivezérelve, a saját hangsugárzónkat használva ezt az áramot illik elérni. Ekkor elegendő lesz az áramtartalékunk, de még nem lesz túl nagy a gate kapacitás.
Neked a 3 Ohm körüli hangsugárzó minimumhoz 60V szimpla tápfesz esetén híd üzemben 20A a maximális csúcs áram, az Irfp240 termikusan stabil árama 15A körüli. Kettózve 30A, ez ott is van. Félhíd esetében 4 pár fettel ez 60A. Ez már sok szerintem. Ebből a megfontolásból egy sima félhíd 8 Ohmra 2X33V tápfeszről egyetlen pár 630/9530 az optimális választás.
Persze nem kell ezt szentírásnak venni, csak amolyan irányadónak. Ez is csak egy kísérlet része volt, amikor párhuzamosítani próbáltunk feteket zenekari felhasználás céljából.
(#) Ge Lee válasza Karesz 50 hozzászólására (») Okt 15, 2023 /
 
Mutatom mit rajzoltam be, ez elvileg a cordell vagy burgum féle rajz amit mutattál egy az egyben csak hiányzik a fetes illesztés az elejéről. Az R34/35-öt 270-ről meg kellett emelni 390 ohmra mert a 35uA nyugalmi áramot nem lehetett feljebb állítani. Az R20 ami nálad poti már durván le van tekerve, de még így is van -300mV DC a kimeneten. A torzítása pedig 0,06% 1kHz-en így, és már 120nF párhuzamos kondira gerjed.

cordell_b.jpg
    
(#) Karesz 50 válasza Ge Lee hozzászólására (») Okt 15, 2023 /
 
Még nincs tél : ) Ne kapkodj és ne ítélkezz.
- Írtam, hogy a HEC egy külön "állatfaj". Nem olyan, mint pl. az ST150, hogy berajzolom a szimulátorba, nyugalmi áramot állítok, oszt működik. Először is meg kell érteni a működését, mert anélkül nem fog menni. Még én sem értem... ezt is írtam.
- A CM-ben kisebb a fetek Ugs feszültsége - mint amit a gyakorlatban mérek - ezért rajzolok néha a Source-val sorba fesz generátort . Az MS-ben pedig nagyobb, ha jól emlékszem 0.3 V-tal.
- Ez a Burgum félhídjának teljes rajza. Ezt hallgatom most. Ez egészen biztosan működik, de szimulátorban ehhez is hozzá kell adni a 0.22 V-ot a Souce-hoz, nálad meg ki kell vonni belőle azt 3 tizedet.
- A rajzodon R34 nem Q18 emitterén van, hanem Q12-n.
- A torzítás minimumot R36, R37-tel tudod beállítani, de minden mindennel összefügg. Tehát ha ezt elállítod, utána kell állítani a nyugalmi áramot. Egy néhány Ohm-os soros ellenállás -
R31, R32 és R36, R37 csomópontjai között megoldja ezt a nyugalmi áram stabilitási problémát.
- Egyáltalán nem akarlak a HEC-re rábeszélni, mert nem egyszerű megépíteni a gyakorlatban sem. Ne hibáztass, ha nem fog sikerülni, vagy a végén nem azt hozza amit elvársz tőle. Nálam jól szól, nálad nem tudom, hogy fog szólni. Ne legyen ebből ismét harag ha balul sülne el a dolog.
- Mindig közbe jön valami, ma sem tudtam vele foglalkozni (vendégem volt).
A hozzászólás módosítva: Okt 15, 2023
(#) Karesz 50 válasza tothbela hozzászólására (») Okt 15, 2023 /
 
Nagyon jókat írtál, köszönöm!
Sokan építenek tíz pár végfettel végfokot. A Halcro-ban pl. laterális fetek vannak. Mi nem fogunk többszáz MOSFET-et megvenni, hogy kikeressünk közülük tíz hasonló párt. (Bár amiket eddig vettem úgy hasonlítanak egymásra, mint 30 pár tojás. (És most nem lesz szükségem az IRFP9240-ekre.)
Tanulságos, hogy Te ezeken a kísérleteken már túl vagy. A két pár MOSFET úgy tűnik valóban elég félhidanként nekem, ahogy eddig volt.

Reggel a gate áramokat szimulálgattam... aztán megzavartak (ami amúgy nem baj).
A hozzászólás módosítva: Okt 15, 2023
(#) Ge Lee válasza Karesz 50 hozzászólására (») Okt 15, 2023 /
 
Tél még nincs, de eseget, be kell húzódni. Sejtettem hogy csak elrajzolok egy két vonalat. Kijavítottam de semmi nem változott, minden ugyanúgy maradt, a DC is el van kicsit billenve meg a THD sem csökkent. Egyelőre ennyi, majd folytatom valamikor.
(#) Karesz 50 válasza Ge Lee hozzászólására (») Okt 15, 2023 /
 
A DC-t R20 tudja visszabillenteni : )
(#) Ge Lee válasza Karesz 50 hozzászólására (») Okt 15, 2023 /
 
Ha az 100 ohm mint a párja, akkor -1,15V van a kimeneten. Ha leveszem 5 ohmra, még akkor is van -47mV.
(#) tothbela válasza Karesz 50 hozzászólására (») Okt 15, 2023 /
 
A laterális fetek azok más állatfajhoz tartoznak. Azokat tipikusan lusta disznóknak tervezték, akik nem fognak, de nem is akarnak válogatni. Fogunk 2-8 pár fetet bármelyik szériából, oszt saccra adunk nekik 0,5-1V körüli nyitófeszt, és szól. Még az is mindegy, mikor és hol lettek gyártva. De ebben ki is merül az előny. sajnos nem elég nagy a meredekségük, meg hatalmas az RDSon. 1 Ohm körüli. Nem könnyű alacsony kimeneti ellenállású erősítőt csinálni belőlük. Viszont kíváncsi vagyok, milyen a keresztezési torzításuk, de sajnos a CM nem tartalmazza őket. Meg kell mérni.

Ami még zavaró, hogy a CM2000 60mOhm-ot mutat az IRFP240 esetén RDS on értéknek, az adatlap ennek háromszorosát. A Ge Lee szimulátora lehet hogy megint mást. Ezt jó lenne kitalálni, mert ha más spice modell van az ő szimulátorában, akkor nem is fog ugyanúgy működni a kapcsolás nála.
(#) tothbela válasza Ge Lee hozzászólására (») Okt 15, 2023 /
 
Szeretném megkérdezni, melyik szimulátort használod?
(#) mcc válasza tothbela hozzászólására (») Okt 15, 2023 /
 
Lineáris felhasznás esetén az RDS on értéknek nem sok gyakorlati jelentősége van. Kb. mint egy bipoláris tranzisztor szaturációs feszültségének.
(#) Karesz 50 válasza Ge Lee hozzászólására (») Okt 15, 2023 /
 
Hát akkor növeld meg a felső 100R-t. A gyakorlatban szépen ki lehet nullázni ezekkel az értékekkel és +/-5 mV-on belül stabil a kimeneti DC minden körülmények között.
(#) Karesz 50 válasza tothbela hozzászólására (») Okt 15, 2023 /
 
A kimeneti ellenállást a visszacsatolási tényezőn múlik (a HEC-nél is). Aki laterális fetekből csinál vcs nélküli végfokot annak úgy kell neki. Bár néha a kis csillapítási tényező is tud előny lenni (ettől jobb a csövesek sztereóképe... a többi meg olyan amilyen, nem tudom).

Tényleg jó lenne ha lenne ilyen alkatrészünk a CM-ben, de ez sincs, meg sok egyéb sincs. Úgy kell nekünk.
Az előbb írtam Ge Lee-nek, hogy az MS-ben sem jobb az IRFP240 modellje. Mér soha nem néztem meg mennyi az Rdson nálunk... ha azt mondod ennyi, akkor ennyi, elhiszem.
.
(#) Karesz 50 válasza tothbela hozzászólására (») Okt 15, 2023 /
 
Kipróbáltam ezt a Bruno/Ge Lee végfoka féle kikapcsolást gyorsító tranzisztort (Bruno rajzán Q11,Q12) hát nem jó. A létező összes variációban lassít, összenyit, gerjed, torzít, beterheli a meghajtást, stb. Mindenképpen egy újabb pólust visz be, amiben nincs semmi meglepő, merthát egy újabb fokozat. Ez csak PWM-be való. Legalábbis 2 MHz-en vizsgálva, analógban többet árt, mint használ.
A legegyszerűbb megoldás a legjobb. Ezzel nyilván játszott már Cordell is és még sokan mások. A gate ellenállást a gyakorlatban kell majd belőni gerjedéshatár alá, ez úgyis 47R körül lesz, mint mindenhol... max 33R-re talán még le lehet menni vele.
R25 vagy kell bele, vagy nem. Gyanítom erről beszélt Bruce Sandy, hogy így linearizálta a végfeteket... mintha ezt mutatták volna az eddigi szimulációk.

Q7,Q8 emitterkövetőkkel ugyanaz a gond, mint a PWN-nél. Ekkora frekvencián már nincs ft-je (a béta = 1 lesz). Úgy beterheli az őt megelőző emitterkövetőt, (amit itt az ideális opamp helyettesít) mintha ott sem lenne.

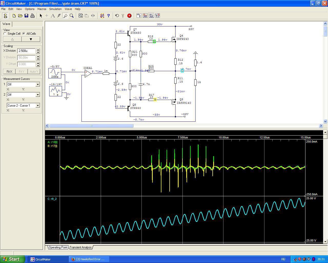
Ez a legdurvább vizsgálójel "B" osztályban - valamelyest előfeszített Ugs feszültség mellett. Ha elhisszük a szimulátornak, akkor max. 200mA-es impulzusáram kell a végfetek nyitásához/zárásához. Azért 2 MHz-en ritkán hajtunk meg ennyire egy FET-et, de ez a szimuláció jól mutatja milyen impulzusok szükségesek a MOSFET meghajtásához és, hogy ez milyen visszahatással van a meghajtásra. Valamint a sebességviszonyokat is, hogy a FET mocsok gyors minden különösebb hókusz-pókusz nélkül is.
A hozzászólás módosítva: Okt 15, 2023
(#) tothbela válasza Karesz 50 hozzászólására (») Okt 16, 2023 /
 
Amúgy valamelyik fórumon tárgyalták a laterális feteket, le is töltöttem a spice modelleket, csak nemtudtam beilleszteni a CM2000 könyvtárába. Valahol a régebbi számítógépen van elmentve, majd megkeresem.

Igazából nem az a baj hogy nem annyi az RDSon a szimulátorban mint az adatlapon, hanem gyaníthatóan minden összefügg mindennel. Nem lenne jó, ha mondjuk szimulátorban kitrimmelnéd valamelyik paramétert, aztán a gyakorlatban nem hozná az elvártakat. Amúgy érdekes hogy az egész IRF sorozat kéz a kézben van az adatlapokkal, csak az IRFP valamiért nem. Remélem ez nem nagy hiba, meg tehetünk is elé sorosan egy tized Ohmos ellenállást, de hová? A drainhoz tegyem, vagy a source-höz. Egyik sem jó. Teljesen más lesz az eredmény. Akartam egyszer IRF630-hoz hozzátenni source ellenállást, valamint a gate elé feszültség generátort rakni sorosan, hogy 0,5V körül legyen a nyitófeszültség, mert így akartam szimulálni laterális fetet. Az UGS/IDS görbét nem tudtam olyan formára hajlítani mint amit egy igazi 2SK1058-on mértem a gyakorlatban. Viszont ha sikerülne megérteni a spice modell rejtelmeit, akkor ki lehetne javítani őket olyanra, ami jobban fedi a valóságot.
A hozzászólás módosítva: Okt 16, 2023
(#) Ge Lee válasza tothbela hozzászólására (») Okt 16, 2023 / 1
 
Ez a legfrissebb 14.3-as multisim, 2022.04. havi kiadás (javítás).
(#) Ge Lee válasza Karesz 50 hozzászólására (») Okt 16, 2023 /
 
Szerintem a SAF rajzán benézted azt a két tranyót amiről szó van, mert azok ott nem csinálnak semmit, a szimulátorom szerint sem meg a valóságban sem (ki is vannak véve belőle). Hogy a kínai miért tette bele nem tudom, mert 4 ohmos terhelés esetén teljes kivezérléskor sem nyitnak ki, gondolom a védelem része lehet, hogy amikor a kelleténél nagyobb áram folyna a gate-ekbe akkor nyitnának ki (akkor esik akkora fesz R166/R169-en).
A képen a jó minőségű kép (bal) az eredeti gyári állapot, a rossz minőségű kép (jobb) a modolt (így szól most). Piros nyilakkal jelöltem a 4db tranyót (a rajzon Q168/Q169 és Q170/Q163) amiket kivettem, látszik is hogy hiányoznak mert ezek a védelem részei. A sárga nyilak a cserélt kondik, 1 kivétellel minden kerámiát fóliára cseréltem, a táp ágak 100 nanós kerámia hidegítőjét 2,2 mikrós fóliára, a bemeneti csatolót kivettem, az nvcs elkóját pedig a gagyiról minőségibbre (audió célra gyártott elkó) cseréltem. Nyilván zenét nem ezen hallgatok hanem a csövesen, de annyira ez sem rossz főleg ha megnézzük hogy fillérekből épül fel, semmi egzotikus alkatrész, 2db IRF540 a vége.
Következő: »»   6 / 35
Bejelentkezés

Belépés

Hirdetés
XDT.hu
Az oldalon sütiket használunk a helyes működéshez. Bővebb információt az adatvédelmi szabályzatban olvashatsz. Megértettem