Fórum témák
» Több friss téma |
Nagyon-nagyon rég volt már, de valamikor a QUAD405-be is belepróbáltam egy csomó féle opampot. 5534-et is, mert sokan nagyon jónak tartották akkoriban, és talán bennem a hiba, de nekem még TL071-el jobban tetszett ahogyan szól...
Azt megjegyeznem, hogy a 'regimodi'-tol mar nincs messze a dogmatikus
![]() Ez termeszetesen nem baj, hiszen csak magad korlatozod ezzel, es ehhez minden jogod megvan. Viszont ha az ember nyitott, befogado, akkor biztosan talal olyat az uj fejlesztesek kozott, amit erdemes hasznalni. Mellekesen az onvezeto auto elobb-utobb biztos, hogy jobb lesz az embernel, mert nincs sem egoja, sem rossz napja
Használok modern dolgokat, de megválogatom, hogy mit, és sosem azért használom mert modern, hanem azért mert hasznosnak tartom. A modern-nek titulált dolgok között sok marhaság is van, csak egy példa: mondjuk a közösségi oldalakon a kihívásnak nevezett hülyeségek.
Az önvezetésről nagyjából elmondható, hogy egy szenzorokból és szoftverből felépülő rendszer. Amíg a szoftvergyártók megengedhetik maguknak (és jelen pillanatban igen), hogy minden más szakmától eltérően, gyakorlatilag nem vállalnak felelősséget azért a munkáért amit kiadnak a kezükből, addig szerintem veszélyes dolog rábízni az életünket ilyesmire. Rengeteg cikk szól arról, hogy önvezető jármű okozott balesetet (halálos is előfordult), a következményről pedig gyakorlatilag semmi, vagy csak annyi, hogy pl. visszavonták egy időre a gyártó engedélyét, bírság stb... Tehát kizárólag anyagi hátrány, személyes felelősség gyakorlatilag nincs. Ha egy ember okoz balesetet, az viszont esetleg megy a böribe... Fejlődik persze ez is, de kicsit komolyabban kellene venni az ezzel kapcsolatos felelősséget, ami visszahatna szerintem a fejlesztésre is. Aztán egy másik személyes szempont: Vezetni szeretek, utazni viszont nem szeretek. Ez a kettő egész jól kompenzálja egymást. Az önvezető jármű viszont arra való, hogy eljuss "A-ból B-be", a tömegközlekedésnek nevezett "disznószállító"-hoz képest némiképp kultúráltabban, azaz számomra csak egy szükséges rossz. Fiatalabb koromban sokat motoroztam, és volt amikor csak az élvezet kedvéért, mert vág a szél, be lehet dönteni a kanyarban, vagy éppen el lehet terpeszkedni mondjuk egy chopper "fotel ülésében", lehet együtt csavarogni a baráti körrel, stb... Persze közben a többség családos ember lett, szükség van autóra, de addig jó amíg ez legalább egy kicsit többet jelent, minthogy mondjuk beszállok a liftbe, meg kiszállok valamelyik emeleten. Aki motorozott valaha az biztos érti. Talán az is, aki nem automata váltós autót vezet, és szándékosan választott manuális váltósat. A hozzászólás módosítva: Feb 5, 2024
Nem vagyok dogmatikus, de teljesen dogmatikus a te állitásod az utolso mondatban.
Az ember tévedhet, mert az emberi, egyedi tévedés. Egy computer szintén tévedhet, de az nem emberi, hanem müszaki hiba, amit az ember vitt bele. És ilyenkor az a baj, hogy egy ember/ embercsoport tévedését szorták szét az egész világban és az az AI ugyanugy fog tévedni San Franciscoban mint Bangkokban és akkor lesz nagy gáz. Összel volt pechem egy szuper modern e-autoval 500 km-t kocsikázni, volt benne annyi zöldség ami még egy piacon sem fordul elö. Koraeste egy szemerkélö esöben a városban bárhol embert látott elkezdett fékezni - fel kellett hivnom a gyártot, hogyan lehet ezt a baromságot kikapcsolni, ami nemcsak a sofört hülyiti teljesen el, hanem a többi autot is az utcán, mert fogalmuk sincs mit is csinál az a mèregdrága kocsi az uton. És nem a soför volt a hülye…. És ez ma már EU szabvány, hogy ilyen agymenéssel kell felszerelni az uj kocsikat. Üditö volt olvasni egy nagy autoklub ujságjában, ahol álljt követelnek az ilyen fejlesztéseknek, amik a elvonják a soför figyelmét a forgalomrol. A telefon pár négyzetcentiméteres képernyö használatát kemény szigorral tiltja a törvényt, de egy TV méretü touchscreen a sofört sok nagyságrenddel jobban szorakoztatja mint a telo. Az utolso kocsim vételénél pl számomra döntö volt, hogy az autoban nem legyen tapiképernyös berendezés. Annak a kezelése ugyanis sok-sok nagyságrenddel veszélyesebb mint bármi másé. A fix gombokat, tekeröket akár éjjel már rutinbol is kezelni tudja a soför, a tapi képernyöre meg mindenképpen rá kell nézni, és eltalálni mint egy keresztrejtvényben valamelyik kockát. Érdekes ez a hatoságokat nem izgatja, és bátran engedélyeznek ilyen dolgokat a pár forintos kapcsolok helyett.. Akkor ki is a maradi, ki is veszélyezteti a közlekedést? A hozzászólás módosítva: Feb 5, 2024
Keves dolgoban igen, a tobbsegeben nem ertek egyet veled. Az, hogy mit preferalunk, mit szeretnenk es mit tehetunk meg, ennel azert joval tovabb mutato kerdes. Ertem amit irsz, en magam is rengeteg penzt koltottem autora, nagyon sokat vezettem ('97-ben vettem az 1.6VTi-t, csak mert elveztem), aztan rajottem, hogy ez nem fenntarthato. 10 eve autom sincs, van ket biciklim (egyik elektromos, masik roadbike) es elektromos gordeszkam. En igy vagyok zold, masok maskepp, megint masok sz*rnak ra.
Es ez csak egyetlen pirinyo szempont. Ezen persze nem veszunk ossze, en ugy latom, ahogy leirtam.
Tul sok temat erintettel, ezekre lehetetlen roviden valaszolni, tobbet pedig nem tennek a topic szet-offolasaert, eddig is probara tettuk az olvasok turelmet
.Szerintem ne gyulold annyira az elektromos/automata/onvezeto autokat, kesobb mar nem fog az annyira fajni
Nem azt gyülölöm, már evtizedek ota automataváltos kocsim van ( ha jol számolom már a 4.), hanem azt az arroganciát, azt az Emberi baromságot, amivel szinte naponta találkozunk ugy eladva, mintha az lenne az egyetlen és biztos ut a jövöbe.
Idézet: „En igy vagyok zold, masok maskepp” Hát ez az. Létezik egy tanulmány, hogy mielött e-auto a szalonba kerül - még nem a utakra , már akkora klimalábnyomot hagyott, mint egy hagyományos kocsi 35000 km lefutása után. Akkor miröl is beszélnek a zöldek?
A csatoló kondikat milyen típusúra cseréled?
FOMO meghintve lifestyle-all, odaadva egy pár videóskoldusnak és már pörög is.
Semmi sem fekete/feher. A tablet, tapikijelzo a sofor elott kerdesben pl teljesen egyetertunk, szamomra erthetetlenen, sot buntetnem. De nem is vagyok szakember es (talan szerencsere) nem is rajtam mulik. Ha berelek (amikor nagyon kell) en is automatat berlek. Lehet oregszem.
Teslat pedig akkor se vennek ha felaron adnak, persze lehet fejlodtek minosegben miota en probaltam A hozzászólás módosítva: Feb 5, 2024
Arrol nem is beszélve, hogy a csili vili LCD displaypanelokat az autoban napsütésben vagy egy minöségi napszemüvegben egyáltalán nem látni. Olyan kocsikkal csak éjjel szabad utazni? Szerencsére éjjel nem hordunk napszemüveget.
Fülre... a Rubycon nekem általában bejön, de fontosabb, hogy legalább 100µF legyen.
Szerintem ne vigyük el a beszélgetést ebbe az irányba, nézd csak hová vezet alig 4 hsz után.
Egyébként tényleg nem tudom, nem értem, mi köze a hangkártyának a CD-re írt tesztanyaghoz, mert számomra nem logikus, de erre pl. nem reagáltál semmit. Ezek után pedig a korábban berakott furcsán torz hullámformák és a hozzá alkotott elméletek tényleg "mehetnek a levesbe"... de megintcsak hozzáteszem: javíts ki kérlek, ha tévedek valamiben! A hozzászólás módosítva: Feb 5, 2024
Az alaplapon is kell lennie valaminek amiből kijön a hangfrekvenciás jel. Ezt én elkereszteltem "alaplapi hangkártyának". A SpectraLap-ban van "beépített függvénygenerátor" ami szinuszjeleket is előállít. Ez a szinuszjel a saját FFT analízisével mérve is torz.
Inkább tőled várnám a magyarázatot, - mivel Te vagy a számítástechnikai szakember - hogy miért lehet ez... én csak a végeredményt látom.
A személyeskedést sürgősen fejezzétek be!
Továbbra sem írtál meg olyan információkat amelyek lehet, hogy számodra egyértelműek, de az írásodból nem derül ki. Nekem nincs meg a SpectraLab sem, nem ismerem. Tehát nem tudom hogyan állítottad elő azt a szinuszt, és hogyan mérted le, de megpróbálok konkrétabban rákérdezni arra, ami még mindíg nem egyértelmű, hátha.:
- A SpectraLab szinusz kimenete fizikailag mi volt? Közvetlenül egy fájl? Vagy egy analóg jel a hangkártya kimenetén? - A SpectraLab bemenete az FFT méréséhez fizikailag mi volt? Egy fájl? Vagy egy analóg jel a hangkártya bemenetén? - Másképp megfogalmazva: az említett mérési hurokban (szoftver -> szinusz -> X -> FFT mérés) benne volt egy D/A és egy A/D átalakítás? Az "X" helyén egy file van, vagy egy fizikailag létező hangkártya, összekötött ki és bemenettel? Esetleg egy 3. féle variáció, amire nem gondoltam? Felmerült bennem, hogy ez esetleg csak számomra nem egyértelmű? Kérdezném a többieket is: aki számára eddig is egyértelmű volt eddig is: Valamit kihagytam, és nem figyeltem eléggé?
Amikor Massawa írta, hogy hallgassam meg, hogy meddig hallok különbséget szinusz és négyszög között, akkor észrevettem, hogy ha a Sound Forge jelgenerátorát használom, akkor még a 22kHz-es négyszög jelet is hallom és nem 4.5kHz-ig tudok különbséget tenni, mint amikor jelgenerátort kötöttem közvetlenül az erősítő bemenetére.
A PC-s hangban más turpisságok is vanna. Pl Karesz XP-t használ, úgy tudom, hogy az XP volt az utolsó, ami használta a hangkártya drivert. A következők (Vista, 7-es), már a Windows wasapi-ján keresztül adták a hangot. Régi programok Windows még mindig használhatnak Classic Wave driver-t, Sound Mapper-t, ezt valahogy a Windows megoldja. Én Aimp-ot használok M-audio hangkártyával, ami ASIO-s. Az Aimp a hangkártya ASIO-ján kívül még 7 féle hang "drivert" kínál fel. Érdekes módon az Aimp ASIO és a Sound Forge ASIO nem egyformán szól. Elsőre nem hallatszik, el kell telnie 15-20 percenk, hogy halljam, hogy ez a másikban nem így szól.
A SpectraLab, vagy a SpectraPlus (a két program gyakorlatilag azonos) ingyenesen letölthető.
Szerintem a legegyszerűbb az lenne ha letöltenéd, tanulmányoznád egy kicsit, esetleg kiírnál egy CD lemezt és Te is megnéznéd szkópon a jelalakot. Ez kevesebb időt venne igénybe, mint amennyit erről kérdezel és egyben minden kérdésedet meg tudnád válaszolni. Nekünk is segítség lenne ha megmondanád, hogy működik és miért ilyen torz a szinusz.
Ezek szerint az XP lenne ennyire vacak? Akkor meg is van a magyarázat. Köszönöm.
Nem lehetne torz. Az asztali PC-mben nekem is egy gagyi alaplapi hangkártya van, elindítottam a spektralabon egy 1kHz-es szinuszt és így néz ki. Három okból ennyire szőrös, az alaplapi hangkártya nem eléggé védett a táp zajától, ha rendesen meg van terhelve a PC (200W felett) akkor a táp zaja behallatszik a hangkártya kimenetébe, a másik, hogy egy hosszú csupasz kábelen mértem nem közvetlenül a kimeneten, a harmadik ok pedig, hogy a szkóp éppen a minimális memóriamélységre volt állítva hogy vékony legyen a rajzolt vonal.
Mellette ott az FFT is ami egy szkópnál nem a legjobb, de az látható, hogy 60dB-lel van a zaj a jelszint alatt és nem lógnak ki belőle harmonikusok. Egyszer mértem ezzel az USB-s hangkártyámat és 0,0015% lett, hogy ebből mennyi a hangkártya torzítása és mennyi magának a mérőjelnek azt a jó ég tudja.
Szép, hogy már odajutottunk, hogy a WINDOWS fogja meghatározni a hangminőséget.
![]() Amugy a mérésed szerintem rendben van, az a szőrősség valoszinü a megjelenités hibája, ( display bitmap) mert ugye egy folyamatos görbét kell egy kockáspapirra rajzolni. ![]() Az FFT is ezt erősiti meg. A hozzászólás módosítva: Feb 6, 2024
Persze, hogy "megoldja" a windows, hiszen a régi API függvényeket senki sem szüntette meg azért, hogy egy új interfrészt adjon a programozók kezébe!
Ezek a régi, tetszőleges hangot előállítani képes programok kizárólag az alacsonyabb szintű API függvényeket használják, ahol lehetőség van a memória tartalom elérésére is közvetlenül. Ez alatt már a régi MME/DirectSound driverek vannak. Senki, sehol nem turpiskodik, max a hagkártya drivere(ha formátumok között kell konvertálnia), illetve a vas, ha nem kapcsoljuk ki a mindenféle okos hangzást "javító" hardver elemeket a láncból a beállításoknál.
Most, hogy mondod... akkor az lehet. hogy nem is torzítás, hanem zaj. Számolva, nagyjából ki is jön.
Nem a megjelenítés hibája hanem az valóban zaj. A kevésbé zajos jel mérési hibája az ez (egy két kilógó tüske a jelen), amiről beszélsz, a megjelenítés hibája az pedig mellette látható ahol be van kapcsolva az average, na ott látszik az ahogy a pöttyökből összerakja a jelet.
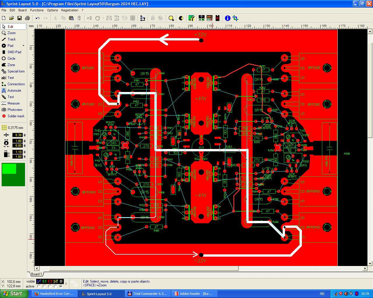
Hawksford. Nekiveselkedtem a nyák rajzolásának. Ugye az az "érdekessége", hogy nincs földpont. Akár azt is odaírhatnám a +/-33V helyett, hogy 0/66V. Ez csak nézőpont kérdése.
Teljes a szimmetria. A mostani Burgum is ilyen, tehát ez így működik mielőtt még valaki elkezdene tamáskodni. Idézet: „Mellette ott az FFT is ami egy szkópnál nem a legjobb, de az látható, hogy 60dB-lel van a zaj a jelszint alatt és nem lógnak ki belőle harmonikusok.” Ez rossz értelmezése a látottaknak! A jel és zaj közötti különbség valóban 60dB-nek tűnik(Bár nagyon rossz a beállítás, mert gyakorlatilag a jel a 0Hz-re esik az ábrán, ahol mindenféle egyenáramú komponensek is jelentős jelszinttel vannak jelen rendszerint, ergó - szét kéne húzni az ábrát, hogy magát a tényleges jelet lásd), azonban ez NEM 60dB dinamikát jelent, hanem jóval kevesebbet! Ugyanis a zajt integrálni kellene, és annak az összegét arányítani a hasznos jeléhez...
Feltehetném, de abból továbbra sem derül ki, hogy Te hogyan készítetted azt a CD-t, és Te hogyan mértél. De ha nem akarod elárulni, akkor csak fingreszelés amiről beszélünk, és továbbra is csak erős fenntartással kezelhetők az általad berakott mérési eredményeid, mert továbbra sem nem sikerült tisztázni, hogy egyszerű mérési hiba eredményeit tetted-e közzé, vagy egy valós hibát.
Műszaki ember lévén, konkrét kérdésre konkrét választ vártam volna - amit közel olyan szintre egyszerűsítettem le, hogy igen/nem vagy A/B válasz adható lett volna. Ez nyilvánvalóan okkal nem történt meg, és mivel elég jól szoktam saccolni, ezt ez esetben is meg tudom tenni. Meg is teszem: szerintem kb. 90% eséllyel egy elbaltázott módon készült "mérőlemezzel" készített, hibás mérési eredményeket tettél közzé - ami nagyjából semmit sem bizonyít, csak egy szoftver és/vagy hardver hibás vagy átgondolatlan kezeléséből fakadó "mellényúlást". A konkrét válasz elkerülése pedig számomra azt mutatja, inkább a "szőnyeg alá söpörnéd" minthogy leírd, hogy mi lett eltaszajtva. Többször is leírtam, hogy "de javíts ki ha tévedek", és most is ezt teszem. Korrekt magyarázat nélkül, ugyanis ez kezd nyilvánvalóvá válni. |
Bejelentkezés
Hirdetés |

















