Fórum témák
» Több friss téma |
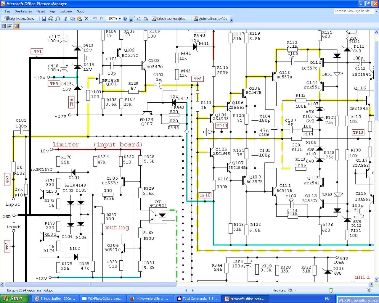
Marad a jó öreg BC547C/557C páros a 2N3904/06 helyett. Ez utóbbival még mindig marad benne 15mVpp gerjedés (95 MHz-en) ami BC-kkel teljesen eltűnt.
A Slew Rate a BC-kkel a - 2N-ekhez képest - 190 V/us-ről kb. 100V/us-re csökkent, de ez is elég szerintem. A pirossal aláhúzott kondik értéke csökkent a szimulált kapcsoláshoz képest és bekerült a két LED-del soros 1N4148. D107,108/D109,110 Zenereket áthidaltam 47 nF-dal (csak ezt most lusta voltam berajzolni). R234,135-re 4.7k volt megadva, de ezt elfelejtettem rendelni... 5.6k volt itthon, ez került be. De most áthidaltam 33k-val őket és így jobb ahogy most van, marad az 5.6k. Majd holnap mérek THD-t, aztán átalakítom a többi panelt is és lehet folytatni a HEC-kel. De most lesz egy kis szünet, mert közbejött egy kis fusi (1 napos munka).
Nem mondod, hogy az 50km/h-t tudod tartani egy oran at? :-O
Úgy látszik annyira siettem már, hogy kimaradt a mondatból a szél : ) Szembe szélben simán tartottam a 10-12 km/h-t, visszafelé meg a 25-35-öt. És találkoztam 3 db megszállottal is útközben : )
Én spártai vagyok, biciklivel járok dolgozni télen, nyáron, esőben, hóban, fagyban. De csak azért, mert 7-9 perc az út.
Mint írtam, hasonlóan jártam a darcillal. Megtervezték ennek az elődjét évtizedekkel ezelőtt a Revox mérnökei, de mondom minek tegyek a Q5/Q6 helyére MJ-t ha megfelel oda ugyanúgy a 2N is. Aztán mikor elindítottam szépen gerjedt kereken 10MHz-en néhány voltos amplitúdóval. Mondom biztos rossz a saját tervezésű nyákom. Tettem a Q3/Q4-re egy egy 47pF-et amivel a gerjedés megszűnt ugyan, de négyszögjelet nézve (felső két kép) volt benne egy kis ciráda, amin kinagyítva ugyanúgy ott volt a gerjedés csak alacsonyabb frekin.
Mivel nem hagyott nyugodni a dolog ma reggel jutottam el odáig, hogy kivettem a 2N-eket és ekecseltem a helyükre BD243/244-et, és lám, a gerjedésnek nyoma sincs pedig a 47pF-eket is kivettem (alsó képek). Tehát nem jó a gyors tranyó a Q5/Q6 helyére, gondolom Revox-ék is eljátszottak már ezzel akkoriban. Itt a lap alján azon az 500kHz-es négyszögön nálad is ott van még valami lengés a felfutó élen.
Jogos, jár a két pont. Engem is zavart picit, ezért kiszedtem a "cirádát" is belőle.
Nincs aluláteresztő a bemeneten, ez az átvitele a két VAS kimenetéig. Mértem THD-t is... osztót lusta voltam faragni a kimenetére - de egyébként is beterhelte volna a VAS-t - tehát úgy értelme sem lett volna a mérésnek. Így is látszanak nagyjából az összetevők (olyan, mint egy csöves vicc volt).
Nem tudtam megállni, hogy ne nézzem meg, hogy mutat összerakva. 42 perc a normaideje az összelegózásnak, valamivel kevesebb lesz a szétszedésnek (plusz majd még a csatlakozók rádugdosása, lehúzgálása). De ezt élvezet lenne szerelni, ha nem kellene mozgatni. Majd beszerzek valami csörlőt hozzá : )
Kíváncsi voltam mekkora torzítást visz be a limiter.
A szimulátor 3 ppm THD-t mutatott a bemeneti impedancia-illesztőre, ehhez képest a gyakorlatban 0.003% lett (pontosan egy nagyságrenddel nagyobb). A szinuszjel generátoromnak nincs páros harmonikus torzítása. Q130, Q131 Ube feszültsége (mérve) 0,51 V. R171,173-at megnöveltem 330R-ról 910 Ohm-ra, így 1 Vp-nél még nem avatkozik be a limiter (ez 100W/8R kimeneti teljesítmény). 1.25 Vp-nél jelennek meg a páratlan harmonikusok (itt kezd határolni). 10 Vpp bemeneti jelnél 3.6 Vpp van az impedancia-illesztő kimenetén. Így marad, szerintem ez így jó lesz. Most kiveszek egy szabadnapot, mert ma már tényleg meg kell csinálnom a fusimat - mert megígértem. (Csak egy egyszerű számláló egy tekercselőgéphez.) A hozzászólás módosítva: Márc 30, 2024
Délre elkészültem a "fusival", délután már zsíroztam a csillámokat a végfetek alá. Este első bekapcsolás. Szokásos óvintézkedések, a labortápról ment a kimeneti buffer (a HEC).
Végfetek beválogatva... 24 párból a közel azonos nyitófeszültségűek. Ezt úgy csinálom, hogy 6-6 db-ot felcsavarozok egy hűtőtönkre. A tönk hőmérsékletét mérem. Amikor eléri a 30 fokot gyorsan felírom az Ugs feszültségeket (Uds 28V, Ids 30mA-nél). Az IRFP240 Ugs= 3.9xx V, az IRFP9140-né 3.4xx V. A nyugalmi áram beállítók a fólia oldalról vannak beültetve és szinte maguktól belesnek egy nekik szánt furatba, közvetlenül a végfetek mellett. Tehát első bekapcsolás... a régi Burgumnak szinte ugyanez a nyákja, nem számítottam semmilyen váratlan fordulatra. De jött az első. Hogy állítom be a nyugalmi áramot, ha sehogy nem férek hozzá a helitrimmerek csavarjaihoz? Mert ugye fölötte van a bemeneti nyák. Hosszas keresgélést követően találtam egy kicsi kínai bithegyet. Húztam rá zsugorcsövet, ha netán beleejteném a nyákba, ne legyen szikraeső. Szerencsére 25 fordulatú a helitrimmer, így félfordulatonként még egy óra sem kellett hozzá és be volt állítva körülbelülre valamekkora nyugalmi áram. Kissé szidtam/átkoztam magam közben. Aztán kitaláltam, hogy van annyi fóliamentes hely a panelon ahová tudok fúrni utólag egy-egy 3-as lyukat. A bicikli küllőből előállított célszerszámom befér ezen lyukon és ha beletalálok a csavar hornyába, akkor felülről tudom azt tekergetni. Persze nem találtam bele. Ekkor hirtelen ötlettől vezérelve faragtam rá egy zsugorcsövet, amit néhány percen belül ráhúztam a csavar fejére és már állt is ki a felső panel lyukából a "csavarhúzó" vége, mint Katiban a gyerek (ahogy a képen is látszik... annak ellenére is, hogy nem ez a kép címe). Innen már gyerekjáték volt a nyugalmi áram beállítás. Simán rá is ment a délutánom. A hozzászólás módosítva: Ápr 2, 2024
Valamiért összezavarodott most a képfeltöltés. Nem szokott ilyet csinálni. Végül sikerült, de más sorrendben, mint szerettem volna.
Aztán jött a második meglepetés. Ez most 13 MHz-en gerjedt. Mérgemben aludtam rá vagy 2 órát, hátha megálmodom mi a gond... de nem.
Első körben a Hawksford kaszkódra gyanakodtam, bár az 95 MHz-en gerjedt, de hátha. Meg úgy sem kell bele - javasolta "mcc" - hát kiszedtem. Nem változott semmi az égvilágon. Aztán rájöttem, ha lejjebb veszem a végfetek tápfeszültségét akkor 32 V az a határ ameddig nem gerjedékeny. Efölött akármit csinálok vele, begerjed. Terheletlenül is, terhelve is. De 10 Vpp fölött megint nem gerjed. Akkor a nyugalmi árammal lehet összefüggésben... vagy a tápszimmetrizálóval. Ez utóbbival a régi Burgumnál is sokat szívtam, annyit, hogy máig nem felejtettem el. Ezt is szétszedtem vagy ötször, de nem volt a gond. A nyugalmi áram is mindegy mekkora. Minden mindegy neki. 30 valahány voltig nem gerjed, fölötte igen. Még két nap szívás, még vagy hússzor szétszedés - összerakás. Aztán ma délben megint szunyókáltam egy keveset és arra ébredtem, hogy "rezgőkör". Talán ez az induktivitásmentesként hirdetett 3.3 µF-os kondi és a fóliainduktivitás alkot rezgőkört. De ez meg 500 kHz körül kellene, hogy rezegjen. De van ám itt helyből egy probléma. Nincs földpontja a HEC.nek. És ehhez kéne hidegíteni egy integráló kondit. A régi Burgumban is a két táphoz van hidegítve, itt is. Hátha ez. Lesz ami lesz, rövidre zárom nagyfrekvenciásan a két félhíd kimenetét egymással. Tehát beterhelem a híd kimenetét 1 nF-dal. Ettől még nem gerjedhet, viszont rövidzárat jelent a 13 MHz-nek. És ez lett a megoldás. Olyan stabil lett, mint a cövek. Egyelőre úgy tűnik, de még nem akarom elkiabálni. Mindegy mekkora a nyugalmi áram, mekkora a tápfesz, hogy nyitott a kimenet, vagy le van terhelve. (Még csak egy 4.7R/5W van a kimenetén, vagy a semmi.) Ráment két fél- és két teljes napom erre a szemét izére. Csak ezt az egy darab 1 nF-ot kellett volna az első percben belerakni. Majd holnap folytatom tovább, most elegem van belőle. Ui: az 52 V-os klippelés úgy jött ki, hogy rövid időre rádugtam a 4.7R-t terhelésként és gyorsan fotóztam. Ennyire szívta le a 80 VA-es trafót 66 V-ról. Ez természetesen az egyik félhíd kimenetének szkóp fotója. A hozzászólás módosítva: Ápr 2, 2024
Még valami eszembe jutott, aztán nyugton maradok. Szemmel semmi különbség nincs a szkópon a terheletlen és a 4.7R-rel terhelt jelalak között. Meg se rezzen, nem változik a jelalak négyszögjellel sem. Csak onnan látom, hogy terhelve van, hogy leesik a tápfesz. Mérve 26 mOhm a teljes híd kimeneti ellenállása 1 kHz-en. Ezt lehet szabályozni a másik trimmerrel. Egyelőre így fogom meghallgatni (most végállásban van a trimmer, csak csökkenteni lehet a kimeneti impedancián). Meg persze még "be kell lőni" a kompenzáló kondikat is. Azt tettem bele ami régi Burgumban van, nem azt amit szimuláltam (tartva a gerjedéstől : ) ).
Meg még rengeteg munka lesz vele mire azt fogom mondani, hogy készen van. A védelmeket hagyom későbbre (a crowbar és a hővédelem kivételével) mert most a "hallgassuk meg gyorsan" fejezet következik : )
Játszok... addig is csendben vagyok.
Engem az érdekel inkább, hogy viselkedik kisjelűen, mert kis jelszinten vannak az apró de lényeges és fontos információk/részletek a zenében (vagy valami ilyesmi). Ahogy Pass mondta, (és Tóth Béla) az első watt számít. A nyugalmi áram 30 mA végfetenként. A szimulátor szerint nem javul a torzítás a nyugalmi áram növelésével. 300 kHz-en nincs szemmel látható keresztezési torzítás. Azért HEC, hogy kijavítsa a hibát és meg is teszi. A 100 kHz-es négyszögjel a két félhíd kimenetén, bemeneti aluláteresztő nélkül. A kimeneti drift változása a bekapcsolás pillanatától DC szervó nélkül. Szépen ki lehet offsetezni a trimmerrel a kimeneti DC szintet (ezt Ge Lee-nek írom, mert nála nem működött ez a poti a szimulátorban, pedig működik a gyakorlatban is). Lehet, hogy bele se rakom a DC szervót... de majd meghallgatom vele és nélküle.
Pedig ma időben keltem (nem henyéltem hajnal 3-ig, mint máskor) mégsem sikerült befejeznem. Már megszólalt, de még akad néhány "apró" probléma amiket - remélem - elhárítok 1-2 óra, vagy 1-2 nap alatt. Most kicsit elfáradtam.
A tüdőt is kell edzeni... 50 éve cigizek és ez már így is marad.
Annyira felbátorodtam ezeken a méréseken, hogy újra visszaraktam a Hawksford kaszkódot. Na... ettől újra előjött a 95 MHz-es gerjedés, tehát újra kiszedtem belőle. Ezzel el is töltöttem feleslegesen vagy két órát.
Úgy ítéltem meg, hogy most minden nagyon szupi (kaszkód nélkül), tehát összeraktam az egészet. Első körben nem tudtam bekapcsolni. Lágyindított, aztán kikapcsolt. Ezeket a védelmeket elég nehéz kijátszani, külön "védelem kijátszó áramkört" kellett volna szerkeszteni hozzá. Ha nincs meg a - legalább 55V a végfeteken és mindkét csatornán - nem kapcsol be. Kiderült, hogy a két pufferhez kevés az 1.3 sec időzítés - más gond nincs. Ez a plusz 1000 mikrós késleltető kondi csüng ott az előlapon. Nem tudom meglepődtem-e, vagy számítottam rá... maradjunk abban, hogy benne volt a pakliban... de, ahogy "összetestelődött" a két csatorna, újra begerjedt 13 MHz-en. 10 Ohm-os földhurok-mentesítő ellenállásokkal van a GND a vázhoz testelve. Más, ennél jobb megoldást, egyelőre nem látok. A hangszóró védelem hidegpontját is közösíteni kell a két GND-vel, ez szintén két 10R. Ez utóbbit átmenetileg lekötöttem, de nem változik semmi. Ez a 13 MHz annyira fix frekvencia, hogy semmitől nem hangolódik el. Azt lenne jó tudni első körben, hogy honnan jön. Ha néhány MHz-cel el tudnám hangolni valamerre, meg is lenne a gerjedés forrása. Valami rezgőkörnek tűnik, de nem tudom hol van ez a rezgőkör. Jobb híján a VAS-ra gyanakszom első körben, de ehhez újra szét kell szedni és tüzetes hibakeresésbe kell kezdeni. De most a "hallgassuk meg gyorsan" mindent felül ír : ) Hogy a bemeneteket le tudjam zárni, ahhoz ki kellett vinni az előerősítőt. Ha már kivittem, rádugtam a SAL dobozokat is, meg a műhely DVD-t is. Most mindkét csatornában van egy 13 MHz-es 1.5 Vpp "vivőfreki", de ennek ellenére mocsok jól szól odakint. Sose jöttek még ki ilyen hangok ebből SAL-ból. Kristálytiszta és mintha egy szubbasszus lenne alatta, olyan mélyei vannak. Ebből a műhely meghallgatásból persze még semmilyen tanulságot nem lehet levonni, majd akkor derül ki milyen hangja lett ha bekerül a helyére. Tehát most gyorsan ki kell szedni a gerjedést valahogy. Lehetne egy kis szerencsém, hogy ne kelljen ezzel most estig szórakoznom. Aztán majd ha lehiggadtam valamelyest, megkeresem a forrás pontos helyét. A holnapi 65. szülinapomra Burgumot kérek a Jézuskától : )
Esetleg kerámia kondikkal áthidalni a 10ohmokat? Én direkt galvanikusan leválasztott hangszóróvédelmet csináltam, pont a földelési problémák elkerülése végett.
A paneljeidet nézve azt látom, hogy viszonylag "szellősek", nem törekedtél nagy alkatrész sűrűségre. Félvezetős erősítőben, ha nagy határfrekvenciájú, és nagy meredekségű félvezetők, relatíve hosszú vezetősávokkal (=induktivitások) vannak összekötve - az a félvezető és egyéb parazita kapacitásokkal együtt szinte garantálja a gerjedést.
Régebbi konstrukcióknál ez azért nem okozott gondot, mert a félvezetők határfrekvenciája és/vagy az erősítése kisebb volt, (tehát többnyire nem egyszerre volt meg a két paraméter). Csövek esetében is hasonló a helyzet, a határfrekvencia elég nagy, de az impedanciák is, ugyanakkor a csövek meredeksége ehhez képest kicsi - a legtöbb esetben egy soros rács ellenállás (öreg szakik vadrezgésgátlónak hívták) bőven elegendő volt arra, hogy ne gerjedjen nagyfrekvenciásan az erősítő. Ha gyors, és nagy erősítésű félvezetőket használsz, akkor szinte kötelező lenne nagyfrekvenciás szempontokat figyelembe venni pl. nyáktervezéskor. Ezen kívül törekedni kellene rá, hogy a parazita induktivitások, kapacitások kicsik legyenek - ami szinte kívánja az SMD alkatrészek használatát (bár anélkül is megoldható). Lehet, hogy sikerül valamilyen megoldással megszüntetned a gerjedést, de az nem más mint "tüneti kezelés", mivel jó eséllyel a maga a konstrukció a gerjedékeny. Ez pl. a négyszögátvitelen is látszik, nem csak apró túllövés van, hanem egy darabig hullámzik is a teteje, azaz instabil az erősítő. Véleményem szerint "nyugodt jellegű" négyszögátvitel fontos, ha jó hangú erősítőt szeretnénk - szinte fontosabb mint a torzítás. Nem akartam leszólni a munkádat, látszik hogy sok energiát befektettél, és igényes munkát végeztél, de gondolom Te is látod, hogy nem ez lesz a "szent grál", szerintem ahhoz komolyabb szemléletváltás kellene. Persze én is megkaptam már, hogy nem tudom mitől szól jól egy erősítő (ill. azt eleve kevesen tudják) viszont pár dolgot tudok, hogy mitől nem szól jól. Amit írtam, azok műszaki szempontok, mérhető dolgok, de a hangnak nem tudjuk minden paraméterét mérni és számszerűsíteni - de ettől még próbálkozunk. A hozzászólás módosítva: Ápr 5, 2024
Itt már kitettem egy szkóp fotót arról, hogy a vezeték illesztetlensége okoz túllövést.
Amit te túllövésnek és hullámzásnak látsz, azt a fázisfordító rossz vezetékezése okozza és nem a végfok lő túl. Ez a neminvertáló kimeneten nincs (ha jobban megnézed). Tudom sokat lehetne tőled tanulni analóg végfokok tervezéséből, de inkább a magam feje után megyek továbbra is.
Kiszedtem a gerjedést. Pontban 8-kor megszólalt idebent. Klasszissal jobban szól a régi Burgumnál. Más világ. Persze még nincs befejezve. Járatni is kell legalább egy hetet, addig nem piszkálom. Elfáradtam... sok volt ez a napi 16-18 órás "munkaidő" az utolsó napokban. Most egy kis zene hallgatással összevont pihenő következik.
Nem akarom megmondani, hogy mit és hogyan csinálj, csak leírtam, hogy én hogy látom ezt a kérdést - de az is lehet, hogy tévedek és nincs igazam.
A hozzászólás módosítva: Ápr 5, 2024
Örülök hogy célba értél. Ezek szerint megajándékozott a Jézuska.
Akkor én is boldog születésnapot kívánok!
Szubjektív/objektív tesztek, bejáratás, ismerkedés az új végfokkal. Ez egy bugyuta kezdőmondat, de semmi más/jobb nem jut eszembe. Nehéz a hangot betűkkel leírni. Mondok semmimondó számokat hasraütés-szerűen.
Ha mondjuk a nem létező "világ legjobb végfokának" a hangja 10 pont, akkor a régi Burgum legyen 7 pont, az új 8 pont. Ha "orto"-ban mérem, akkor legyen az új végfok javára 10 orto a javulás. De időközben váratlan dolgok (is) történtek. Kezdem az elején. Onnan tudom mennyit hallgattam idáig, hogy kétszer töltöttem fel az előerősítőben az akkumulátort, tehát kb. 30 órát (nem vártam meg lemerüljön a "megengedett" 22 V-ra - biztos ami biztos - két naponta éjszaka rátöltöttem). Bekapcsoltam reggel-délben-este, hogy járódjon, mert egy új erősítőt be kell járatni. Nem hallok semmit az égvilágon, hogy "járódna". Ugyanúgy szól négy nap múlva is, mint az első percben. Azt viszont hallom, hogy be kell melegednie. Hidegen torzít és sziszeg, két szám után már hallgatható, fél óra után teljesen lenyugszik a hangja. (Persze nem annyira durva ez a hideg/meleg különbség, de minden egyes bekapcsolás után jól érzékelhető.) Négy napig nem piszkáltam, csak ismerkedtem a hangjával. Az első teszt a tápvezeték csere a táp panel és a végfetek panelje között. Ide szándékosan filléres "mezei" másfeles "rézdrótot" kötöttem be. Ezt cseréltem ki "Kácsás" OFC Furutech-re. Ez nem egy méregdrága kábel, de nevezzük egy kategóriával jobbnak. Hazudnék ha azt állítanám, hogy bármi különbséget hallottam a két vezeték "hangja" között, de ezt a kísérletet majd valamikor később megismétlem, mert ezt így leírni szentségtörés. De most ez jött ki. Következő teszt: csatolókondi csere. Van benne ez az egy szem 1000 µF-os csatolókondi a bemeneti buffer és a VAS között. Ki lehetne hagyni a jelútból, de engem megnyugtat, hogy ott van. Alapból (első körben) 1000u/16V-os Nichicon-t tettem ide. Birizgált, hogy vajon milyen hangja lehet egy polimer kondinak - ami ugyan "kapcsitápokhoz" lett kifejlesztve - de ettől még átmegy rajta a hangfrekvencia is. Vettem belőlük 4 db 1000u/10V-ost. Megmértem őket. Szivárognak. Két óra formálás után is mérek 6-20 uA közötti szivárgóáramot (5V-on előfeszítve). Ez gond, mert uA-enként 20 mV DC van a kimeneten. A szivárgóáram változásával változik a kimeneti drift feszültség. Gondoltam beteszem a DC szervót (beledugom az IC-t a foglalatba). Újabb problémába ütköztem. A TL062-eseknek helyből nagy offset hibájuk van. A 10 db 180 mV szórást mutatott. Találtam 2-2 azonos driftűt. Rámértem szkópon, az egyik félhíd kimeneti DC szintje folyamatosan emelkedett. Mi a fene történt? Ránézek az opampokra, az egyiknek a lábán ott díszeleg a foglalat betétje. Simán kihúzódott lábbal együtt. Már hoztam volna be meghallgatni és jött ez kis a malőr, ami miatt újra szét kellett volna szednem az egész félhidat, hogy foglalatot tudjak cserélni a VAS-ban. Szervó nélkül lesz meghallgatva... így is jó, eddig sem volt benne. Villámteszt polimer kondikkal. Eszméletlen. Az összes mélye elment. A női énekhang és úgy általában a középhangok gyönyörűek. És rengeteg magasa lett, cseng-bong minden. Még a férfi énekhangból is hiányzik az alapharmónikus... nincs meg az "alja". Motyog. Ez Angus Stone-nak éppen jól jött, az tetszett. Az asszony szerint nincs meg fény, csillogás, semmilyen zenén. Annak ellenére tompa minden, hogy közben meg csilingel. Ez a polimer kondi hallgathatatlan, de egy bizonyos sávban jobb a Nichicon-nál. Tehát csatolókondi teszt következik. Feltúrtam a fiókokat. Van a készleten Teapo, Shamwa, KEMET, Hitano, Jamicon, meg valami névtelen (nem tudom kivenni ki gyártotta). A Jamicon-t is meg fogom hallgatni brahiból. Most formálódnak, 10 órája vannak 6V tápon. Az lesz az első induló amelyik nem szivárog (a KEMET, mert az már az első bekapcsoláskor sem szivárgott, talán mert 25 V-os : ) ).
Mondjuk azt is leírhatnád, hogy a 7 mitől lett 8, vagyis pontosan mik (lehetnek) azok amik ezt okozták, már ha egyébként a kapcsolás pont ugyanaz mint a régi volt.
Idézet: Ez még engem is érdekel!„csatolókondi teszt következik” Mekkora impedanciára dolgozik az erősítő?? Én keveslem a kicsatoló kapacitását.. Nem lehetne a kondi helyére az a "kacsás" drótot berakni?? |
Bejelentkezés
Hirdetés |






















































