Fórum témák
» Több friss téma |
Idézet: Az, parazita melléktermék...„Azt nem tudom hogy szándékosan esik alacsony feszültségen az áramerősítési tényezője a Toshiba tranzisztoroknak vagy ez csak parazita melléktermék,...” Icmax=1500mA a BD139/140 esetében Icmax= 100mA a 2SA1381/2SC3503 esetében Icmax= 50mA a 2SA1360/2SC3423 esetében A mérés Icm=20mA-nél történt. a BD139/140 esetében: Icmax/Icm=1500mA/20mA=75 a 2SA1381/2SC3503 esetében Icmax/Icm=100mA/20mA=5 a 2SA1360/2SC3423 esetében Icmax/Icm=50mA/20mA=2,5 Mivel az áramerősítés nem csak az Uce feszültségtől függ, hanem az Ic áramtól is, így akkor lesz összehasonlítható Hfe linearitás az Uce függvényében, ha az Icm áramot is a vizsgálandó tranzisztor maximális Icmax áramához arányosan választjuk. ( nagyon leegyszerűsítve ): pl. a 2SA1381/2SC3503 esetében is az Icmax/Icm=75 arányt választva, az 100mA/75=1,33mA Tehát az 2SA1381/2SC3503 esetében kb Icm=1,3mA kollektoráramnál kellene mérni ahhoz, hogy a hasonló görbét lássunk, mint a BD139/140 esetében. De ugye itt másról szól a történet... A hozzászólás módosítva: Márc 19, 2024
Értem. Ezek szerint én döntöm el hogy milyen jelleggörbét szeretnék, csak úgy kell választanom félvezetőt, hogy az illeszkedjen az áramköri feltételekhez.
Pontosan! Senki sem használ végtranzisztort a bemeneti differenciál fokozatban...
Elérkezett a várva-várt tegnapi nap is, hogy elkezdhessem (be-)méregetni a paneleket.
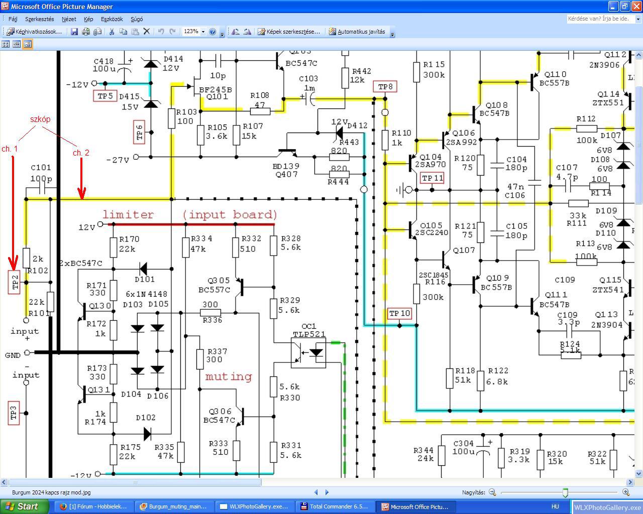
Utoljára még kiteszem a legutolsó változat kapcsolási rajzát, aki akarja letölti. A pdf. mérete sajnos túl nagy, marad a jpg. Igyekszem módszeresen végig mérni mindent - amit érdekesnek találok a kapcsolásban - és ha minden oké, jöhet a meghallgatás és végeláthatatlan próbák sora (vezeték tesztek, kondenzátor/tranzisztor csereberék és egyéb hókusz-pókuszok... majd adja magát). Igyekeztem úgy felépíteni a végfokot, hogy jelútban ne legyen vezeték, vagy csak minimális és ami nélkülözhetetlen. Ilyen nélkülözhetetlen vezeték lesz például az ami kimenettől a hangszóró csatlakozóig megy. Ezt a szakaszt sokféle módon meg lehetett volna oldani, úgyis, hogy vezeték-mentes legyen, de a túláramvédelem miatt szükségem van arra néhány mOhm-ra és néhány (100) nH-re amit ez a vezeték bevisz. Megalkuvás a hangminőségben a biztonságos(-abb) működésmódot választva inkább. Ezzel a szakasszal is külön el kell majd játszogatni. A tegnapi napot elszórakoztam a bemeneti panellel. Nem volt türelmem kivárni, hogy megérkezzenek a "normális" 100 µF-os szűrőkondik. Átmenetileg betettem azt amit a fiókban találtam, majd kicserélem őket. Vannak köztük (számomra) érdekes mérések is. Mutatom, hogy milyen áramkörök vannak ezen a panelen... aztán sorban a szkóp fotókat is. Egy hsz.-be szerintem nem érdemes mindent belezsúfolni, mert áttekinthetetlen lenne. Akiket érdekelnek a további részletek velem tartanak, akiket meg nem, ők eleve nem olvassák ezt topic-ot. A műszerparkom gyakorlatilag (közel) nulla - dehát ez van - ebből kell gazdálkodni és szerintem nem ezen fog múlni, hogy milyen hangot fogok tudni kicsikarni a legvégére ebből a "Burgumból". Persze ha beszabadulnék valami jó kis laborba, nagyon ki tudnám él(vezked)ni ott magam : )
Ugye én - mint a DC csatolt erősítők megszállott híve - elveim ellenére betettem egy csatolókondit a kapcsolásba (C103, C203). Ez a mostani Burgumban is benne van és, hogy nélküle milyen hangja lenne azt nem tudom, mert nem lehet kivenni belőle a DC szinteltolódás miatt. De ez azért nem az a "szokásos" elkó amit mindenki betesz a visszacsatolókörbe. Ez az elkó elő van feszítve kb. 4 VDC-vel és emiatt szerintem "jobb a hangja", mint polarizálatlan társainak. Tehát ez ott marad ahol van. A kapacitását megnöveltem az eredeti 470 µF-ról 1000 µF-ra... ez talán ártani nem használ, de ezzel is el lehet majd játszadozni valamikor. Most egy Rubycon-t tettem ide, hogy miért pont ezt, azt nem tudom megmagyarázni. Ez volt szimpatikus. Ha valakinek van jobb ötlete, azt elfogadom és ki fogom majd próbálni.
Kezdem a négyszögjel átvitellel. Ennek a mérésnek ugyan szerintem nincs semmi értelme, de azért megmutatom, hogy van négyszögjel-átvitele ennek a fokozatnak (is). Talán annyi érdekesség van ebben az egész dologban, hogy "bevetettem" az akkumulátoros előerősítőből "kihullott" fázisfordítót erről majd még külön írni fogok, ha el nem felejtem, mert kell valami amivel ellenütemben (szimmetrikus bemenetről) tudom vezérelni a teljes hidat. Tehát így néz ki a "mérőpadon" a csupasz bemeneti buffer fokozat (és miegyéb) panelje. A 400 kHz-es négyszögjel azért mégis érdekes (valamennyire). A felső sugár a bemeneti jel, az alsó a kimeneti. Az benne az érdekes, hogy már ez a 30 cm körüli "izé vezeték" sem viszi át alakhűen az impulzusjelet. Túllövés/berezgés van a bemeneten, ami a generátor kimenetén egyébként nincs ott. A buffer ezt a berezgést szépen elkeni. Tehát van a vezetékeknek "saját hangjuk" és ki is lehet ezt mérni... csak azt nem, hogy ez a "sajáthang" most jó, vagy rossz sajáthang, amikor zenét hallgatunk rajta/vele. Az "inv-noniv_200kHz" fotón az látszik, hogy bufferek kimenetén (szemre) ellenfázisban egymáshoz képest a két kimenet. 200 kHz-en 2 fok fáziskésése van az inverternek, de ez itt nem látszik. Aztán van még 1 MHz-es négyszög, meg 100 kHz-es háromszög, hogy legyen ilyen is.
Ehhez a csatolókondihoz még szorosan kapcsolódik, hogy miatta kicsit bonyolultabb lett a koppanásgátlás, mert a négy-morzés relé a bemenetet is rövidre zárja bekapcsoláskor és csatlókondit is, míg az fel nem töltődik. Ehhez kell 6-7 mp késleltetés. A gyakorlatban ez kb. 6.5 sec lett stopperrel mérve. Ekkor még marad a kimeneten (a VAS bemenetén) 10mV körüli DC, de ennek már nincs jelentősége mert azonos fázisban jeleneik meg a hangszóró kapcsain. Ha a két DC szint egymással pontosan megegyezik nem fog csattanni/pattanni a hangszóró bekapcsoláskor.
A relé behúzó tekercsének áramával spóroltam két okból is. Így gyorsabban kapcsol ki és nem fogyaszt annyit. Az az 0.1 mp-es 48 V-os impulzus elég a biztos behúzáshoz, a 18 V-os tartófeszültség pedig a duplája a 9 V-os tartófesznek, tehát nem fog elengedni. Más érdekesség nincs ebben a kapcsolásban... teszi a dolgát. Az érdekesebb mérések ezután következnek - de most tartok egy kis hatásszünetet - mert 6-7 hsz.-t úgysem fog senki figyelmesen végig olvasni. Lehet, hogy még ezt a hármat sem.
Én ezen a DC csatolt dolgon mindig csak mosolyogtam, de most ennél a darcilnál kicsit sem, mert ez rühell mindenféle kondit úgy a bemenetén mint az nvcs-ben. Állítólag a HD 16 évig "fejlesztgette" vagy tán hangolgatta a Revox A740/B750-től elcsent rajzot, nem értem hogy ez hogy nem tűnt fel neki. Azonnal hallható volt a javulás akármelyik kondit vettem ki, és az is teljesen mindegy volt milyet tettem be.
Most készül a butadarcil is de nem nagyon van időm, ez ugye a shany féle rajzból (ami állítólag a 458) eredeztetett valami, ami tulajdonképpen a 108 műszakilag teljesen lebutított változata. Én még tovább butítottam, az áramgenerátor helyett ellenállásokat kapott. Az már a szimulátorban is látszik, hogy ez sokkal jobban fog színezni mint a 108, de majd kiderül hogy annak vagy ennek lesz jobb, vállalhatóbb hangja. Az a cél, hogy leváltsam az EAR859-et valamelyikkel, eddig még nem sikerült, de a 108-cal szerintem jó úton haladok. Rubycon-ból nem tudom melyiket tetted be, de abból is tán 1 fajta van amelyik jó, a többi nem való erősítőbe szerintem, én a Vishay BC-ben is csalódtam eddig, vagy csak többet kell járódnia. A kimenet felől nézve a táppuffer is a jelútban van, már írtam volt, hogy oda is ki kéne találni valamit, hogy az elkókat végleg száműzni lehessen onnan is, nem vagyok benne biztos hogy nem javítana egy végfok hangképén. Csövesnél könnyebb a helyzet, mert ott kilehet váltani az elkót öklömnyi fóliakondival, de itt nem. A tiéd is egyfajta életprojekt lesz, egy életen át lehet hangolgatni azt a milliónyi alkatrészt.
A mostani végfokban Shamwa van. Olyan a kapcsolás, hogy ez kell bele mert különben hatalmas és beállíthatatlan drift lenne a kimeneten. Amennyit ez a csatolókondi ront a hangképen azt bátran fel merem vállalni.
Idézet: „A kimenet felől nézve a táppuffer is a jelútban van, már írtam volt, hogy oda is ki kéne találni valamit, hogy az elkókat végleg száműzni lehessen onnan is, nem vagyok benne biztos hogy nem javítana egy végfok hangképén.” Nincs a jelútban és ki is van erre találva valami: úgy hívják, hogy híd kapcsolás (vagy teljes híd... kinek mi tetszik). Megmutatom miért nincs benne. Később akartam ezeket a méréseket kitenni, de így is jó. Az első képet már láttuk egyszer hajnalban, de most meg is magyarázom mit ábrázol (mert mindent megmagyarázni jól tudok : ) ). A képernyő első feléig (2,5 mp-ig) csak a neminvertáló bemenet kap 1Vpp bemeneti jelet a generátorból. A Zeneres söntstabilizátor belső ellenállása elég nagy (akár ki is lehetne számolni mennyi, de nem érdekel most). A 12V-os tápfeszben megjelenik a bemeneti jel alakhű mása 22 mVpp jelszinttel. A buffer kimeneti árama egyértelműen átfolyik a puffer kondenzátorokon, tehát ezek is benne lesznek (közvetve) a jelútban - ahogy írod. A képernyő felénél bekapcsolom a labortápot és ezzel a fázisfordítót. Most ellenütemben működik a két buffer fokozat. Az áram a bemeneti panelen kering a két buffer között. Ha az egyik fél árama csökken, a másiké ugyanennyivel nő. A harmadik képen látszik, hogy a 22 mVpp "zavarjel" 300 uVpp-re csökken. Ezt a 300 uV-ot is teljesen el lehet tüntetni ha fázisfordító erősítését pontosan egységnyire állítom. (Ezt esetleg meg is tehetem a későbbiekben az érdekesség kedvéért és akkor csak a fokozatok torzítása marad a tápban és a hálózati feszültségingadozás.) Mivel a pufferkondikat szimmetrikus meghajtásnál már nem terheli a hangfrekvenciás áram, így szerintem kiesnek a jelútból. Vagy legalábbis számottevően lecsökken a hangképre gyakorolt hatásuk (feltételezem - de azt is mondhatom, hogy találgatok - ki kell próbálni). Igen, ez valóban egy "életprojekt" lesz : ) Nem szándékozom több végfokot tervezni már ebben az életemben. Persze mondtam én már ehhez hasonlót... lehet, hogy nem vennék rá mérget. A darcilról mi már priviben levelezget(t)ünk és szó van róla - a sikereiden felbuzdulva, hogy azt még kipróbálom - ha olyan szinten állsz majd vele, hogy erre érdemesnek tartod. De nem hiszem, hogy leveri a Burgumot... vagy ki tudja. Puding próbája az evés.
Valamikor olvastam egy shany által kitett cikket a hálózati trafó szekunder körébe tett snubber jótékony hatásáról, meg a diódák parazita kapacitásairól, meg, hogy ez milyen jó dolog, csodákat művel. Gondoltam, most van itt az ideje, hogy kimérjem mit is csinál ez snubber.
A közölt rajz alapján 1k-val soros 10nF és az ellenálláson mérem a zavarjelet. Már előre örültem, hogy most aztán nyakon csípem ezt a csúnya tüskét és majd jól kiirtom onnan. De tüske helyett ezt láttam. Hiába nyújtom a jelet, tele van ezekkel a rezonanciákkal. Nem látom mikor nyit ki a dióda és hol van ez a csúnya Reverse Recovery izé. Azért a biztonság kedvéért betettem ezt 10R/100nF snubbert. Annyi történt, hogy valamelyest nőtt a rezonancia. Mit csinálok rosszul?
Más.
Tegnap mértem a hálózati feszültségingadozást a különböző helyeken, pl. C407 szűrőkondin, az 50 V-os kapacitív sokszorozó kimenetén, stb... Ma gondoltam egyet, hogy megnézem mi van akkor ha a tápregenerátort használom, úgy, mint ahogy most is erről kapja a 230-at bent a végfok és a CD játszó (az előfok akkumulátoros). Mutatok két-két mérést vele és nélküle.
Nos, az ipari elektronikában nem a szekunderre teszik a védő RC-t ( én még így tanultam, nem pedig snubbernek. A snubber az, amelyikben egy dióda is van ) ), hanem a diódákra, külön, külön.
Nézz meg mondjuk egy nagyobbacska diódának a tárolt töltésre vonatkozó diagramját. A védő RC arra való, hogy akkor, amikor az áram ( ami fordítva folyik a diódán a tárolt töltése miatt ) nagyon hirtelen lecsökken zérusra, akkor ne legyenek túl nagyok a körben levő induktivitások miatt a túlfeszültségek. ( L x di/dt ) Az ellenállás értékével lehet bejátszani, hogy a jelenlevő rezgőkör elegendő csillapítással rendelkezzen. Ez az EMI-re is jótékony hatással van. A zavart, túlfeszültséget ott kell megszüntetni, ahol keletkezik. Sajnos ilyen egyszerű megoldásokkal ez plusz disszipációt eredményez. De ez 50 Hz-en jelentéktelen.
Köszönöm! Többeknél láttam használatban ezt a 10R/100nF-ot a szekunderen. Odateszik és büszkén írják, hogy "hadd dolgozzon". Gondoltam, én azért rámérek mielőtt mások feje után mennék és az jött ki - ha "csinál is valamit" - az inkább árt, mint használ. Tehát bátran kihagyom a későbbiekben is.
Ugyanezt gondolom a Graetz diódáinak (szintén szokásos) 47 nF-dal történő áthidalásáról. Egyszer próbáltam ki anno, amikor Tóth Bélával a fejhallgató erősítőt tervezgettük játszásiból. Nekem az jött ki, ha hallok is valami nagyon enyhe hatását az inkább negatív volt. Kimérni az égvilágon semmit nem tudok ezen sem. Kinyit a dióda, lezár a dióda. Ez -szerintem- nem ipari elektronika, ahol több száz amperek folynak és ott "életbevágó" ez az RC tag amiről írsz. De ha valaki bebizonyítja nekem méréssel, hogy szükség van rájuk, akkor használni fogom... filléres alkatrész.
Nagyon sok minden van ezen a panelen. Az utolsó három mérés, aztán már tényleg teljesen kiragoztam mindent.
Az optocsatolós > diódás kapcsolós > bemeneti némító áramkörnek a lehető legrövidebb időn belül aktiválódnia kell ha letilt a túláramvédelem, mert különben az egekbe szökik a FET meghajtók feszültsége. Valahogy meg kellett mérni, hogy mekkora ez az idő. Az alábbi egyszerű "barkácsáramkört" találtam ki erre. A generátor kimeneti szintjét eltolom a 0-10V-os tartományba, így a soros 1k-val 0-9 mA vezérlőáramot kap az optocsatoló LED-je. Ugyanezt a feszültséget leosztom az 1/20-ad részére... ez lesz a bemeneti jel. Négyszöggel vezérelve látnom kell a némítás késleltetési idejét. 100 Hz-es szinusszal szépen látszik mekkora LED áramnál lép működésbe a némítás. 1 kHz-es négyszögnél meg fog jelenni egy rövid idejű tüske a bemeneten. A "tüske" szélessége a késleltetés. Szerencsére olyan okosak ezek a digitális szkópok, hogy mutatják a tüske szélességét, azaz a némító áramkör késleltetését. Ez pontosan 1 us... ennél gyorsabb nem is kell. Nem hagyom nagy kimeneti teljesítménynél, hogy telítésbe vezérlődjenek a közbülső fokozatok. Levágom a bemeneti jelet szép lágyan lekerekítve limiterrel, hogy ne legyen szőrös a hangja klippeléskor : ) Nem érdekel mekkora lesz a THD ilyenkor. Ez elvileg már 400 W/4 Ohm zenei csúcsoknál következik be. Akinek ez kevés, használjon PA-t. A limiter 0.2 V-tal előbb határol, mint azt a szimulátor mutatta... ezt a szintet majd feljebb tolom ennyivel. Maradt még a hővédelem. Ehhez is összeütöttem gyorsan egy "célszerszámot". 69 foknál kapcsol be (némítja r3 relé a bemenetet) és 64 fokra visszahűlve kapcsol vissza (ha pontos a mérés... de 2-3 C fok szerintem nem oszt nem szoroz).
Mark Johnson nevü emberke a diyaudion 2013-ban elkezdett erről írni egy fórumban, aminek a célja kifejezetten az volt, hogy mérés által határozza meg a szekunder oldali optimális Snubber értékeit. Tervezett egy mérőáramkört Quasimodo test-jig néven. Van elméleti dokumentációja is, közzétett mindent.
Van ilyen panelem, ha érdekel el tudom küldeni, kell hozzá egy szkóp, a mérendő trafó és lehet tekergetni a trimmerpotit aminek az állását le kell olvasni és megvan az Rs értéke (minden trafónak más, de a hasonló teljesítményűek általában konvergálnak egymáshoz). Snubber - Quasimodo test-jig A doksija (aljas módon jelszóval védett, nem lehet belőle másolni): A hozzászólás módosítva: Márc 24, 2024
Az egyik saját mérésem és némi magyarázat:
Köszönöm szépen a kedvességed!
Ha túl leszek néhány alapvető alkatrész és vezeték teszten, kölcsön fogom kérni néhány napra ezt a panelt (vagy ha beültetendő nyákról van szó, akkor azt... majd privátban lelevelezzük). Kíváncsi vagyok lesz-e ennek a "snubbernek" valamilyen pozitív, hallható hatása. Nem ítélkezek fölötte tovább, amíg ezt ki nem derítem.
Tegnap "kitrimmereltem" a fázisfordító erősítését egységnyire. A tápfeszültségből valóban (a várakozásnak megfelelően) eltűnt az alapjel. 100 kHz-ig, 4 Vpp be- és kimeneti feszültségig
1 mV/osztásnál csak egy vízszintes vonal látható a szkópon (a hálózati feszültség ingadozást leszámítva). Ezt nem mutatom meg, mert mindenki látott már vízszintes vonalat. Tehát a tápegység belső ellenállása "virtuálisan nullává vált"... a pufferkondik "nem látják a bemeneti jelet" ha fogalmazhatok ilyen hülyén.
Újabb "játszási".
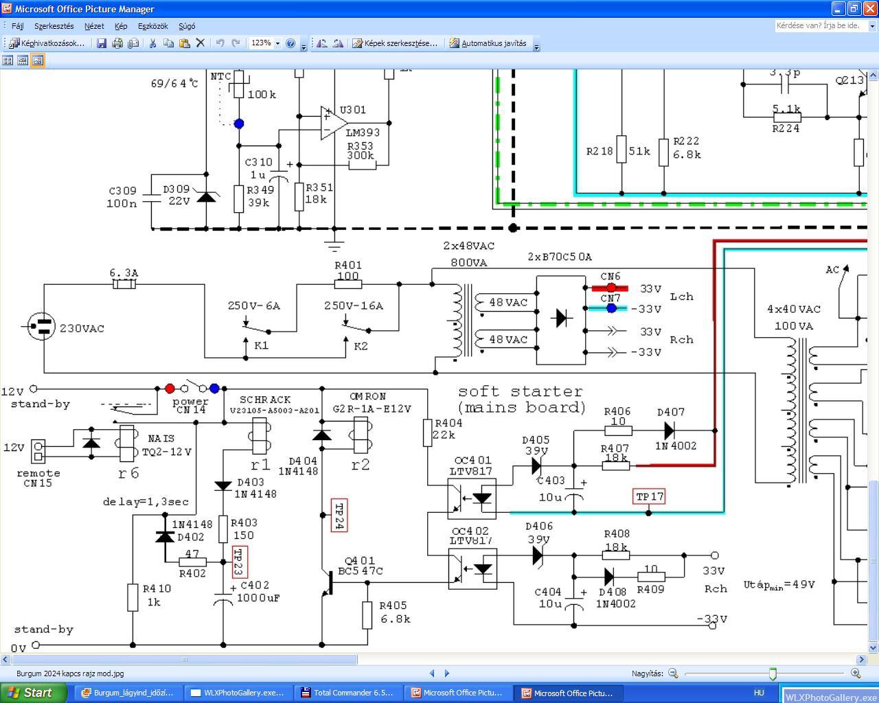
Beüzemeltem a tápegységet. Ezek a panelek önállóan nem működnek, egymásra vannak utalva. - A lágyindító ellenálláson (100R/10W) eső feszültség bekapcsoláskor "Burgum_lágyind_R_fesz" A 17. periódusnál az ellenálláson átfolyó csúcsáram 500 mA-re csökken. - Ha a pufferek feszültsége meghaladja az 50V-ot "r2" relé rákapcsolja a hálózatot a primerre. OC 401, 402 optocsatolók fogják "megmondani" mikor húzzon be "r2" relé "Burgum_puffer_fesz" - Ha a puffer feszültség 50V alá csökken (mondjuk túlterhelésnél) "r2" relé elenged, lekapcsolja a hálózati feszt és az erősítőt újra kell indítani. - Ha a szekunder körben rövidzár keletkezik (a pufferek feszültsége nem emelkedik 50V fölé bekapcsoláskor) a lágyindítást 1,3 sec után letiltja a késleltető áramkör: "Burgum_lágyind_időzítés" "r2" relé véletlenül sem tud meghúzni semmilyen körülmények között és a lágyindító ellenállás sem fog túlmelegedni/felizzani (láttam már ilyet). Beszereztem a shany által javasolt szuper gyors biztosítékokat - ezúton is köszönöm neki az ötletet - de ezekkel egyelőre (a későbbiekben) nem akarok rövidzárasdit játszani, mert az elég drága mulatság lenne. Megfelel erre a célra a "gagyi üvegbizti" is. Aztán majd ezt kicserélem. Egyébként is kíváncsi vagyok arra, lesz-e hallható különbség a két biztosíték között. Az adatlapja alapján ez a szupergyors izé is "tud" 100 A-t 1 ms-ig. Remélem ennél gyorsabb lesz az elektronikus védelem és nem kell majd biztosítékot ki-beforrasztgatni. Egyedül a crowbar van a biztosíték kiolvasztására alapozva. De ha a crowbar működésbe lép akkor már nem a "bizticsere" lesz a legnagyobb gond. Ennyi volt a mára kitűzött feladat, mehetek aludni : )
Azért volt még egy délelőtti, egy délutáni és egy esti műszak... mert 4 műszakban dolgozom : )
Teszteltem a túláram védelmet - amennyire tudtam - igazából majd "élesben" fog kiderülni mennyire gyors. Szaporodnak a vezetékek. Ennél a H11L1M optocsatolónál -elérhető közelségben és áron- jobbat nem találtam, de szerintem nem is kell ennél jobb ide, erre a célra. Elég jól sikerültnek érzem ezt a "műtirisztor" kapcsolást, ennél bejött minden amit a szimulátor mutatott. 1.66V bemeneti fesznél billen át az opto kimenete, ami 11 A / (vég) FET. 22A csúcsáram 2.5 Ohm minimális terhelő impedanciához elég teljes kivezérlésnél (ami 600W zenei csúcsot jelent (elvileg)), de ennyinél már biztosan igencsak be fog rogyni a táp. De elméletnek szép. A cél inkább az, hogy ne kapcsoljon le feleslegesen a túláram védelem, de azért megvédje a rövidzártól a végfokot. A "Burgum_H11L1M out_Ugs" szkóp fotón azt mérem ami a kép címe. Valahogy rendszerezni kell magamnak ezeket a fotókat, hogy később is eligazodjak azon, hogy mit is ábrázolnak. Az opto kimenete átbillen 30 ns-en belül, a FET gate kapacitásait kisüti 300 ns-nél rövidebb idő alatt. Azt nem lehet még tudni mekkora az opto késleltetése a bemenettől a kimenetig, az adatlap szerint 1 us. A "H11L1M input_Utáp" fotón ezt próbáltam mérni. Eszerint az opto bemenetétől a tápfesz lekapcsolásának kezdetéig 2.5-3 us az áramkör késleltetése... de ez nem igaz, mert csak 2 db 1k/10W-tal terhelem a táp kimenetét. 50-100 ampereknél ez a késleltetés nem ennyi lesz. Minden esetre ez a "műtirisztor" nagyságrenddel gyorsabb egy valódi tirisztornál és az IRFP4468 maximálisan megengedett 1100 A-es impulzus árama elég kell legyen ahhoz, hogy ez a félvezető ne menjen tönkre (mint a régi Burgumban (eleinte) a tirisztorok). Érdekességképpen megmértem a táp panel belső ellenállását (ha már a kezembe volt). Ezzel - tudtommal - nem nagyon szokott foglalkozni senki. Ehhez a 60 mOhm-hoz hozzáadódik még a tápvezeték ellenállása, a pufferek ESR-je és impedanciája. A vezetékek/fóliák impedanciája, a hullámimpedancia, a skin-hatás... majd lesz belőle valami : ) Azért ebből a sok izéből jól látszik, hogy megvan az előnye az egyszeres tápnak. Kizárt dolog, hogy kettős tápnál teljesen azonos impedanciájúra meg lehessen csinálni a két féltápot vezetékezéssel együtt. Itt teljes a két félhullám szimmetriája mert csak egy érpáron folyik az áram, egy puffer csoportból, azonos vezeték hosszakkal, azonos terhelő árammal. Persze zabálja is az áramot a pufferekből. A hozzászólás módosítva: Márc 26, 2024
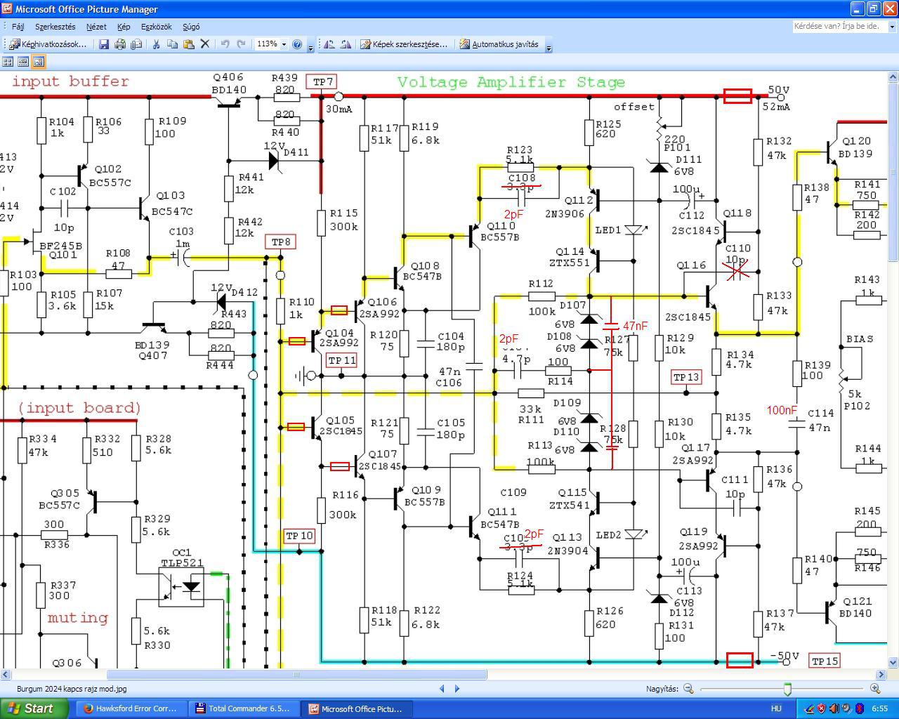
A VAS-ban van egy 95 MHz-es gerjedés. Minden elképzelhetőt kipróbáltam/elkövettem, de csak amplitúdója változik, a frekvenciája alig. Ott van a GND-ben, a bemeneten, a kimeneten... analóg szkóppal is, mérőhorog nélkül is, Hitachi mérőkábellel is. Kiírthatatlan.
A négyszögjel átvitele tökéletes, a kompenzálások nagyjából jók, minden kompenzáló kondi kell bele (némelyik értéke picit változott). Nem a kimeneti emitterkövető kaszkádosítása okozza. A Hawksford kaszkód körül esetleg lehetnek gondok... próbáltam más típusú LED-del is. Nem a kapacitív sokszorozó okozza - kiemeltem az "input board"-ból - és külső táppal sem változik semmi. Szívás van. Úgy tűnik az a bemeneti paca a gond. Meg kellett volna csinálnom az öcsi panelt a visszacsatoló körhöz - amit eredetileg akartam. Még megpróbálom légszerelni ezt a részt. Ha bármilyen frekvenciájú bemeneti jellel - 50R lezárással a bemenetén - kivezérlem, néhány 100 mV kimeneti jelszint fölött stabillá válik, eltűnik nyom nélkül a gerjedés. Még csak egy teljes napot szórakoztam el vele és csak egy panelt barmoltam össze teljesen. Nem adom fel, mert hát nem is lehet. Ennek működnie kell. Benne volt a pakliban, hogy nem sikerül elsőre minden. De ez a nyákterv kriminális... biztos, hogy újból neki kell majd futni. Egyelőre megpróbálom ezt megmenteni, hogy ez működjön... mindegy, hogy fog kinézni a végén.
A Hawksfordba nekem a legjobb LED a TLHR4200, vagy 4205 volt. 1mA áram mellett is nagyon alacsony a belső ellenállása.
Vettem, beletettem azt is... talán rosszabb vele, mert kisebb feszültség esik rajta. De még próbálkozom mindennel, soká lesz még este.
1.6V körül esett rajta nekem. A2N3904/06-nak elég az 1V Uce, ha nem akkor helyette a BC337/327 még talán jobb.
Most nem mértem LED-eken pontos feszültséget, előtte teszteltem le néhány típust.
Érdekes volt... ha a LED-et áthidalom 100 nF-dal, 2MHz-en gerjed 10 Vpp-vel. Tehát lehet valami gond ezzel a fokozattal. Megpróbálok (kísérletképpen) sorba kötni vele egy diódát. Más tranzisztorokkal is próbálkozni fogok. Azok vannak benne amik a kapcsolási rajzon vannak. Esetleg a bemeneten a diamondot kicserélem BC-kre, mert az is gyanús. De második körben kipróbálom légszerelve a vcskört. Még van három panel amit nem barmoltam össze : )
Tegnap megérkeztek a lemezek is... most csomagoltam ki, hogy megnézzem őket. Ezzel minden alkatrész megvan - már csak rajtam múlik a dolog. De azért sem fogom elkapkodni... ráérek, nem sürget az idő.
Lehet, hogy hülyeség, egy fojtótekercs a tápkörben?
A hozzászólás módosítva: Márc 28, 2024
Kipróbáltam, hogy lerontom egy-egy 2.2R ellenállással a tápkör jósági tényezőjét, de hatástalan volt. Nem a tápsíntől gerjed a VAS, hanem fordítva a VAS gerjesztette a tápot.Külső táppal sem változott a gerjedés amplitúdója/frekvenciája. A saját, kapacitív sokszorozós tápja stabilabbnak mutatkozott (szerencsére), mint a külső táp.
Hál' Istennek bejött a megérzésem. Sorba kötöttem a LED-del egy 1N4148-at és megszűnt a gerjedés. Ha a szkópkábel GND vezetékét tekergetem még elő tudom csalogatni, de a lényeg, hogy behatárolódott a gerjedés pontos helye... és nem az a "bemeneti paca" okozza.
Ahogy javasoltad, most kipróbálok más tranzisztorokat a 2N3904/06 helyett (de Tesla teszterrel mérve nekem ezek tűntek a legideálisabb választásnak). Meglátjuk. Aztán finomhangolás a kompenzáló körrel/tagokkal. Mérek THD-t is, (ahogy tudok) mert érdekel. Jó hír még (a magam számára mindenképp), hogy a másik panel is pontoson azon a frekvencián és akkora amplitúdóval gerjedt, mint az egyik - tehát egyformára sikeredtek - a beválogatásnak köszönhetően.
Én a legutóbbi verzióban kihagytam a kaszkódot, és nem érzem, hogy hiányozna.
Nem tudom... előbb meghallgatom így is, úgy is, máshogy is...
Villámmérés úgy ahogy van, mert nincs kedvem most tovább szórakozni vele. Rám hozta a frászt ez a gerjedés, kicsit stresszbe voltam miatta. Ebéd, aztán megnézem van-e még az utakon ekkora hülye rajtam kívül, hogy 50km/órás elmegy biciklizni |
Bejelentkezés
Hirdetés |

































































