Fórum témák
» Több friss téma |
A mellette lévő pdf fájl a teljes service manual, robbantott ábrával meg minden...
Ez alapján csak három motor van benne: - Reel - Assist - Capstain
Három darab motor van.
- capstan-motor (ez állandóan forog, esetünkben irreleváns) - reel-motor (csak akkor forog, mikor a motorvezérlés elindítja, két irányba forog) - assist-motor (csak akkor forog, mikor a vezérlés indítja, két irányba forog) A motorokat (is) lehet látni a SM 14. oldalán. A reel-motor vezérlését az IC703 adja, ami egy BA6219B motorvezérlő IC. Két bemenete van, ami úgy működik, hogy: - LOW, LOW - nem csinál semmit - HIGH, LOW - előre forog - LOW, HIGH - hátra forog - HIGH, HIGH - fékezés A LOW szint <1V, a HIGH szint >3V. Az assist-motor vezérlését az IC704 adja, ami egy LB1641 motorvezérlő IC. Enenk is két bemenete van, valamelyest hasonló működésű, de egyszerűbb, mint a BA6219B. Esetünkben ez szerencsére rendben működik. Szóval ezzel nem kell foglalkozni. A kazettaajtó mozgatását onnan tudja a cpu, hogy: - megnyomták az előlapon a gombot (SM 14. oldal, S751, cpu pin2 [key7]) - még nincs a kazettaajtó végállásban (open-sw vagy close-sw kapcsolók figyelik, cpu pin21, 22) ekkor: - ha nincs a mechanika "kazettaajtó" módban (S1001, rotary encoder figyeli) akkor az assist-motor átforgatja a tárcsát és áttolja a fogaskerekeket a kazettaajtó fogaskerekeihez - a reel-motor beindul(na) a megfelelő irányba (open-sw és close-sw végállás mikrokapcsoló dönti el melyikbe) és addig mozgatja az ajtót, míg a másik mikrokapcsoló nem érzékeli a végállást A hozzászólás módosítva: Júl 18, 2024
Ez világos, de az nem, hogy a reel motor honnan tudja mikor melyik tekercsét kell hajtania a kezettának, mert az nem egészen mindegy.
Meg ugye az ajto nyitás/záráshoz is irányt kell váltania. Azaz a procibol irányválto jel kell, meg eldönteni, hogy most csévélö FF/REW üzemmodban van, meg mikor van ajtonyito modusban. Gondolom, hogy azt pontosan a torque áramkör döntheti el. Hiányolom azokat az érzékelöket, amik eldöntik, hogy melyik csévélömodusban van, mikor kerül a fejhid neutrális állásba ( azaz nincs a kazettában, ezért gondolom, hogy ezeket az állapotokat a torque áramkör dönti el. Ott van ugye 3 állapot FWD, FF meg REW. Azt kell kideriteni amikor az ajtonyitás megy melyik állapot a 3-bol a mérvado, és ha jol látom ebböl az áramkörböl megy 2 jel a prociba ( 12, 13 láb).
TCM-200 Sony mechanika van benne, a képen láthatónak valamelyik variánsa. A csévélés irányváltása úgy működik benne, hogy a középen látható himba a motor forgásirányától függően (pici súrlódó kapcsolat közbeiktatásával) egyik vagy másik orsónak lökődik neki. Ehhez elég egy reel motor, ami pozitív vagy negatív feszültséget kap iránytól függően (lejátszáskor meg ugyanez hajt, csak áramkorláttal, kisebb nyomatékkal). A capstant meg egy másik motor hajtja lapszíjjal (és azt semmi más nem terheli), ezekben a gépekben jellemzően hálózati bekapcsolástól folyamatosan.
És akkor a harmadik motor az üzemmódváltó szervo, valóban az dönt arról, hogy a fejszán fent legyen-e, ill. hogy a reel motor ezt a himbát, vagy az ajtómechanikát mozgassa-e. Itt van egy részletesebb video amúgy a belsejéről. Részemről azt nézném még meg, hogy az a pozíciójeladó tárcsa a szervohoz rendben van-e. Elég hajlamos kontakthibás lenni, amit spray nem is old meg, csak a műanyagház szétpattintása, és alapos takarítás, esetleg polírozás. Ugyanez érvényes a kazettafészek tetején a fémnyelves letapogatókra is, de azok szétbontását már nem javaslom (nagyon könnyen törik és nem kapható), helyette 1A körüli áramkorláttal megnyomkodni, akkor kiég róla a beoxidált rész és stabil jelet fog adni újra a procinak. A hozzászólás módosítva: Júl 18, 2024
Köszönöm, pont elkezdtem én is hasonló leírást írni, de ez így pontosabb. Így működik.
Idézet: „pozíciójeladó tárcsa a szervohoz rendben van-e” Igen, rendben van. Ellenőriztem és az üzemmódokat is jól érzékeli. Ha jól tippelem ez a négy üzemmód van: üres, play, tekerés, ajtó Ezek mindegyikére rendben beáll. - üres - play (megemelkedik a fej és megjelenik a kijelzőn a play ikon, monitor:source->tape váltás) - ajtó (fogaskerekek átállnak az ajtó hajtására, reel-motor manuálisan hajtva nyit/zár) - tekerés (ez az egyetlen ami rendben működik) Idézet: „kazettafészek tetején a fémnyelves letapogatókra” Ezek is rendben, megfelelő szalagtípust mutat, nem engedi a rec módot ha a kazetta védett Ezeket amúgy én úgy szoktam pucolni, hogy vékony papírcsíkot csúsztatok az érintkezők közé és felülről, újjal ellentartva összenyomom kissé őket, majd kihúzom a papírt. két-három ilyen és teljesen rendbejönnek. Van viszont még furcsaság. A reel-motor nyomaték elektronikánál, a szervizkönyvben jelzett feszültségek nem minden esetben klappolnak. Próbálok a működésén kiigazodni, hogy miként kapcsolja a nyomatékot, de nem sikerül megértenem. Ebben kérnék kis segítséget. (csatoltam a szervizkönyv 14. oldalát) Pár mérés: cpu pin13: - idle: 5V - play: 5V - ff/rew: 0V cpu pin12: - idle: 5V - play: 5V - ff/rew: 2-3V (nincs a himba a reel motoron most, ezért 1mp alatt leáll, így csak megközelítőleg sikerült mérnem) A Q705 tranzisztor emitterén, ami szerintem az IC703 motorvezérlő 4-es lábán keresztül a kimenet feszültségét/nyomatékát állítaná, a ServiceManual jelez feszültségéeket, de ezek sem klappolnak nálam: idle: 0.2 fwd: 3.1V - nálam 0V !!! ff: 4V - nálam 4V rew: 4V - nálam 4V Mint írtam, nem értem a működését, de gyanus, hogy a cpu play/ajtó módban a reel motor pineken sem küld "HIGH" jelszintet és nem indul be a motor és a motorvezérlő sem kap megfelelő nyomaték feszültséget ezekben a módokban. Mindeközben megfelelően érzékeli az állapotokat és pontosan tudja melyik üzemmódban van. A hozzászólás módosítva: Júl 18, 2024
Gondolom, hogy valami ilyesmi van ebben a magnoban, már sok éve nem foglalkoztam kazettás magnokkal, de régebben sokat főleg a felsőbb kategoriás gépekkel.
Szoval igen, ha itt valamilyen dörzskuplung mozgatja a meghajto szerkezetet akkor oda kell még valami ami ezt kizárja akkor, ha a kazettaajtot kell ugyanazzal a motorral mozgatni, mert a csévélés meg az ajtonyitàs a fejhid azonos helyzetében történik, és amikor az ajtot nyitod akkor a fejhid ki van huzva, viszont az nem blokkolhatja a csévő kuplungot. Azaz oda kell még valami ami ilyenkor dönt, hogy mit hajt meg ugyanaz a motor.
Az fwd lehet, hogy azért 0V nálad mert nincs benne kazetta. Nálad is biztos a himba jelzi, hogy feszül-e a szalag, ami azt jelenti, hogy a jobb oldali cséve tekeri fel a szalagot.
Ez a magno ezek szerint egy analog áramkörrel különbozteti meg az üzemmodokat. Ezt fog kelleni tüzetesen átvizsgálni. Igy nehéz többet mondani. A pirossal jelölt feszültségeket vizsgáld. A hozzászólás módosítva: Júl 18, 2024
Van benne kazetta, különben nem emeli meg a fejet és nem is teker.
Nem azért 0V. Hidd el, ezeket a köröket végigfutottam. A probléma abban nyilvánul meg, hogy a cpu nem küldi a motorvezérlőnek egyik irányba forgatáshoz sem "HIGH" jelszintet play/door módokban. Illetve a lassú/gyenge nyomatékú módokban (play/door) a nyomaték jelző feszültséget sem állítja be. Fentebb írtam milyen feszültségeket látok Bővebben: Link Amúgy ebben a magnóban nincs kuplung. A motor nyomatéka hagyja például, hogy lejátszás esetén felcsévélésnél lassan forogjon. Ugyanígy működik a Technics az vége szériában. Csatoltam egy képet a mechanika hátuljáról. Ezen látszik a szürke "üzemmód tárcsa". Úgy dönti el, hogy a fogaskerekek az ajtót vagy az orsókat hajtsák-e, hogy bal-felülről belóg a tárcsa szélére egy fehér hosszúkás elem. Ez az elem középen fel vann függesztve, a másik végén egy rugón lévő fogaskereket nyom. Ha megnézed a tárcsa szélét, akkor látod, hogy ahol éppen most áll ott teljesen sík, de tőle lefele elkezdődik a szélén egy bemarás. Ahol bemarás van, ott a műanyag elem egyik vége belesüllyed, a másik vége felemelkedik és engedi emelkedni a fogaskereket. Ahol a tárcsán nincs bemarás, ott felnyomja a tárcsa azt a felét, a másik felén lenyomódik a fogaskerék. Így kapcsol áttételt az ajtó-csévélőorsok között. A forgás pedig kétirányú, szóval adja magát a többi. De szerintem engedjük már el a mechanikai dolgokat, mert azok rendben vannak. Valami elektronikai oldalról nem korrekt. A mechanika minden esetben a megfelelő pozícióba áll be, a cpu nem küld megfelelő jelet a motorvezérlőnek (kivéve tekerés). Direktben megadva a jelet működik 1-1 adott pozícióban is. A hozzászólás módosítva: Júl 18, 2024
Nagyon hiszel abban, hogy a CPU a hibás. Ez egy elég rossz hozzáállás. Meg kell viszgálni, hogy a portok mükődnek-e. Ahogy irtad, hogy ugyanaz a motor más üzemmodban müködik. Márpedig egy port vagy jo vagy nem. A FW hiba az esetek 99% ki van zázva, hacsak valaki nem turkált bele. Ahogy látom a cél IC-én nagyobb feszültség is van ez elég veszélyes a turkálok számára,
Szoval még egyszer vizsgálj meg minden kimenetet, hogy milyen változások vannak rajtuk. A bekerezett feszültségeknél van több olyan ami kritikus lehet.semilyen proci nem tud 0,1 V meg 5,5 V stb kiadni, az mindig kivülröl jön. A hozzászólás módosítva: Júl 18, 2024
Szerintem nagyon elbeszélünk egymás mellett.
Egyáltalán nem állítom hogy a cpu hardveresen hibás. Nem lehetetlen ugyan, de tekerés üzemmódban ugyanazokon a lábakon képes küldeni a vezérlő jelet. 1. Az viszonyt tény, hogy a play és door üzemmódokban nem ad ki magából ugyanott 5V jelet, ahol tekerésnél igen. 2. Az is tény, hogy a szükséges üzemmódokat felismeri, pontosan tudja, hogy most ajtónyitás van vagy éppen lejátszás, mert minden egyéb része működik, kijelzőn mutatja, stb. (rec is működik) 3. Az is tény, hogy a problémás üzemmódokban a motornak a tekerésnél lassabb fordulaton/kevesebb nyomatékkal kellene üzemelnie. Ezért terelődött a gyanu a nyomaték állító elektronika felé, ami viszont számomra nem értelmezhető, nem értem aműködését. Idézet: „semilyen proci nem tud 0,1 V meg 5,5 V stb kiadni, az mindig kivülröl jön” Nem is állítottam. Ha megnézed a cpu 1-es lábon van egy Vref 5V. Ezt a kimeneti portokon (pl. 14, 15) vagy rákapcsolja, vagy nem. Így vezérli például az IC703 segítségével a reel-motor forgásirányát. Én is innét vettem az 5v-ot amikor próbálgattam manuálisan az ajtót és a lejátszást. A 12, 13 lábak viszont feltételezhetően bemenetként működhetnek. Nem tudom biztosan, de a rajzon ezeken a lábakon lévő diódák irányából tippelem. Viszont az 5V/0V feszültségek miatt lehetne akár kimenet is, nyomaték vezérlő jel. De akkor nem értem a D703, D704 dióda irányát. Itt elakadtam sajnos. Te érted itt a nyomaték elektronika működését? Hogy miként állítja be az IC703-on a nyomatékot és hogyan jönnek a képbe a CPU 12, 13 lábai? Az általad bekeretezett feszültségeket amúgy már megmértem pár napja. Leszámítva az assist-motor nyomaték vezérlését (Q706) aminél a feszültségek rendben vannak, a reel-motor környékén (Q705) a feszültségek ff/rew módokban rendben vannak, de fwd módban már nincsen sehol. Szóval ismét csak arra gyanakszom, hogy a nyomaték állításnál van valami gond. De sajnos nem értem elektronikai szempontból, hogy a Q705 hogyan szabályozza ezt az értéket. Fentebb írtam a feszültségeket: Idézet: „cpu pin13: - idle: 5V - play: 5V - ff/rew: 0V cpu pin12: - idle: 5V - play: 5V - ff/rew: 2-3V (nincs a himba a reel motoron most, ezért 1mp alatt leáll, így csak megközelítőleg sikerült mérnem)” Ha megnézed a rajzot, akkor látod, hogy ez gyakorlatilag a pirossal karikázott feszültségek közül a két alsót takarja. Azok mennek a cpu 12, 13 lábaira. Namost, ez sincs rendben. elmélet: Ha feltételezem, hogy a cpu 12, 13 lábai (MO3V, MO4.5V) a reel-motor lassú vagy gyors forgásáért felelős, akkor kezd kirajzolódni, hogy valami ott sem megfelelő. De nem világos a működése. A hozzászólás módosítva: Júl 18, 2024
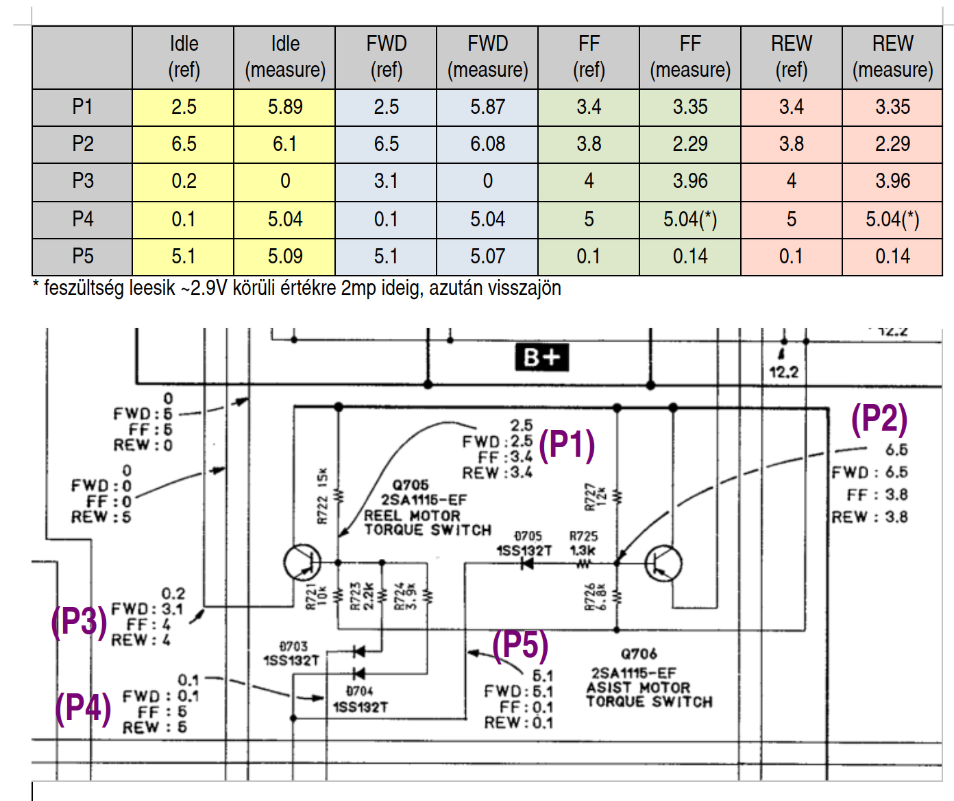
Csináltam egy mérést az általad említett (bekarikázott) részeknél.
A csatolt képen ott vannak a mérési pontok elnevezve (P1, P2 ... P5) és a referencia értékek (ref) és a mért értékek (measure) egy táblázatban. Hááát ... elég durva eltérések vannak. A hozzászólás módosítva: Júl 18, 2024
Hàt sajnos nagyon mellébeszélsz. Kértem, hogy ellenőrizd azokat a feszültségeket, amik egészen biztosan nem a procibol jönnek, és pl a 12, 13 lábakon is megjelenik ( 0,1 V, meg a motoráram ( torque) tranzisztorain vannak olyan feszültségek mint 2,5 V stb. Ezeket kellene végignézni, mert itt dől el hogy mi is történik.
Azok a 12. 13. Lábra menö feszültségek a tranzisztoros részben keletkeznek. A proci maximum a földre huzza öket. De ezt neked kell kinyomoznod. Az rajz egy kicsit csaloka a tranyok kollektira van a GND-n - az a felső vastagabb vezeték a GND, és a tápot a motorvezérlő IC-k +12,2V-s tápjábol kapják igy aránylag fèlremérni, mert ott üzemállástol függően billen a feszültség. ( ellenőrizd azokat a 2,5, 6,5 V stb voltokat. S ha a diodákon át esetleg a 12,2 V jutott az IC lábai az könnyen kinyirhatta azt. Én azt gyanitom, hogy itt nincs rendben valami. Azok a osztok a bázisokon aránylag fixek. Az egész ugy mükődik, hogy van egy alapállás, ahol az irt feszültségek mérhetők a bázisokon. A proci a 12. meg a 13. söntöli ( párhuzamosan kapcsol) a rajzon a felsöbb ellenállásokkal másikat a diodákon át, amiken kb 0,7 V esik., azaz a föld felé huzza a bázist azaz jobban nyitja a 2 PNP tranyot, ami viszont a motor meghajto ICben szabályozza a motoráramot. Szoval itt kellene előbb tisztázni, hogy rendben van-e minden. Itt megteheted, hogy kiforrasztod a 2 dioda katodját és azokat felváltva kapcsolhatod a GND-re meg az 5 Voltra és meglátod mi történik. A proci csak a GND-re tud kapcsolni különben nem terheli az áramkört. [open collector] S láthatod, hogy a motorhajto 4. Lábán állitják a motoráramot , nagyon alacsony tartományban 0,2 ill 0,6V -al. A hozzászólás módosítva: Júl 18, 2024
Egyszerübb lett volna a B-E feszültségeket mérni, méghozzá ugy, hogy az E legyen a pozitiv láb.
Itt kellene kb +0,7 V-t mérni minden üzemmodban. A hozzászólás módosítva: Júl 18, 2024
Azt hiszem újra kéne gondolni a vezérlést.
Nekem úgy tűnik a CPU 12, 13 lábai is kimenetek. Kiforrasztottam a D703, D704 és a D705 diódák katódját. Így gyakorlatilag nincs nyomatékkapcsoló elektronika. Ebben az esetben a CPU 12 és 13 lábain: - idle: 12 láb (5V), 13 láb (0V) - door: 12 láb (5V), 13 láb (5V) - play: 12 láb (5V), 13 láb (5V) - tekerés 12 láb (5V), 13 láb (0V) Szerintem door és play módokban a CPU-nak a 12-es lábon le kellene húznia GND-re az 5V Vref-et. Rajzon is 0.1V-ot jelez. De nem teszi. Rosszul látom a dolgot? A hozzászólás módosítva: Júl 18, 2024
Ha azok a kimenetek open collector kimenetek, akkor felesleges volt a mérés. Még mindig nem tudjuk mi van a B-E átmeneteken. Most hogy ki vannak forrasztva a diodák mérd meg a feszültségek ujra
A dioda katodja a +5Vra kőtve GND. B GND. E E-B Majd a dioda katodja a GNDre kötve ugynezt Mindkét tranyon. Meg ellenőrizd a 12,2 Voltot.
My first Sony magnó erősítője megy, de olyan mintha a fejről lejövő jel nem érne el oda, zaj van, a mikrofon bemenetre adott jel eljut, a dob és állathang generátor eljut...Valami ötlet hogy hol a gond? Kapcsolási rajzom van!
Sziasztok!
Van félretéve már egy jó ideje egy MK21-es "ős" magnóm, felújításra váró állapotban. Amiről tudok, hogy hiányzik belőle, az a motor és a kazettafedél - ill. a tápegységgel is biztos van valami gond, mert nagyon melegszik, de az majd egy következő lépés. Találtam egy BRG M11 orsós-kazettás kombó készülékből származó eladó mechanikát (a képek szerint), ebben látszólag benne van mindkét elem, ami nekem kéne. A gyártási idejük is kb. azonos. Valaki meg tudja esetleg erősíteni, hogy a két készülék e téren csereszabatos egymással, azaz az M11 motor és kazettafedél berakható az MK21-esbe is? (Az enyémnek a motorját sose láttam, már amikor hozzám került, akkor se volt meg. Az ajtó se, de azt legalább képeken is szoktam látni, stílusban azonos, méretre más kérdés.) A hozzászólás módosítva: Szept 19, 2024
Szia!
Japán motor volt mindkettőben (9V), ez stimmel, kazettafedél nem biztos, hogy minden méretében azonos. A hozzászólás módosítva: Szept 19, 2024
Rádió, recorder, ékszíj, SanyoSziasztok!![]() Valaki tudja mekkora és milyen vastag ékszíj kell ebbe a kis szerkezetbe? Csak kedden lenne lehetőségem szétszedni, de addig is megrendelném a bele valót. A hozzászólás módosítva: Okt 5, 2024
Nemrég érkezett JVC deck belsejeVan itt nálam egy “új jövevény”. JVC TD-X352. Picit offtopik, ha szigorúan vesszük, mert javítani, azt nem kellett.![]() Első látásra semmi különös, olyan átlagos 90-es évek közepi kazettás deck. Úgy érkezett (valós értékén aluli összegért), hogy ugyan funkcionálisan csinál mindent, de hangfalak hiányában az eladó nem vállalja, hogy jól is szól-e még. (Ritka korrekt hozzáállás. Az sokkal jellemzőbb, hogy ha egy hulladék állapotú, hangminőség felmérésére alkalmatlan régi kazettával megszólal, akkor az már működő darab gyűjtőknek, gyűjtői áron.) Nos, egy szalagpálya-takarításon, és a kijelzőre rakódott por letörlésén kívül semmi dolgom nem volt vele - javításnak nem is igazán nevezném, amire szükség volt, inkább csak karbantartásnak. Közben volt alkalmam belül is körbefotózni, így meg tudom mutatni, mi az, amitől mégsem annyira átlagos készülék ez. A fejegység felől nézve még mindig tömegtermék látványát nyújtja, aránylag sok műanyaggal, ill. ezeket a fejeket sok más korabeli gépben is használták. Van is belőle NOS tartalékom, számos bontott mellett. Az elektronika egy nagy panelen található (egy nagyobb üres területtel, ami valószínűleg a nagyobb testvérmodellek extra funkcióinak van fenntartva). Szokványos kétfejes gép létére külön felvevő- és lejátszó-erősítője van, nem a régebben megszokott átkapcsolós megoldás. (Egyáltalán, felvétel-lejátszás mechanikus kapcsoló már nincs benne, de ez a kései deckekben már általános felépítésnek számít.) Ekkoriban már általánossá vált a Dolby B-C, valamint a HX-Pro és az előlapról állítható munkapont, ez a panel is tudja ezeket a funkciókat. Viszont a mechanikára belülről ránézve jön az, ami akkoriban sem volt átlagos, ellenben, mint a felújítás szükségtelensége mutatja, sokat javít az üzembiztosságon. Első látásra kifejezetten vékony a futómű-egység, “kevés benne az anyag”, mondhatnánk… Csak aztán leesik, hogy mitől is olyan kicsi a kiterjedése hátrafelé. Ez bizony direct drive mechanika! (Persze ez szerepel az ajtófedélen is, de nem túl hivalkodó módon.) A lendkerék mágneses anyagú, és nem csak lendkerék, hanem egyben a capstan motor forgórésze is. Mögötte egy PCB-re felszerelve az állórész tekercsei, és bizonyára valamilyen visszacsatolást megvalósító jeladó is. (De ennyire nem volt szükség beletúrni, hogy ezt lássam is.) Nincs megnyúló/elszakadó gumiszíj, nincs porosodás a tapadófelületeken, nincs elkopó kefe a motorban, és gyakorlatilag a motorcsapágy is örök életű (a lendkerék tengelye jóval kisebb fordulatszámmal forog, mint a szokásos 2400/perces magnómotoroké). Van még két másik (hagyományos DC) motor is: az egyik polaritásváltással és áramszabályozással teker előre vagy hátra, ill. húzza kisebb, mindig állandó nyomatékkal a szalagot lejátszás közben. (Itt sincs szíj, sem kuplung, ami megkopna.) A harmadik pedig a fejegységet mozgatja szervóként, a rögzített pozíciót is automatikusan (és folyamatosan fűtő elektromágnes nélkül) biztosító csiga-áttétellel. Az egész felépítmény átlátható, egyszerű, és ennélfogva sokkal kevesebb is a hibalehetősége. Minden kvalitása elismerése mellett, pl. a Sony mintát vehetett volna erről a konstrukcióról a TCM-200 agyonbonyolított, szerelőlapok közti szíjakkal és fogaskerekek emelgetésével operáló hárommotoros mechanikáival összevetve. Abból valamiért 30 év elteltével egy fejtakarítást követően rögtön használatra kész példány nem igazán van.. A hozzászólás módosítva: Okt 8, 2024
Egyébként ezt is életre keltettem már, köszi a megerősítést, valóban jó lett a motor bele. Bemutatásra kész állapot még várat magára, az eredeti tápegységében is volt egy hiba..
Sony TC-K620 rendellenes alapzajSziasztok!Van nálam egy címben említett típusú magnódeck, elvileg csak mechanikus vezérlési hibával érkezett. (A szokásos TCM-200-as jeladó probléma.. már rutin javítanom.) A gyakorlat az volt, hogy rögtön beérkezéskor teljesen megbolondult vezérlést produkált (indítás után a kijelzőn random karakterek a számláló helyett, fél oldali kivezérlésjelzés kiakad, monitorkapcsolóra, Dolbyra nem reagál a kijelző.. némi vibrálás is. és a motor ezt követően teljes áramtalanításig forog, a főkapcsoló - ami csak engedélyez, nem szakítja meg az AC kört - "Off" állásában is). Nekiálltam méregetni a tápokat, láttam is, hogy nem mindegyiket kapcsolja ki, amikor ki kéne.. csakhogy nem értem a végére, mert egyszer csak megjavult! (Na ez az, ami nem a legjobb, hanem pont a legrosszabb eset. Innentől nem tudok tovább hibát keresni, de amúgy nem is oldottam meg, tehát bármikor visszatérhet.) Akkor itt megcsináltam az eredeti mechanikus gondot. Sikerrel. Csakhogy: utána a teszteléskor feltűnt a csatolt fájlmellékleten is hallható rendellenes zaj. A mélyebb zúgás akkor van, ha a monitorkapcsolót "Source" állásba teszem (bemeneten semmi nincs, potméter ütközésig letekerve). Utána a csend, amikor visszaállítom "Tape" állásba, de még nem megy a lejátszás. Lejátszásra kapcsolva egyrészt van a szokásos sziszegés, de mellette egy búgó hang is, ami a főmotorral van valahogy összefüggésben (amikor elkezd mélyülni, ott picit lefogom a lendkereket kézzel). A szervizkönyv szerinti tápfeszültségek most előállnak rendben. Földelési gondra tippeltem, úgyhogy elkezdtem tüskékben végződő vezetékdarabbal összezárogatni földelendő pontokat. Sem a fej, sem a készülékház, sem pl. a kimeneti jack hidegpontja nem változtat semmit, ha a panelon levő GND mérőponthoz kötöm. Az egyetlen hely, ahol picit rosszabb lesz a zaj, az, ha a motor burkolatát és a készülékházat kötöm össze, de az eltérés nem jelentős. Javulást sehogy sem sikerült elérnem ezzel a módszerrel. Nekem picit földhurok-szerű a jelenség, de ezzel viszont meg is vagyok lőve, mert fogalmam sincs, hogyan kellene ilyesmit kimérni. Vannak fogalmaim róla, hogy pl. egy épített erősítőben mi okozhat búgást, de ez egy gyári, és nem is gagyi készülék nagy szériában gyártva, látszólag nem sérült panellel. Mindamellett, hogy egyértelműen szerelt már benne valaki előttem, mert a mechanikában viszont voltak gyengén meghúzott csavarok.
Az M11 -ben (legalábbis abban, ami nekem volt annó) egy közös nagy motor volt, ami a szalagos és a kazettás részt hajtotta. A kazettás részt két szijjal egy közbenső áttétellel vitte. Bpsszankodtam is, hogy a kazetta indítása lelassította a szalagot, amiről a felvételt át akartam venni a kazettára.
A hozzászólás módosítva: Okt 23, 2024
Sony CFS-B21LLejátszást lenyomva nem kattan le a mechanika, lejátszás állásba nem kapcsolható, viszont a felvétel lenyomása rendesen lent marad. Magamtól nem sikerült rájönnöm az okára, mit kellene megnéznem?
Szerintem belefér, miután nekem kinn a telkemen egy ehhez hasonló BRG MK21 mechanikás magnóm van, és bizony elég sokat javítgattam. Abban is ilyen Philips tipusú kazettamechanika van, még az eredeti Matsushita motorral és fordulatszám szabályozó elektronikus áramkörrel együtt.
Én az AD161, AD162 tranzisztorpárt elég régen kicseréltem benne AC187, AC188 párra, így a kimenő teljesítménye füllel hallhatóan talán megmaradt, ámde jóval kevesebbet fogyaszt. Az egész alaplapja általam át lett tervezve, pl. a törlőoszcillátora pl. már váltóáramú (az MK42-es magnóból való) /azzal kisebb tőle a felvétel zaja/, és van benne krómdioxid kazettákra való átkapcsolási lehetőség (ami ugyan csak kézi megoldás) - viszont már vagy jó 15 éve be sem kapcsoltam ... Lehetséges, hogy a meghajtás gumiszíja alaposan megnyúlt avagy állás közben szépen eltaknyosodott. Ha viszont a tápegysége kissé melegszik, az lehet akár természetes dolog is, miután elég egyszerű maga a kivitelezése - van benne egy 9 voltos hálózati trafó, egy lapos (Konverta gyártású) szelénlapkás egyenirányító, no meg hozzá 2 darab 1000 µF-os Nichikon japán elektrolit kondenzátor. Ha még nincsenek felfújódva, akkor többnyire semmi bajuk. A hozzászólás módosítva: Nov 4, 2024
Felvétel halk és zajosSzevasztok! Adott egy Onkyo integra TA2550-es magnó amely szépen játszik le, viszont felvételre állítva csak maximum értékre állítva a bemeneti jelerősséget jelentkezik olyan -20dB-es jel s felvételkor az is zajos és ingadozó. Esetleg valami ötlet, hogy mi lehet a probléma? RCA kábel új, fejek megtisztítva.
Elsőre felvevőfej koszos kopott.
Siemens RC 608Sziasztok!Ha a motor zaja hallatszik a fülhallgatóban az a motor hibája? (azért fülhallgatót írtam mert walkmanról van szó)
Szia!
Legalábbis semmiképp sem a fülhallgatóé. Ezen kívül viszont több oka is lehet. A motor lehetséges: nemrég egy komoly háromfejes-hárommotoros deckben kellett capstan motort cserélnem, mert ilyen zizegő-zúgó alapzajt vitt be a hangba. Új (persze az is legalább 25 éves, de sosem használt, dobozos) motort betéve nyom nélkül megszűnt a zaj. Tehát a régi motor volt a bűnös, de hogy pontosan mi a meghibásodás módja, ami ilyet okoz, azt nem fedeztem fel. A szokásosabb csapágykopás, szorulás, nyávogás jellegű hibákat nem észleltem, fémtesthez nem volt zárlatos/átvezetős egyik pólusa sem. Ha nem is a motor a gond, lehet még annak a bekötésével, esetleg a mechanika földelésével is kapcsolatos. Ezt ki kell próbálni, pl. a motor negatív és a mechanika testje közös-e, vagy külön drótokon megy, esetleg van-e leszakadt földelő vezeték.. Ha érintetlen a készülék (ez legfeljebb csak akkor mondható biztosra, ha új kora óta a tiéd, vagy általad ismert emberé..), ennek igen kicsi az esélye. Bizonyos walkman-ek esetében a merülő elem is egyre nagyobb motorzajjal jár. A merülőfélben levő elemmel azonos jelenséget (megnőtt belső ellenállás, s így terhelésre feszültségesés) produkál az is, ha koszos, korrodált az elemtartó érintkezője (érintkezői), vagy a készüléket bekapcsoló fémnyelves érintkezőpár. (Utóbbit a mechanikára szerelve találod valahol.) De általában véve sajnos az sem volt ritka - bár ez még egy kevésbé noname készülék -, hogy az olcsóbb walkman-ek új koruk óta ilyen zajosak voltak. (Gyerekkoromból egyértelműen rémlik ilyen, de az valami Elta vagy Domtec nevű igazi kínai gagyi volt, amit akkoriban is pár tábla csoki áráért lehetett újonnan kapni..) Az is jó kérdés, hogy vajon lehet-e hozzá motort szerezni, ha az a gond, mert ezekben nem lett annyira egységes a motor mérete-tulajdonságai, mint a nagyobb hordozható gépek és deckek esetén. (Vagy legalábbis én nem találkoztam ilyennel, és boltban vehető cseredarabbal már régen sem.) Bizonyos szinten belül én azt mondanám, hogy ezek ennyit tudtak, sosem voltak a minőség csúcsai. Ténylegesen hifi-színvonalú visszajátszásért Panasonic vagy még inkább Sony walkmant érdemes keresni. Másról nem is nagyon tudok, aki nem csak utánozta volna ezeket a témában piacvezető fejlesztéseket.. A hozzászólás módosítva: Nov 25, 2024
AIWA AD-F330 deck reel motorSziasztok!AIWA AD-F330 deckhez keresek reel motort. Cikkszám: MMN-5C2L, 12V DC Tudtok ajánlani kompatibilis alkatrészt beszerzési forrással? Köszönöm. |
Bejelentkezés
Hirdetés |


























