Fórum témák

» Több friss téma
Fórum » Crystal radio - detektoros rádió
Lapozás: OK   153 / 157
(#) Atis57 válasza sdrlab hozzászólására (») Aug 14, 2024 / 2
 
Szia!

Itt igy van elválasztva a HF és a DC jel egymástól.
Ha a diódák külön lennének nagyobb terhelést kapna a rezgőkör .
De biztosan optimalizálható más kapcsolás technikával is.Ezt a korai 60 -s években követték el.
(#) bigrobi válasza Atis57 hozzászólására (») Aug 16, 2024 /
 
Érdekes. Gondolom csak germánium diíódával múködik. Nem kizárt hogy megpróbállom, ez egy "negyfrekvencás " tranyó.
(#) Atis57 válasza bigrobi hozzászólására (») Aug 17, 2024 / 2
 
Szia!
Esetleg egy egyszerübb?






De ennek a működését ha lennétek kedvesek megfejteni----nem értem.mitől lessz visszacsatolt.
A hozzászólás módosítva: Aug 17, 2024
(#) bigrobi válasza Atis57 hozzászólására (») Aug 18, 2024 /
 
Másodiknál több ezgőkör van, így elméletileg jobb a szelektivitás. Az elsőnél a trafó a nagy kérdés, milyen és mire van. Én amiket próbáltam tranzisztorral detektorosokat egy sem volt jobb a diodasnal vagy hangosabb.
(#) Atis57 válasza bigrobi hozzászólására (») Aug 18, 2024 / 2
 
Szia!
Az elsőhöz rezgökörök helyett "japán tranzisztoros rádió KF trafót " irtak.

A másodiknál ; szintén a tipusa is oda van irva.

Nekem az a visszacsatolás gyanus Dc szint+ HF jel .......?
(#) pucuka válasza Atis57 hozzászólására (») Aug 18, 2024 /
 
Az a visszacsatolás valószínűleg nem sokat ér, és ráadásul a kristály (piezo) hallgató miatt a detektor sem az igazán működik. Lehet, hogy ettől működik?
(#) Gafly válasza pucuka hozzászólására (») Aug 18, 2024 / 1
 
Ahogyan mondod: Feltöltődik mint kondenzátor "csúcsértékre", és "oszt jónapot/nincsen itten semmi látni (bocsánat hallani) való".
(#) Atis57 válasza bigrobi hozzászólására (») Aug 21, 2024 / 2
 
Szia!

Akkor egy régi leirás-kapcsolás?
(#) Atis57 válasza Gafly hozzászólására (») Aug 22, 2024 / 2
 
Szia!
Ezt a kapcslást erős helyi adó esetére ajánlják---
(#) Atis57 válasza Atis57 hozzászólására (») Aug 22, 2024 / 1
 
(#) Atis57 válasza Atis57 hozzászólására (») Aug 30, 2024 / 2
 
Sziasztok!
de van EU-s oldal is. Hasonló készülékekkel.

det EU.jpg
    
(#) Atis57 válasza Atis57 hozzászólására (») Szept 30, 2024 / 2
 
Sziasztok!

Egy ujabb változat?
(#) proli007 válasza Atis57 hozzászólására (») Szept 30, 2024 /
 
Hello! Érdekes az első, mert ha a két tekercs között mágneses csatolás van, akkor nem kell a C3. Ha meg nincs, akkor meg hiányzik a GND-nél a vonal. Laza csatolásnál, alig megy át teljesítmény. Az igaz hogy DX-ről beszél, ha ez ott van az adó mellett akkor igen, vagy szelektív lesz, csak épp nem működik. Legalább is én így látom.
(#) Atis57 válasza proli007 hozzászólására (») Szept 30, 2024 /
 
Szia!

Ezt még nem próbáltam ki.(tervbe van véve?)

A leirtak igazak , bár a csöves kf technikában ez sem volt szokatlan megoldás.
(#) proli007 válasza Atis57 hozzászólására (») Szept 30, 2024 / 1
 
Vannak halvány emlékeim. Anno a nagybátyám, nagy gyűjtő volt. Aztán mindent begyűjtött és kérte leheljek bele életet. Én meg ahogy lehet. Betettem tranyát, meg mindent ami kéznél volt.
Néhány év múltán szerzett donorokat és azt kérte, hogy állítsam vissza az eredeti állapotokat.
Nem volt egyszerű mutatvány. Kibányászni az egérrágta méhsejt tekercseket, meg a kivezetéseket. De megcsináltam, mert nagyon lelkes volt. Az ágya mellett is egy gyári detektoros volt a 2000 ohm-os hallgatóval. De sajnos nemrég ment el. Nem is tudtam elmenni a temetésre, mert kórházban voltam.
A nagyapám, meg többek között órás volt. Csinált anno detektorosokat. Persze nem működött, mert nem tudta hogy mi, miképp működik. Aztán mikor kijavítottam a hibákat, nagyon boldog volt, hogy még is működnek. Volt egy Philips csúcsszuper rádiója, hármas forgóval. EF3 volt benne, gyönyörű skálával. Csak sajnos elveszett a "hosszú harc alatt", mint a 10db. személyre szóló állóóra sétáló, amit emlékbe raktam el.. Amikor a csőbútorok voltak, kidobtak minden régi dolgot. Még a GE kristályokat is a befogóval..


Olyan KF-et láttál, amit 6 szögletű dugókulcssal lehetett hangolni? Egy serleg volt a vasmag és viaszba volt ferrit? Na, ez sem tegnap volt..
(#) Atis57 válasza proli007 hozzászólására (») Szept 30, 2024 /
 
Szia!
Igen s sohasem volt belevaló kulcsom (talán coll/hüvelyk méretű volt)?
(#) bigrobi hozzászólása Okt 24, 2024 / 1
 

Foxhole rókalyuk rádió

Hát idáig új hozzászolás volt, nem kérdés. Ez sem kérdés. Epítettem egy foxhole rádiót. Zsilet grafit demodulatorra, nem annyira érzékeny mint a germánium diódás de működik, itt a videó videó linkje
(#) Atis57 válasza bigrobi hozzászólására (») Okt 24, 2024 / 2
 
Szia!

Ez remek ---Esetleg; megmérnéd Voltmérővel a nyitófeszültséget, A demodulált jelet is. ----
----megcsinálnád előfeszitettre is ?(Mennyit változik.)
köszi .
A hozzászólás módosítva: Okt 24, 2024
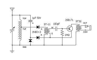
(#) Atis57 válasza Atis57 hozzászólására (») Okt 24, 2024 / 2
 
Két ,detektoros változat;
(#) bigrobi válasza Atis57 hozzászólására (») Okt 29, 2024 /
 
Na majd foglalkozok vele. A nyitófeszültség 300 és 800mV között mozog ahogy mozgatom a grafitot. Germánium diódával sokkal hangossabb és érzékenyebb. Ez csak 1 állomást fog.
(#) Atis57 válasza bigrobi hozzászólására (») Okt 29, 2024 /
 
Szia!
köszi!
A grafit ceruza minősége ( H ? HB? F ? B volt a legjobb ) és a Zsilet penge bevonata adja a varázslatot.

Ezért irtam az előfeszitést De a tapasztalat sokat ér !
(#) bigrobi válasza Atis57 hozzászólására (») Okt 30, 2024 /
 
Grafit ceruza sima plajbász grafitja a oenge eldobható borotvából kiszedve. Terheles nelkul 5-10mV van a fejhalagtókimeneten még germániumdiódával kb 70mV. Előfeszítetten nem mértem hallásra semmi különbség 1,5V elemmel próbáltam. Nem volt B2.
(#) Gafly válasza bigrobi hozzászólására (») Okt 30, 2024 /
 
Jó lenne megnézni valami műszer "szerűséggel", mint például detektoroszkóp/kanyaroszkóp.
Lehet hosszú téli estéken, majd...
Vagy jövőre Békéscsabán. Két éve mérhetetlenül jól szórakoztunk vele.
(#) bigrobi válasza Gafly hozzászólására (») Okt 30, 2024 /
 
Azt már meghagyom neked, digitális műszerrel nem sokra mentem amit emrtem az analóggal vollt.
(#) Gafly válasza bigrobi hozzászólására (») Okt 30, 2024 / 1
 
Egyszer gyere el Csabára, szeretettel várunk.
Ha tutira ott leszel, akkor elviszem megint (meg akkor rákészülök).
(#) bigrobi válasza Gafly hozzászólására (») Nov 1, 2024 /
 
Szerbiában élek és nincs autóm így összetett.
(#) Gafly válasza bigrobi hozzászólására (») Nov 1, 2024 / 1
 
Ha a Balaton mellől, vagy Egerből elzarándokolnak, akkor Szerbia sem tűnik teljesen megvalósíthatatlannak. Van rá több mint fél év, szervezésileg...
Szerintem soha, senki nem kért még Békéscsabán a Művháznál a belépéshez útlevelet, legfeljebb Csaba kártyát, mert úgy olcsóbb a belépő. Az meg soha nem volt ingyen...
Ha 2025-ben, Békéscsabán megveregeted a vállamat, hogy "Szia Gafly, én vagyok a Bigrobi, akkor meghívlak ebédre a Méteresbe."
(#) WBalazs hozzászólása Dec 25, 2024 / 1
 

Rosz a rádióm, miért?

Sziasztok, már több rádióval is próbálkoztam de egyik sem sikerült jól (egyikkel sem fogtam semmit) most is csináltam egyett immáron egy állítható házi készítésű kondenzátorral. Egyszerűen már nem jut eszembe semmi hogy mit rakjak bele hogy működjön. A tekercsem egy 6cm átmérőjű 50.5 mm hosszú és ha jól emlékszem 168 menetes. (ezt a chat gpt jósolta nekem hogy jó lesz de szerintem ez a baj) a kondenzátoromat még nem tudtam lemérni hogy hágy pF-os de ez egy itteni Uriemberének a másolata elm 200-300pF ennek a méretei az alsó része 20cmX6cm a felsző 10cmX5cm a dióda sajnos nem tudom milyen egy régi töltő tápegységből szedtem ki. az antenna kb 5m hosszú a föld az a hálozati föld.
(#) kadarist válasza WBalazs hozzászólására (») Dec 26, 2024 /
 
Szia! Antenna is van hozzá, vagy csak ennyi?
(#) rectamas válasza WBalazs hozzászólására (») Dec 26, 2024 /
 
Szia,
Rövid az antenna, minimum 10-20m legyen, a Si dióda helyett germánium vagy Schottky kell.
Az antennát mindenképp a házon kívül húzd ki.
Következő: »»   153 / 157
Bejelentkezés

Belépés

Hirdetés
XDT.hu
Az oldalon sütiket használunk a helyes működéshez. Bővebb információt az adatvédelmi szabályzatban olvashatsz. Megértettem