Fórum témák
» Több friss téma |
Azért nem mernék az MI-ra mérget venni. Ha az
Idézet: akkor már semmilyen formázás sem segít. „elektrolit folyadék idővel kiszáradhat vagy kémiailag lebomolhat”
Ez igaz, bár még ilyennel nem találkoztam. Volt olyan, hogy egy nagy szünetmentesünk,-300kVa-, még tirisztoros volt, ment 15 évet, aztán átalakítottuk tranzisztorosra, aztán ment újabb 15 évet, ugyanazokkal a kondikkal a bemeneten. Lehet azért, mert ezeket egész jól megcsinálták ( 3300µF 350V, vagy 20db inverterenként ) de semmiféle változást nem lehetett látni, mérni rajtuk. Ugyan ez volt egy 200kVa-es rendszeren is, ugyanazokkal a kondikkal. Most A FOK-GYEM tápok felújításánál ugyanezt tapasztalom. Formázás, aztán mint az új.
Az lehet, hogy a miniatürizálás oltárán elkövetett méretcsökkentéseknek van ilyen kiszáradás hatása, de még a 40...50 éves MM kondiknál sem tapasztaltam kiszáradást. A kisebb nyákos kondikat inkább kicseréljük, nem olyan drágák.
Az előzővel csak arra utaltam, hogy az intelligencia szerint a kiszáradt, lebomlott elkót is rendbe lehet szedni egy kis formázással.
Betört erre a fórumra is az MI a kétes válaszaival, pl.: Bővebben: Link.
A hozzászólás módosítva: Jan 29, 2025
A hülyeség eddig csak emberekből jött. Most bővült a kínálat MI-vel.
A régi kondik jobb minőségűek a mai átlagosaknál, tehát érdemes formázni. Jómagam a régi MM, ROE, Sprague, Frako stb. kondikat nagyon megbízhatónak tartom és próbálom ezeket megtartani. Általában sikerül. Sorba kapcsolom vele a multiméteremet árammérő állásban és fokozatosan növelem a feszültséget (szabályozható táp) . Mikor a szivárgási áram kezd nőni (nem biztos, hogy fog) akkor kicsit vissza veszek a feszültségből és hagyom azon az értéken fél vagy egy óráig. Utána elkezdem ismét növelni, ekkor már csak később nő a szivárgás, és ismét hagyom egy darabig. Ezt ismételve, (ha kell egyáltalán, mert van, hogy az első lépésnél sikerül) hamar eljutok a névleges feszültségig és használhatom.
Azt kérdezném, hogy mi az oka annak, hogy ha megérintem az elektrolit kondenzátort. akkor erős brummot ad az erősítő, valamint testhez képest feszültség is mérhető rajta?
A hozzászólás módosítva: Jan 31, 2025
Igen! Ott van szétszedve a rádió! De nem az asztalt érintgetem, hanem az elektrolit kondi hátzát!
Tehát, van egy rádió, és a panelján vannak elektrolit kondenzátorok, és némelyiknél az előbb leírt jelenség tapasztalható! Ez hiba vagy nem?
Kondenzátor kompatibilitásTisztelt hozzáértők,Sajnos nagyon felületesek az ismereteim, viszont próba képpen ki szeretném cserélni a kondenzátort a fürdőszobai páraelszívóban, mert bekapcsoláskor nem pörög fel a motorja. A problémám, hogy ugyanolyan értékűt nem találtam, ill. ami volt az üzletben utolsó db. általam talán jónak vélt, arra azt mondta az eladó, hogy az indító kondenzátor. Ennek ellenére elhoztam, mert én üzeminek vélem. Kérdéseim: A felírt adatokból hogy lehet megállapítani, hogy indító-e, vagy üzemi? A csatolt képeken látható a régi (250V) és az új. Berakható az új a régi helyére? Foglalkozni kell a polaritással? A régin mindkét vezeték fehér volt, az újon barna és kék. Köszönöm a válasz és elnézést az amatőr kérdésekért.
Azért a ráírt 10.000 órás élettartam (400VAC esetén) sejteti, hogy tud állandó üzemben működni..
Oké, de ez attól függ milyen kondi ez és hol van a készülékben. Mert ha ez a kondi valamelyik bemenetnél van, akkor zúghat. Ha a tápban, akkor nem zúghatna, de akkor is kell, hogy mit szűr a kondi és hogy a háza kapcsolódik-e a sasszihoz (GND-hez).
(Az asztalt csak viccként írtam, mert nem lehetett tudni hol van a kondi áramkörileg.) De ha nem tudjuk milyen készülék és hol van benne rajztechnikailag a kondi, honnan tudnánk, hogy mi normális, mi nem? De a rádió, biztos nem ahhoz készült, hogy tapizzák a kondikat. A hozzászólás módosítva: Jan 31, 2025
Az elkó megérinthető fém háza "lóg a levegőben" és összeszed kapacitíven mindent. Mondjuk tápban épp fordítva szokott működni, ha hozzáérsz leföldeled és megszűnik a zaj.
Hello! Nem polarizált a kondi, nem számít melyik lába melyik.
Ez egy tranzisztoros szovjet rádió. Sajnos a rádió része nem akar megszólalni, csak halkan zajos, de ha megérintem némely elektrolit kondit, akkor erősen búg. Az erősítője különben szól.
Akkor nyilván nem az erősítőjével van a gond. De nem írtad, mit vársz tőlünk, mennyit értesz az elektronikához, van-e felszerelésed. Mint ahogy azt sem írtad, hogy mi a rádió típusa.
Már néhányszor leírtam, hogy az "egy" az határozatlan névelő. Ergo, nem lehet belőle megtudni semmit.
Szia! Az adatok alapján használható az új a régi helyén? Tnx! Köszönöm.
A chat-szleng ezen az oldalon nem elfogadott! A hozzászólás módosítva: Feb 1, 2025
Moderátor által szerkesztve
Igen, használható. Manapság a gyakorlat az szokott lenni, hogy az üzemi kondiknak fehér a kabátja, az indítóké fekete.
De az indító kondik kapacitása lényegesen nagyobb, legtöbb esetben azok bipoláris elkók, veszteségei miatt nem bírják tartósan a váltóáramot. Sajnos ma már nem olajkondik az üzemi kondik, "öngyógyuló" tulajdonságuk miatt kapacitás vesztesé vállnak idővel, mint az X2 kondik.
A CBB60 a gyártó oldala szerint mind indító mind üzemi kondenzátornak megfelel. Amúgy minden lényeges paraméterük megegyezik, a magasabb feszültségtűrés pedig sosem baj.
Azért az a PRC (Populat Republic China) nem garancia arra, ami rá van írva. (10000 h) A régi az Italy azért talán megbízhatóbb. Sajnos nekem személy szerint, nincsenek jó tapasztalataim a kínai árukkal.
Riga 301
Mint írtam, a rádió része nem reagál semelyik sávon, csak halkan zajos teljes hangerőn! Az erősítője működik. A stabilizált tápegységnél megvannak a feszültségek, az URH tunernél is. Egy digitális multiméterem van DT9205B. A diódákat mértem, azok jónak tűnnek, egy nagyon zajos kondit kiforrasztottam, 5µF helyett csak 2,7 µF az értéke. A hozzászólás módosítva: Feb 1, 2025
Köszi a segítséget!
Hello! Azt megnézted, hogy középhullám tartományában működi-e a készülék?
Mert ha működik, akkor vélhetően működik a középfrekvenciás erősítő egység, és elsődlegesen a tunernél kell hibát keresni. Ha nem működik, akkor a KF fokozatnál kell hibát keresni. Remélhetőleg a KF hangoló vasmagok, nincsenek eltekergetve, mert kezdők kedvenc szokása, mindent megtekerni amit lehet. Azt remélem tudod, hogy a rádió "keleti URH-ra" lesz hangolva. Ez 65..73MHz tartományban van és ha jól tudom itt nem folyik rádió műsorsugárzás manapság.
Igen tudom, de akár melyik sávra kapcsolom, még csak nem is változik a zaj hangszíne, milyensége, csak az az igen halk alapzaj van teljes hangerőn! Ezért gondoltam, hogy valamelyik elektrolitkondi megadta magát a rádió részén, és ezért nincs jel továbbítás az erősítő felé. A modulokon látható viaszhiányos tekercs, de nagyrészt rajta vannak a viaszos lezárások
Akkor néz meg, hogy a hangfrekis bemenet el jut-e a demodulátorokig. Bár gondolom, a C421-et cserélted, ott tapiztad. De nézd meg, hogy AM/FM esetén ha megfogod a diódákat zúg-e. Vagy is hogy az URH kapcsoló, oda kapcsolja-e az erősítő bemenetét az aránydetektorra. (Kapcsoló 19-11 zár-e. Elég furán van számozva..)
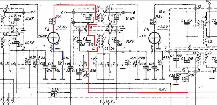
Ha ez jó, akkor mérd meg a T1-T2-T3-T4 munkapontjait.
A diódákat érintve bűgeás van, a következőket mértem.
T1 C 5,12V B 0,73V mérés közben zajos, mintha éledne a rádió. E 0,47V T2 C 5,44V B 0,63V mérés közben zajos, de halkabban, mintha a Dankó rádió szólna.. E 0,47V T3 C 0,13V B 0,37V E 4,19V T4 C 9,58V B 0,75V E 0,41V T5 C 9,50V B 0,83V E 0,56V Csak az URH érzékeny a bázist érintésére, a T1,T2 a többi sávon nem reagál! A hozzászólás módosítva: Feb 2, 2025
A T3-nál valami káosz van. Részben nincs kollektor feszültség, részben az emitter magasabb mint a kollektor. (Ha nem cserélted el a kettőt.)
Ellenőrizni kell a piros vonal mentén a feszültséget, "hol tűnik el". Mert a T4-nél rend van. Tehát ott ahol felírtam a feszültséget, ott meg kell hogy legyen. Aztán az emittert ellenőrizni, hogy miért magas az emitter feszültség. Ha ne adj ég foglalatban vannak a tranyók, nézd meg, nem fordította-e meg valaki a T3-at. |
Bejelentkezés
Hirdetés |













