Fórum témák
» Több friss téma |
Fórum » DVD lejátszó alaplapjának a bekötése további használatra
Témaindító: Dr.God Man, idő: Jan 9, 2009
Témakörök:
Hello mindenkinek!
Egy olyan kérdéssel fordulok hozzátok amire remélem találunk valami megoldást. Én azt szeretném megoldani , hogy egy valamilyen asztali dvd lejátszó alaplapját szeretném úgy bekötni , hogy pl. digitális audio jelet valahová rákötni a panelra és a lejátszó analóg kimenetein már szétosztva megkapjam az 5.1 catornákat. Ez azért lenne jó , hogy pl egy semmire sem jó lejátszót tudnék használni házimozi erősítő készítéséhez. Mert a gyári erősítők hangminősége valami gyalázatos! És piszkosul drágák!!! Gondolom van valahol olyan pont a panelen ahol van valamilyen audio bemenet és rá lehet kötni egy külső jelet amit fel is tud dolgozni.Ahol a meghajtó csatlakozik a panelhez oda rá lehet kötni valamilyen módon ??? Vagy hogy lehetne összehozni ezt? Előre is köszi!
olyanrol hallotal h dolby decoder?
Valami ilyesmi kellene csak olcsó és beszerezhető alkatrészekkel.Szerintem elég drága lehet ezekhez az ic-k Ezért is gondoltam , hogy a dvd lejátszó is valahogy megoldja ezt a dolgot és hátha használható valahogyan...
Csak gőzöm sincs , hogy hogyan műkszenek a lejátszók. Valahol gondolom A lemezről olvasa az adatot és gondolom az audio része az adatnak külön utakat jár be a képtől.Csak valami kis infó kellene hozzá , hogy hol is kezdjem a kókánylást...
Fogod a dvd játékosod és sorra megnézed a benne lévő IC-k adatlapjait!
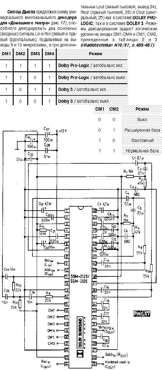
kaptam meg 1 rajzot
tanulmanyozd elegge erdekes
Ezek amiket küldtetek, mind egytől-egyig Dolby ProLogic dekóderek, melyek olyan anyagokat tudnak dekódolni, amelyekben a sztereó hangsávban van kódolva a Center és a Mono Hátsó csatorna. GodMannek szerintem a digitális 5.1 kellene
No nekem pont vacakol a dvdjátékosom, a hétvégén belekukkantok, hogy mit is lehet vele kezdeni.
Illetve, hogy van e benne SPDIF/sokcsatornás analóg átalakító...
Üdv. Az egyik 5.1-es dvd-mnek a központi panelja feladta a harcot. Az 5.1 és rádió része viszont tökéletesen ment. A dekóder IC-k meg vannak még. ha érdekelnek, írj: ***@**.**
E-mail-címnek adatlapban a helye. -- kobold |
Bejelentkezés
Hirdetés |




Vagy hogy lehetne összehozni ezt? 

Csak gőzöm sincs , hogy hogyan műkszenek a lejátszók. Valahol gondolom A lemezről olvasa az adatot és gondolom az audio része az adatnak külön utakat jár be a képtől.Csak valami kis infó kellene hozzá , hogy hol is kezdjem a kókánylást...
tanulmanyozd

